FERM HDM1028 850W Rotary Hammer

Thank you for buying this FERM product. By doing so you now have an excellent product, delivered by one of Europe’s leading suppliers. All products delivered to you by Ferm are manufactured according to the highest standards of performance and safety. As part of our philosophy we also provide an excellent customer service, backed by our comprehensive warranty. We hope you will enjoy using this product for many years to come.
SAFETY WARNINGS
WARNING
Read the enclosed safety warnings, the additional safety warnings and the instructions. Failure to follow the safety warnings and the instructions may result in electric shock, fire and/or serious injury. Save the safety warnings and the instructions for future reference.
The following symbols are used in the user manual or on the product:
- Read the user manual.
- Denotes risk of personal injury, loss of life or damage to the tool in case of nonobservance of the instructions in this manual.
- Risk of electric shock
- Immediately remove the mains plug from the mains if the mains cable becomes damaged and during cleaning and maintenance.
- Always wear eye protection!
- Wear hearing protection.
- Wear safety gloves.
- Do not dispose of the product in unsuitable containers.
- The product is in accordance with the applicable safety standards in the European directives.
Additional safety warnings for rotary hammers
- Wear ear protectors. Exposure to noise can cause hearing loss.
- Use auxiliary handle(s), if supplied with the tool. Loss of control can cause personal injury.
- Hold power tool by insulated gripping surfaces, when performing an operation where the cutting accessory may contact hidden wiring or its own cord. Cutting accessory contacting a “live” wire may make exposed metal parts of the power tool “live” and could give the operator an electric shock.
Electrical safety
- When using electric machines always observe the safety regulations applicable in your country to reduce the risk of fire, electric shock and personal injury. Read the following safety instructions and also the enclosed safety instructions.
- Always check that the voltage of the power supply corresponds to the voltage on the rating plate label.
- Class II machine – Double insulation – You don’t need any earthed plug.
- If operating a power tool in a damp location is unavoidable, use a residual current device (RCD) protected supply. Use of an RCD reduces the risk of electric shock.
Replacement of power cords or plugs
If the supply cord is damaged, it must be replaced by the manufacturer, its service agent or similarly qualified persons in order to avoid a hazard.
Mains plug replacement (UK only)
- If the moulded 3-pin plug attached to the unit is damaged and needs replacing, it is important that it is correctly destroyed and replaced by an approved BS1363/13A fused plug and that the following wiring instructions are followed.
- The wires in the mains cable are coloured in accordance with the following code:
- blue neutral
- brown live
- As the colours of the wires in the mains cable of the unit may not correspond to the coloured markings identifying the terminals in the plug, proceed as follows:
- The wire which is coloured blue must be connected to the terminal which is marked with the letter N or coloured black.
- The wire which is coloured brown must be connected to the terminal which is marked with the letter L or coloured red.
Use of extension leads
- Only ever use approved extension leads that are suitable for the power rating of the machine. The minimum core thickness is 1.5 mm2. Whenever using a reel extension lead, always fully unroll the lead.
- Immediately switch off the machine when:
- Excessive sparking of the carbon brushes.
- Interruption of the mains plug, mains lead or mains lead damage.
- Defect switch.
- Smoke or stench of scorched isolation.
MACHINE INFORMATION
Intended use
This rotary hammer is intended for drilling holes in masonry such as brick, concrete and similar material. Furthermore, the machine can be used as a demolition hammer in combination with the SDS cold chisels provided. The machine is on no account intended for other purposes.
Not suitable for construction site usage
Technical specifications

Vibration level
- The vibration emission level stated in this instruction manual has been measured in accordance with a standardized test given in EN60745. It may be used to compare one tool with another and as a preliminary assessment of exposure to vibration when using the tool for the applications mentioned.
- Using the tool for different applications, or with different or poorly maintained accessories, may significantly increase the exposure level.
- The times when the tool is switched off or when it is running but not actually doing the job, may significantly reduce the exposure level.
- Protect yourself against the effects of vibration by maintaining the tool and its accessories, keeping your hands warm and organizing your work patterns.
Description
The numbers in the text refer to the diagrams on pages 2-3

- On/off switch
- Drill selection switch
- Hammer selection lever
- Chuck
- Locking sleeve
- Main grip
- Auxiliary grip
- Carbon brush cover
- Lubrication point
ASSEMBLY
Before assembly, always switch off the machine and remove the mains plug from the mains.
Mounting and removing the accessory

Do not use blunt drill bits or chisels. Immediately sharpen or replace blunt drill bits or chisels.
Mounting
- Apply a few drops of oil to the shaft of the accessory.
- Slide the locking sleeve (5) to the rear.
- Insert the accessory into the chuck (4).
- Secure the accessory by turning it counterclockwise until it locks into place.
- Release the locking sleeve (5).
Removing
- Slide the locking sleeve (5) to the rear.
- Remove the accessory from the chuck (4).
- Release the locking sleeve (5).
Mounting and removing the auxiliary grip

- Turn the auxiliary grip (7) to the required position.
- Tighten the auxiliary grip (7) by turning it clockwise.
Removing
- Loosen the auxiliary grip (7) by turning it counterclockwise.
- Remove the auxiliary grip (7).
- Tighten the auxiliary grip (7) by turning it clockwise.
Mounting and removing the dust collector
- The dust collector prevents dust from entering the machine when drilling into ceilings.
- Immediately replace a damaged dust collector.
Mounting
- If necessary, remove the accessory from the chuck (4).
- Slide the dust collector (15) over the shaft of the accessory.
- Insert the accessory with the dust collector (15) into the chuck (4).
Removing
- Remove the accessory with the dust collector (15) from the chuck (4).
- Remove the dust collector (15) from the accessory
USE
Switching on and off Fig. A
- To switch on the machine, press the on/off switch (1).
- To switch off the machine, release the on/off switch (1).
Setting the operating mode Fig. A & E
The drill selection switch and the hammer selection lever must be set according to the required operating mode. Refer to the table below to set the required operating mode.
Setting Operating mode (Fig. E)
- A Demolition hammer / Chisel
- B Hammer drill
- C Drill
- Turn the drill selection switch (2) and the hammer selection lever (3) to the required position.
Hints for optimum use
- Clamp the workpiece. Use a clamping device for small workpieces.
- Firmly hold the machine by the grip.
- Set the operating mode.
- Switch on the machine.
- Do not apply too much pressure on the machine. Let the machine do the work.
- Switch off the machine and wait for the machine to come to a complete standstill before putting the machine down.
CLEANING AND MAINTENANCE
- Before cleaning and maintenance, always switch off the machine and remove the mains plug from the mains.
- Clean the machine casings regularly with a soft cloth, preferably after each use. Make sure that the ventilation openings are free of dust and dirt. Remove very persistent dirt using a soft cloth moistened with soapsuds. Do not use any solvents such as gasoline, alcohol, ammonia etc. Chemicals such as these will damage the synthetic components.
Checking and replacing the carbon brushes (Fig. A)
- The carbon brushes must be checked regularly.
- If the carbon brushes are worn, the machine will start to run unevenly.
- Only use the correct type of carbon brushes.
- Remove the carbon brush holders (8) using a screwdriver.
- Clean the carbon brushes.
- In case of wear, replace both carbon brushes at the same time.
- Mount the carbon brush holders (8) using a screwdriver.
- After mounting the new carbon brushes, let the machine run at no load for 15 minutes.
Defects
The machine should be regularly inspected for the following possible defects and repaired if necessary.
- Damage to power cord.
- Broken on/off trigger assembly.
- Short circuiting.
- Damaged moving parts.
Faults
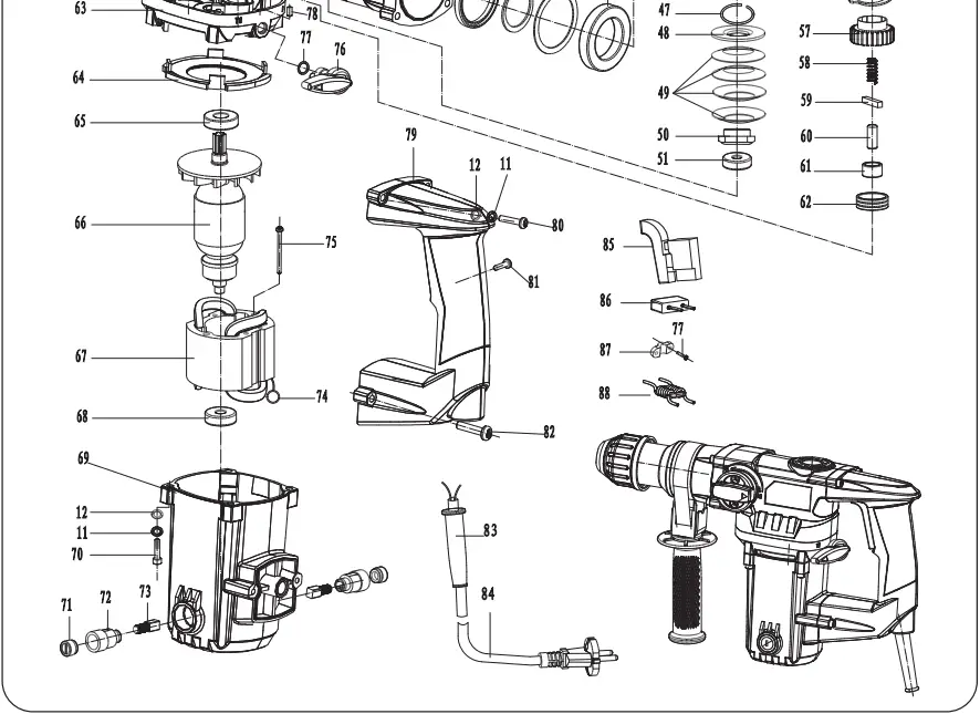
Should a fault occur, e.g. after wear of a part, please contact your seller or the service address on the warranty card. Separate you find an exploded view showing the parts that can be ordered.
WARRANTY
The warranty conditions can be found on the separately enclosed warranty card.
ENVIRONMENT
Faulty and/or discarded electrical or electronic apparatus have to be collected at the appropriate recycling locations.
Only for EC countries
Do not dispose of power tools into domestic waste. According to the European Guideline 2012/19/EC for Waste Electrical and Electronic Equipment and its implementation into national right, power tools that are no longer usable must be collected separately and disposed of in an environmentally friendly way.
The product and the user manual are subject to change. Specifications can be changed without further notice.
DECLARATION OF CONFORMITY
We declare under our sole responsibility that this product is in conformity with directive 2011/65/EU of the European parliament and of the council of 9 June on the restriction of the use of certain hazardous substances in electrical and electronic equipment is in conformity and accordance with the following standards and regulations:

Spare parts list
| No | Description | Position |
| 106260 | Rubber front cover | 1 |
| 102261 | Sleeve | 3 |
| 102262 | Hammer block complete | 13-17 |
| 102263 | Cylinder complete | 18-20,26,27 |
| 106265 | Gamp gear | 24 |
| 806907 | Bearing 6907 | 9 |
| 106266 | Piston complete | 31-34,26 |
| 106267 | Drive selection switch | 36 |
| 106268 | Clutch complete | 40-50 |
| 826003 | Bearing 6003 RS | 53 |
| 106269 | Gear | 57 |
| 801210 | Needle bearing HK1210 | 61 |
| 826001 | Bearing 6001RS | 65 |
| 106270 | Rotor | 66 |
| 106272 | Stator | 67 |
| 800608 | Bearing 608 zz | 68 |
| 106273 | Carbon brush cover | 71 |
| 106274 | Carbon brush | 73 |
| 106275 | Impact selector switch | 76-78 |
| 106276 | Switch | 85 |
| 106277 | Auxiliary handle | 89-93 |
Exploded view




















