SCIWIL SW900-LCD E-Bike LCD Display Electric

Product Information
Manufacturer: Changzhou Sciwil E-Mobility Technology Co., Ltd.
Address: 9th Huashan Road, Changzhou, Jiangsu, China- 213022
Contact Details: Fax: +86 519-85602675 Tel: +86 519-85600675
Introduction
Congratulations on purchasing your e-bike smart display. The SW900-LCD is a display product from Sciwil which is designed for e-bikes. It is important to read through the manual and acknowledge all the warnings, safety notes, and instructions before use. This manual will guide you through the assembly, settings, and operations of Sciwil display products in easy steps to facilitate operations on your e-bike.
Safety Notes
- Do not plug or unplug the display while your e-bike is powered on.
- Avoid clashes or bumps to the display.
- Do not tear the waterproof film on the surface of the screen, otherwise, the water-tight performance of the product may be degraded.
- Display water-proof rate: IP6.
- Unauthorized adjustment to default settings is not suggested, otherwise normal use of your e-bike cannot be guaranteed.
- When the display product does not work properly, please send it for authorized repair in time.
Assembly
To assemble the SW900-LCD display on your e-bike, follow the below steps:
- Fix the display on the handlebar.
- Adjust it to a proper facing angle.
- Make sure your e-bike is powered off.
- Plug the connector on the display to the connector on the controller (bus) to finish standard assembly.
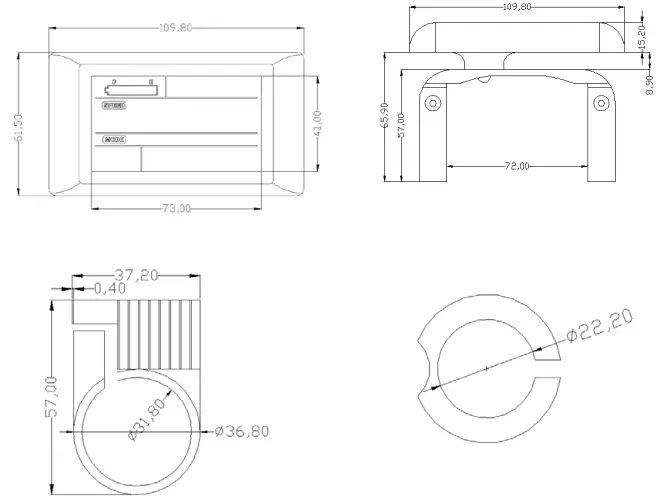
Product Size
The product size details are not mentioned in the manual.
Working Voltage
The SW900-LCD display is compatible with DC 24V-60V (can be set on display). Other voltage levels can be customized.
The SW900-LCD display has a standard connector arrangement with five wires having different functions, as mentioned below:
| Sequence No. | Wire Color | Functions |
|---|---|---|
| 1 | Red | Display Power Cable (VCC) |
| 2 | Blue | Controller Power Cable (K) |
| 3 | Black | Display Ground Cable (GND) |
| 4 | Green | Display Data Receiving Wire (RX) |
| 5 | Yellow | Display Data Sending Wire (TX) |
Note: Some products may use waterproof connectors, in which case the internal wire arrangements cannot be identified from outside.
Functions and Key Pad
FunctionsThe SW900-LCD display shows multiple items, including battery level, speed (average, maximum, current speed), distance (single trip, total ODO), PAS level, error indication, cruise, brake, and headlight indication.
Product Usage Instructions
- Read the manual carefully before using the SW900-LCD display.
- Assemble the display on the handlebar by following the instructions mentioned in section 2 of the manual.
- Make sure your e-bike is powered off before plugging or unplugging the display to avoid any damage to the display.
- Connect the display to the connector on the controller (bus) by following the instructions mentioned in section 2 of the manual.
- Set the working voltage of the display as per your e-bike’s specifications using the settings menu on the display.
- Use the SW900-LCD display to view battery level, speed (average, maximum, current speed), distance (single trip, total ODO), PAS level, error indication, cruise, brake, and headlight indication.
- The SW900-LCD display has several control and setting items which include power switch, light switch, walk mode, real-time cruise, wheel size setting, PAS level PWM setting, speed limit setting, and auto-off setting. Adjust these settings as per your preference using the settings menu on the display.
- Do not tear the waterproof film on the surface of the screen to maintain the water-tight performance of the product.
- If the display product does not work properly, send it for authorized repair immediately.
Introduction
Congratulations on purchasing your e-bike smart display. Before use, please read through this manual. It is important to acknowledge all the WARNINGS, SAFETY NOTES AND INSTRUCTIONS. This manual will walk you through assembly, settings and operations of Sciwil display products in easy steps, to facilitate operations on your e-bike.
Safety Notes
PLEASE TAKE CAUTION WHEN USE,DO NOT PLUG OR UNPLUG THE DISPLAY WHILE YOUR E-BIKE IS POWERED ON.
- AVOID CLASHES OR BUMPS TO THE DISPLAY.
- DO NOT TEAR THE WATER-PROOF FILM ON THE SURFACE OF THE SCREEN, OTHERWISE THE WATER-TIGHT PERFORMANCE OF THE PRODUCT MAY BE DEGRADED. DISPLAY WATER-PROOF RATE: IP6
- UNAUTHORIZED ADJUSTMENT TO DEFAULT SETTINGS IS NOT SUGGESTED, OTHERWISE NORMAL USE OF YOUR E-BIKE CAN NOT BE GUARANTEED.
- WHEN THE DISPLAY PRODUCT DOES NOT WORK PROPERLY, PLEASE SEND THE IT FOR AUTHORIZED REPAIR IN TIME.
Assembly
Fix the display on the handlebar, adjust it to a proper facing angle. Make sure your e-bike is powered off, then plug the connector on the display to the connector on the controller (bus) to finish standard assembly
Product Size
Material
- Shell Material: ABS
- Screen Cover Material: High Hardness Acrylic (same hardness as tempered glass).
- Working Temperature: -20°C~60°C.
Product Size
Working Voltage and Connection
Working Voltage
DC 24V-60V compatible (can be set on display),other voltage level can be customized.
Connection
Standard Connector Arrangement
Note: Some products may use waterproof connectors, in which case the internal wire arrangements cannot be identified from outside.
Functions and Key Pad
Functions
There are multiple items displayed on SW900 as follows:
- Battery Level
- Speed (average, maximum, current speed)
- Distance (single Trip, total ODO)
- PAS Level
- Error Indication
- Cruise
- Brake
- Headlight Indication
Control and Setting Items
Power Switch, Light Switch, Walk Mode, Real-time Cruise, Wheel Size Setting,
PAS Level PWM Setting, Speed Limit Setting, Auto-Off Setting.
Display Area
Overall Interface (displayed within 1s at start)

Introduction of Displayed Items:
- Headlight
- Battery Level
- Versatile Area
Digital Voltage: VOL, Riding Time: Time, Error, Output Power: Watt, Remaining
Distance: DST TO GO - Current Speed: CUR, Maximum Speed: MAX, Average Speed: AVG (km/h or mph)
The display calculates riding speed based on wheel size and signals (need to set magnet numbers for Hall motors). , - Distance: Single Trip distance: TRIP, Total Distance: ODO
- PAS Status Indication Area
Settings
- P01: Backlight Brightness (1: darkest; 3: brightest)
- P02: Mileage Unit (0: km; 1: mile)
- P03: Voltage Class (24V / 36V / 48V / 60V / 72V )
- P04: Auto-Off Time (0: never, other value means time interval for display auto-off) Unit: minute
- P05: Pedal Assist Level
0/3 Gear Mode: Gear 1-2V, Gear 2-3V, Gear 3-4V
1/5 Gear Mode: Gear 1-2V, Gear 2-2.5V, Gear 3-4V, Gear 4-3.5V, Gear 5-4V - P06: Wheel Size (Unit: inch Precision: 0.1)
- P07: Motor Magnets Number (for Speed Test; Range: 1-100)
- P08: Speed Limit Range: 0-50km/h, no speed limit if set to 50)
- 1. Communications status (controller-controlled) The driving speed will be kept constant as the limited value.
Error Value: ±1km/h (applicable to both the PAS/throttle mode)
Note: The above-mentioned values are measured by metric unit (kilometers). When the measuring unit is set to imperial unit (mile), the speed displayed on the panel will be automatically switched to corresponding imperial unit, however the speed limit value in the imperial unit interface won’t change accordingly.
- 1. Communications status (controller-controlled) The driving speed will be kept constant as the limited value.
- P09: Direct Start / Kick-to-Start Setting
- 0: Direct Start
- 1: Kick-to-Start
- P10: Drive Mode Setting
- 0: Pedal Assist – The specific gear of the assist drive decides the assist power value. In this status the throttle does not work.
- 1: Electric Drive – The vehicle is driven by the throttle. In this status the power gear does not work.
- 2: Pedal Assist + Electric Drive – Electric drive does not work in direct-start status.
- P11: Pedal Assist Sensitivity (Range: 1-24)
- P12: Pedal Assist Starting Intensity (Range: 0-5)
- P13: Magnets Number in Pedal Assist Sensor (5 / 8 / 12pcs)
- P14: Current Limit Value (12A by default; Range: 1-20A)
- P15: Unspecified
- P16: ODO Clearance Press and hold the up key for 5 seconds and ODO distance will be cleared.
Communications Protocol:UART
Key Pad
Key pad position:
There are 3 keys on SW900 display. In following introductions:
Operations include short press, press and hold of a single key or two keys:
- During riding, press Plus or Minus to change PAS/throttle level.
- During riding, press On/Off to switch items displayed in versatile area.
Note:Press and hold of a single key is mainly used for switch mode/on/off status. Press and hold of two keys is used for parameter settings. (To avoid false operation, short press of two keys is not introduced.)
Operations
- Press and hold On/Off to switch on or off the display.
- When the display is on but the static current is under 1μA, the display will automatically turn off after 10 minutes (or any set time by P04).
Enter/Exit Walk Mode, Cruise Mode and Turn on Headlight:
- When your e-bike stops, press and hold Minus to enter 6km/h walk mode.
- During riding, press and hold Minus to enter real-time cruise. When in cruise mode, press and hold Minus to exit.
- Press and hold Plus for 3s to turn on/off the headlight.
Switch Displayed Items in Versatile Area
When the display is on, press On/Off to switch displayed items in versatile area.
Settings
Press and hold Plus and Minus to enter Settings interface. Setting items include:
Backlight Brightness, Unit, Voltage Level, Auto-Off Time, PAS Level, Wheel Size, Motor Magnet Numbers, Speed Limit, Direct Start and Kick-to-Start Mode, Drive Mode, PAS Sensitivity, PAS Start Power, PAS Sensor Type, Controller Current Limit, ODO clearance, etc.
- In Settings, press On/Off to switch the above setting items; press Plus or Minus to Set parameter for the current item. The parameter will blink after set, press On/Off To the next item and the previous parameter will be automatically saved.
- Press and hold Plus and Minus to exit Setting, or standby for 10s to save and exit.
Error Code

Serial Code
Each Sciwil display product bears a unique Serial Code on the back shell (as shown in the photo below):192 2 1 210603011

Explanation to the above Serial Code:
- 192:Customer Code
- 2:Protocol Code
- 1:Program can be overridden(0 means can not be overridden)
- 210603011:P.O. (purchase order number)
Quality and Warranty
In compliance with local laws and normal usage, the limited warranty period covers 24 months after the date of manufacturing (as indicated by the serial number). The limited warranty shall not be transferred to a third party other than as specified in the agreement with Sciwil. Other situations may be covered, depending on the agreement between Sciwil and the buyer.
Warranty Exclusions:
- Sciwil products that have been modified or repaired without authorization
- Sciwil products that have been used for rental, commercial applications, or competition
- Damage resulting from causes other than defects in material or manufacturing process, including but not limited to an accident, neglect, improper assembly, improper repair, maintenance alteration, modification, abnormal excessive wear or improper use.
- Damage due to buyer’s improper transportation or storage, and damage during shipping (the responsible party should be determined using INCOTERMS regulations).
- Damage to the surface after leaving factory, including shell, screen, buttons, or other appearance parts.
- Damage to wiring and cables after leaving factory, including breaks and exterior scratch.
- Failure due to an improper user configuration or unauthorized changes in the relevant accessories parameters, or debugging by the users or the third party.
- Damage or loss due to force majeure.
- Beyond the warranty period.
Version
This display user manual is in compliance with the general software version (V1.0) of Changzhou Sciwil E-Mobility Technology Co., Ltd. There are chances that display products on some e-bikes may have a different software version, which should be
subject to the actual version in use.



















