Up2Stream Pro User Manual
Introduction
Up2Stream Pro is a WiFi and Bluetooth audio receiver board that can be easily integrated into your existing audio hardware devices to enable them with network and Bluetooth streaming capability. With Up2Stream installed and using the 4STREAM app, it allows you to stream music from the cloud, phone, NAS, and more streaming services, such as Spotify, Deezer, Corpuz, tidal..etc. It also supports multiroom and multizone control and music playback. This receiver board is perfect to build your own Audio Source Receiver, Wireless Audio Amplifier, Wireless Speaker, Wireless Speaker Furniture & Multiroom Audio System.
What’s in the box

More accessories coming soon at www.arylic.com

Interface

| 1. WiFi Antenna 2. LED 3. IIS-out, SPDIF-out 4. GPIO 5. Extension Port 6. IR Receiver 7. BT Antenna | 8. On-board Bluetooth Antenna 9. 5V/1A Power Input 10. Micro USB(Power/USB DAC) 11. 3.5mm Line-Out 12. 3.5mm Line-In 13. USB 14. LAN 15. Power Button |
LED Status :
Power on: White light on
System Booting: White light blink fast
Ready for Connection: White light blinks slowly
Ready to play: White light on steady
Bluetooth Pairing: Blue light blink
Bluetooth Connected: Blue light on steady
USB Playback: Red light on
Line in Playback: Green LED Steady on
Power Button: Short press to power off and on; When in WiFi mode, long press (press and hold the button for more than 5 seconds) to
reset WiFi settings and enter the paring mode; When in Bluetooth mode, long press to terminate the current connection.
Further Notes
PH2.0-7P: SPDIF, MCLK, IIS_DATA, BCLK, LRCK, GND, VCC_3V3:
This is the digital audio output extension. For the IIS, BCLK is 2.8MHz, the LRCK is 44.1KHz, the MCLK is 11.288MHz, the DOUT follows the standard IIS data format and has 16 bits depth. The system is running in master mode, you should make sure the IIS port of the connected device is running in slave mode.
PH2.0-4P: 3V3, GND, …..
GPIO2 and GPIO1 are used to connect a coding key, should be used for volume control.
PH2.0-11P: 3V3, …….
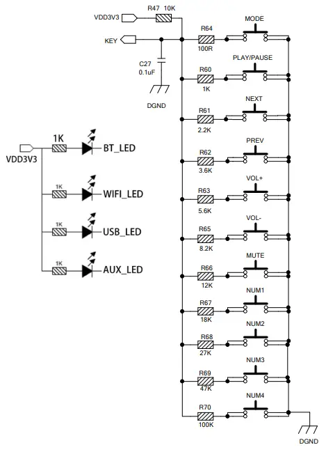
KEY is used for external buttons, refer to the circuit right for key definitions. The LED pins are used to extend the LED and are
common-anode connected. You should connect 3.3V to a current limit resistor and then to LED and then to the pin. TX/RX is a UART
interface to send events and receive controls.

Connection Diagram

How To Use
App download
Download the 4STREAM application from App Store for iOS-based devices and Google Play Store for Android-based devices.
The application supports English, Spanish, French, German, Italian, Portuguese, Korean, Simplified Chinese, Traditional Chinese, and Japanese

Connection
- Power the device.
- Direct Mode: If you don’t have a router, please choose the direct mode, then you can play your music from your storage from the 4STREAM app.
- Network Mode: Connect your phone to SoundSystem WiFi.
3.1. Go for mobile device WLAN settings> Connect the mobile device to WiFi hotspot SoundSystem_xxxx you will see a WiFi logo.
(short press the reset button if the Wi-Fi hotspot is not found)
3.2. Open the 4STREAM application, follow the guides
3.3 Choose the 2.4G network(first-time connection require to connect your router 2.4G channel), enter router password>wait for the device to be configured.
* For multiple units connecting to the same router, the router password will be saved.
*If change the router or router password, please press the WiFi reset button on the product.

*Attention for Android users
Different brand mobile phones may ask you to allow to use SoundSystem WiFi network, please choose yes, if not, you may not able to set up successfully.
It may also ask you to authorize other things, please choose yes or it may affect your use.

Connection via LAN
Plugin the wired cable to the RJ45 Ethernet, the device will show on the app in about 10 seconds. (Note: the cell phone and the device must be in the same network)
Bluetooth
To use Bluetooth, please switch to Bluetooth via app or by remote controller, then find Bluetooth device SoundSystem_XXXX from your phone Bluetooth setting and pair it.

USB audio
Connect the Up2Stream Pro to your PC with a USB cable (make sure it’s a data cable including the signal wires). The PC will automatically discover a USB sound card, and when you activated it as the system main output, the PC will send the audio output over Up2Stream Pro in digital (44.1KHz/16bits).
You can stream to other Up2Stream devices over the multiroom connection.
NOTE: there’s about 3 seconds delay for multiroom slave devices.

Up2Stream DSP Audio Effects Tool (Sell Separately)
Connect the Up2Stream device to your PC with a USB cable (make sure it’s a data cable including the signal wires). And open the program Up2Stream DSP Tool (only support Windows.), and you can tune audio effects conveniently, including Music Noise Suppressor, Virtual Bass, Stereo Widener, Exciter, 10 bands EQ, etc. After editing the audio effects, you can save the changes to the device so the tuned effects will remain. You can get more information from our website www.arylic.com,or from the Up2Stream DSP Tool manual.
Firmware update
The application will notify you in-app when there is a new firmware version available. It’s recommended to update the firmware whenever available as this might not only correct bugs or improve security, but also can add new features or services.

Specification
| Connectivity | Wireless network | IEEE802.11 b/g/n 2.4G |
| Ethernet | Single 10/100M RJ45 | |
| Bluetooth | 5.0,SBC/AAC | |
| USB Host | Play USB music | |
| Bluetooth Distance | 10M | |
| Power Input * | 5V-1A/2 pin connector | |
| 5V-1A micro USB input | ||
| Audio output | Analog 3.5mm/4 pin connector | |
| Digital IIS | ||
| S PD I F | ||
| Frequency response | 20Hz to 20kHz |
| Audio Input | Analog 3.5mm/4 pin connector/Mirco USB |
| SNR | 91dB |
| THD | 0.03% |
| Music Format | FLAC/MP3/AAC/AAC+/ALAC/APE/WAV |
| Decoding | Up to 24bit/192kHz |
| Protocols | AirPlay, DLNA, UPnP, Spotify Connect, Qplay |
| Dimensions | 87.6*49.6*15mm |
| Accessory | 4Pin 220mm 2.0 Cable,Internal WiFi Antenna 220mm,7Pin 220mm 2.0 Cable, 2Pin 220mm Power Cable, User Manual |
* Warning: Up2Stream Pro must use 5V-1A DC input, the higher voltage power supply may damage the board.
Scan the QR codes below for more
![]() | ![]() | ![]() | ![]() | ![]() |
| Complete User Manual | www.arylic.com | 4STREAM App | Facebook: acrylic | YouTube: Acrylic |
Support: [email protected]
Up2Stream Pro V3.1.0
























