RS9220
Installation Manual
RS9220 Programmable Thermostat
Thank you for purchasing a Robertshaw ® thermostat.
This manual will describe how to install and test the Robertshaw RS9220 thermostat.
Thermostat System Types
| Gas, Oil, or Electric Heat with Air Conditioning |
| Heat Pumps (without auxiliary or emergency heat) |
| Multi-Stage Systems |
| Heat-Only, including for Floor and Wall-Furnace |
| Cool-Only |
| 750 Millivolt Heating Systems |
Power Options
Battery Power
Hardwire (Common Wire)
IMPORTANT SAFETY INFORMATION
WARNING:
- Always turn off power at the main power source by unscrewing fuse or switching circuit breaker to the off position before installing, removing, cleaning, or servicing thermostat.
- Read all of the information in this manual before installing or programming this thermostat.
- This is a 24V AC low voltage thermostat. Do not install on voltages higher than 30V AC.
- All wiring must conform to local and national building and electrical codes and ordinances.
- Do not short (jumper) across terminals on the gas valve or at the system control to test installation. This will damage the thermostat and void the warranty.
INSTALLATION LOCATION
Install the thermostat 4 to 5 feet above the floor in an area with good air circulation and average temperature.
For new installations, mount thermostat on an inside wall, 4-5 feet above the floor. Do not install the thermostat in the following locations:
- Behind a Door
- In a Corner
- Near Air Vents
- In Direct Sunlight
- With an Outside Wall Behind the Thermostat
- Near any Heat or Steam Generating Fixtures
- Near any Concealed Pipes or Chimneys
Installation at these locations will affect thermostat operation.
THERMOSTAT QUICK REFERENCE
Getting to know your thermostat
- LCD Screen
- Fan Switch
- System Switch
- Temperature Set-Point Buttons
- User Buttons
- Easy Change Battery Door
LCD
WALLPLATE INSTALLATION
Caution:Electrical Hazard
Disconnect power before installingthis product. Failure to do so can cause electric shock or equipment damage.
For a vertical mount, put screws on the top and bottom. For a horizontal mount,put screws on the left and the right.
Mercury Notice:
This product is mercury-free. However, if this product is replacing a control which contains mercury, it needs to be disposed of properly. Contact your local waste management authority for instructions regarding recycling and proper disposal of the control.
WIRING
- Turn Off Power to Heating/Cooling System

- Remove Old Thermostat
Remove old thermostat but leave wallplate with wires attached.
- Label Wires with Tags
Label the wires using the supplied wire labels as you disconnect them.
- Separate Wallplate from New Thermostat
Remove wallplate from the new thermostat and mount onto wall.
- Mount Wallplate for New Thermostat
Mount the new wallplate using the included screws and anchors.
Drill 3/16-in. holes for drywall
Drill 3/16-in. holes for plaster - Connect Wires
Simply match wire labels.
If labels do not match letters on the thermostat, check “Alternate Wiring (Conventional Systems)” on page 9 and connect to terminal as shown (see notes, below).
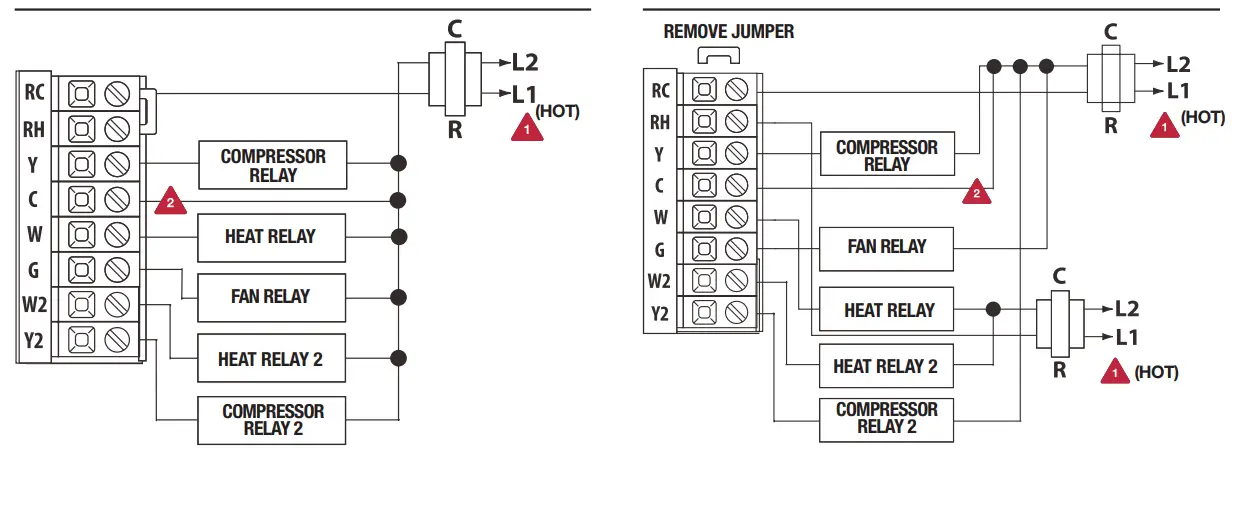
Alternate Wiring (Conventional Systems)
If labels do not match letters on the thermostat, check the chart below and connect to terminal as shown here (See notes, below). 
- If wires will be connected to both RC and RH/R terminals, remove metal jumper.
- If there is C or X wire available then you can connect with C terminal. If there is no C or X wire then no need to connect with C terminal.
- If you have a heat pump without auxiliary/backup heat connect either the O or B, not both. If you do not have a heat pump, do not connect O or B. Wrap bare end of wire with electrical tape.
- Place a jumper (piece of wire) between Y and W if you are using a heat pump without auxiliary/backup heat.
Terminal Designations
C 24 VAC Common
O Heat pump reversing valve energized In cooling
B Heat pump reversing valve energized in heating
W Heat relay Stage 1
W2 Heat relay Stage 2
RH 24 VAC power for heating
RC 24 VAC power for cooling
G Fan relay
Y Compressor relay Stage 1
Y2 Compressor relay Stage 2
Notes
Wire specifications
Use 18- to 22-gauge thermostat wire.
Shielded wire is not required.
Common wire
The C (common wire) is optional when the thermostat is powered by batteries.
- Power supply.
- Optional 24 VAC common connection when thermostat is used in battery power mode.
Typical 2H/2C System: 1 Transformer
Typical 2H/2C System: 2 Transformers
Typical Heat-Only System
Typical Cool Only System
Typical 2H/2C Heat Pump System w/o Aux.
Typical Heat-Only System With Fan
This thermostat has an installer setup menu for easy configuration. Follow the procedure below to set up the thermostat to match the specific heating/cooling system.
- Press MENU.
- Press and hold TECH SET for 3 seconds.
- Configure the installer options as desired using the table below.
Use
or
to change settings and NEW STEP or PREV STEP to move from one option to another. Note: Only press DONE when you want to exit the Installer Setup options.
| Settings | Display | Adjustment Options | Default |
| Filter Change Reminder ilter Change This setting will flash FILT in the display after the elapsed run time to remind the user to change the filter. The OFF setting will disable this feature. | The filter change reminder can be adjusted from OFF to 2000 hours in 50 hour increments. Press the second button from the top left side of the thermostat to display the current filter elapsed run time. | OFF | |
| Room This setting allows the installer to change the calibration of the room temperature display so that, for Temperature Calibration example, the thermostat would read 72°F instead of 70°F. | The room temperature display can be adjusted to read up to 3° above or below the factory calibrated temperature. | 0 | |
| Minimum The installer can select the minimum run time for the compressor to help protect the Compressor On-Time compressor from short-cycling. | The minimum compressor run time can be adjusted from OFF to 3, 4, or 5 minutes. If 3, 4, or 5 is selected, the compressor will run for at least the selected time before turning off (although the fan may continue to run for a short time). | OFF | |
| Compressor Short Cycle Delay The compressor short cycle delay setting will not allow the compressor to be turned on for 5 minutes after it was last turned off in order to protect the compressor. | The compressor short cycle delay setting can be removed by selecting OFF. | ON | |
| Cooling Differential The cooling differential is factory preset at 0.5°. This means that whenever the room temperature heats by 0.5° full degree from the temperature setting, the cooling system will turn on. If the cooling system turns on too often, increase the temperature differential. | The cooling differential setting is adjustable from 0.2°F to 2°F. | 0.5 | |
| Heating Differential The heating differential is factory preset at 0.4°. This m ans that whenever the room temperature cools by 0.4° from the temperature setting, the heating system will turn on. If the heating system turns on too often, increase the temperature differential. | The heating differential setting is adjustable from 0.2°F to 2°F. | 0.4 | |
| For C Select F for Fahrenheit temperature display or select C for Celsius display. | F for Fahrenheit C for Celsius | F | |
| 12 or 24 Select a 12 or 24 hour clock setting. Hour Clock | Use and to select 12 or 24 hour clock. | 12 | |
| Fan Select GAS or ELEC depending on the type of furnace. Operation | GAS – GS or ELEC-EL | GAS | |
| This thermostat can be configured to have 7 Day, +1+1 programming. or be non-programmable. If 7 Day is selected, in Set Time all seven days will need to be programmed individually. Program Options If 5+1+1 programming is selected, in Set Time Monday–Friday will be programmed together and Saturday and Sunday will need to be programmed individually. If 0d is selected, the thermostat becomes non-programmable. | Use and to select 7d for 7 Day, 5d for 5+1+1, or Od for non-programmable. | 5d |
MOUNTING & BATTERY INSTALLATION
Mounting Thermostat
Align the 4 tabs on the faceplate with the corresponding slots on the back of the thermostat, then push gently until the thermostat snaps into place.
Battery Installation
Battery installation is optional if used with AC power (the C terminal is connected).
During power outages, the batteries will save settings and power the display.
PROGRAMMING
Set Time of Day and Day of Week
- Press MENU.
- Press SET TIME.
- Day of the week will be flashing. Use
or
to select the current day of the week. - Press NEXT STEP.
- The current hour will be flashing.
or
to select the current hour.
Note the correct a.m. or p.m. indicator is selected. - Press NEXT STEP.
- The minutes will be flashing.
or
to select the current minutes. - Press DONE when completed.
PROGRAMMING
Default Program
This thermostat is pre-programmed for energy saving operation. The default program is below:
| Default Program | ||||
| Day of the Week | Events | Time | Set-Point Temperature (Heat) | Set-Point Temperature (Cool) |
| Weekday | Wake | 6 a.m. | 70°F (21°C) | 75°F (24°C) |
| Leave | 8 a.m. | 62°F (17°C) | 83°F (28°C) | |
| Return | 70°F (21°C) | 75°F (24°C) | ||
| Sleep | 10 p.m. | 62°F (17°C) | 78°F (26°C) | |
| Saturday | Wake | 8 a.m. | 70°F (21°C) | 75°F (24°C) |
| Leave | 10 a.m. | 62°F (I 7°C) | 83°F (28°C) | |
| Return | 6 p.m. | 70°F (21°C) | 75°F (24°C) | |
| Sleep | 11 p.m. | 62°F (17°C) | 78°F (26°C) | |
| Sunday | Wake | 8 a.m. | 70°F (21°C) | 75°F (24°C) |
| Leave | 10 a.m. | 62°F (I 7°C) | 83°F (28°C) | |
| Return | 6 p.m. | 70°F (21°C) | 75°F (24°C) | |
| Sleep | 11 p.m. | 62°F (17°C) | 78°F (26°C) | |
You can use the table below to plan your customized program schedule.
| Custom Program | ||||
| Day of the Week | Events | Time | Set-Point Temperature (Heat) | Set-Point Temperature (Cool) |
| Weekday | Wake | |||
| Leave | ||||
| Return | ||||
| Sleep | ||||
| Saturday | Wake | |||
| Leave | ||||
| Return | ||||
| Sleep | ||||
| Sunday | Wake | |||
| Leave | ||||
| Return | ||||
| Sleep | ||||
Custom Programming
This thermostat can be configured to have 7 Day or 5+1+1 programming. If 7 Day is selected, all seven days will need to be programmed individually. If 5+1+1 rogramming is selected, Monday–Friday will be programmed together and Saturday and Sunday will need to be programmed individually.
There are four time periods for each day (WAKE, LEAVE, RETURN, SLEEP).
Follow the steps below to customize your program schedule:
- Select HEAT or COOL. Note: Heat and cool need to be programmed separately.
- Press MENU (If menu does not appear first, press RUN SCHED).
- Press SET SCHED. Note: Monday–Friday (or Monday if in 7 Day mode) will be displayed and the WAKE icon is shown.
- Time will be be flashing. Use
or
to make your time selection for the WAKE time period for Monday–Friday (or Monday if in 7 Day mode). - Press NEXT STEP.
- The set-point temperature will be flashing. Use
or
to make your set-point selection for the WAKE time period for Monday–Friday (or Monday if in 7 Day mode). - Press NEXT STEP.
- Repeat steps 4 through 7 for the LEAVE time period, for the RETURN time period, and for the SLEEP time period for Monday–Friday (or Monday if in 7 Day mode).
- Repeat steps 4 through 8 for the Saturday WAKE, LEAVE, RETURN, and SLEEP time periods, and then again for the Sunday WAKE, LEAVE, RETURN, and SLEEP time periods for the 5+1+1 program schedule, and for each day for the 7-day program schedule.
SPECIFICATIONS
Temperature Display Range ……………….41°F to 95°F (5°C to 35°C)
Temperature Control Range ……………….44°F to 90°F (7°C to 32°C)
Load Rating ………………………1 amp per terminal, 1.5 amp maximum all terminals combined
Display Accuracy …………………± 1°F
Differential …………………. Heating is adjustable from 0.2°F to 2.0°F Cooling is adjustable from 0.2°F to 2.0°F
Power Source…………………… 18 to 30 VAC, NEC Class II, 50/60 Hz for hardwire (common wire)Battery power from 2 AAA Alkaline batteries
Operating Ambient Temperature ………..32°F to +105°F (0°C to +41°C)
Operating Humidity ………………90% non-condensing maximum
Dimensions ………….4.72”W x 3.86”H x 0.98”D![]()
6Year Limited Warranty Use Phone to Scan for Warranty Info
Customer Service +1.800.304.6563
Technical Service +1.800.445.8299
[email protected]
www.robertshaw.com • 352-XXXX-XXX
352-00305-001 Rev. B
© 2021 Robertshaw Controls Company. mited Warranty Use Phone to Scan for Warranty Info
Robertshaw ®is a trademark of Robertshaw Controls Company.
WALLPLATE INSTALLATION



Drill 3/16-in. holes for drywall



















