

CAR MULTIMEDIA
DAKOTA BP800PLAY
Enjoy it
Control-device

button
Activate Siri voice control
button
Short press: Switch on device
In operation: Mute audio source
Long press:
button
Call up main menu / Return to the previous source
button
Show the volume bar- USB socket / AV IN jack / Reset button
Access only with open cover (Pressing the bottom of the cover to pop it) - Touchscreen user interface
- microSD card reader
Safety notes
The car sound system was manufactured according to the state of the art and established safety guidelines.
Even so, dangers may occur if you do not observe the safety notes in these instructions.
These instructions are intended to familiarise you with the most important functions. Detailed information can be found on the Internet at www.blaupunkt.com.
- Read these instructions carefully and completely before using the car sound system.
- Keep the instructions at a location so that they are always accessible to all users.
- Always pass on the car sound system to third parties together with these instructions.
In addition, observe the instructions of the devices used in conjunction with this car sound system.
Symbols used
These instructions employ the following symbols:
Symbols used
These instructions employ the following symbols:
DANGER!
Warns about injuries
DANGER!
Warns about high volume
The CE mark confirms compliance with EU directives.
Identifies a sequencing step
- Identifies a listing
Road safety
Observe the following notes about road safety:
- Use your device in such a way that you can always safely control your vehicle. In case of doubt, stop at a suitable location and operate your device while the vehicle is standing. As the driver, you may not use the applications that will distract you from traffic (depending on the scope of functions of the device, e.g. viewing videos, entering a destination).
- Follow the driving recommendations during the route guidance only if you are not violating any traffic regulations! Traffic signs and traffic regulations have always priority over driving recommendations.
- Always listen at a moderate volume to protect your hearing and to be able to hear acoustic warning signals (e.g. police sirens). During mute phases (e.g. when changing the audio source), changing the volume is not audible. Do not increase the volume during this mute phase.
General safety notes
Observe the following note to protect yourself against injuries:
Do not modify or open the device.
Use as directed
This car sound system is intended for installation and operation in a vehicle with 12 V vehicle system voltage and must be installed in a DIN slot. Observe the output limits of the device. Repairs and installation, if necessary, should be performed by a specialist.
Declaration of conformity
The Blaupunkt Technology GmbH declares that the device complies with the basic requirements and the other relevant regulations of the directive 1999/5/EC.
The declaration of conformity can be found on the Internet at www.blaupunkt.com.
Cleaning notes
Solvents, cleaning and scouring agents as well as dashboard spray and plastics care products may contain ingredients that will damage the surface of the car sound system.
Use only a dry or slightly moistened cloth for cleaning the car sound system.
Disposal notes
Do not dispose of your old unit in the household trash!
Use the return and collection systems available to dispose of the old device, the remote control and exhausted batteries.
Placing the device in operation
Switching on/off
Switching on/off with the
button
For the switch-on, press the
button.
For switch-off, hold the
button pressed for more than 2 seconds.
Switching on/off via vehicle ignition
If the car sound system is connected with the vehicle ignition and it was switched off with the
button, it is switched on or off with the ignition.
Volume
Adjusting the volume
You can adjust the volume in steps from 0 (off) to 39 (maximum).
Press the
button and drag left/right on the volume bar to change the volume.
Muting the car sound system (Mute)
Briefly press the
button to mute the device or to reactivate the previous volume.
In the main menu, you press the buttons on the touch-screen to call up the different sources and operating modes.
Press the [
] button.
– Or –
In the current source, press the top left corner. The main menu is displayed.
As long as you do not select a new audio source, the last active audio source is played back.
Note:
The figures used in these instructions are intended to facilitate the explanations and details that may deviate from your device.
Setting the reception area
This car sound system is designed for operation in different regions with different frequency ranges and station technologies. The factory default of the reception area is “USA1 (FM/AM)”. You can set a different reception area.
In the main menu, press the [
] button.
The Setting menu is displayed.
In the left area of the Setting menu, press the [General] button.
The current setting is displayed behind “Radio Area”. Tap on the [ Radio region ] button to display the list of available reception areas. Select the desired reception area.
The list is hidden, the selected reception area is set.
Press the [
] button.
The main menu is displayed again.
Radio mode
Start radio mode
In the main menu, press
the button.
The radio playback menu is displayed.

Select memory band
Different memory bands and wavebands are available. Up to 18 FM and 12 AM stations can be stored in each memory bank.
Press the
button to switch band.
Tuning into a station
Tuning into stations manually
Press the [
]/[
]button for approx. 2 seconds to change the frequency in increments.
Enter broadcast frequency directly
If the frequency of the desired stations is known, it can be entered directly via the touchscreen.
Press the [
] button.
A numeric keypad is displayed for the frequency input.
Enter the frequency of the desired station with the numeric keypad.
Press the [OK ] button.
The radio playback menu is displayed, the station of the frequency entered is played back.
Starting station seek tuning
Briefly press the[
]/[
]button to start station seek tuning.
The radio tunes into the next receivable station.
Note:
For the reception area Europe: In the FM waveband, only traffic information stations are tuned into if the priority for traffic information is switched on.
Storing stations manually
- Select the desired memory band.
- Set the desired station.
- Press one of the memory buttons on the center of the screen for approx. 2 seconds to store the current station at the button.
The station is stored.
Storing stations automatically (TravelStore)
With TravelStore, you can automatically search for and store the 6 FM stations offering the strongest reception in the region in the current memory bank. Any previously stored stations in this memory bank are deleted in the process.
Press the[
]and [
] buttons.
The tuner starts the automatic station seek tuning. After the storing is completed, the radio plays the station at memory bcation 1 of the previously selected memory bank.
Note:
For the reception area Europe: With switched-on priority for traffic information, only traffic information stations are stored.
Manual Store
- Tune to a station manually.
- Touch [
]. - Touch one of the channels P1 to P6 to save th selected station.
Tune to a Preset Station
- Touch [
]. - Touch one of the preset channels on the screen.
Adjusting the seek tuning sensitivity
The seek tuning sensitivity decides whether the automatic station seek tuning finds only strong stations or also weaker stations that may be noisy.
Press the [
]and [
] button to adjust the sensitivity of the station seeks to tune.
If LOC is on, only stations with a strong signal are found during seek tuning.
If LOC is off, stations with a strong and weak signal are found during seek tuning.
RDS ( Radio Data System )
The unit provides the basic functions of RDS.
RDS service availability varies with the area. Please verify if RDS service is available in your area.
Press the [
] and [
] buttons to show RDS options.
USB/microSDHC media playback
Audio playback from USB or microSDHC
The principles of the audio playback (MP3/WMA) from data carriers are identical for all sources.
Select the desired source via the main menu.
The device changes to the desired source and the playback starts.
If the playback does not start with the audio playback, press the [
] button to change to the folder/file list.
Press the [
] button to display all the audio files of the data carrier.
Briefly tap on the name of the folder/track. The folder is opened/the track is started.
After starting a title, the playback menu is displayed.
[
] Short press: Title selection. Long press: Fast searching.
[
] Interrupt playback and continue playback.
[
] Short press: Title selection. Long press: Fast searching.
[
] Display the folder/file list.
[
] Show additional operating options.
Tap on km to display additional operating options of the playback menu.

[
] Hide additional operating options.
Audio playback from USB or microSDHC:
[
] Start and end REPEAT function.
The REPEAT mode changes each time the [
]button is pressed.
| REPEAT mode |
| Repeat current track |
| Repeat current folder |
| Repeat all tracks of the data carrier |
[
] Start MIX random track play and end it again.
If the MIX function is switched on, the
symbol is displayed in white.
The MIX mode depends on the selected REPEAT function.
[
] Display equalizer.
Video playback from USB or microSDHC
Select the desired source via the main menu.
The device changes to the desired source and the playback starts.
If the playback does not start with the video playback, press the [
] button to change to the folder/file list.
Press the [
] button to display all the video files of the data carrier.

Note:
Folders and videos are selected and started as described under audio playback.
USB/microSDHC media playback
If you selected a movie, the playback is started. During the movie playback, the playback menu is hidden.
Briefly touch the touchscreen once to display the playback menu again.
The playback menu is shown.

[
]Select the previous movie.
[
] Interrupt playback and continue playback.
[
] Select the next movie.
[
]Display the folder/file list.
[
] Show additional operating options.
Tap on to display additional operating options of the playback menu.

[
] Hide additional operating options.
Audio playback from USB or microSDHC:
[
] Start and end REPEAT function.
The REPEAT mode changes each time the[
] button is pressed.
| REPEAT mode |
| Repeat current chapter |
| Repeat current folder |
| Repeat all chapters of data carrier |
[
] Start MIX random play and end it again.
If the MIX function is switched on, the
the symbol is displayed in white.
The MIX mode depends on the selected REPEAT function.
[
] Display equalizer.
Image playback from USB or microSDHC
- Select the desired source via the main menu.
The device changes to the desired source and the playback starts.
If the playback does not start with the image playback, press the [
] button to change to the folder/file list.
- Press the [
] button to display all the images of the data carrier.

Note:
Folders and images are selected and started as described under audio playback.
Bluetooth mode
The Bluetooth® function allows registering cell phones and media playback devices with the car sound system.
When you register a cell phone with the car sound system, you can make phone calls with the built-in hands-free function. You can access the lists of dialed numbers and the phone book of the registered cell phone.
If the connected Bluetooth® device supports the functions A2DP and AVRCP, you can play the music via the car sound system and control the playback. During a call, the music playback is interrupted and continued again after the call.
If a cell phone is registered via Bluetooth® and a call is received during the playback of another source, the source playback is interrupted and the call menu is displayed.
Starting Bluetooth mode
In the main menu, press on BT Phone.
The Bluetooth® menu is displayed. It contains the list of known Bluetooth® devices. Other audio sources are switched off.

[
] Add new Bluetooth® device.
[
] Display options menu.
- Press the [
] button of the Bluetooth® device with which you want to establish a connection.
When the device is in range, the connection is established and the menu for the device is displayed. - Press the [
] button if you want to delete the Bluetooth® device from the list.
Registering Bluetooth devices
If you want to register a device with the car sound systems for the first time, proceed as follows:
- Ensure that Bluetooth® is activated at the car sound system and at your Bluetooth® device.
- Search for new devices/connections on your Bluetooth® device.
- The car sound system appears as “Blaupunkt” in the list of Bluetooth® devices.
- Establish the connection; you may have to enter the pairing code that was previously entered on the car sound system.
The connection is being established and the menu for the registered device is displayed.
Note:
If a telephone is connected with the car sound system, the Bluetooth® icon
is displayed at the top-right edge of the display in all audio/video sources.
Telephone mode
If you connected a phone with the car sound system via Bluetooth®, the following menu appears.

[
] Call up the phone book.
[
] Call up records lists.
[
] Display the dial keypad menu.
[
] Disconnect connection with the current device.
[
] Display options menu.
Enter a phone number with the dial keypad and press the [
] button.
– Or –
Select a contact/number via the records lists or phone book.
The connection is being established.
If a call is coming in, the call menu is displayed.

[
](Hang up): Reject a call.
[
](Answer): Answer a call.
Alphabetic Search
Press [
] on the left bottom of the screen to access
Phonebook. If you want to search a contact, press [
] and enter the characters via the keypad.
Bluetooth mode | Apple CarPlay
Audio playback via Bluetooth streaming
If an audio streaming device is connected with the car sound system via Bluetooth®, you can playback the music via the car sound system and control the playback.
- Press the [BT Music] button on the main menu to change to the audio playback.

[
] Short press: Title selection.
Long press: Fast searching.
[
] Interrupt playback and continue playback.
[
] Short press: Title selection.
Long press: Fast searching.
Bluetooth settings
In the options menu for Bluetooth®, you can make the basic settings for the Bluetooth® mode.
- Press the [
] button.
The options menu is displayed.

Auto Connect – If “Auto Connect” is activated, the device automatically connects with known Bluetooth® devices as soon as they are in range.
Auto Answer – If “Auto Answer” is activated, incoming phone calls are automatically answered.
Synchronous Phone-Book – To be able to access the phone book of a connected telephone, you must first synchronize it via this menu entry.
Press the top left of the screen to exit the options menu.
Apple CarPlay
Available on select cars, CarPlay is a smarter, safer way to use your iPhone in the car. CarPlay takes the things you want to do with your iPhone while driving and puts them right on your car’s built-in display. You can get directions, make calls, send and receive messages, and listen to audiobooks and music, all in a way that allows you to stay focused on the road.
How to enter CarPlay mode
- Connect your iPhone to the CarPlay connector of the unit via the Apple Digital Cable. The unit will enter CarPlay mode automatically.

- To exit CarPlay mode, touch the [
] button on the front panel.
If you want to return to CarPlay mode, touch [CarPlay] on the main menu.
How to use CarPlay
CarPlay features and Siri voice control is specially designed for driving scenarios. It also works with your car’s controls. And the apps you want to use in the car have been reimagined, so you can use them while your eyes and hands stay where they belong.
Voice
To activate Siri voice control, just press the [
] button on the front panel.
Touch
you can use the touch screen of the unit to control CarPlay.
Android Auto
Android Auto brings the most useful apps to your phone screen or your compatible car display, in a format that makes it easy for you to keep your main focus on drying. You can control things like navigation and maps, calls and text messages, and musk.
Prepare your phone
Make sure your phone is running Android 5.0 (Lollipop) and up. For best performance, we recommend Android 6.0 (Marshmallow) and up.
Download the Android Auto app from Google Play.
Make sure your phone has a strong and fast network connection. We recommend running Android Auto for the first time within the Wi-Fi range for the fastest installation.
Android Auto on your phone screen
- An Android phone running Android 5.0 (Lollipop) and up with a data plan. For best performance, we recommend Android 6.0 (Marshmallow) and up.
- A car mounts for your phone (optional but recommended).
- A USB cable (optional for charging)
- The Android Auto app.
Android Auto on your car display (with a USB cable)
- An Android phone running Android 5.0 (Lollipop) and up with a data plan. For best performance, we recommend Android 6.0 (Marshmallow) and up.
- A car stereo that’s compatible with Android Auto.
- A high-quality USB cable.
- The Android Auto app.
External audio/video sources | Sound settings | Steering Wheel Control
External audio/video sources
AV inputs
This device features two external AV inputs for audio and video playback:
- AV-IN is implemented as a cinch socket on a cable at the rear of the device. You can specify the installation location of the port during the installation of the device.
Danger!
Increased risk of injury from the connector.
In case of an accident, the protruding connector in the front AV-IN socket may cause injuries. The use of straight plugs or adapters leads to an increased risk of injury.
- Start the AV-IN mode with the button [Aux Front]/[ Aux Back].
The display shows the audio or video playback of the selected AV source.

Sound settings
Volume distribution (fader/balance)
You can adjust the volume distribution in the vehicle for all sources.
In the main menu or on the control bar of the current audio source, press the
button.
The Equalizer menu is displayed.
Press the
button.
The menu for fader and balance is displayed.

Adjust fader and balance with
or ![]()
Equalizer
You can adjust the equalizer for all sources.
In the main menu or on the control bar of the current audio source, press the
button.
The Equalizer menu is displayed.

Select a preset equalizer via the buttons.
– Or
Press the [Customize] button to adjust the level of the available frequency bands according to your preferences.
Note:
With the [ Original ] button, you can reset the customized setting again.
– Or
Press the [LoudNess] button to switch increasing the bass at low volume on or off.
Steering Wheel Control
Select [SWC] on the General Settings menu to enter the SWC setting menu.
Touch the number button to select an SWC button.

Select a function.
Press each individual steering wheel control button for each corresponding function.
Touch [Match] to program.
Once the final steering wheel control button is programmed, the functions are saved and the programming will end.
Touch [Reset] to reset the programming.
Basic settings
In the settings menu, you can adjust the basic settings for the different functions of the device to our requirements.
In the main menu, press the [
] button.
The settings menu is displayed, the General submenu is activated.

Note:
Scroll through the list, if necessary, to access the desired setting.
The settings display features the following functions and displays:
- Menu items
- Change to the main menu
- Currently selected menu item
- Time
- Submenu items
General
The following setting is possible:
- Select the OSD language.
- Select the key color.
- Select the reception region for the radio reception.
- Switch confirmation beep on/off.
- Enter the SWC menu.
- Switch the LOC function on/off. When local seeking is on, only radio stations with strong radio signal will be received.
Video
- Day/Night Mode
- Adjust the display brightness.
- If “Parking” is activated, video/pictures will not be displayed during driving. Please set according to
Volume
You can adjust the volume ratio for all audio sources in the volume menu.
Time
Making settings for date and time:
- Selecting time and date format
System
- To view software version information.
- Restore to default settings.
Useful information
Warranty
We provide a manufacturer’s warranty for products bought within the European Union. For devices purchased outside the European Union, the warranty terms issued by our respective responsible domestic agency are valid.
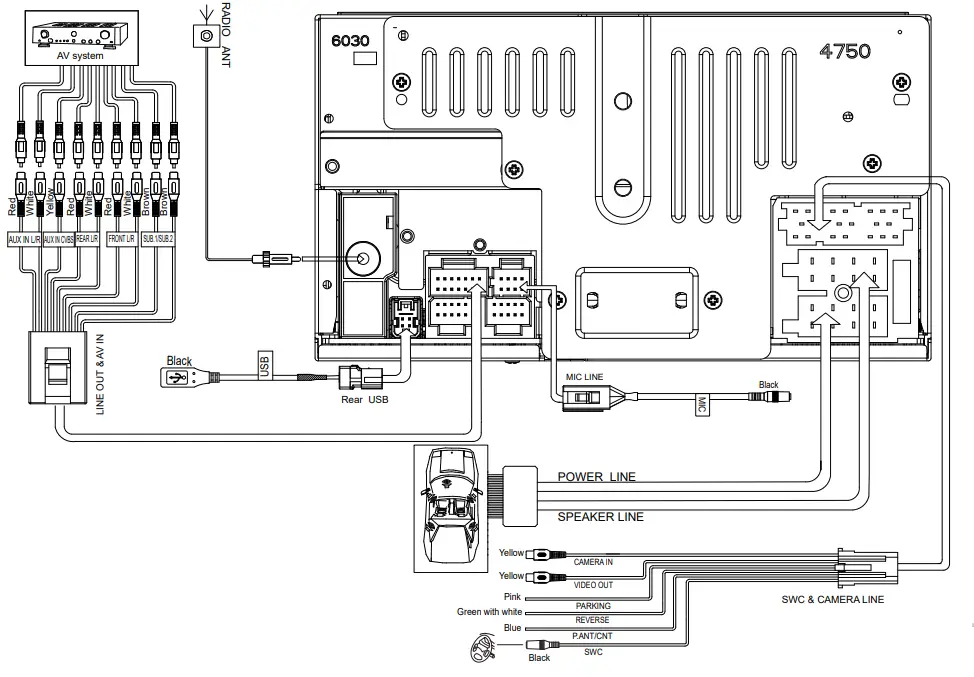
Connection diagram

FCC Statement
- This device complies with Part 15 of the FCC Rules. Operation is subject to the following two conditions:
(1) This device may not cause harmful interference, and
(2) This device must accept any interference received, including interference that may cause undesired operation. - Changes or modifications not expressly approved by the party responsible for compliance could void the user’s authority to operate the equipment.
NOTE: This equipment has been tested and found to comply with the limits for a Class B digital device, pursuant to Part 15 of the FCC Rules. These limits are designed to provide reasonable protection against harmful interference in a residential installation.
This equipment generates uses and can radiate radio frequency energy and, if not installed and used in accordance with the instructions, may cause harmful interference to radio communications. However, there is no guarantee that interference will not occur in a particular installation. If this equipment does cause harmful interference to radio or television reception, which can be determined by turning the equipment off and on, the user is encouraged to try to correct the interference by one or more of the following measures:
- Reorient or relocate the receiving antenna.
- Increase the separation between the equipment and
- Connect the equipment into an outlet on a circuit different from that to which the receiver is connected.
- Consult the dealer or an experienced radio/TV technician for help.
FCC Radiation Exposure Statement
This equipment complies with FCC radiation exposure limits set forth for an uncontrolled environment. This equipment should be installed and operated with a minimum distance of 20 centimeters between the radiator and your body.

https://www.facebook.com/blaupunkt.asia
Designed and engineered by Blaupunkt Competence Centre
P/N:1270750327200
1 104 19 023 04 01




















