
Quick Start Guide
TKT Series
TKT105/TKT102/TKT122

Full Range Loudspeaker for KTV Applications
Important Safety Instructions
![]()
Terminals marked with this symbol carry an electrical current of sufficient magnitude to constitute a risk of electric shock.
Use only high-quality professional speaker cables with ¼” TS or twist-locking plugs pre-installed. All other installation or modifications should be performed only by qualified personnel.
This symbol, wherever it appears, alerts you to the presence of uninsulated dangerous voltage inside the enclosure – voltage that may be sufficient to constitute a risk of shock.
This symbol, wherever it appears, alerts you to important operating and maintenance instructions in the accompanying literature. Please read the manual.
Caution
To reduce the risk of electric shock, do not remove the top cover (or the rear section).
No user-serviceable parts inside. Refer servicing to qualified personnel.
Caution
To reduce the risk of fire or electric shock, do not expose this appliance to rain and moisture. The apparatus shall not be exposed to dripping or splashing liquids and no objects filled with liquids, such as vases, shall be placed on the apparatus.
Caution
These service instructions are for use by qualified service personnel only.
To reduce the risk of electric shock do not perform any servicing other than that contained in the operation instructions. Repairs have to be performed by qualified service personnel.
- Read these instructions.
- Keep these instructions.
- Heed all warnings.
- Follow all instructions.
- Do not use this apparatus near water.
- Clean only with dry cloth.
- Do not block any ventilation openings. Install in accordance with the manufacturer’s instructions.
- Do not install near any heat sources such as radiators, heat registers, stoves, or other apparatus (including amplifiers) that produce heat.
- Do not defeat the safety purpose of the polarized or grounding-type plug. A polarized plug has two blades with one wider than the other. A grounding-type plug has two blades and a third grounding prong. The wide blade or the third prong are provided for your safety. If the provided plug does not fit into your outlet, consult an electrician for the replacement of the obsolete outlet.
- Protect the power cord from being walked on or pinched particularly at plugs, convenience receptacles, and the point where they exit from the apparatus.
- Use only attachments/accessories specified by the manufacturer.

- Use only with the cart, stand, tripod, bracket, or table specified by the manufacturer, or sold with the apparatus. When a cart is used, use caution when moving the cart/apparatus combination to avoid injury from tip-over.
- Unplug this apparatus during lightning storms or when unused for long periods of time.
- Refer all servicing to qualified service personnel.
Servicing is required when the apparatus has been damaged in any way, such as power supply cord or plug is damaged, liquid has been spilled or objects have fallen into the apparatus, the apparatus has been exposed to rain or moisture, does not operate normally, or has been dropped. - The apparatus shall be connected to a MAINS socket outlet with a protective earthing connection.
- Where the MAINS plug or an appliance coupler is used as the disconnect device, the disconnect device shall remain readily operable.

- Correct disposal of this product: This symbol indicates that this product must not be disposed of with household waste, according to the WEEE
Directive (2012/19/EU) and your national law. This product should be taken to a collection center licensed for the recycling of waste electrical and electronic equipment (EEE). The mishandling of this type of waste could have a possible negative impact on the environment and human health due to potentially hazardous substances that are generally associated with EEE. At the same time, your cooperation in the correct disposal of this product will contribute to the efficient use of natural resources.
For more information about where you can take your waste equipment for recycling, please contact your local city office or your household waste collection service. - Do not install in a confined space, such as a bookcase or similar unit.
- Do not place naked flame sources, such as lighted candles, on the apparatus.
- Please keep the environmental aspects of battery disposal in mind. Batteries must be disposed of at a battery collection point.
- This apparatus may be used in tropical and moderate climates up to 45°C.
LEGAL DISCLAIMER
Music Tribe accepts no liability for any loss which may be suffered by any person who relies either wholly on or in part upon any description, photograph, or statement contained herein. Technical specifications, appearances, and other information are subject to change without notice. All trademarks are the property of their respective owners. Midas, Klark Teknik, Lab Gruppen, Lake, Tannoy, Turbosound, TC Electronic, TC Helicon,
Behringer, Bugera, Oberheim, Auratone, Aston Microphones, and Coolaudio are trademarks or registered trademarks of Music Tribe Global Brands Ltd. © Music Tribe Global Brands Ltd. 2021 All rights reserved.
LIMITED WARRANTY
For the applicable warranty terms and conditions and additional information regarding Music Tribe’s Limited Warranty, please see complete details online at musictribe.com/warranty.
Thank you for choosing a TANNOY loudspeaker product for your application. If you would like further information about this or any other product, please visit our website at musictribe.com.
Unpacking the Loudspeaker
After unpacking the unit, please check carefully for damage. If damage is found, please notify your supplier at once. You, the consignee, must instigate any claim. Please retain all packaging in case of future return shipment.
System Requirements
TKT are passive 2-way and 3-way loudspeakers, all of which can be driven directly from a single amplifier channel with no controller. For optimum performance or for use with a subwoofer, they require 1 amplifier channel and 1 controller channel. The input signal is divided between the low-frequency and high-frequency drivers internally with a passive crossover.
Amplifier Considerations
The TKT series loudspeaker enclosures should be driven by high-quality power amplifiers designed for true professional use. Power amplifiers should be capable of delivering long-term broadband power equal to half er Considerations the loudspeaker’s peak power rating at its stated nominal impedance. The use of underpowered amplifiers must be avoided as heavily clipped signals can cause permanent loudspeaker damage. Limiters, crossovers, and equalization points must be set in accordance with the specifications provided below. This will ensure the optimum sound quality and long-term reliability as well as protection from damage.
Model | TKT105 | TKT102 | TKT122 | |
| Model | Passive | Passive | Passive | |
| Impedance | 8Ω | 8Ω | 8Ω | |
| Minimum Amplifier Power | Continuous RMS | 150 W | 300 W | 500 W |
| Peak | 600 W | 1200 W | 2000 W |
Crossovers
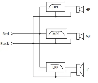
TKT Series loudspeakers are supplied as standard for passive operation via the internal crossover network. If higher peak outputs and additional low-frequency output are required, then the TKT series can be used in conjunction with the Tannoy SC1 digital controller. Each input on the network-enabled VNET SC1 has a gain control and 4 bands of parametric EQ with bands 1 and 4 of ring settings for LF and HF shelving response. The unique routing engine will allow any input to be sent to any output. Various i Iter types are available on all outputs which can be con gured as 2-, 3- or 4-way crossovers. All output channels feature an independent speaker alignment delay (200 ms per channel) and a 4-band parametric EQ for speaker management. Four high-performance limiters are Iso available.
Connections
TKT105 connection is made via screw terminal binding posts. TKT102 and TKT122 have input on 1 x SpeakON 4-pole connector and 1 x barrier strip terminal.
Binding post terminals are capable of accepting cables with a conductor of up to 4 mm sq CSA (AWG 12). Red is positive and black is negative. The SpeakON connectors will accept wire up to 4 mm sq CSA (AWG 12) with an outside diameter of up to 15 mm and a current rating of 30 A. Tannoy has adopted the conventional wiring standard for the TKT series product: pin 1+ is positive pin 1- is negative. Barrier strips accept wire up to
4 mm sq CSA (AWG 12). Barrier strip polarity is as indicated.
| Model | Real Panel | Connector | Internal Connections |
| Passive | ![]() | Red – Positive Black – Negative | ![]() |
Models: TKT102, TKT122
| Model | Real Panel | Connector | Internal Connections |
| Passive | ![]() | ![]() | ![]() |
Specifications
| TKT105 | TKT102 | TKT122 | |
| System | |||
| Frequency response | 65 Hz — 18K Hz ±3 dB 45 Hz— 16K Hz-10 dB | 85 Hz — 201(11z ±3 dB 63 Hz — 20K Hz -10 dB | 80 Hz — 20K Hz ±3 dB 55 Hz — 20K Hz -10 dB |
| Nominal dispersion
| 150°H x 80° V @ -6 dB points | 100′ H x 60°V (a -6 dB points | 70°H x 70°V (a -6 dB points |
| Power handling (IEC) | 150 W continuous, 600 W peak | 300 W continuous, 1200 W peak | 500 W continuous, 2000 W peak |
| Sensitivity | 90 dB(1Wta 1 m) | 95 dB(‘ W@1 m) | 95 dB(1W€01 m) |
| Maximum SPL | 112 dB continuous, 118 d8 peak | 120 dB continuous, 126 dB peak | 122 dB continuous, 128 dB peak |
| Impedance | 80 | 80 | 80 |
| Components
| 1 x 10″ (258.5 mm) LF driver 4x 3″ (98 mm) If cone paper | 1 x 10″ (2585 mm) LF driver 1 x 1″ (25.4 mm) HF compression driver | 1 x 12″ (315 mm) if driver 1 x 1″ (25.4mm) HF compression driver |
| Enclosure | |||
| Connectors | Binding Post Strew Terminals | 1 x Neutrik speakON 1 x barrier strip terminals | 1 x Neutrik speakON 1 x barrier strip terminals |
| Wiring | Red: Positive, Black: Negative | Pins 1+ / 1- input, pins 2+/ 2- link | Pins 1+/ 1- input, pins 2+ / 2- link |
| Dimensions HWD | Six 508 x324 mm (11.7 x 20.0 x 12.8″) | 534x 302 x 340 mm (21.0x 11.9 x 13.4″) | 594 x 345 x 386 mm (23.4 x 13.6 x 15.21 |
| Net weight | 12.4 kg (27.31k) | 16.6 kg (365 lbs) | 22.0 kg (48.4 lbs) |
| Construction | 15 mm (3S”) Partide wood +12mm (1/4″)MDF wood | 15 mm (45″) birch plywood | 15 mm (1/4″) birch plywood |
| Finish | Semi matt black PVC laminating | Semi matt black paint | Semi matt black pain |
| Grille | Powder-coated perforated steel | Powder-coated perforated steel | Powder-coated perforated steel |
| Flying hardware | MID x2 | M10 x19 | M10 x19 |
Other important information
- Register online. Please register your new Music Tribe equipment right after you purchase it by visiting musictribe.com. Registering your purchase using our simple online form helps us to process your repair claims more quickly and efficiently. Also, read the terms and conditions of our warranty, if applicable.
- Malfunction. Should your Music Tribe Authorized Reseller not be located in your vicinity, you may contact the Music Tribe Authorized Fulfiller for your country listed under “Support” at musictribe.com. Should your country not be listed, please check if your problem can be dealt with by our “Online Support” which may also be found under “Support” at musictribe.com. Alternatively, please submit an online warranty claim at musictribe.com BEFORE returning the product.
- Power Connections. Before plugging the unit into a power socket, please make sure you are using the correct mains voltage for your particular model. Faulty fuses must be replaced with fuses of the same type and rating without exception.

Hereby, Music Tribe declares that this product is in compliance with Directive
2011/65/EU and Amendment 2015/863/EU, Directive 2012/19/EU, Regulation
519/2012 REACH SVHC and Directive 1907/2006/EC, and this passive product is not
applicable to EMC Directive 2014/30/EU, LV Directive 2014/35/EU.
Full text of EU DoC is available at https://community.musictribe.com/
EU Representative: Music Tribe Brands DK A/S
Address: Ib Spang Olsens Gade 17, DK – 8200 Aarhus N, Denmark
![]()
























