casino LCD Display Adapter

This Adapter fits for standard LCD or OLED displays 80x36mm in size.
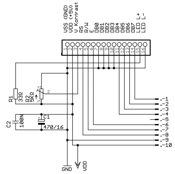
The LCD contrast can be adjusted via the Spindle Potentiometer.
Schematic:
Bernd Karle
Hard- und Softwareentwicklung
Blauenweg 6
79379 Müllheim, Germany
Phone: +49 (0)7631-172375
E-Mail: [email protected]
Web: http://www.casino-software.de

















