bright ideas
UNIVERSAL RELAY ZEN17
USER MANUAL
www.getzooz.com
[email protected]
FEATURES
- Powerful dry contact NO/NC relays to control loads up to 20 A for NO
- Perfect for DC motors, pumps, commercial gates, or HVAC equipment
- Control up to 2 connected loads independently or together
- Z-Wave or optional wall switch control (toggle or momentary type)
- Monitor inputs independently from output control Y Built-in timers for each relay to simplify automation
- Built-in Z-Wave Plus signal repeater to extend network range
- Powered by 12-24 V DC/AC or USB C port for easy set-up Y Wall mounting and minimal design for clean installation
- NEW 700 Z-Wave chip, S2 security, and SmartStart
SPECIFICATIONS
- Model Number: ZEN17
- Z-Wave Signal Frequency: 908.42 MHz
- Power: 12-24 V DC/AC or USB C (DON’T use laptop / tablet chargers)
- Maximum Load: NO relays: 20 A, NC relays: 10 A
- Inputs: dry contact or 12-24 V AC/DC (use 1 input type at a time!)
- Range: Up to 200 feet line of sight
- Operating Temperature: 32-104° F (0-40° C)
- Installation and Use: Indoor only
CAUTION
This is an electrical device – please use caution when installing and operating the MultiRelay. Remote control of appliances may result in unintentional or automated activation of power.
BEFORE YOU INSTALL
This device is intended for installation in accordance with the National Electric Code and local regulations. It is recommended that a licensed electrician perform this installation. USE A SINGLE POWER SOURCE AT ALL TIMES.
WIRING: READ IT!
- CHECK THE LOAD: make sure that the connected appliance does not exceed 20 A for normally open relays or 10 A for normally closed relays.
- POWER OFF: turn the circuit power off in the breaker panel before you start. If handling wiring from a box with multiple circuits, turn power off at all of the circuits.
- REMOVE THE WALL SWITCH: if the load is currently controlled by a wall switch, carefully remove it from the box and disconnect the wires from the switch.
- CONNECT THE UNIVERSAL RELAY: follow the instructions in the appropriate diagram for your set-up. If you can’t find your scenario in the diagrams below, please request custom instructions from our support team, we’re happy to help: [email protected]
WIRING TIPS
TAKE PICTURES
Before you disconnect any wires, document your set-up and send us images of your existing installation so we can help if needed.
GATHER YOUR TOOLS
Always use the correct screwdriver size for the terminal screws on your Universal Relay and wall switches (if connecting them). Use appropriate electrical tools when cutting, prepping, and stripping electrical wires. If you don’t have the necessary tools to perform the installation or are not sure which tools to use or how, please hire an electrician to complete the installation for you.
SAFETY FIRST
Follow the National Electrical Code and your local safety regulations when performing the installation, including (but not limited to), choosing the correct gauge of jumper wires. The recommended gauge for 15 Amp circuits is 14 AWG and 12 AWG for 20 Amp circuits.
HOW TO SECURE WIRES IN TERMINALS: first, unscrew the appropriate terminal’s screw just far enough so there is a clear opening in the terminal for the wire to go in. Make sure the wire is stripped at the right length and perfectly straight before you insert it into the terminal. Once you put the wire in the terminal, carefully screw the terminal screw back in to hold down the wire. Check the connection by gently pulling on the connected wire to make sure it’s fixed securely. - POWER THE UNIVERSAL RELAY: connect the USB C power source to the MultiRelay or use the “+” “-” terminals on the device to bring low voltage power to it. Never use both at the same time. In both cases you’ll need a standard 1 A power adapter to plug into a standard 120 VAC receptacle. Do NOT use with laptop or tablet chargers, they require a large battery on load to activate.
WHAT’S WHAT
INPUT TERMINALS
RELAY TERMINALS![]()
S1 C: wall switch to control R1 or dry contact sensor to monitor leaks (max 40k Ohm when on), open/close status, or motion.
C VC: 12-24 V DC / AC input to control R1. NEVER use C VC and S1 C together! Only one type of input can be used at any given time.
S2 C: wall switch to control R2 or dry contact sensor to monitor leaks, open/close status, or motion.
C VC: 12-24 V DC / AC input to control R2. NEVER use C VC and S1 C together! Only one type of input can be used at any given time.
NC C R1: normally closed relay controlling any load up to 10 A.
NO C R1: normally open relay controlling any load up to 20 A.
NC C R2: normally closed relay controlling any load up to 10 A.
NO C R2: normally open relay controlling any load up to 20 A.
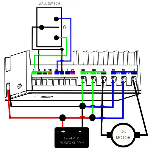
WIRING EXAMPLE
ZEN17 WIRING DIAGRAM FOR DC MOTORS (UP/DOWN, OPEN/CLOSE)
WIRING GUIDE
POOL PUMP: 120 / 220 V to R1 C, neutral to neutral, pump (load) to R1 NO.
WHOLE-HOUSE FAN: 120 V to R1 C, neutral to neutral, fan low speed to R1 NO; fan high speed to R2 NO.
LANDSCAPE LOW-VOLTAGE LIGHTING: one leg from power supply to R1 C, the other leg from power supply to lights; R1 NO to the other input on the lights.
SPRINKLERS: one leg from power supply to R1 C, the other leg from power supply to sprinkler valve; R1 NO to the other input on the valve. Automate up to 2 zones with R1 and R2.
GARAGE DOOR OPENER: 2 bell wires from the opener to R1 C and R1 NO; 2 wires from the wall switch to S1 and C. LOW-
VOLTAGE ALARM INPUT: 12-24 V wires to C and VC terminals.
LEAK ALARM INPUT: water sensor wires to S1 and C (max 40k Ohm)
DOOR SENSOR INPUT: open/close sensor wires to S1 and C.
1 POWER SUPPLY AT A TIME
Never use USB C and 12-24 V power supply together. Double power source will damage the device.
1 INPUT TYPE AT A TIME
Never connect inputs to S1 C and VC C for the same relay. Each relay can only have a single input type.
NO VOLTAGE ON “S” TERMINALS
The only input terminals that accept voltage are the C VC terminals.
Z-WAVE CONTROL
1. ADD DEVICE to your hub Initiate inclusion (pairing) in the app (or web interface). Not sure how? Use the camera on your phone to scan the QR code below for hub-specific instructions.
2. Finalize inclusion at the device. Click the Z-Wave button 3 times quickly to add the Universal Relay to your network. The LED indicator will blink to signal communication and remain on for 2 seconds to confirm inclusion.
Choose your hub and scan the QR code with your phone’s camera. Then click on the link to access step-by-step pairing instructions.
SmartThings
https://www.support.getzooz.com/kb/article/609-how-to-add-your-zen17-universal-relay-to-smartthings/
Hubitat
https://www.support.getzooz.com/kb/article/610-how-to-add-your-zen17-universal-relay-to-hubitat/
Vera
https://www.support.getzooz.com/kb/article/611-how-to-add-your-zen17-universal-relay-to-vera/
Get more tutorials and helpful tips at www.support.getzooz.com
NEED SOME HELP? [email protected]
TROUBLESHOOTING
The Universal Relay won’t add to your system? Try this:
- Initiate EXCLUSION and click the Z-Wave button 3 times quickly.
- Click the Z-Wave button 4-5 times quickly when adding it.
- Bring your Universal Relay closer to the gateway controller (hub), it may be out of range.
- Get troubleshooting tips for your hub at www.support.getzooz.com
EXCLUSION (REMOVING / UNPAIRING DEVICE)
- Bring your Universal Relay close to the Z-Wave hub and power it
- Put the Z-Wave hub into exclusion mode (not sure how to do that? [email protected])
- Click the Z-Wave button 3 times quickly
- Your hub will confirm exclusion and the Universal Relay will disappear from your controller’s device list
FACTORY RESET
If your primary controller is missing or inoperable, you may need to reset the device to factory settings. To complete the reset process manually, click the Z-Wave button 4 times quickly, the LED indicator will light up, then quickly click the Z-Wave button 4 times again. The LED indicator will flash 3 times to confirm successful reset and will then turn off.
NOTE: All previously recorded activity and custom settings will be erased from the device’s memory.
WARNING
- This product should be installed indoors upon completion of any building renovations.
- Prior to installation, the device should be stored in a dry, dust-and-mold-proof place.
- Do not install the device in a place with direct sun exposure, high temperature, or humidity.
- Keep away from chemicals, water, and dust.
- Ensure the device is never close to any heat source or open flame to prevent fire.
- Ensure the device is connected to an electric power source that does not exceed the maximum load power.
- No part of the device may be replaced or repaired by the user.

This product can be included and operated in any Z-Wave network with other Z-Wave certified devices from other manufacturers and/or other applications. All non-battery operated nodes within the network will act as repeaters regardless of vendor to increase reliability of the network.
This product features the latest Security 2 (S2) framework to remove smart home network hacking risks. This device is equipped with a unique authentication code for trusted wireless communication.
This is an ETL certified device. ETL, just like UL, is a Nationally Recognized Testing Laboratory. The ETL mark is proof of product compliance with North American safety standards.
COMMAND CLASSES
This device requires the following command classes to be supported and recognized by your Z-Wave controller:
COMMAND_CLASS_ZWAVEPLUS_INFO_V2,
COMMAND_CLASS_SWITCH_BINARY_V2,
COMMAND_CLASS_ASSOCIATION_V3,
COMMAND_CLASS_MULTI_CHANNEL_ASSOCIATION_V3,
COMMAND_CLASS_ASSOCIATION_GRP_INFO_V3,
COMMAND_CLASS_NOTIFICATION_V8,
COMMAND_CLASS_TRANSPORT_SERVICE_V2,
COMMAND_CLASS_VERSION_V2,
COMMAND_CLASS_SENSOR_BINARY_V2,
COMMAND_CLASS_MANUFACTURER_SPECIFIC,
COMMAND_CLASS_DEVICE_RESET_LOCALLY,
COMMAND_CLASS_POWERLEVEL,
COMMAND_CLASS_CONFIGURATION_V4,
COMMAND_CLASS_MULTI_CHANNEL_V4,
COMMAND_CLASS_SECURITY_2,
COMMAND_CLASS_SUPERVISION,
COMMAND_CLASS_FIRMWARE_UPDATE_MD_V5
QUESTIONS?
[email protected]
www.support.getzooz.com
ADVANCED SETTINGS
Please refer to your controller’s user guide for advanced programming instructions as they are a little different for every so ware. Not sure where to start? Go to www.support.getzooz.com for detailed instructions on how to change the settings on SmartThings, Vera, and more. Or just email us: [email protected]
ASSOCIATION
This device supports Group 1 with up to 1 devices for lifeline communication and Groups 2 (for Relay 1) and 3 (for R2) with up to 5 devices each to send BASIC_SET reports when operated manually.
CUSTOMIZE YOUR UNIVERSAL RELAY
On Off Status A er Power Failure
Parameter 1: Set the on off status for the relays a er power failure.
Values: 0 ALL relays forced to OFF (regardless of state prior to power outage); 1 ALL relays remember and restore on/off status a er power failure (default); 2 ALL relays forced to ON (regardless of state prior to power outage); 3 Relay 1 remembers and restores on/off status a er power failure, Relay 2 forced to ON; 4 Relay 2 remembers and restores on/off status a er power failure, Relay 1 forced to ON.
Size: 1 byte dec.
Input Type for Relay1 (S1)
Parameter 2: Choose the wall switch or input type you want to connect to the S1 C terminals.
Values: 0 momentary for lights only; 1 toggle switch (light on when the switch is toggled up, light off when the switch is toggled down); 2 toggle switch (state changes whenever the switch is toggled); 3 garage door (momentary mode for Z-Wave control); 4 leak alarm (water sensor); 5 heat alarm; 6 motion alert; 7 open/close alert (door sensor); 8 CO alarm; 9 CO2 alarm; 10 on/off report (dry contact switch/sensor). Default: 2. Press and hold the Z-Wave button for 5 seconds to change to garage mode manually.
IMPORTANT: If you set this parameter to value 4-10, you’ll need to exclude and re-include the device (without changing any settings) so that a child device is created for the input of your choice!
Size:1 byte dec.
Input Type for Relay 2 (S2)
Parameter 3: Choose the wall switch or input type you want to connect to the S2 C terminals.
Values: 0 momentary for lights only; 1 toggle switch (light on when the switch is toggled up, light off when the switch is toggled down); 2 toggle switch (state changes whenever the switch is toggled); 3 garage door (momentary mode for Z-Wave control); 4 leak alarm (water sensor); 5 heat alarm; 6 motion alert; 7 open/close alert (door sensor); 8 CO alarm; 9 CO2 alarm; 10 on/off report (dry contact switch/sensor). Default: 2. Press and hold the Z-Wave button for 5 seconds to change to garage mode manually.
IMPORTANT: If you set this parameter to value 4-10, you’ll need to exclude and re-include the device (without changing any settings) so that a child device is created for the input of your choice!
Size: 1 byte dec.
LED Indicator Control
Parameter 5: Choose if you want the LED indicator to turn on when any of the relays are on or if all of them are off, or if you want it to remain on or off at all times.
Values: 0 LED indicator is on when ALL of the relays are off, LED indicator is off when any of the relays is on (default); 1 LED indicator is on when any of the relays is on, LED indicator is off when ALL of the relays are off; 2 LED indicator is always OFF; 3 LED indicator is always ON. Click the Z-Wave button 5 times quickly to change mode manually.
Size: 1 byte dec.
Auto Turn-Off Timer for Relay 1
Parameter 6: Use this parameter to set the time a er which you want the device connected to Relay 1 to automatically turn off once it has been turned on. The number entered as value corresponds to the number of minutes, seconds, or hours (set the unit in Par. 15).
Values: 0 timer disabled (default); 1 65535.
Size: 4 byte dec.
Auto Turn-On Timer for Relay 1
Parameter 7: Use this parameter to set the time a er which you want the device connected to Relay 1 to automatically turn on once it has been turned off. The number entered as value corresponds to the number of minutes, seconds, or hours (set the unit in Par. 16).
Values: 0 timer disabled (default); 1 65535.
Size: 4 byte dec.
Auto Turn-Off Timer for Relay 2
Parameter 8: Use this parameter to set the time a er which you want the device connected to Relay 2 to automatically turn off once it has been turned on. The number entered as value corresponds to the number of minutes, seconds, or hours (set the unit in Par. 17).
Values: 0 timer disabled (default); 1 65535.
Size: 4 byte dec.
Auto Turn-On Timer for Relay 2
Parameter 9: Use this parameter to set the time a er which you want the device connected to Relay 2 to automatically turn on once it has been turned off. The number entered as value corresponds to the number of minutes, seconds, or hours (set the unit in Par. 18).
Values: 0 timer disabled (default); 1 65535.
Size: 4 byte dec.
Input Trigger for Relay 1
Parameter 10: Choose if you’d like the connected input (switch) on S1 C / VC C to trigger the load connected to R1 or if you want to use the input reports for monitoring only and separate the output from the input.
Values: 0 input trigger disabled; 1 input trigger enabled (default).
Size: 1 byte dec.
Input Trigger for Relay 2
Parameter 11: Choose if you’d like the connected input (switch) on S2 C / VC C to trigger the load connected to R2 or if you want to use the input reports for monitoring only and separate the output from the input.
Values: 0 input trigger disabled; 1 input trigger enabled (default).
Size: 1 byte dec.
Auto Turn-Off Timer Unit for Relay 1
Parameter 15: Choose between seconds, minutes, and hours as the unit for the auto turnoff timer for Relay 1.
Values: 0 minutes (default); 1 seconds; 2 hours.
Size: 1 byte dec.
Auto Turn-On Timer Unit for Relay 1
Parameter 16: Choose between seconds, minutes, and hours as the unit for the auto turnon timer for Relay 1.
Values: 0 minutes (default); 1 seconds; 2 hours.
Size: 1 byte dec.
Auto Turn-Off Timer Unit for Relay 2
Parameter 17: Choose between seconds, minutes, and hours as the unit for the auto turnoff timer for Relay 2.
Values: 0 minutes (default); 1 seconds; 2 hours.
Size: 1 byte dec.
Auto Turn-On Timer Unit for Relay 2
Parameter 18: Choose between seconds, minutes, and hours as the unit for the auto turnon timer for Relay 2.
Values: 0 minutes (default); 1 seconds; 2 hours.
Size: 1 byte dec.
DC Motor Mode
Parameter 24: Sync R1 and R2 together to prevent them from being activated at the same time.
Values: 0 DC motor mode disabled (relays will activate whenever they’re triggered); 1 DC motor mode enabled (relay will check the status of the other relay a er being triggered and will shut the other relay off before activating so that only one of the relays is on at the same time). Default: 0.
Size: 1 byte dec.
WARRANTY
This product is covered under a 12-month limited warranty. To read the full warranty policy or file a warranty claim, please go to www.getzooz.com/warranty
IN NO EVENT SHALL ZOOZ OR ITS SUBSIDIARIES AND AFFILIATES BE LIABLE FOR ANY INDIRECT, INCIDENTAL, PUNITIVE, SPECIAL, OR CONSEQUENTIAL DAMAGES, OR DAMAGES FOR LOSS OF PROFITS, REVENUE, OR USE INCURRED BY CUSTOMER OR ANY THIRD PARTY, WHETHER IN AN ACTION IN CONTRACT OR OTHERWISE EVEN IF ADVISED OF THE POSSIBILITY OF SUCH DAMAGES. ZOOZ’S LIABILITY AND CUSTOMER’S EXCLUSIVE REMEDY FOR ANY CAUSE OF ACTION ARISING IN CONNECTION WITH THIS AGREEMENT OR THE SALE OR USE OF THE PRODUCTS, WHETHER BASED ON NEGLIGENCE, STRICT LIABILITY, BREACH OF WARRANTY, BREACH OF AGREEMENT, OR EQUITABLE PRINCIPLES, IS EXPRESSLY LIMITED TO, AT ZOOZ’S OPTION, REPLACEMENT OF, OR REPAYMENT OF THE PURCHASE PRICE FOR THAT PORTION OF PRODUCTS WITH RESPECT TO WHICH DA-MAGES ARE CLAIMED. ALL CLAIMS OF ANY KIND ARISING IN CONNECTION WITH THIS AGREEMENT OR THE SALE OR USE OF PRODUCTS SHALL BE DEEMED WAIVED UNLESS MADE IN WRITING WITHIN THIRTY (30) DAYS FROM ZOOZ’S DELIVERY, OR THE DATE FIXED FOR DELIVERY IN THE EVENT OF NONDELIVERY.
FCC NOTE THE MANUFACTURER IS NOT RESPONSIBLE FOR ANY RADIO OR TV INTERFERENCE CAUSED BY UNAUTHORIZED MODIFICATIONS TO THIS EQUIPMENT. SUCH MODIFICATIONS COULD VOID THE USER’S AUTHORITY TO OPERATE THE EQUIPMENT. STORE INDOORS WHEN NOT IN USE. SUITABLE FOR DRY LOCATIONS ONLY. DO NOT IMMERSE IN WATER. NOT FOR USE WHERE DIRECTLY EXPOSED TO WATER.
This device complies with Part 15 of the FCC Rules. Operation is subject to the following conditions:
- This device may not cause harmful interference,
- This device must accept any interference received, including interference that may cause undesired operation. This equipment has been tested and found to comply with the limits for a Class B digital device, pursuant to part 15 of the FCC Rules.
These limits are designed to provide reasonable protection against harmful interference in a residential installation. This equipment generates, uses and can radiate radio frequency energy and, if not installed and used according to instructions, may cause harmful interference to radio communications. However, there is no guarantee that interference will not occur in any given installation. If this equipment causes harmful interference to radio or television reception, the user may try to correct the interference by taking one or more of the following measures:
– Reorient or relocate receiving antenna
– Increase the separation between equipment and receiver
– Connect equipment into a separate outlet or circuit from receiver
– Consult the dealer or an experienced radio/TV technician for additional assistance
All brand names displayed are trademarks of their respective holders. © Zooz 2021



















