GE APPLIANCE RAD10 Zoneline Drain Kit

Parts Included

To Install the External Drain
The External Drain Kit is installed on the Zoneline Sleeve if it desired to direct the sleeve overflow water to the exterior and completely away from the installation.
- The gasket should be placed on the cover plate (with 1/2” hole) with screw holes in the gasket lined up with screw holes in cover plate. Then insert drain tube
(from gasket side) through gasket and cover plate .
- This assembly may now be installed into either the left or right drain holes on the rear flange of the sleeve, using two (2) of the screws (Type A for Metal cabinet or Type B for Molded) included.
NOTE: The drain kit may be installed on the sleeve either before or after the sleeve is installed in the wall, and with or without the rear protective cover installed on the sleeve. The stamped rear grille must be removed or the drain kit installation made before the grille is installed. The installation of the drain kit may be made from the outside (rear of sleeve) or from the roomside (inside) by removing the rear protective cover or rear grille. - The solid gasket (without hole) should be properly placed on the rear of the solid cover plate and the assembly installed over the drain hole in the sleeve that it is not used to drain. Using two (2) of the screws included (Type A or B depending on the type of sleeve, attach to the cabinet.

- A tube or hose 1/2” I. D. (obtained locally) may be installed onto the drain tube to drain any overflow water away from the installation (to a gutter ot the ground).
NOTE: To redirect the drain tube to another direction (toward the side, downward, etc.) merely loosen the two screws, rotate the drain tube to the desired direction and retighten the screws.
CAUTION DO NOT point the drain tube above the horizontal position.
Installation Instructions
Install the Internal Drain Location of the Drain in the Cabinet Bottom
- The Drain Kit must be installed on the bottom of the wall sleeve prior to installation of the sleeve in the wall. The location should not be in the area of chassis supports or molded ribs (molded sleeve only).
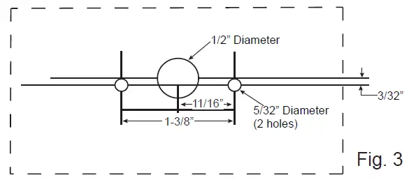
NOTE: If installation in the wall requires the use of a sub-base, the location of the drain should be at least 3” from the front edge of the wall sleeve. - After location of Drain Kit is determined, locate and drill 3 holes per dimension on The steel mounting plate with the 1/2” center hole can also be used as a template to mark holes. Repaint edges of drilled holes on metal cabinet to prevent rust or corrosion.

- The gasket should be placed on the steel mounting plate (with 1/2” hole) with screw holes in gasket lined up with screw holes in steel mounting plate. Then insert drain tube through gasket and steel mounting plate, as shown in.

- Attach this assembly to bottom of the wall sleeve with two Type A screws through the cover plate, gasket, and wall sleeve. On molded sleeve, the 2 speed nuts must be used to secure drain kit wall sleeve using the two Type A screws.
Seal external drain holes. Prepare the remaining mounting plates/gasket assemblies as shown in. Using the screws (Type A for Steel or Type B for Molded sleeve) attach plate/gasket assemblies to the bottom exterior flange over both as shown.
- Install the wall sleeve into the wall opening (level in all directions) and secure with adequate fasteners per instructions packed with the wall sleeve.
A tube or hose 1/2” I.D. (obtained locally) must be installed on the drain and connected to the internal drain system in the building.
























