tbs electronics OC12-90 Professional Programmable Battery Chargers

Notice of Copyright
Omnicharge OC40-90 battery charger owner’s manual © 2015-2022 TBS Electronics BV. All rights reserved. No part of this document may be reproduced in any form or disclosed to third parties without the express written permission of TBS Electronics BV, De Marowijne 3, 1689AR, Zwaag, The Netherlands. TBS Electronics BV reserves the right to revise this document and to periodically make changes to the content hereof without obligation or organization of such revisions or changes, unless required to do so by prior arrangement.
Exclusions for documentation and product usage
UNLESS SPECIFICALLY AGREED TO IN WRITING, TBS ELECTRONICS BV (“TBS”) :
- MAKES NO WARRANTY AS TO THE ACCURACY, SUFFICIENCY OR SUITABILITY OF ANY TECHNICAL OR OTHER INFORMATION PROVIDED IN ITS MANUALS OR OTHER DOCUMENTATION
- ASSUMES NO RESPONSIBILITY OR LIABILITY FOR LOSSES, DAMAGES, COSTS OR EXPENSES, WHETHER SPECIAL, DIRECT, INDIRECT, CONSEQUENTIAL OR INCIDENTAL, WHICH MIGHT ARISE OUT OF THE USE OF SUCH INFORMATION. THE USE OF ANY SUCH INFORMATION WILL BE ENTIRELY AT THE USER’S RISK
- REMINDS YOU THAT IF THIS MANUAL IS IN ANY LANGUAGE OTHER THAN ENGLISH OR DUTCH, ALTHOUGH STEPS HAVE BEEN TAKEN TO MAINTAIN THE ACCURACY OF THE TRANSLATION, THE ACCURACY CANNOT BE GUARANTEED.
- MAKES NO WARRANTY, EITHER EXPRESSED OR IMPLIED, INCLUDING BUT NOT LIMITED TO ANY IMPLIED WARRANTIES OF MERCHANTABILITY OR FITNESS FOR A PARTICULAR PURPOSE, REGARDING THESE TBS PRODUCTS AND MAKES SUCH TBS PRODUCTS AVAILABLE SOLELY ON AN “AS IS” BASIS.
- SHALL IN NO EVENT BE LIABLE TO ANYONE FOR SPECIAL, COLLATERAL, INCIDENTAL, OR CONSEQUENTIAL DAMAGES IN CONNECTION WITH OR ARISING OUT OF PURCHASE OR USE OF THESE TBS PRODUCTS. THE SOLE AND EXCLUSIVE LIABILITY TO TBS, REGARDLESS OF THE FORM OF ACTION, SHALL NOT EXCEED THE PURCHASE PRICE OF THE TBS PRODUCTS DESCRIBED HERE IN.
INTRODUCTION
Thank you for purchasing a TBS Electronics (TBS) Omnicharge battery charger. Please read this owner’s manual for information about using the product correctly and safely. Keep this owner’s manual and all other included documentation close to the product for future reference. For the most recent manual revision, please check the downloads section on our website. The purpose of this owner’s manual is to provide explanations and procedures for installing, configuring and operating the battery charger. The installation instructions are intended for installers that should have knowledge and experience in installing electrical equipment, knowledge of the applicable installation codes, and awareness of the hazards involved in performing electrical work and how to reduce those hazards.
WARNING
Before proceeding with this owner’s manual, please make sure you have carefully read the enclosed safety flyer!
INSTALLATION
Unpacking
The charger package should contain the following items :
- Battery charger
- Wall bracket
- Battery temperature sensor (3m)
- Owner’s manual
- Safety flyer
- Charger warning stickers
- 2x M8 crimp terminals
- 7x mounting screws
CAUTION
After unpacking, check if the product shows any mechanical damage. Never use the product when the enclosure shows any visual damage caused by harsh handling, or when it has been dropped accidentally. Contact your local supplier for further information.
Mounting
Please see the image below for the mounting method.
The image on the next page shows the mutual distances of the drilling holes.
CAUTION
Keep a clear space of at least 10 cm around this product for cooling purposes! Always mount this product in an upright position. Floor mounting is allowed as well, provided that all 7 screws are used to secure the enclosure.
WARNING
To reduce the risk of explosion, never use this product in locations where there is a danger of gas- or dust explosions or where ignition-protected equipment is mandatory. Never install the charger directly on top of the battery or vice-versa.
Accessing the connection compartment
To access the connection compartment, remove the two screws indicated on the left and slide the red connection compartment cover downwards. Never operate this product without having the cover re-installed!
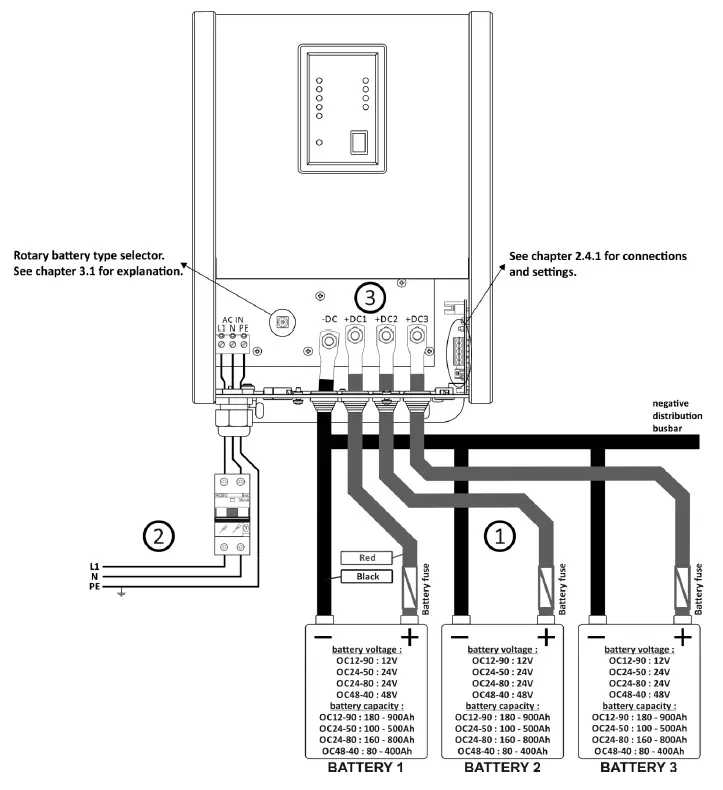
Wiring details
Please see the image below for the wiring details.
- Please consult the following table to determine the correct battery cable and fuse size for each model. Using a smaller cable size or a longer cable will cause additional losses and may result in improperly charged batteries. Fire and burning hazards are present if the battery cables are insufficiently sized for the expected current. Battery cable lengths longer than 6 meters, are not recommended.
Model Cable size (length ≤ 3 m)
Cable size (length = 3 to 6m)
Battery fuse (quick type)
OC12-90 35mm2 (AWG2) 50mm2 (AWG0) 100-120Amp OC24-50 25mm2 (AWG3) 35mm2 (AWG2) 60-80Amp OC24-80 35mm2 (AWG2) 50mm2 (AWG0) 100-120Amp OC48-40 25mm2 (AWG3) 35mm2 (AWG2) 50-70Amp - The AC input must be protected by an earth leakage circuit breaker with overcurrent protection (RCBO), that can withstand the maximum nominal current consumption from the charger without tripping. All AC wiring must be sized accordingly. Please consult the following table to determine the correct AC wiring and RCBO sizes :
Model AC wiring size / RCBO size (220-240VAC)
AC wiring size / RCBO size (100-120VAC)
OC12-90 1.5mm2 (AWG15) / 8A (30mA) 2.5mm2 (AWG13) / 16A (30mA) OC24-50 1.5mm2 (AWG15) / 10A (30mA) 4mm2 (AWG11) / 20A (30mA) OC24-80 2.5mm2 (AWG13) / 16A (30mA) – OC48-40 2.5mm2 (AWG13) / 16A (30mA) – - Up to 3 battery banks can be connected to the charger. Each output can supply the full rated charging current. The total charging current of all 3 outputs combined, will never exceed the maximum rated charging current. All 3 outputs are isolated from each other by highly efficient active rectifiers.
WARNING
The schematic above shows a typical standalone installation. No guarantees are given on the compliance of any local electrical regulations. Please make sure that the complete installation is made in accordance to all locally applicable electrical regulations. This Class I product must be earthed! Always connect the PE wire or chassis ground screw at the bottom of the enclosure to your central ground (vehicle chassis, grounding system of your boat etc.)
CAUTION
Always connect the negative (-) cable directly on the negative terminal of the battery, or on the “loadside” of a current shunt. Always keep positive and negative cables close to each other to minimize electromagnetic fields. Double check for correct polarity, before connecting the battery cables to the battery! Wrong polarity may damage the charger. Please feed all connection compartment wiring through the rubber grommets and plastic gland.
Control board connections and settings
The following image shows the control board connections and switch options.
- Master/slave switch position. This switch must be set to ‘MASTER’ when a single charger is installed. The ‘SLAVE’ setting is only relevant for parallel charger systems.
- 5 pole screw terminal block. The first three positions are connected to the ‘normally open’, ‘normally closed’ and ‘common’ contacts of the internal alarm relay. This relay will be activated when the charger shuts down into an error mode. When the error condition has been cleared, this relay will de-activate again. Please make sure not to exceed the maximum relay contact rating of 60V and 5A to avoid damaging the relay or PCB.
On the 4th and 5th positions of the screw terminal, an external switch can be connected to remotely turn the charger on and off. This switch can be located up to 50 meters away from the charger. It is advised to use a wire size of 1mm2 (AWG17) for the remote switch connection. For the remote switch, any single pole switch can be used. Only a low power signal must be switched on this line. - Remote bypass switch position. When a remote switch is connected to the 5 pole screw terminal block, the remote bypass switch must be set to OFF. When no remote switch is used, the remote bypass switch must be set to ON.
Bottom side connections
Please see the next image for the bottom-side connections.
Parallel operation
Up to 6 battery chargers of the same model can be connected in parallel, in order to reach very high charge current levels. This manual will not show any connection or operation details for paralleled charger systems. Such details are explained in the documentation that is included with the optional “Omnicharge XL Parallel Kit (art.# 5029950)”.
CONFIGURING THE BATTERY CHARGER
Selecting the correct charge program
The image in chapter 2.4 showed the location of the rotary selector, which is used to select the desired charge program. The charge program selection depends on the type of battery that needs to be charged. Each battery type has its own typical bulk and float charge voltages. When your battery type or optimal charging voltages are still not available in the standard list, you can select rotary position ‘0’ and setup the battery charger using the TBS Dashboard for Windows software. This software is included in the optional TBSLink to USB Communication Kit (art.# 5092120), which also contains an isolated interface box required to connect the Omnicharge to a PC. Using TBS Dashboard, all available parameters can be edited, and it is also possible to edit or create your own battery charge programs.
CAUTION
Invalid battery type settings can cause serious damage to your batteries and/or connected battery loads. Always consult your battery’s documentation for the correct charge voltage settings.
In de following table, all settings are explained.

This manual will only describe the rotary selector settings. Configuration by TBS Dashboard will be explained in the TBS Dashboard manual that comes with the TBSLink to USB Communication Kit.
Charge programs explained
Most standard selectable charge programs, perform a four stage IUoUoP charging process comprising of a “Bulk” , an “Absorption”, a “Float” and a “Pulse” stage. The image below visualizes the four stage charging process (for typical 48V voltage values, please multiply the 24V values by 2):
In the Bulk stage, the charger delivers full output current and typically returns approximately 80% of charge back into the battery once the absorption voltage is reached. During this stage, indicators 3d and 3c (see frontpanel image in chapter 4.1) will be lit depending on the Bulk charge progress. When the absorption voltage has been reached, the Absorption stage will be entered and indicator 3b will be lit. This stage will return the final 20% of charge to the battery. The output voltage is kept at a constant level and the charge current decreases as a function of the battery’s state of charge. When the charge current has dropped below a certain value or when the maximum absorption timer has been expired, the Float stage will be entered. Indicator 3a will be lit and an acoustical message will sound, indicating that the battery is full. In this stage the battery voltage will be held constant at a safe level for the battery. It will maintain the battery in optimal condition for as long as the battery remains connected to the activated charger. Connected battery loads will be directly powered by the charger up to the charger’s maximum output current level. When even more current is drawn, the battery must supply this which results in a declining battery voltage. At a certain battery voltage level, the charger jumps back to the Bulk stage and will finalize a complete four stage charging process again, once the battery load consumption has dropped below the charger’s maximum output current level. The fourth stage called “Pulse”, will perform a short refresh charge of approximately 1 hour each 7 days while the charger operates in the Float stage. This will keep the battery in optimal condition while prolonging it’s lifetime. The battery can remain connected to the activated charger continuously, without risk of overcharging. When the battery temperature sensor is installed, the charger automatically compensates the charge voltages against battery temperature. This means that the charge voltages are slightly increased at lower temperatures and decreased at higher temperatures (-30mV/°C for 12V chargers, -60mV/°C for 24V chargers and -120mV/°C for 48V chargers). This way, overcharging is prevented which prolongs your battery’s lifetime. A connected battery temperature sensor also enables the battery temperature protection, which stops the charging process when the battery’s temperature is below -20°C or above +50°C.
GENERAL OPERATION
Omnicharge display and control overview
See the next image for an overview of all LED indicators on the Omnicharge frontpanel, as well as the location of the main switch.
The frontpanel can be divided into four sections :
- Output current bar. Indicates the percentage of total delivered charging current.
- Mode indicator. Indicates the operating mode of the battery charger
Indicator mode Description Continuous green Power on, normal mode Flashing red (1 flash per sec.) Battery error A battery error can appear for several reasons. These are : battery voltage is too low (too deeply discharged) or too high and battery temperature is too low or too high (only available when battery temperature sensor is connected). The charger will not restart automatically in battery error mode, except when this error was generated due to a too
low battery voltage or a too low battery temperature.
Flashing red (2 flashes per sec.) High/low AC input voltage Flashing red (3 flashes per sec.) High charger temperature The charger automatically restarts when the temperature is below an acceptable level.
Flashing red (4 flashes per sec.) Charger error (return for service) - Charge status bar. Gives a rough indication of the charging progress, see below :
- Power on, off, charger only switch.
Switch position Description “0” Charger off When the switch is in position “0”, it does not interrupt any internal AC or DC sources. This means that there are still lethal voltages present inside the charger! In position “0”, the charger will still consume a small amount of AC
current.
“I” Charger on in automatic charging mode “II” Charger on in forced float mode In this mode, the output voltage of the charger is set constantly to the float voltage (value is depending on selected battery type) while being able to deliver full rated output current. Since no automatic charging programs are activated in this mode, it can be used for constant voltage charging or operating the charger as a
battery buffered power supply.
Charging batteries
CAUTION
Before you start to charge batteries, read all enclosed safety instructions and warnings while following all safety precautions about working with batteries.
The list below globally describes the steps to follow for charging batteries :
- Push the charger switch in the “O” (Off) position and disconnect the AC supply to the charger
- If possible disconnect or switch off all loads from the battery
- Connect the battery to the charger
- Switch on the AC supply and activate the charger by pushing the charger switch in the “I” (power on) position. After a two tone beep, the charger will start the charging proces.
- After charging is completed, push the charger switch in position “O” and switch off the AC supply again, before disconnecting the battery. Or, keep all connections and the charger switch position untouched and just re-connect all battery loads.
Equalizing a flooded battery
If you are using a lead acid battery, an occasional equalization charge cycle may be recommended by the manufacturer. This might also be true when the battery has been very deeply discharged or often charged inadequately. During equalization, the battery will be charged up to approx. 15.5V (31V for 24V and 62V for 48V models) at a reduced output current level. Before starting an equalization charge cycle, the following caution statements must be read carefully :
CAUTION
Equalization should only be performed on a lead acid battery type that supports this process. Therefore the Omnicharge only allows equalization when the battery type rotary selector is set to Flooded, AGM or Lead Calcium. Other battery types like GEL or Lithium will be damaged by this process. Please be aware that not all AGM and Lead Calcium battery manufacturers allow an equalization process. Always follow the battery manufacturer’s instructions when equalizing batteries. During equalization, the battery generates explosive gasses. Follow all the battery safety precautions enclosed with your Omnicharge. Ventilate the area around the battery sufficiently and ensure that there are no sources of flames or sparks in the vicinity. Disconnect all loads connected to the battery during equalization. The voltage applied to the battery during this process may be above safe levels for some loads. The Omnicharge cannot automatically determine when to stop the equalization of a battery. The user must monitor the battery’s specific gravity throughout this process to determine the end of the equalization cycle. The internal 1 hours time-out timer of your charger is only intended as a safety feature, but may not be sufficiently short to prevent battery damage. Therefore, equalizing a battery is always a process that must continuously be supervised by the user. As explained earlier, the Omnicharge will only allow equalization when the battery type rotary selector is set to a battery type that may allow an equalization cycle. Besides this, the charger also needs to have a full charge cycle completed and must operate in the Float stage. When these two conditions are met, the equalization charge mode can be activated by pressing the recessed pushbutton on the bottom side of the unit (see image in chapter 2.4.2) for 3 seconds, until all charge status indicators start flashing. The Omnicharge battery charger will allow a maximum equalization time of 1 hour before it automatically jumps back to the Float stage. If the specific gravity of each cell does not match the battery manufacturer’s specifications yet, you can initiate a new 1-hour equalization cycle by pressing the pushbutton for 3 seconds again. Always keep on checking the specific gravity of each cell repeatedly during the equalization process. When these values are correct, you can manually exit the equalization process by pressing the recessed pushbutton once. The battery charger will then return to the Float stage.
TROUBLESHOOTING GUIDELINE
If none of the above remedies will help solve the problem you encounter, it’s best to contact your local TBS distributor for further help and/or possible repair of your Omnicharge. Do not disassemble the charger yourselves, there are dangerously high voltages present inside and it will also void your warranty.
| Problem | Possible cause | Remedy |
| Omnicharge is not working at all. | Main switch in Off (0) position. | Push the power switch in the ‘I’ or ‘II’ position. |
| AC input voltage is out of range or not available. | Make sure the AC input voltage is available and within the operating range of the charger. | |
| Remote switch or TBS Remote Control has deactivated the charger. | Activate the charger remotely or check if the remote bypass switch is set correctly. | |
| Poor contact between the charger battery wires and the battery terminals. | Clean battery terminals or charger wire contacts. Tighten battery terminal screws. | |
| Blown DC fuse. | Check battery fuse or internal charger output fuse (located on charger PCB). | |
| Very poor battery condition. | Replace battery. | |
| The battery is not being charged up to it’s maximum capacity. | Incorrect absorption charge voltage setting. | Check the battery type selector for correct settings. Or adjust the absorption voltage using TBS Dashboard. |
| Incorrect charge current setting. | Adjust the charge current using the Universal Remote Control or TBS Dashboard. Typically, the charge current should be set to 10%-20% of the total battery capacity | |
| Too much voltage loss in battery cables and/or connections. | Make sure that the battery cables have a large enough diameter. Check if all DC connections are solidly made. | |
| Additional battery loads are consuming too much current during charging. | Turn-off or disconnect all battery loads. |
| Charge current is too low. | High ambient temperature. | Try to lower the ambient temperature around the charger. |
| Charger is operating in the absorption charging stage. | Do nothing. The battery is almost fully charged and consumes less current by itself. | |
| Charge voltage is too low. | The charge voltage is being compensated by the battery temperature sensor to protect the battery. | Do nothing or try to cool down the ambient temperature around the battery. |
| Wrong battery type selected, or custom charge program needs to be re-adjusted. | Select the correct battery type or adjust the custom charge program using TBS Dashboard. | |
| DC cables too thin. | Install larger DC cables. See the DC cable size table in chapter 2.4. | |
| Battery load current is higher than the charger’s output current. | Reduce or remove the battery load. | |
| LED ‘charger on’ is blinking red once per second (battery error). | Battery voltage is too low. (must be > 6V @12V, >12V @24V and >24V @48V systems) | Battery is damaged, replace it. Or battery has been discharged too extremely. |
| Battery voltage is too high. (> 15% of set charge voltage). | Check the DC system for an external source that pushes the battery voltage too high. | |
| Battery temperature is too high or too low. (only available when temperature sensor is installed) | Make sure that the battery is located in a better environment to charge batteries. | |
| LED ‘charger on’ is blinking red twice per second (AC error). | AC input voltage is too high or too low. | Please make sure that the AC input voltage is within the operating range of the charger. |
| LED ‘charger on’ is blinking red three times per second (high charger temperature error). | Airflow around the charger is obstructed. | Make sure there is at least 10 centimeters of clearance around the charger. Remove any items placed on or over the charger. Keep the charger away from direct sunlight or heat producing equipment. |
| Too high ambient temperature. | Move the charger to a cooler environment or provide additional cooling by an external fan. | |
| LED ‘charger on’ is blinking red four times per second (charger error). | An internal error is detected. | Please return the charger to your nearest dealer for service. |
TECHNICAL SPECIFICATIONS
| Parameter | OC12-90 | OC24-50 | OC24-80 | OC48-40 |
| AC input voltage | 100-260Vac / 47-63Hz | 180-260Vac / 47-63Hz | ||
| Full load power consumption | 1550VA | 1700VA | 2750VA | |
| AC input current (115V/230V) | 13.5A / 6.8A | 15A / 7.5A | – / 12A | |
| Total DC output current1) 4) | 90A | 50A | 80A | 40A |
| Nominal DC output voltage1) | 12Vdc | 24Vdc | 48Vdc | |
| Number of full current outputs | 3 (internally isolated) | |||
| Charge characteristic2) | IUoUoP, intelligent 4-stage, temp. compensated | |||
| Standard absorption voltage2) | 14.4Vdc | 28.8Vdc | 57.6Vdc | |
| Standard float voltage2) | 13.5Vdc | 27.0Vdc | 54.0Vdc | |
| Standard equalize voltage2) | 15.8Vdc | 31.6Vdc | 63.2Vdc | |
| Supported battery types2) | Flooded / Gel / AGM / LiFePO4 / Custom | |||
| Recommended battery capacity3) | 180-900Ah | 100-500Ah | 160-800Ah | 80-400Ah |
| DC current draw (charger off) | < 0.1mA | |||
| Operating temp. Range | -10°C…+55°C (humidity max. 90% non condensing) | |||
| Storage temp. Range | -20°C…+70°C (humidity max. 90% non condensing) | |||
| Cooling | Variable speed fan | |||
| TBSLink enabled | Yes | |||
| Protections | Low AC input voltage, output short circuit, high temperature, battery overcharging and reverse polarity (fuse) | |||
| Indications | Power on, output current, state of charge, error | |||
| DC output connections | 4x M8 bolts | |||
| AC input connections | Screw terminals | |||
| Enclosure body size (HxWxD) | 370 x 271 x 132mm | |||
| Total weight | 6.2kg | |||
| Protection class | IP21 (mounted in upright position) | |||
| Standards | CE marked. EMC : EN55016-2-1(/A1), EN55016-2- 3(/A1), EN 61000-4-2(3/4/5/6). Safety : EN60335-1, EN60335-2-29 | |||
- The maximum output current tolerance is +/-10%. Maximum set point voltage deviations are +/-1%. All set point voltages are temperature compensated when the battery temperature sensor is connected.
- Value is programmable.
- Always consult battery manufacturers’ specifications for maximum allowable charge current.
- At higher ambient temperatures (>40°C), the maximum output current may be reduced automatically.
Please act according to your local rules and do not dispose of your old products with your normal household waste. The correct disposal of your old product will help prevent potential negative consequences for the environment and human health.
WARRANTY CONDITIONS
TBS Electronics (TBS) warrants this product to be free from defects in workmanship or materials for 24 months from the date of purchase. During this period TBS will repair the defective product free of charge. TBS is not responsible for any costs of the transport of this product. This warranty is void if the product has suffered any physical damage or alteration, either internally or externally, and does not cover damage arising from improper use , or from use in an unsuitable environment. This warranty will not apply where the product has been misused, neglected, improperly installed or repaired by anyone other than TBS. TBS is not responsible for any loss, damage or costs arising from improper use, use in an unsuitable environment, improper installing of the product and product malfunctioning. Since TBS cannot control the use and installation (according to local regulations) of their products, the customer is always responsible for the actual use of these products. TBS products are not designed for use as cricital components in life support devices or systems, that can potentially harm humans and/or the environment. The customer is always responsible when implementing TBS products in these kind of applications. TBS does not accept any responsibility for any violation of patents or other rights of third parties, resulting from the use of the TBS product. TBS keeps the right to change product specifications without previous notice.
Examples of improper use are :
- Too high AC input voltage applied
- Reverse connection of battery polarity
- Connecting wrong batteries (too high battery voltages)
- Mechanical stressed enclosure or internals due to harsh handling or incorrect packaging
- Contact with any liquids or oxidation caused by condensation
DECLARATION OF CONFORMITY
- MANUFACTURER: TBS Electronics BV
- ADDRESS : De Marowijne 3 1689 AR Zwaag The Netherlands
Declares that the following products :
- PRODUCT TYPE Professional programmable battery charger
- MODELS OC12-90, OC24-50, OC24-80, OC48-40
Conforms to the requirements of the following Directives of the European Union :
EMC Directive 2014/30/EU
- Low voltage Directive 2014/35/EU RoHS Directive 2011/65/EU
The above product is in conformity with the following harmonized standards :
- EMC : EN55016-2-1(/A1), EN55016-2-3(/A1), EN 61000-4-2(3/4/5/6)
- Safety : EN60335-1, EN60335-2-29



















