Operating Instructions
Merlin – Clay target launcher
Merlin Clay Target Launcher
WARNING
Clay target launchers can be dangerous and must be treated with great care at all times to avoid accidents.
Never place any bodily part into the path of any mechanical piece whilst the machine is in motion or likely to be so.
Specifications:
150 target Carousel.
Weight: 42.5 kg / 94 lbs
Length: 527mm / 20 ½“
Width: 440mm / 17¼ “
Height: 635mm / 25”
(On tilt base)
You must treat a clay target launcher with the same caution that you would treat a loaded gun. Assume at all times that a clay target launcher is armed and loaded and treat it accordingly
This document must be read in full before attempting to operate the machine
Preface:
Every effort has been made to ensure that the information contained within this manual is complete, accurate and up-to-date. Promatic International assumes no responsibility for errors beyond its control.
Conventions used within this manual:
Trap: Your Merlin – Clay target launcher—commonly known as a clay trap and may be referred to in this manual as “The trap” or “The machine” Warnings & Cautions:
Warning: This section contains instructions which, if ignored or carried out incorrectly, may result in risk of personal injury.
Caution: This section contains instructions which, if ignored or carried out incorrectly, may result in malfunction or damage to the equipment
Note: This section contains additional information which the user may find useful, but is not essential to the operation of the product.
12v DC Power Source:
This product is designed to be powered from a 12v DC battery. We recommend 22Ah (Approx.) leisure batteries for this trap. Promatic part no. E30V/SLC22 IT MUST NEVER BE DIRECTLY CONNECTED TO MAINS AC POWER.

EYE PROTECTION MUST BE WORN WHEN WORKING ON OR AROUND A CLAY TARGET LAUNCHER AS SMALL SHARP PIECES OF CLAY MAY BE EJECTED DURING NORMAL USE.


Connecting the battery:
Ensure you are behind the machine, the ARM/DISARM switch is in the OFF position and it is otherwise safe to proceed. Connect the red cable to the Red (+) terminal and the black cable to the Black (-) Terminal. Ensure the terminal fasteners are tight, the battery is securely strapped to its tray and the charger has been removed.
Never approach the machine from the front or sides, Do not assume the trap is safe even without electrical power it may still be armed.
Electrical Troubleshooting :
Trap fails to re-arm – after a period of prolonged use the trap fails to re-arm itself and is found to be stalled (may also be making a humming sound) then this is an indication that the battery is depleted, and the voltage has fallen too low to operate the trap. Disconnect the battery immediately and re-charge (or fit a replacement fullycharged battery). A depleted battery may appear to have recovered if left unused. The trap should not be used any further than necessary to make it safe as continued operation of a depleted battery at low voltage may cause damage to the motor, battery or other electrical components.
Trap fires by itself – Disconnect any external cable and switch the trap back on. If the trap arms normally then the command cable is faulty. If the trap continues to fire, switch the machine off and disconnect the battery. Check the roller switch is moving freely and an audible click can be heard when it is moved. Re-test the machine. If the machine still fires by itself then the Roller switch is faulty and must be replaced.
Circuit breaker has operated – The battery may have been incorrectly fitted (terminals reversed) or an excessive amount of current was drawn either due to a fault or obstruction within the trap. Check for obvious faults or obstructions and reset the circuit breaker. If the fault persists, seek advice for Promatic.
If the circuit breaker has tripped due to an obstruction DO NOT ASSUME THE TRAP IS SAFE it may still be armed with the obstruction holding back the energy from the spring – carefully clear the obstruction whilst remaining in the safe area behind the trap BE AWARE of the path of the throwing arm AND the debris that may be ejected.
Positioning the machine
- Clay Target Launchers must be situated on firm level ground in a position that will allow unrestricted access to rear of machine.
- There must be no obstructions to the path of the throwing arm.
- Ensure that the power supply can be easily disconnected and cables cannot become tangled in any part of the mechanism.
Firing the machine
- Turn the ON/OFF or
switch (if fitted) to the ON or
position and set the ARM/DISARM switch to the ARM/LOAD position. The machine will move automatically and arm itself ready to launch a loaded clay. - Press the FIRE button on the command cable to throw a clay.
- The machine will fire every time the FIRE button is pressed and will automatically rearm itself, until disarmed and switched off or disconnected.
Disarming the machine (Safe Mode)
- To disarm the machine push the ARM/DISARM switch upwards to the DISARM position and immediately release (long enough for the trap to fire, but not giving the machine a chance to rearm).
- Turn the ON/OFF or
switch (if fitted) to the OFF or
position and disconnect the battery.
Ensure the machine is stable on firm level ground before use.
Bolt the machine to a solid base or the Optional Trolley Base.
ALWAYS disarm the machine before any loading, adjustment or maintenance.
ALWAYS load clays from rear and ONLY if the machine is disarmed and safe.
NEVER approach the machine from the front or sides. ALWAYS from the rear.
NEVER allow children or untrained persons to approach or touch the machine.
NEVER move an armed/loaded machine. ALWAYS disarm and disconnect battery.
REMOVE the main throwing spring before Transport in a vehicle.
BE AWARE of the fall zone of both broken and unbroken clays and that a change in wind direction will affect this.
Transit Mode Procedure – Warning: Stand at rear of machine only
- Disarm the machine by flicking the ARM/DISARM switch upwards towards the DISARM position and immediately releasing (long enough for the trap to fire, but not giving the machine a chance to rearm). The Gearbox block (A rectangular block attached to the gearbox shaft) should stop in a position pointing towards the front of the machine.
- If the Gearbox block is pointing directly towards the front of the machine, push the ARM/DISARM switch momentarily in direction of DISARM/NUDGE just enough to allow the block past its forward pointing position.
- If the block has gone too far, rearm the machine and then disarm again until the desired position is achieved.
- Disconnect the battery/power source from the machine once the block is in the correct position.
- With the Gearbox block now pointing just past the forward pointing position, the throwing arm can be pushed slowly, USING THE PALM OF THE HAND ONLY,
around counter clockwise . - As the throwing arm gets to the firing position (pointing direct to the back of the machine) the spring will take over, moving the arm onto the drive bolt on the gearbox block. This will stop the arm and prevent it from firing. Further jogging should now see the arm follow the drive bolt. If not, repeat the procedure but jog the gearbox block slightly further round before pushing the arm around.
Once the arm is locked onto the drive pin disconnect the battery.
This is TRANSIT MODE the arm is now trapped between the drive bolt in one direction and locked on the one-way bearing within the trap, it cannot move or release again until power is applied and the ARM/DISARM switch operated.
ALWAYS disarm the machine before carrying out loading, adjustment or maintenance.
Adjustment: Elevation Setting Elevation angle Trajectory of clays are from approximately 26 – 50 degrees.
Loosen handwheel nut as shown, tilt to desired angle, re-tighten handwheel . 
Be aware that if machine is already tilted upwards, when the hand- wheel is subsequently undone the machine will jolt forward. Support the weight of the machine from the top of the carousel when adjusting the elevation angle.
Adjustment: Setting up knife edges The trap has been factory set to a standard Promatic clay ,however it may be necessary to re-adjust the knife edges to suit the differing thickness of clay targets from different manufacturers.
Place one clay target on the top plate of the machine and slide it half way under the two knife edges.
Using a 10mm spanner/wrench, adjust the height of the inner and outer leading edge of each blade. It is desirable to have no less than 0.5mm clearance between the underside of the knife blades and the horizontal shoulder of theclay.

ALWAYS disarm the machine before carrying out loading, adjustment or maintenance.
Adjustment: Spring Tension
Spring adjustment is always easier if the spring attachment point is at its rearmost position, this relieves the spring of a large proportion of it’s tension making adjustment much easier as well as reducing wear on the spring adjustment mechanism. To achieve this, first perform the Safe Mode Procedure (see page 5) to put the ma- chine into safe mode and then nudge forward until the throwing arm projects forward from the front of the machine. At this point stop nudging and disconnect the battery.

Decrease tension—Using the handwheel loosen spring to desired position. Hand tighten inside nut to back of frame and clamp with a further turn of the handwheel. Increase tension—Loosen handwheel one turn, then adjust the inner nut to allow the spring room to pull back. Using the handwheel tighten spring to desired position. Hand tighten inside nut to back of frame and clamp with a further turn of the handwheel.
Important: leave 30mm (1 3/16”) thread length between inside nut and spring coil. Increasing spring tension up to full length of thread will seriously detriment the performance of the machine and will cause spring damage or failure.

WARNING BEFORE ADJUSTMENT (Arm timing)
Part of this procedure requires you to work very close to the trap – before proceeding be sure you understand and have practised the procedure for putting the trap into transit mode (this can be found on page 6 of this manual) and fully understand when the trap is safe and when it is not.
Adjustment: Throwing arm timing
Perform the Safe Mode Procedure found on page 5 of this manual. To correctly time the machine, the Crank Arm must be pointing directly forwards with the bolts on the crank arm and gearbox crank touching (see diagram below). Repeat the Transit Mode Procedure until this is achieved. This is to prevent the arm firing. (If in any doubt, perform the safe mode procedure and remove the spring. Then perform the transit mode procedure). Disconnect the battery at this point. Loosen the arm clamp block and rotate the arm clockwise until the front of the yellow friction strip lines up between the centres of the two bolts to the rear of the machine. Re-tighten the arm clamp block firmly. Your trap is now correctly timed. Re-assemble if necessary and test.

Spare Parts List:
For parts not listed please call Promatic or you local dealer / service agent.

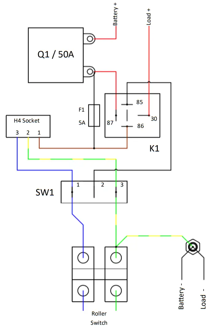
Electrical Schematics

Electrical Schematics
Use this section to help identify any faults during any electrical troubleshooting, or to assist with the wiring of components if replacing parts.
Note: The layout of the schematics do not resemble the general arrangement of the components. This layout is to make the drawings as clear as possible.
Key:
Q = Circuit Breaker
SW = Switch
K = Relay
F = Fuse
ALWAYS disarm the machine before carrying out loading, adjustment or maintenance. Ensure that the machine has been isolated from the power source before proceeding with any maintenance on the control box.
Notes:
For Service and Supplies contact your local Trap Supplier.
Follow Promatic on social media:
Subscribe to the Promatic newsletter. Browse to:
www.promatic.co.uk/Keep_In_Touch
Be sure to ask your supplier for Promatic Clays.
www.promatic.co.uk/all-products/clays ![]()
Barclay Phelps CE Marking consultants 29,5 City MA Lane, ebranar 646. Europe
CERTIFICATE & DECLARATION OF CONFORMITY FOR CE MARKING
Company contact details: Prcmatic tntemationa Ltd Station Works, Houton Road. Hooton. S Wvral, CH88 7IYF. United Kingdom
Tel +44(0)151 327 2220
Fax: 44(0)151 327 7075 e mall infeerornaticco.uk Pronatic International Ltd. declares that their: Clay Target Launchers listed as the following models EMe.ltevk.SuperhaveltHarner.Harner ABTANcOble.Eagle, Eagle Sante Hobby Merlin. Ranger 8. Osprey/Ali American Ranger, Ranger Battue. Ranger A47/Wobble. Spode( 4COTT. Sooner 40CTT ABTANoMe. Super Sponer Benue. Super Specter. Super Sporter Downhill Thrower, Super Spotter ASTANobble, Rabbit Squirrel. Ranger Chondell Chondell Rater Wobble, Huntsman. Huntsman XP. Fieldsman. Ckib Skeet. Pro Skeet Int Skeet. Olympic Trap Club 275 DTUATA. International DTUATA Pro ASTMobble. Auto Trap DTUATA/ABT/Wobble. International Doubles DTUATAANctble and Sporter Doubles OTUATANVobble are classified within the following EU Directives: Machinery Directive 2C09/42/EC Etoctromagnotc Compatbibty Directive 2004/108/EC and further conform with the following EU Harmonized Standards:
EN 12100-1 20)3+A1-2009
EN 12100-2-2003+Al2009
EN 61000-6-32007
EN 61000-6-1.2007
Dated: 19 Aga 2011
Position of signatory: Group Technical Director
Name of Signatory: Graham Stephen Far

Promatic International Ltd.
Hooton Road Hooton
South Wirral CH66 7PA
United Kingdom
Tel: +44 (0) 151 327 2220
E-mail [email protected]
Website: www.promatic.co.uk
Promatic Inc.
801, Mid America Drive,
Plattsburg. MO 64477
USA
Toll Free: 888.767.2529
Fax: 816.539.0257
E-mail: [email protected]
Website: www.promatic.biz
Merlin Version 2.2 October 2022



















