14500 LBS CAPACITY
OFF-ROAD VEHICLE WINCH
Owner’s Manual & Safety Instructions
Save This Manual Keep this manual for the safety warnings and precautions, assembly, operating, inspection, maintenance and cleaning procedures. Keep this manual and the receipt in a safe and dry place for future reference.
Email our technical support to your online seller.
When unpacking, make sure that the product is intact and undamaged. If any parts are missing or broken, contact our seller as soon as possible.

WARNING
Read this material before using this product. Failure to do so can result in serious injury. SAVE THIS MANUAL.
Specifications
| Rated Single Line Pull | 14500 lb. (6590kg.) |
| Application | Vehicle Recovery / For Trucks and SUV etc. |
| Motor | 12V DC 6.4 HP Series Wound |
| Power IN & Power OUT | Yes |
| Duty Cycle Rating | 5% (45 sec at Max Rated Load; 14 min, 15 sec Rest) |
| Pendant Controller | Wired, 12 ft (3.7m) long |
| Geartrain | 3-Stage Planetary |
| Gear Ratio | 265:1 |
| Freespool | Sliding Ring Gear |
| Braking | Auto. Load Holding |
| Drum (Dia. X L) | 2.5″ X 9.6″ (64mm X 224mm) |
| Clevis Hook | 3/8″, Replaceable with Spring-loaded Safety Latch |
| Fairlead | Aluminium Fairlead |
| Control | Remote switch |
| Sound Rating | 85 dB |
| Wire Rope Size / Type | 00.375″ X 80′ (09.5mm X 24.4m) Nominal strength=14,400 lb 00.375″ X 80′ Synthetic Winch Rope |
| Battery | 12V DC Minimum 650 CCA |
| Battery Cables | Min. 2 Gauge |
| Mounting Bolt Pattern | 10″ x 4.5″ (254mm x 114.3mm) |
| Mounting Hardware | Winch: 4x G8, M12-1.75 X 25mm Fairlead: 2x G8, M10-1.50 X 30mm Solenoid Box: 2x G8, ST-M5 X 14mm |
| Overall Dimensions (L X D X H) | 21.25″ X 6.3125″ X 10.125″ (540x160x257mm) |
| Weight | 59.5 lb. (27 kg.) |
| IP Rating | IP 66 – Winch and Controls (resistant to powerful water jets, except remote control switch) |
| Winch Certification | CE |
| Layer | Rated Line Pull | Wire Rope Capacity |
| 1 | 14500 lb (6590kg.) | 17′ (4.8m) |
| 2 | 11510 lb (5232 kg.) | 41′ (12m) |
| 3 | 9570 lb. (4350 kg.) | 71′ (21m) |
| First Layer of Wire Rope Performance | |||
| 1 | Line Pull lb. (kg.) lb. (kg.) | Line Speed fpm (mpm) | Amp Draw (@ 12V) |
| 0 (0) | (6.5) 21.3 | 65 | |
| 4000 (1818) | (2.85) 9.4 | 175 | |
| 8000 (3636) | 6.5 (2.0) | 280 | |
| (4545) 10000 | 5.8 (1.75) | 370 | |
| (6590) 14500 | 3.0 (0.91) | 430 | |
WARNING SYMBOLS AND DEFINITIONS
![]() | This is the safety alert symbol. It is used to alert you to potential personal injury hazards. Obey all safety messages that follow this symbol to avoid possible injury or death. |
| Indicates a hazardous situation which, if not avoided, will result in death or serious injury. | |
| Indicates a hazardous situation which, if not avoided, could result in death or serious injury. | |
| Indicates a hazardous situation which, if not avoided, could result in minor or moderate injury. | |
| NOTICE CAUTION | Addresses practices not related to personal injury. |
| Symbol | Property or Statement | Symbol | Property or Statement |
![]() | Wear heavy-duty, cut- and abrasion-resistant leather gloves. | ![]() | Do not use winch in overwind orientation. (Wire rope enters/exits at the top.) |
![]() | Wear ANSI-approved safety glasses. | ![]() | Use winch only in underwind orientation. (Wire rope enters/exits at the bottom.) |
![]() | Cut or sever hazard. | VDC | Volts Direct Current |
![]() | Roller entanglement hazard. | A | Amperes |
![]() | Hot surface burn hazard. | CCA | Cold Cranking Amperes |
![]() | Fire hazard. | HP | Horsepower |
![]() | Caustic chemical (acid) hazard. | fpm | Feet Per Minute |
![]() | Explosion hazard. | mpm | Meters Per Minute |
![]() | Do not loop the wire rope around object and hook onto itself. | RPM | Revolutions Per Minute |
![]() | Do not place finger(s) through hook. Fingers may be caught and get pulled into fairlead or drum. | IP | International Protection rating Classifies the degrees of protection provided against the intrusion of solid objects, dust, accidental contact, and water. |
![]() | Pull hook using strap only. | G8 | Grade 8 A fastener strength rating. |
IMPORTANT SAFETY INFORMATION
WARNING! Read all instructions. Failure to follow all instructions listed on pages 4 to 7 may result in fire, serious injury and/or DEATH.
The warnings and precautions discussed in this manual cannot cover all possible conditions and situations that may occur. It must be understood by the operator that common sense and caution are factors which cannot be built into this product, but must be supplied by the operator.
Installation Precautions

- Do not wear loose clothing or jewelry, as they can be caught in moving parts.
Non-skid footwear is recommended.
Wear restrictive hair covering to contain long hair. - Wear ANSI-approved safety goggles and heavy-duty leather work gloves during installation.
- Before installation confirm that area is clear of fuel lines, brake lines, electrical wires, gas tanks or any other component which could be damaged during drilling.
- Mounting location and hardware must support winch and load.
- Use supplied power cords and wire rope listed in manual only. Do not use thinner/longer cables or link multiple cables together.
- Do not route electrical cables near sharp edges or parts that will move or become hot.
- Ventilate area well before and while working on battery. Explosive invisible hydrogen gas can accumulate and then explode when ignited by a spark from the battery connection.
- Only connect to a clean, corrosion free battery.
- Do not lean over or come in contact with battery while making connections.
- Remove all metal jewelry before working near battery.
- Connect red wire to positive battery terminal and black wire to negative battery terminal.
- Insulate all exposed wiring and terminals after installation.
- Install winch and fairlead in underwind orientation, so that the wire rope enters and exits the winch at the bottom of the drum.
Operation Precautions

- Do not exceed load capacity. Be aware of dynamic loading! Sudden load movement may briefly create excess load causing product failure.
- Do not maintain power to the winch if the motor stalls. Verify load is within rated capacity for the wire rope layer, see Winch Specifications on page 2.
Make sure the battery is fully charged.
Use double line rigging whenever possible, see Double Line Rigging on page 11. - Wear ANSI-approved safety goggles and heavy-duty leather work gloves during operation.
- Do not disengage clutch under load.
Engage clutch before starting. - Keep clear of fairlead when operating.
Do not try to guide wire rope. - Do not place finger(s) through hook. Fingers may be caught and get pulled into fairlead or drum.
Use included strap to hold hook instead. - Place heavy rag or carpet over wire rope span 6 feet from hook to help absorb the force released if the wire rope breaks. (See Figure A.)
Figure A: Whiplash Dampening Blanket or Rug - Stay out of the direct line that the wire rope is pulling. In case it slips or breaks, it will “whiplash” along this line.
- Do not use for lifting or moving people.
- Use a spotter to assist you in assuring that it is safe to operate the winch. Make sure the spotter is out of the way of the vehicle and the wire rope before activating the winch.
- Do not use the hand crank, if equipped, to “assist” the winch.
- Do not use vehicle to pull on the Wire Rope and “assist” the winch.
- Use as intended only. Do not lift items vertically or use for aircraft purposes.
- Prevent entanglement. Do not wear loose clothing or jewelry, as they can be caught in moving parts. Non-skid footwear is recommended. Wear restrictive hair covering to contain long hair.
- Disconnect Pendant Controller before working near the Wire Rope, drum, fairlead or load, to prevent accidental starting.
- Inspect before every use; do not use if damaged or parts loose. Examine the winch for structural cracks, bends, damage, frayed or kinked wire rope, and any other conditions that may affect the safe operation of the winch. Do not use the winch even if minor damage appears. A kink permanently weakens the wire rope, even after it is straightened out; kinked wire rope can fail suddenly and must not be used.
- Keep wire rope straight to avoid kinking the wire rope. The illustrations to the right show how a kink forms.
a. This illustration shows a kink about to form. At this point the winch should be stopped and the wire rope should be straightened out to prevent kinking.
b. This wire rope is kinked. It is too late to reverse the damage at this point, the wire rope must be discarded.
It is permanently damaged and must not be used.
c. This is a kinked wire rope that has been straightened out. Even though it has been pulled straight, some wires in the wire rope are stretched, and others are severely bent,
if not broken. The unstretched wires will take more load and can fail suddenly before the rope reaches its capacity. This wire rope must be discarded and not be used.
A kink permanently weakens the wire rope, even after it is straightened out; kinked wire rope can fail suddenly and must not be used.
- Keep children and bystanders away while operating.
Distractions can cause you to lose control. - Stay alert, watch what you are doing and use common sense when operating. Do not use a winch while you are tired or under the influence of drugs, alcohol or medication.
A moment of inattention while operating winches may result in serious personal injury. - Do not overreach. Keep proper footing and balance at all times. This enables better control of the winch in unexpected situations.
- Hook onto the object using a pulling point, tow strap or chain. Do not wrap the wire rope around the object and hook onto the wire rope itself.
This can cause damage to the object being pulled, and kink or fray the wire rope. - Do not use a Recovery Strap while winching. They are designed to stretch and can suddenly whip back towards the operator during a winching operation.
- Secure load after moving.
NO LOCKING MECHANISM. - Keep at least 5 full turns of wire rope on drum. The wire rope’s connection to the drum is not intended to sustain a load, without the added support from the friction of at least 5 full turns of wire rope.
- Wrap wire rope under 500 lb. tension before use.
Otherwise, wire rope may bind during operation. - Keep clear of wire rope, hook, and load while winching. Do not step over wire rope.
Do not push sideways against wire rope under tension; wire rope might break under this load and recoil back, striking the person pushing against it or a bystander. - If wire rope begins to get entangled, stop winch immediately and release wire rope using switch.
- Do not submerge winch in water.
If winch gets submerged accidentally, it needs to be immediately disassembled, cleaned, dried and re-lubricated by a qualified technician to prevent permanent damage from corrosion. - Only winch with the winching vehicle′s transmission in neutral. Winching with a vehicle′s transmission in gear or park may damage the transmission. A vehicle′s transmission is not designed to handle that type of load.
- Do not operate the winch at extreme angles.
Do not exceed the angles shown in Figure B for a roller fairlead. For a hawse fairlead, the angle should be as close to straight as possible.
Figure B: Roller fairlead Maximum Winching Angles - If the object to be pulled must be pulled at an angle in relation to the winch, use a pulley (sold separately) and an anchor point directly in front of the winch, as shown in Figure C, to keep the Wire Rope pull straight.

- Broken strands of wire rope will be sharp.
Wear heavy-duty work gloves when handling the wire rope. Do not slide wire rope through hands, even with gloves on. - Winch motor will be hot during and after use.
Keep clear. - Do not power the hook all the way into the fairlead or winch.
- People with pacemakers should consult their physician(s) before use. Electromagnetic fields in close proximity to heart pacemaker could cause pacemaker interference or pacemaker failure.
Service Precautions

- Wear ANSI-approved safety goggles and heavy-duty leather work gloves during service.
- Disconnect power to winch and allow it to cool completely before service.
- Use supplied power cords/wire rope or cables listed in manual only. Do not use thinner/ longer cables or link multiple cables together.
- Have the winch serviced by a qualified repair person using only identical replacement parts. This will ensure that the safety of the winch is maintained.
- Maintain labels and nameplates on the winch.
These carry important safety information.
If unreadable or missing, contact online seller for a replacement - WARNING: Handling the cord on this product will expose you to lead, a chemical known to the State of California to cause cancer, and birth defects or other reproductive harm. Wash hands after handling. (California Health & Safety Code § 25249.5, et seq.)
Have the winch serviced by a qualified repair person
SAVE THESE INSTRUCTIONS.
Installation and Setup
Read the ENTIRE IMPORTANT SAFETY INFORMATION section at the beginning of this manual including all text under subheadings therein before set up or use of this product.
Mounting the Winch
- The mounting plate must be rated to at least the winch’s capacity.
- Align the winch perpendicular to center line of the vehicle at the desired location, and mark the locations of the winch base holes.
- Before drilling, verify that the installation surface has no hidden components or structural pieces that will be damaged.
NOTE: This winch can generate extreme forces.
Select a location that can withstand the rated capacity without damage or weakening. Steel reinforcement plates may be needed or a certified welder may need to weld on additional bracing depending on the mounting location. - Drill holes appropriate for the hardware at the marked locations.
- Install the winch using the hardware specified on the specification chart.
Mounting the Solenoid Assembly
- Place the Solenoid Box in a suitable place near enough to the winch to allow the cables to be routed properly.
- Mark the where the screw holes will be.
- Verify that the installation surface has no hidden components or structural pieces that will be damaged before drilling.
- Drill pilot holes for the mounting screws.
- Secure in place with mounting screws.
Wiring
WARNING
TO PREVENT SERIOUS INJURY FROM EXPLOSION DUE TO SPARKING AT THE BATTERY CONNECTION: Unplug the Pendant Connector and disconnect the Battery Cables before making other wiring connections.
TO PREVENT SERIOUS INJURY FROM LEAKING BATTERY ACID: Do not use a dirty, corroded or leaking battery. Only use a 12V automotive (or equivalent) battery, in good condition.
- Plan a route for the wiring from the point of the vehicle where the winch will be mounted, or used, to the battery. This route must be secure, out of the way of moving parts, road debris, or any possibility of being damaged by operation or maintenance of the vehicle. For example, you may wish to route the wires under the vehicle, attaching it to
the frame using suitable fasteners. Do not attach the wires to the exhaust system, drive shaft, emergency brake cable, fuel line, or any other components which may create damage the wiring through heat or motion, or create a fire hazard. - If you drill through the bumper or any part of the body to route the wires, be sure to install a rubber grommet in the hole to prevent fraying of the wires at that point.
- Route the Cables from the Solenoid to the battery and from the Solenoid to the Winch, following the precautions discussed above. See Figure E.

- Attach the Red, Black and Yellow Cables to the terminals on the Winch.
The Winch terminals are color-coded. - Positive Terminal on the battery. Attach the red Battery Cable to the
- Attach the black Battery Cable directly to the negative terminal of the battery.
- Lift the Socket Cover exposing the electrical switch connector. Insert the Pendant connector into the Socket.
Note: The attachment of the Motor Cables determines the direction of the Pendant Controller’s button.
After the unit is mounted and powered, check the direction of the Power In and Power Out on the Pendant Controller button. If you wish to change the direction on the Pendant Controller, disconnect the Battery Cables from the battery, switch the Motor Cable connections on the Motor Assembly, then reconnect the Battery Cables.
9. Disconnect the Pendant Controller when not in use.
Preparing the Wire Rope
- The wire rope must be properly coiled under tension to be able to support a load without damage.
- Uncoil the wire rope, except for 5 full wraps.
- Recoil the wire rope back into the winch under at least 500 lb. of tension.
Operation
Read the ENTIRE IMPORTANT SAFETY INFORMATION section at the beginning of this manual including all text under subheadings therein before set up or use of this product.
The instructions that follow are basic guidelines only and cannot cover all situations encountered during use. The operator and assistants must carefully plan usage to prevent accidents.
- Examine the wire rope. Do not use the winch if the wire rope is frayed, kinked or damaged.
- Fully charge the vehicle’s battery.
- Check the Winch’s electrical connections.
All connections must be tight and clean. - Put the vehicle’s transmission in Neutral.
- If the vehicle where the winch is mounted is not supposed to be moved, engage the emergency brake and block the wheels using wheel chocks.
- To pull out the wire rope, move the Clutch Handle to the Released position, shown in Figure F, slide the loop of the Hook Strap over the hook, then pull on the Hook Strap to pull out the wire rope.
WARNING! Leave at least five full turns of wire rope on the drum.
- Hook onto the object using a pulling point, tow strap, tree strap, or chain. See Figure G.

Do not wrap the wire rope around the object and hook onto the wire rope itself.
This can damage the object being pulled, and kink or fray the wire rope. - Attachment point must be centered in loop of hook and the hook’s safety clasp must be fully closed. See Figure H.

- Do not use a Recovery Strap while winching. They are designed to stretch and can suddenly whip back towards the operator during a winching operation.
- Place a heavy rag or carpet (sold separately) over the wire rope span, 6 feet from the hook to help absorb the force released if the wire rope breaks.

- Re-engage the clutch by moving the Clutch Handle to the Engaged position, shown in Figure I.
WARNING! Do not allow anyone to stand near the wire rope, or in line with the wire rope behind the winch while it is under power. If the wire rope should slip or break, it can suddenly whip back towards the winch, causing a hazard for anyone in the area. Stand well to the side while winching.
Double Line Rigging
a. A double line system should be used whenever possible. It reduces the load on the winch, allowing it to work longer with less heat buildup.
It reduces load on the winch in two ways:
• It utilizes the lower layers of wire rope that have higher capacity, and
• It halves the load on the winch through pulley action.
b. Connect the wire rope for a double line system as shown in Figure J below.
Use a pulley block (sold separately) properly rated for the load to be pulled and designed to be operated with this winch’s wire rope.
- Attach the Pendant Controller to the Socket on the Solenoid Assembly, see Figure K.

- Operate the Pendant controls briefly to ensure they work properly, see Figure L. If operation is reversed, the power cables may be connected backwards. Correct any such issue before use.

- When it is safe to do so, use the power switch on the Pendant Controller to retract the wire rope, and winch the item as desired. Do not power the hook all the way into the fairlead to prevent damage.
- Do not operate the winch at extreme angles.
Do not exceed the angles shown in Figure B for a roller fairlead. For a hawse fairlead, the angle should be as close to straight as possible.
- If the object to be pulled must be pulled at an angle in relation to the winch, use a pulley and an anchor point directly in front of the winch, as shown in Figure C, to keep the Wire Rope pull straight.

- WARNING! Stop the winch and release tension on the wire rope before moving the rag or carpet placed on it.
- Do not continue use of the winch until the battery is completely run down.
- You may wish to keep the engine running while using this winch, to continually recharge the battery.
However, exercise extreme caution when working around a running vehicle and ONLY operate a vehicle in an outdoor area.
CAUTION: Do not use the winch in a constant duty application, it is designed for INTERMITTENT USE ONLYONLONL . Keep the duration of the pulling job as short as possible. If the motor becomes very hot to the touch, stop and let it cool down for several minutes. Do not pull for more than one minute at or near the rated load. Do not maintain power to the Winch if the motor stalls. Double Line Rigging will help prevent overloading and should be used whenever practical, see Double Line Rigging on page 11. - When finished pulling the load, reverse the direction of the winch just enough to release tension on the Wire Rope so that you can unfasten the Hook from the load and reel in the Wire Rope.
Duty Cycle (Duration of Use)
![]() | Avoid damage to the Winch by not winching for more than the prescribed duty cycle time. The Duty Cycle defines the amount of time, within a 15 minute period, during which a Winch can operate at its maximum capacity without overheating. For example, this Winch with a 5% duty cycle at its maximum load must be allowed to rest for at least 14 minutes, 15 seconds after every 45 seconds of continuous operation. Failure to carefully observe duty cycle limitations can easily over-stress a Winch contributing to premature Winch failure. |
Maintenance and Servicing
Procedures not specifically explained in this manual must be performed only by a qualified technician.
WARNING
TO PREVENT SERIOUS INJUR TO PREVENT SERIOUS INJUR FROM ACCIDENTAL OPERATION:
Unplug the Pendant connector and disconnect the Battery Cables before performing any inspection, maintenance, or cleaning procedures.
TO PREVENT SERIOUS INJUR FROM WINCH FAILURE:
Do not use damaged equipment. If abnormal noise or vibration occurs, have the problem corrected before further use.
Cleaning, Maintenance, and Lubrication
- BEFORE EACH USE, inspect the general condition of the winch. Check for loose hardware, misalignment or binding of moving parts, crackedor broken parts, damaged electrical wiring, corroded or loose terminals, and any other condition that may affect its safe operation.
Examine the wire rope. Do not use the winch if the wire rope is frayed, kinked or damaged. - AFTER USE, wipe external surfaces of the winch with clean cloth.
- Lubricate the wire rope occasionally with a light oil.
- The winch’s internal mechanism is permanently lubricated. Do not open the housing.
However, if the winch is submerged, it should be opened, dried, and re-lubricated by a qualified technician as soon as possible to prevent corrosion.
Wire Rope Replacement
- Move Clutch Handle to the Released position.
- Extend the Wire Rope to its full length, noting how the existing Wire Rope is connected to the inside of the drum.
- Remove old Wire Rope and attach new assembly.
CAUTION: Do not replace with inferior
Do not replace with inferior Wire Rope.
Only use a wire rope rated to the same rating cited on the specification chart or better. - Retract Wire Rope onto Wire Rope drum being careful not to allow kinking. Refer to instructions for tensioning the wire rope under ″Preparing the Wire Rope on page 9.
- Test Electric Winch for proper operation.
Troubleshooting
| Problem | Possible Causes | Likely Solutions |
| Motor overheats. | 1.Incorrect power cords. 2.Winch running time too long. | 1.Use only supplied power cords. 2.Allow winch to cool down periodically. |
| Motor does not turn on. | 1.Switch Assembly not connected properly. 2.Loose battery cable connections. 3.Vehicle battery needs charging. 4.Solenoid malfunctioning. 5.Defective Switch Assembly. 6.Defective motor. 7.Water has entered motor. 8.Internal damage or wear. | 1.Insert Switch Assembly all the way into connector. 2.Tighten nuts on all cable connections. 3.Fully charge battery. 4.Tap solenoid to loosen contacts. Apply 12 volts to coil terminals directly. A clicking indicates proper activation. 5.Replace Switch Assembly. 6.Check for voltage at armature port with Switch pressed. If voltage is present, replace motor. 7.Allow to drain and dry. Run in short bursts without load until completely dry. 8.Have technician service winch. |
| Motor runs but Wire Rope drum does not turn. | Clutch not engaged. | Move the Clutch Handle to the Engaged position. If problem persists, a qualified technician needs to check and repair. |
| Motor runs slowly or without normal power. | 1.Insufficient current or voltage. 2.Loose or corroded battery cable connections. 3.Incorrect power cords. | 1.Battery weak, recharge. Run winch with vehicle motor running. 2.Clean, tighten, or replace. 3.Use only supplied power cords. |
| Motor runs in one direction only. | 1.Defective or stuck solenoid. 2.Defective Switch Assembly. | 1.Tap solenoid to loosen contacts. Repair or replace solenoid. 2.Replace Switch Assembly. |
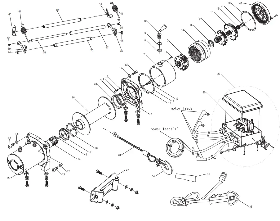
PLEASE READ THE FOLLOWING CAREFULLY
THE MANUFACTURER AND/OR DISTRIBUTOR HAS PROVIDED THE PARTS LIST AND ASSEMBLY DIAGRAM IN THIS MANUAL AS A REFERENCE TOOL ONLY. NEITHER THE MANUFACTURER OR DISTRIBUTOR MAKES ANY REPRESENTATION OR WARRANTY OF ANY KIND TO THE BUYER THAT HE OR SHE IS QUALIFIED TO MAKE ANY REPAIRS TO THE PRODUCT, OR THAT HE OR SHE IS QUALIFIED TO REPLACE ANY PARTS OF THE PRODUCT. IN FACT, THE MANUFACTURER AND/OR DISTRIBUTOR EXPRESSLY STATES THAT ALL REPAIRS AND PARTS REPLACEMENTS SHOULD BE UNDERTAKEN BY CERTIFIED AND LICENSED TECHNICIANS, AND NOT BY THE BUYER. THE BUYER ASSUMES ALL RISK AND LIABILITY ARISING OUT OF HIS OR HER REPAIRS TO THE ORIGINAL PRODUCT OR REPLACEMENT PARTS THERETO, OR ARISING OUT OF HIS OR HER INSTALLATION OF REPLACEMENT PARTS THERETO.
Record Product’s Serial Number Here:
Note: Some parts are listed and shown for illustration purposes only, Some parts are listed and shown for illustration purposes only, and are not available individually as replacement parts.
Parts List and Diagram
| Part | Description | Qty |
| 1 | Screw | 10 |
| 2 | Lock Washer | 10 |
| 3 | Nylon Bearing | 1 |
| 4 | Washer | 1 |
| 5 | Drive Shaft | 1 |
| 6 | Gear Box Base | 1 |
| 7 | Gear Box Tube | 1 |
| 8 | Clutch Handle Washer | 1 |
| 9 | Clutch Handle Washer | 1 |
| 10 | Clutch Handle | 1 |
| 11 | Clutch Retaining Bolt | 1 |
| 12 | Tie Bar Washer | 4 |
| 13 | Tie Bar Screw | 4 |
| 14 | Clutch Gear | 1 |
| 15 | Gear Carrier Asm. (Output) | 1 |
| 16 | Washer | 1 |
| 17 | Gear Carrier Asm. (Intermediate) | 1 |
| 18 | Gear Carrier Asm. (Input) | 1 |
| 19 | Sun Gear (Input) | 1 |
| 20 | Washer | 1 |
| 21 | Bearing | 1 |
| 22 | Gearbox End Cover | 1 |
| 23 | Motor | 1 |
| 24 | Brake Asm. | 1 |
| 25 | Front Tie Bar | 1 |
| 26 | Drum Asm. | 1 |
| 27 | Roller Fairlead | 1 |
| 28 | Wire Rope | 1 |
| 29 | Solenoid Box Asm. | 1 |
| 30 | Solenoid | 1 |
| 31 | webbing straps | 1 |
| 32 | Seal Kit | 1 |
| 33 | Pendant Controller | 1 |
| 34 | Clevis Hook | 1 |
| 35 | Socket Screw M6x12 | 2 |
| 36 | Left Pivot | 1 |
| 37 | Scroll Wheel | 1 |
| 38 | Roller Shaft | 1 |
| 39 | Right Pivot | 1 |
| 40 | Right Bracket | 1 |
| 41 | Tension Spring | 2 |
| 42 | Rear Tie Bar | 1 |
| 43 | Left Bracket | 1 |
| 44 | Washer | 2 |

Limited 1 Year Warranty
We make every effort to assure that its products meet high quality and durability standards, and warrants to the original purchaser that this product is free from defects in materials and workmanship for the period of 1 year from the date of purchase. This warranty does not apply to damage due directly or indirectly, to misuse, abuse, negligence or accidents, repairs or alterations outside our facilities, criminal activity, improper installation, normal wear and tear, or to lack of maintenance. We shall in no event be liable for death, injuries to persons or property, or for incidental, contingent, special or consequential damages arising from the use of our product. Some areas do not allow the exclusion or limitation of incidental or consequential damages, so the above limitation of exclusion may not apply to you. THIS WARRANTY IS EXPRESSLY IN LIEU OF ALL OTHER WARRANTIES, EXPRESS OR IMPLIED, INCLUDING THE WARRANTIES OF MERCHANTABILITY AND FITNESS.
To take advantage of this warranty, solution with the seller.
please contact the online seller you purchased from first,and reach a final










Figure A: Whiplash Dampening Blanket or Rug
b. This wire rope is kinked. It is too late to reverse the damage at this point, the wire rope must be discarded.
c. This is a kinked wire rope that has been straightened out. Even though it has been pulled straight, some wires in the wire rope are stretched, and others are severely bent,
Figure B: Roller fairlead Maximum Winching Angles



Do not wrap the wire rope around the object and hook onto the wire rope itself.

WARNING! Do not allow anyone to stand near the wire rope, or in line with the wire rope behind the winch while it is under power. If the wire rope should slip or break, it can suddenly whip back towards the winch, causing a hazard for anyone in the area. Stand well to the side while winching.





















