SQ610 Quantum Digital Thermostat
User Guide

The Quantum digital thermostat is the thermostat of the future: stylish, modern, and packed full of app-controlled features.
Easy to set up and control, this self-learning thermostat can be operated remotely via your smart device or manually through its intuitive interface.
Before you start
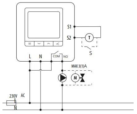
Wiring diagram
- Wiring diagram for volt-free connection (e.g. boiler control):

- Wiring diagram for 230VAC connections:

- Wiring diagram for the control box connection:


Sensor diagram

Symbols explanation:
S – Volt-free contact
T – Temperature sensor
S1, S2 Terminals:
- Quantum Air or the Quantum floor sensor
- External volt-free contact to connect any ON/OFF switch or occupancy sensor
The ideal position to mount the thermostat is 1.5m above floor level and away from heat sources.
The Quantum digital thermostat should not be exposed to sunlight or any extreme conditions (including draughts).
LCD icon description
![]()
| 1. Menu / Settings description + Clock | 11. Current temperature/setpoint temperature |
| 2. AM / PM | 12. Holiday mode |
| 3. Temperature unit | 13. Temporary override mode |
| 4. Heating indicator (animated when demand) | 14. Settings icon |
| 5. Cooling indicator (animated when demand) | 15. Status indicator |
| 6. RF connection indicator | 16. External / floor temperature sensor indicator |
| 7. Internet connection indicator | 17. Schedule program number |
| 8. Occupancy sensor | 18. Schedule mode icon |
| 9. Key lock function | 19. Day indicator / SET information |
| 10. Standby mode icon | 20. Current humidity value |
| Button | Function |
| 1) Menu button / return button. 2) On the main screen: press and hold for 3 seconds to change the thermostat operating mode (schedule mode / permanent mode / temporary override mode). 3) In the settings screen: press and hold for 3 seconds to go back without saving the changes. 4) In the pairing screen (in the system type menu): press and hold for 3 seconds to see other pairing options. | |
| “Down” button (decrease value / move the menu in the ‘down’ direction). | |
| “Up” button (increase value / move the menu in the ‘up’ direction). | |
| 1) Press and hold for 3 seconds to power up. 2) “Ok / tick” button (confirm parameter value / go to the next menu / save settings). 3) Main screen: press and hold for 3 seconds to enter standby mode. 4) Settings screen: press and hold for 3 seconds to go back to the main screen & save all your changes. 5) During the pairing process – hold the button for 3 seconds to power off or reboot the thermostat. | |
| On the main screen – press and hold these buttons together for 3 seconds to lock/unlock the thermostat keypad). |
Compatibility with other Quantum devices:
The Quantum digital thermostat can work in online or offline mode.
*Mode selection is available on first use.
Online mode
Quantum hub connected.
You can configure and use all your devices in the Salus Smart Home app.
Download the Salus Smart Home app on your iOS or Android device.

First power-up sequence
Please note: For easy installation, please make sure you have already added your other devices to the ZigBee network, such as wiring centers, etc.

Please note OFFLINE the Quantum digital thermostat can easily be added to the Continual smart home network at any time. All settings made before adding your device to the application are automatically copied to the Salus Smart Home app.
Installation in online mode
After choosing your language follow the below steps to add your device to the Salus Smart Home app and pair it with other devices:


Admin settings:
- Temperature scale
- Display temperature resolution
- Heat control algorithm
- Cool control algorithm
- S1 / S2 input
- Minimum setpoint
- Maximum setpoint
- Valve protection
- Minimum turn-off time
- Optimization feature
- Comfort warm floor
- Pin code
- Device information
- Factory reset
Schedule settings:
- Disable
- MO-FR+SA-SU
- MO-SU
- Single days
User settings:
- Time / date
- Holiday mode
- Thermostat calibration
- Show/hide display humidity
- Show/hide display floor
- Standby temperature setpoint
- Heat / cool
- Reset user settings
Operating Quantum digital thermostat
Setting temperature change (manual mode)

Setting time / date
Setting the time/date manually can only be done in offline mode. In online mode, the Quantum digital thermostat will automatically synchronize the current time and date.

Programming mode

There are 3 possible schedules to choose from.

The programming example shown is for the whole week.

After setting the program, the calendar icon will show on the display.
Holiday mode
Holiday mode will maintain a temperature setpoint for a specific amount of time.

Display humidity
The Quantum digital thermostat has a built-in hygrometer (humidity sensor).
The humidity value can be displayed or hidden.

Display floor temperature
The display floor temperature is a function available when using the Quantum floor sensor.

Reset user settings (back to default)

Short description of admin settings
Temperature scale: Set the temperature scale to Celsius or Fahrenheit.
Display temperature resolution: Determines the resolution of the displayed temperature (0.5°C or 0.1°C).
Heat control algorithm: This function defines how to control the room temperature. Choose ITLC for underfloor heating.
S1 / S2 input: An external temperature sensor or an occupancy sensor can be connected to the S1 / S2 input of the Quantum digital thermostat. Additionally, by connecting a NO type of ON / OFF voltage-free contact, you can use this input as a one-touch rules trigger (programmed in the Salus Smart Home app).
Valve protection: This function activates all actuators once a week for 5 minutes (in summer, this function helps to prevent the actuators from sticking).
Min turn-off time: Minimum switch-off time (the thermostat will not send the signal for heating more often than specified in this parameter).
Optimization feature: Optimum start and optimum stop functions are energy-saving features that make the thermostat more cost-effective (in combination with the ITCL control algorithm).
Comfort warm floor: This function helps to keep the floor warm, even if the room is warm enough and there is no need to turn on the heating. You can select 3 levels of warmth. Please note it is not an economy feature, as your heating system may be on even if there is no heating demand from the room thermostat. The comfort feature is designed to keep your floor warm all the time.
Device information: In this menu, you can check: Software version, paired devices, or also activate identification mode.
Factory reset: Here you can reset your device to factory settings. After a successful reset, the device will be removed from the ZigBee network and you will need to add/pair your device again.
Error codes
| Error code | Display description | Error description | Troubleshooting |
| 1 | TRV hardware problem. | TRV paired with thermostat – TRV hardware error. | Reinstall the TRV head or replace it. If necessary contact Conical. |
| 2 | Floor sensor overheated/overcooled. | The floor is overheated (in heating mode). The floor is overcooled (in cooling mode). | Set the heating medium temperature or change the floor sensor MAX / MIN temperature setpoint in the S1/S2 input admin setting parameter. Set the cooling medium temperature or change the floor sensor MAX / MIN temperature setpoint in the S1/S2 input admin setting parameter. |
| 3 | Floor sensor defect. | The floor sensor is broken. | If the floor sensor is connected to S1/S2 input, check the wiring. If the floor sensor is not connected, check the S1/S2 input parameters settings. |
| 4 | Floor sensor defect. | The floor sensor is shorted. | If the floor sensor is connected to S1/S2 input, check the wiring. If the floor sensor is not connected, check the S1/S2 input parameters settings. Check floor sensor wire insulation for any damages. Sensor resistance for 25°C=10kΩ. |
| 5 | Connectivity lost COORD. | The thermostat lost contact with the coordinator or the Quantum hub. | Check the coordinator / Quantum hub power supply connection. Force identification process from the coordinator / Quantum hub or thermostat. |
| 6 | Connectivity lost WC. | The thermostat lost connection with the wiring center. | Is the wiring center turned ON and Status Network LED solid? If yes, send the heating signal from the thermostat to the wiring center (change setpoint temperature). |
| 7 | Connectivity lost TRV. | The thermostat lost contact with the TRV head. | Check TRV head batteries. Send the heating signal from the thermostat and check if the TRV head is working. If the LED on the TRV head is flashing, repeat the pairing procedure with the thermostat according to the manual instructions. |
| 8 | Connectivity lost RX 1. | The thermostat has lost connection with the boiler receiver (RX1 mode). | Is the boiler receiver plugged into the power supply and the top LED is red? The Auto / Manual switch has to be set to the AUTO position. Force identification process from the coordinator / Quantum hub side and check if the devices are within the network. Send the heating signal from the thermostat. If the top LED is flashing, perform the pairing procedure according to the boiler receiver’s manual instruction. |
| 9 | Connectivity lost RX 2. | The thermostat has lost connection with the boiler receiver (RX2 mode). | Is the boiler receiver plugged into the power supply and the top LED is red? The Auto / Manual switch has to be set to AUTO position. Force identification process from the coordinator / Quantum hub side and check if the devices are within the network. Send the heating signal from the thermostat. If the top LED is flashing, perform the pairing procedure according to the boiler manual instruction. |
| 10-17. | Connectivity lost zone 1 – 8. | The wiring center has lost connection with the thermostat of the given zone: e.g. 11 = with zone 1; 12 = with zone 2 etc. Error is displayed on all thermostats. | Check the thermostat power supply. Send the heating signal from the thermostat. If necessary, reinstall the thermostat. |
| 18 | WC / CB lost connectivity. | The wiring center has lost connection with the coordinator / Quantum hub. Error is displayed on all thermostats. | Is the wiring center turned ON and the status network LED solid? Force identification process from the coordinator / Quantum hub side and check if the wiring center is within the network. If the LED of the network status is flashing, pair the wiring center with the system in accordance with the manual instruction and pair all thermostats with the wiring center. |
| 19 | WC / CB lost link boiler receiver. | The wiring center has lost connection with the boiler receiver operating in RX1 mode. Error is displayed on all thermostats. | Is the wiring center turned on? Status network LED should be solid. Force identification process from the coordinator / Quantum hub side and check if devices are within the network. If the LED of the AUTO / MANUAL receiver switch is flashing, follow the boiler receiver manual instruction for pairing. |
| 20 | Connectivity lost COORD. | TRV head has lost connection with coordinator / Quantum hub. | Check TRV head batteries (replace if necessary). Check if the coordinator/internet Quantum hub is connected to the power supply. Force identification process from the coordinator / Quantum hub side and check if devices are within the network. Send the heating signal from the thermostat. |
| 21 | TRV low battery. | Low battery level in the TRV head. | Replace the TRV head batteries. |
| 22 | Unpaired TRV within range. | TRV head’s pairing error or head is incompatible with the system. | Remove the TRV head from the system and repeat the pairing procedure with the thermostat. |
| 23 | The thermostat rejected WC. | The thermostat was rejected by the wiring center. | Perform the thermostat’s pairing procedure again. |
| 24 | Connectivity lost. | The thermostat has lost connection with the nearest 230V powered device. | Check the power supply of the nearest 230V device. If there is a problem with the RF signal range, install the ZigBee network repeater and pair the thermostat with the receiver again (wiring center, TRV head, etc.) |
| 25 – 28. | Connectivity lost zone 9 – 12. | Wiring centre has lost connection with thermostat of the given zone: e.g. 26 = with zone 9; 27 = with zone 10; 28 = with zone 11, 29 = with zone 12. Error is displayed on all thermostats. | Check the thermostat’s power supply. Send the heating signal from the thermostat. If necessary, reinstall the thermostat. |
| 29 | TRV gear defect. | TRV head has a problem with the internal gear mechanism. | Reinstall the TRV head or replace it. If necessary, contact Continual. |
| 30 | TRV failed adaptation. | Adaptation error of the TRV head assembled on the radiator valve insert. | Check assembly of the TRV head on the radiator valve insert and reinstall the TRV head. Check the compatibility of the TRV head and radiator valve insert; replace the valve insert if necessary. |
| 31 | Thermostat low battery. | The thermostat’s battery level is low (the error is displayed only in the Smart Home app). | Replace the thermostat’s batteries. |
| 32 | Connectivity lost boiler receiver | The boiler receiver has lost connection with the thermostat (the error is displayed only in the Smart Home app.) | Check the thermostat’s power supply. Force identification process from the coordinator / Quantum hub side and check if devices are within the network. Send the heating signal from the thermostat side and check if the boiler receiver is turning ON. If the top LED is lashing, perform the pairing procedure according to the boiler receiver’s manual instruction. Pair the thermostat with the boiler receiver again according to the thermostat’s manual instruction. |
Product compliance and safety
868.0-868.6MHz; <13dBm
Safety information
Use in accordance with national and EU regulations. The Quantum 39003-TSRF must be kept dry and is for indoor use only. Installation must be carried out by a qualified person in accordance with national and EU regulations. Disconnect your equipment before cleaning it with a dry cloth.
Want more information?
0937 371 045
www.continal.es























