
INSTALLATION AND
OPERATION MANUAL
APPROVED

Gas-Fired Pool
and Spa Heater
Models 264 and 404
Gas-Fired Pool and Spa Heater
WARNING: If the information is not followed exactly, a fire or explosion may result causing property damage, personal injury or death.
— Do not store or use gasoline or other flammable vapors and liquids or other combustible materials in the vicinity of this or any other appliance. To do so may result in an explosion or fire.
— WHAT TO DO IF YOU SMELL GAS
- Do not try to light any appliance.
- Do not touch any electrical switch; do not use any phone in your building.
- Immediately call your gas supplier from a neighbor’s phone. Follow the gas supplier’s instructions.
- If you cannot reach your gas supplier, call the fire department.
— Installation and service must be performed by a qualified installer, service agency or gas supplier.
This manual should be maintained in legible condition and kept adjacent to the heater or in a safe place for future reference.
Effective: 08-20-21
Replaces: 241807 Rev. 5
P/N: 241807 Rev. 6
UNCONTROLLED DOCUMENT IF PRINTED
QUICK START GUIDE
CLEARANCES
- Space required: See pages 7-9.
- Minimum and service clearances: See page 7 for the clearances table. Note that local codes prevail.
PIPING
- Pressure relief valve: See page 21 for recommended PRV orientation.
- Flow rates: See page 19.
GAS
- Distance to the regulator (pipe lengths) and gas inlet sizes: See page 19.
- Required pressure for Natural Gas: Min = 3.5″ WC (Dynamic), Max = 10.5″ WC (Static)
- Required pressure for Propane Gas: Min = 8.0″ WC (Dynamic), Max = 13″ WC (Static)
- A sediment trap is required for all installations: See page 18.
WATER CHEMISTRY
- Water chemistry requirements: See page 5.
POWER
- Supply voltage: See page 25 for acceptable input voltages.
VENTING
- Materials: See pages 13, 15, and 16.
CONTROLS INTERFACE
- Wiring diagram: See page 26.
- User interface: See page 27.
- Remote operation: See page 36.
Revision 6 reflects the following changes: Revised Figure 5 to remove 2″ x 6″ x 1/8″ Pallet” detail; the Tapcon Bolt and Washer dimension changed from “1-3/4″ to 2-1/4” and wind speed callout changed from “150 MPH” to “180 MPH”. Added Table I (Vent terminations). Added new note to Table H.
WARNINGS
Pay Attention to These Terms
| | Indicates the presence of immediate hazards which will cause severe personal injury, death, or substantial property damage if ignored. |
| Indicates the presence of hazards or unsafe practices which could cause severe personal injury, death, or substantial property damage if ignored. | |
| | Indicates the presence of hazards or unsafe practices which could cause minor personal injury or product or property damage if ignored. |
| CAUTION | CAUTION used without the warning alert symbol indicates a potentially hazardous condition that could cause minor personal injury or product or property damage if ignored. |
| NOTE | Indicates special instructions on installation, operation, or maintenance that are important but not related to personal injury hazards. |
WARNING: To minimize the possibility of improper operation, serious personal injury, fire, or damage to the heater:
- Always keep the area around the heater free of combustible materials, gasoline, and other flammable liquids and vapors.
- The heater should never be covered or have any blockage to the flow of fresh air to the heater.
WARNING: This unit contains refractory ceramic fiber (RCF) insulation in the combustion chamber. RCF, as manufactured, does not contain respirable crystalline silica. However, following sustained exposure to very high temperatures [greater than 2192°F (1200°C), the RCF can transform into crystalline silica (cristobalite). The International Agency for Research on Cancer (IARC) has classified the inhalation of crystalline silica (cristobalite) as carcinogenic to humans. When removing the burner or heat exchanger, take precautions to avoid creating airborne dust and avoid inhaling airborne fibers. When cleaning spills, use wet sweeping or High-Efficiency Particulate Air (HEPA) filtered vacuum to minimize airborne dust. Use feasible engineering controls such as local exhaust ventilation or dust collecting systems to minimize airborne dust. Wear appropriate personal protective equipment including gloves, safety glasses with side shields, and appropriate NIOSH-certified respiratory protection, to avoid inhalation of airborne dust and airborne fiber particles.
WARNING: Improper installation, adjustment, alteration, service, or maintenance can cause property damage, personal injury or loss of life. Installation and service must be performed by a qualified installer, service agency, or gas supplier.
WARNING: Gasoline, as well as other flammable materials and liquids (adhesives, solvents, etc.), and the vapors they produce, are extremely dangerous. Do not handle, use, or store gasoline or other flammable or combustible materials in the vicinity of a heater.
WARNING: Both natural gas and propane have an odorant added to aid in detecting a gas leak. Some people may not physically be able to smell or recognize this odorant. If you are unsure or unfamiliar with the smell of natural gas or propane, ask your local gas supplier. Other conditions, such as “odorant fade,” which causes the odorant to diminish in intensity, can also hide, camouflage, or otherwise make detecting a gas leak by smell more difficult.
WARNING: UL-recognized fuel gas detectors are recommended in all enclosed propane and natural gas applications wherein there is a potential for an explosive mixture of fuel gas to accumulate and their installation should be in accordance with the detector manufacturer’s recommendations and/or local laws, rules, regulations, or customs.
WARNING: Do not install within 3 feet (0.9 m) of a heat pump or an outdoor condensing unit. Strong air intake from this type of equipment can disturb the combustion process and cause damage or personal injury.
WARNING: The heater shall not be located in an area where water sprinklers, or other devices, may cause water to spray through the cabinet louvers and into the heater. This could cause internal rusting or damage electrical components, causing damage that will not be covered under the warranty.
General Safety
Elevated water temperature can be hazardous. TheU.S. Consumer Product Safety Commission has these guidelines:
- Spa water temperatures should never exceed 104°F (40°C). A temperature of 100°F (38°C) is considered safe for a healthy adult. Special caution is suggested for young children.
- Drinking alcoholic beverages before or during spa or hot tub use can cause drowsiness which could lead to unconsciousness and subsequently result in drowning.
- Pregnant Women Beware! Soaking in water over 102°F (39°C) can cause fetal damage during the first three months of pregnancy resulting in the birth of a brain-damaged or deformed child. Pregnant women should stick to the 100°F (38°C) maximum rule.
- Before entering the spa or hot tub, users should check the water temperature with an accurate thermometer; spa or hot tub thermostats may err in regulating water temperatures by as much as 4°F (2.2°C).
- Persons with a medical history of heart disease, circulatory problems, diabetes, or blood pressure problems should obtain a physician’s advice before using spas or hot tubs.
- Persons taking medications that induce drowsiness, such as tranquilizers, antihistamines, or anticoagulants, should not use spas or hot tubs.
WATER CHEMISTRY
NOTE: Corrosive water voids all warranties.
Chemical imbalance can cause severe damage to your heater and associated equipment. Maintain your water chemistry according to Table A. If the mineral content and dissolved solids in the water become too high, scale forms inside the heat exchanger tubes, reducing heater efficiency and damaging the heater. If the pH drops below 7.2, this will cause corrosion of the heat exchanger and severely damage the heater. Heat exchanger damage resulting from chemical imbalance is not covered by the warranty.
For your health and the protection of your pool equipment, it is essential that your water be chemically balanced. The following levels must be used as a guide for balanced water.
CAUTION: Free chlorine must not exceed 5 ppm which can damage the heater and is not covered under warranty.
- Occasional chemical shock dosing of the pool or spa water should not damage the heater providing the water is balanced.
- Automatic chemical dosing devices and salt chlorinators are usually more efficient in heated water, unless controlled, they can lead to excessive chlorine levels which can damage your heater.
- The check valve should be installed between the heater outlet and a chlorinator or other chemical dosing device.
- Further advice should be obtained from your pool or spa builder, accredited pool shop, or chemical supplier for the correct levels for your water.
Automatic Chlorinators and Chemical Feeders
All chemicals must be introduced and completely diluted into the pool or spa water before being circulated through the heater. Do not place sanitizing chemicals in the skimmer. High chemical concentrations will result when the pump is not running (e.g. overnight).
Chlorinators must feed downstream of the heater and have an anti-siphoning device/check valve to prevent chemical backup into the heater when the pump is shut off. See “Plumbing Diagram” on page 23.
NOTE: High chemical concentrates from feeders and chlorinators that are out of adjustment will cause rapid corrosion to the heat exchanger. Such damage is not covered under the warranty.
| Recommended Level(s) | Fiberglass Pools | Fiberglass Spas | Other Pool and Spa Types |
| Water Temperature | 68-88°F (20-31°C) | 89-104°F (31-40°C) | 68-104°F (20-40°C) |
| pH | 7.3-7.4 | 7.3-7.4 | 7.6-7.8 |
| Total Alkalinity (ppm) | 120-150 | 120-150 | 80-120 |
| Calcium Hardness (ppm) | 200-300 | 150-200 | 200-400 |
| Salt (ppm) | 4500 Maximum | 4500 Maximum | 4500 Maximum |
| Free Chlorine (ppm)* | 3-Feb | 3-Feb | 3-Feb |
| Total Dissolved Solids (ppm) | 3000 Maximum** | 3000 Maximum** | 3000 Maximum** |
*Free Chlorine MUST NOT EXCEED 5 ppm!
**In saltwater chlorinated pools, the Total Dissolved Solids (TDS) can be as high as 6000 ppm.
BEFORE INSTALLATION
Receiving Equipment
The manufacturer recommends that this manual be reviewed thoroughly before installing the pool/spa heater. If there are any questions that this manual does not answer, please contact the factory or your local representative. On receipt of your equipment, it is suggested that you visually check for external damage to the carton. If the carton is damaged, a note should be made on the Bill of Lading when signing for the equipment. Remove the heater from the carton. If it is damaged, report the damage to the carrier immediately. Save the carton. These items are shipped inside a box in the carton with the heater:
Standard Unit
- (2) 2″ CPVC Tailpiece
- (2) 2″ CPVC Ring Nut
- (2) O-rings
- (1) 120V Blower Adapter
- (1) 3-Wire Remote Harness
- (1) Auxiliary Harness
- (1) Raymote Quick Start Guide

Be sure that you receive the number of packages indicated on the Bill of Lading.
Rating and Certifications
These heaters are design-certified and tested under the latest requirements of the ANSI Z21.56 / CSA 4.7 Standard for Gas-Fired Pool Heaters. This product is also certified to SCAQMD 1146.2 and SJVAPCD Rule 4308. All heaters can be used either indoors or outdoors when appropriate venting is installed. See section “Venting” on page 13 for details. The appropriate vent cover designated for each type of use is required.
Elevation
NOTE: This product is approved up to 4,500 ft of elevation per CAN/CGA-2.17-M91.
Rated inputs are suitable for up to 4,500 feet (1371 m) elevation.
Required Power Supply
Requires 120 or 240VAC, 1 Ph, 60 Hz Power Supply. Do not operate on 50 Hz power supply.
Ambient Temperature Rating
Heater Component Temperature Ratings
-32°F to 175°F (-35°C to 79°C).
INSTALLATION
WARNING: This unit contains refractory ceramic fiber (RCF) insulation in the combustion chamber. RCF, as manufactured, does not contain respirable crystalline silica. However, following sustained exposure to very high temperatures >2192°F (1200°C), the RCF can transform into crystalline silica (cristobalite). The International Agency for Research on Cancer (IARC) has classified the inhalation of crystalline silica (cristobalite) as carcinogenic to humans.
When removing the burner or heat exchanger, take precautions to avoid creating airborne dust and avoid inhaling airborne fibers. When cleaning spills, use wet sweeping or High-Efficiency Particulate Air (HEPA) filtered vacuum to minimize airborne dust. Use feasible engineering controls such as local exhaust ventilation or dust collecting systems to minimize airborne dust. Wear appropriate personal protective equipment including gloves, safety glasses with side shields, and appropriate NIOSH-certified respiratory protection, to avoid inhalation of airborne dust and airborne fiber particles.
IMPORTANT NOTICE: These instructions are intended only for use by qualified personnel, specifically trained and experienced in the installation of this type of heating equipment and related system components. Installation and service personnel may be required by some states to be licensed. If your state is such, be sure your contractor bears the appropriate license. Persons not qualified shall not attempt to fix the equipment nor attempt repairs according to these instructions.
WARNING: Improper installation, adjustment, alteration, service, or maintenance may damage the equipment, create a hazard resulting in asphyxiation, explosion or fire, and cause damage that will not be covered under warranty.
Installation Codes
Installation must be in accordance with local codes, or, in the absence of local codes, with the latest edition of the National Fuel Gas Code, ANSI Z223.1/NFPA54 and National Electrical Code, ANSI/NFPA 70, and for Canada, the latest edition of CAN/CSA-B149 Installation Codes, and Canadian Electrical Code, CSA C22.1 Part 1 and Part 2.
Clearances
All Heaters
For indoor and outdoor clearances from combustible surfaces see Table B below.
| Location | Indoor Installation |
| Top | Unobstructed |
| Front | 0″ |
| Floor | 0″ |
| Back | 0″ |
| Right Side | 3″ (76 mm) from Panel – Water Side |
| Left Side | 3″ (76 mm) from Panel – Vented Side |
| Location | Outdoor Installation |
| Top | Unobstructed |
| Front | 0″ |
| Floor | 0″ |
| Back | 0″ |
| Right Side | 3″ (76 mm) from Panel – Water Side |
| Left Side | 6″ (152 mm) from Vent Cap |
Table B. Minimum Clearances from Combustible Surfaces
For ease of servicing, we recommend a clearance of at least 24″ (610 mm) for both the left and right side, and also the top. This will enable the heater to be serviced in its installed location, that is, without needing to move the header.
Clearances less than these may require the removal of the heater to service either the heat exchanger or the burner. In either case, the heater must be installed in a manner that will enable the heater to be serviced without removing any structure around the heater.
Flooring
This heater can be installed on combustible flooring.
Outdoor Heater Installation
These heaters are design-certified for outdoor installation when equipped with the approved vent cover designated for outdoor use.
WARNING: The heater shall not be located in an area where water sprinklers, or other devices, may cause water to spray through the cabinet louvers and into the heater. This could cause internal rusting or damage electrical components, and void the warranty.
WARNING: Do not install within 3′ (0.9 m) of a heat pump or an outdoor condensing unit. Strong air intake from this type of equipment can disturb the combustion process and cause damage or personal injury.


| U.S. Installations1 | Canadian Installations 2 | ||
| A | Clearance above grade, veranda, porch, deck, or balcony | 1′ (30 cm) | 1′ (30 cm) |
| B | Clearance to window or door that may be opened | 4′ (1.2 m) below or to the side of the opening | 3′ (91 cm) |
| C | Clearance to the permanently closed window | * | * |
| D | Vertical clearance to ventilated soffit located above the terminal within a horizontal distance of 2′ (61 cm) from the centerline of the terminal | 5′ (1.5 m) | * |
| E | Clearance to unventilated soffit | * | * |
| F | Clearance to the outside corner | * | * |
| G | Clearance to the inside corner | 6′ (1.83 m) | * |
| H | Clearance to each side of the center line extended above meter/regulator assembly | * | 3′ (91 cm) within a height 15′ (4.5 m) above the meter/ regulator assembly |
| I | Clearance to service regulator vent outlet | * | 6′ (1.83 m) |
| J | Clearance to non-mechanical air supply inlet to building or the combustion air inlet to any other appliance | 4′ (1.2 m) below or to the side of the opening; 1′ (30 cm) above the opening | 3′ (91 cm) |
| K | Clearance to mechanical air supply inlet | 3′ (91 cm) above if within 10′ (3 m) horizontally | 6′ (1.83 m) |
| L | Do not terminate above paved sidewalk or paved driveway | Slip hazard due to frozen condensate | Slip hazard due to frozen condensate |
| M | Clearance under veranda, porch, deck or balcony | * | 1′ (30 cm)t |
1 In accordance with the current ANSI Z223.1/NFPA 54 National Fuel Gas Code.
2 In accordance with the current CAN/CSA-B149 Installation Codes.
t Permitted only if the veranda, porch, deck, or balcony is fully open on a minimum of two sides beneath the floor and top of the terminal, and the underside of the veranda, porch, deck, or balcony is greater than 1′ (30 cm).
* Clearances in accordance with local installation codes and the requirements of the gas supplier.
Table C. Vent/Air Inlet Termination Clearances
| Description | Location | Distance in. (mm) |
| a. 3-1/2″ (89 mm) thick masonry walls without ventilated air space | Back | 9 (229) |
| Right | 9 (229) | |
| Left | 9 (229) | |
| Vent | 5 (127) | |
| Indoor Top | 39 (991) | |
| Outdoor Top | Unobstructed | |
| b. 1/2″ (13 mm) insulation board over 1″ (25 mm) glass fiber or mineral wool batts | Back | 6 (152) |
| Right | 6 (152) | |
| Left | 6 (152) | |
| Vent | 3 (76) | |
| Indoor Top | 30 (762) | |
| Outdoor Top | Unobstructed | |
| c. 0.024 sheet metal over 1″ (25 mm) glass fiber or mineral wool batts reinforced with wire on rear face with ventilated air space | Back | 4 (102) |
| Right | 4 (102) | |
| Left | 4 (102) | |
| Vent | 3 (76) | |
| Indoor Top | 24 (610) | |
| Outdoor Top | Unobstructed | |
| d. 3-1/2″ (89 mm) thick masonry wall with ventilated air space | Back | 6 (152) |
| Right | 6 (152) | |
| Left | 6 (152) | |
| Vent | 6 (152) | |
| Indoor Top | 39 (991) | |
| Outdoor Top | Unobstructed | |
| e. 0.024 sheet metal with ventilated air space | Back | 4 (102) |
| Right | 4 (102) | |
| Left | 4 (102) | |
| Vent | 2 (51) | |
| Indoor Top | 24 (610) | |
| Outdoor Top | Unobstructed | |
| f. 1/2″ (13 mm) thick insulation board with ventilated air space | Back | 4 (102) |
| Right | 4 (102) | |
| Left | 4 (102) | |
| Vent | 3 (76) | |
| Indoor Top | 24 (610) | |
| Outdoor Top | Unobstructed | |
| g. 0.024 sheet metal with ventilated air space over 0.024 sheet metal with ventilated air space. | Back | 4 (102) |
| Right | 4 (102) | |
| Left | 4 (102) | |
| Vent | 3 (76) | |
| Indoor Top | 24 (610) | |
| Outdoor Top | Unobstructed | |
| h. 1″ (25 mm) glass fiber or mineral wool batts sandwiched between two sheets 0.024 sheet metal with ventilated air space | Back | 4 (102) |
| Right | 4 (102) | |
| Left | 4 (102) | |
| Vent | 3 (76) | |
| Indoor Top | 24 (610) | |
| Outdoor Top | Unobstructed |
Derived from National Fuel Gas Code, Table 10.2.3
Table D. Reduction of Clearances to Protected Surfaces
Heaters must not be installed under an overhang of less than three 3′ (0.9 m) from the top of the heater. Three sides must be open in the area under the overhang. Roof water
drainage must be diverted away from the heaters installed under overhangs with the use of gutters.
For U.S. installations, the point from where the flue products exit the heater must be a minimum of 4′ (1.2 m) below, 4′ (1.2 m) horizontally from, or 1′ (0.3 m) above any door, window, or gravity inlet into any building. The top surface of the heater shall be at least 3′ (0.9 m) above any forced air inlet, or intake ducts located within 10′ (3 m) horizontally.
For Canadian installations, pool heaters shall not be installed with the top of the vent assembly within 10′ (3 m) below, or to either side, of any opening into the building. Refer to the latest revisions of CAN/CSA-B149.
A minimum of 6′ (1.8 m) is required from the heater to an inside corner wall for proper outdoor venting.
For installations in Florida and Texas, that must comply with the Florida or Texas Building Code, follow the directions shown in Figure 5 for the installation of hurricane tie-down brackets for all models.

Indoor Heater Installation
For Canada, indoor installation is restricted to an enclosure that is not occupied and does not directly communicate with an occupied area. Refer to the latest edition of CAN/
CSA-B149 for specific requirements. Locate the heater as close as is practical to a chimney or gas vent. The heater must always be vented to the outside. See the “Venting” section on page 13 for details. Minimum allowable space is shown on the nameplate.
Combustion and Ventilation Air
Indoor Units Only
The heater must have both combustion and ventilation air. The minimum requirements are listed in the latest edition of the National Fuel Gas Code (U.S. ANSI Z223.1 or Canada CAN/CSA-B149) and any local codes that may have jurisdiction. The most common approach is the “2-opening” method, with combustion air opening no more than 12″ (305 mm) from the floor and the ventilation opening no more than 12″ (305 mm) from the ceiling. For opening sizes using this method, see below.
All Air from Inside the Building:
Each opening shall have a minimum net free area as noted:
| Model | Sq. in. (m²) |
| 264 | 264 (0.17) |
| 404 | 399 (0.26) |
Table E. Opening Minimum Net Free Requirements – Indoor Air
All Air from Outdoors:
When air is supplied directly from outside the building, each opening shall have a minimum net free area as noted:
| Model | Unrestricted Opening sq. in. (m²) | Typical Screened or Louvered Opening sq. in. (m²) | Typical Screened and Louvered Opening sq. in. (m²) |
| 264 | 66 (0.04) | 99 (0.06) | 132 (0.09) |
| 404 | 100 (0.06) | 150 (0.1) | 200 (0.13) |
Table F. Opening Minimum Net Free Requirements – Outdoor Air
CAUTION: Combustion air must not be contaminated by corrosive chemical fumes which can damage the heater. Such damage will not be covered by the warranty
Direct Vent and Ducted Combustion Air Systems
If the outside air is drawn through the intake pipe directly to the unit for combustion:
- Connect combustion air to the heater by removing the screened cap on the air intake port, and sealing the combustion air duct to the existing PVC adapter. Glue or attach screws to fasten. The existing screen should be re-used at the intake end of the duct. Install the combustion air duct in accordance with Figure 11 or Figure 12 of this manual.
- Provide adequate ventilation of the space occupied by the heater(s) by an opening(s) for ventilation air at the highest practical point communicating with the outdoors.
A. In the US, the total cross-sectional area shall be at least 1 in.² of free area per 20,000 BTUH (111 mm² per kW) of total input rating of all equipment in the room when the opening is communicating directly with the outdoors or through the vertical duct(s). The total cross-sectional area shall be at least 1 in.² of free area per 10,000 BTUH (222 mm² per kW) of total input rating of all equipment in the room when the opening is communicating with the outdoors through the horizontal duct(s).
B. In Canada, there shall be permanent air supply opening(s) having a total cross-sectional area of not less than 1 in.² of free area per 30,000 BTUH (70 mm² per kW) of the total rated input. The location of the opening(s) shall not interfere with the intended purpose of the opening(s) for the ventilation air. - In cold climates, and to mitigate potential freeze-up, Raypak highly recommends the installation of a motorized sealed damper to prevent the circulation of cold air through
the heater during non-operating hours.
Florida and Texas Building Code:
Wind Speed = 180 mph 3-sec. gust
Exposure = C


WARNING: The Commonwealth of Massachusetts requires that sidewall-vented heaters, installed in every dwelling, building, or structure used in whole or in part for residential purposes, be installed using special provisions as outlined on page 49 of this manual.
| Model No. | BTUH Input (kw) | Flue Dia. in. (mm) | Water Conn. in. (mm) | Shipping Weights – lbs (kg) |
| Standard Heater | ||||
| 264 | 264 (77.4) | 4 (101.6) | 2 (51) Buttress | 135 (61.2) +20 (9) Packing |
| 404 | 399 (116.9) |
Table G. Heater Specifications and Dimensions
Venting
CAUTION: Proper installation of flue venting is critical for the safe and efficient operation of the pool heater.
General
Appliance Categories
Heaters are divided into four categories based on the pressure produced in the exhaust and the likelihood of condensate production in the vent.
Category I – A heater that operates with a non-positive vent static pressure and with a vent gas temperature that avoids excessive condensate production in the vent.
Category II – A heater that operates with a non-positive vent static pressure and with a vent gas temperature that may cause excessive condensate production in the vent.
Category III – A heater that operates with a positive vent pressure and with a vent gas temperature that avoids excessive condensate production in the vent.
Category IV – A heater that operates with a positive vent pressure and with a vent gas temperature that may cause excessive condensate production in the vent.
See Table H for appliance category requirements.
NOTE: For additional information on appliance categorization, see the ANSI Z21.13 Standard and the NFGC (U.S.), or B149 (Canada), or applicable provisions of local building codes.
WARNING: Contact the manufacturer of the vent material if there is any question about the appliance categorization and suitability of a vent material for application on a Category I vent system. Using improper venting materials can result in personal injury, death or property damage.
| Description (Terminations) | Manufacturer | Manufacturer Model Number |
| Through-the-wall | Duravent | FSTB4 |
| Horizontal Tee | Duravent | FSTT4 |
| Horizontal Tee | Z-Flex | 2SVSTTF04 |
| Wall Thimble with Damper | Duravent | PRTFSWTT4 |
| 90-degree Elbow | Z-Flex | 2SVSTEX0490 |
| D15 – Vertical Horizontal Cap | Raypak | 014289 |
Table I. Vent Terminations
| Combustion Air Supply | Exhaust Configuration | Heater Venting Category | Certified Vent Materials | Combustion Air Inlet Material |
| From Inside Building | Vertical Venting | I Fan | B-Vent Equivalent | |
| Horizontal Through-the-Wall Venting | III | UL 1738 Metallic Vent (such as AL29-4C) | ||
| From Outside Building (Direct Vent or Ducted Combustion Air) | Vertical Venting with Ducted Combustion Air | I Fan | B-Vent Equivalent | Galvanized Steel, PVC, ABS, CPVC |
| Vertical Direct Vent | III | UL 1738 Metallic Vent (such as AL29-4C) | ||
| Horizontal Direct Vent | III | UL 1738 Metallic Vent (such as AL29-4C) |
Note: For appliance, adapter use Duravent FSAAU4.
Table H. Venting Category Requirements
Support of Vent Stack
The weight of the vent stack or chimney must not rest on the heater vent connection. Support must be provided in compliance with applicable codes. The vent should also be installed to maintain proper clearances from combustible materials. Use insulated vent pipe spacers where the vent passes through combustible roofs and walls.
Vent Terminal Location
- Condensate can freeze on the vent cap. Frozen condensate on the vent cap can result in a blocked flue condition.
- Give special attention to the location of the vent termination to avoid the possibility of property damage or personal injury.
- Gases may form a white vapor plume in winter. The plume could obstruct a window view if the termination is installed near windows.
- Prevailing winds, in combination with below-freezing temperatures, can cause freezing of condensate and water/ice build-up on buildings, plants or roofs.
- The bottom of the vent terminal and the air intake shall be located at least 12 in. (305 mm) above grade, including a normal snow line.
- The un-insulated single-wall metal vent pipe shall not be used outdoors in cold climates for venting gas-fired equipment.
- Through-the-wall vents for Category II and IV appliances and non-categorized condensing appliances shall not terminate over public walkways or over an area where condensate or vapor could create a nuisance or hazard or could be detrimental to the operation of regulators, relief valves, or other equipment. Where local experience indicates that condensate is a problem with Category I and III appliances, this provision shall also apply.
- Locate and guard vent termination to prevent accidental contact by people or pets.
- DO NOT terminate the vent in the window well, stairwell, alcove, courtyard or another recessed area.
- DO NOT terminate above any door, window, or gravity air intake. Condensate can freeze, causing ice formations.
- Locate or guard the vent to prevent condensate from damaging exterior finishes. Use a rust-resistant sheet metal backing plate against brick or masonry surfaces.
- DO NOT extend the exposed vent pipe outside of the building beyond the minimum distance required for the vent termination. Condensate could freeze and block the vent pipe.
U.S. Installations
Refer to the latest edition of the National Fuel Gas Code. Vent termination requirements are as follows:
- The vent must terminate at least 4 ft (1.2 m) below, 4 ft (1.2 m) horizontally from or 12 in. (305 mm) above any door, window or gravity air inlet to the building.
- The vent must not be less than 7 ft (2.1 m) above grade when located adjacent to public walkways.
- Terminate the vent at least 3 ft (0.9 m) above any forced air inlet located within 10 ft (3.0 m).
- The vent must terminate at least 4 ft (1.2 m) horizontally, and in no case above or below, unless a 4 ft (1.2 m) horizontal distance is maintained from electric meters, gas meters, regulators, and relief equipment.
- Terminate the vent at least 6 ft (1.8 m) away from adjacent walls.
- DO NOT terminate the vent closer than 5 ft (1.5 m) below the roof overhang.
- The vent terminal requires a 12 in. (305 mm) vent terminal clearance from the wall.
- Terminate vent at least 12 in. (305 mm) above grade, including normal snow line.
- Multiple direct vent installations require a 4 ft (1.2 m) clearance between the ends of vent caps located on the same horizontal plane.
Canadian Installations
Refer to latest edition of the B149 Installation code.
A vent shall not terminate:
- Directly above a paved sidewalk or driveway which is located between two single-family dwellings and serves both dwellings.
- Less than 7 ft (2.13 m) above a paved sidewalk or paved driveway located on public property.
- Within 6 ft (1.8 m) of a mechanical air supply inlet to any building.
- Above a meter/regulator assembly within 3 ft (915 mm) horizontally of the vertical centerline of the regulator.
- Within 3 ft (0.9 m) of any gas service regulator vent outlet.
- Less than 12 in. (305 mm) above grade level.
- Within the 3 ft (915 mm) of a window or door which can be opened in any building, any non-mechanical air supply inlet to any building or the combustion air inlet of any other appliance.
- Underneath a veranda, porch or deck, unless the veranda, porch or deck is fully open on a minimum of two sides beneath the floor, and the distance between the top of the vent termination and the underside of
Venting Installation Tips
Support piping:
- horizontal runs—at least every 5 ft (1.5 m)
- vertical runs—use braces
- under or near elbows
Venting Configurations
For heaters connected to gas vents or chimneys, vent installations shall be in accordance with the NFGC (U.S.), or B149 (Canada), or applicable provisions of local building codes.
Vertical Venting (Category I) Fan-Assisted
Installation
Natural draft venting uses the natural tendency of the heated flue gases to rise until they are expelled from the top of the flue. The negative draft must be within the range of -.01 to -.08 in. WC as measured 12 in. (305 mm) above the appliance flue outlet to ensure proper operation. Vent material must be listed by a nationally recognized test agency. Double-wall Type B vent must be used to promote draft and to minimize condensation in the vent. No draft hood is required or offered. A single-acting the baro metric damper is required if the height exceeds 25 feet (7.6 m).
The connection from the appliance vent to the stack must be as direct as possible. The horizontal breaching of a vent must have an upward slope of not less than 1/4 inch per linear foot from the heater to the vent terminal. The horizontal portions of the vent shall also be supported for the design and weight of the material employed to maintain clearances and to prevent physical damage or separation of joints.
Termination
The vent terminal should be vertical and should terminate outside the building at least 2 ft (0.6 m) above the highest point of the roof that is within 8 ft (2.4 m). The vent cap should have a minimum clearance of 4 ft (1.2 m) horizontally from and in no case above or below electric meters, gas meters, regulators and relief equipment, unless a 4 ft (1.2 m) horizontal distance is maintained. The distance of the vent terminal from adjacent public walkways, adjacent buildings, open windows and building openings must be consistent with the NFGC (U.S.) or B149 (Canada). Gas vents supported only by flashing and extended above the roof more than 5 ft (1.5 m) should be securely guyed or braced to withstand snow and wind loads.
For factory approved vent termination caps, refer to the Illustrated Parts List (IPL) section of this manual. See page 65.
CAUTION: A listed vent cap terminal adequately sized, must be used to evacuate the flue products from the building.

| Model No. | Certified Vent Material | Vent Size in. (mm) | Vertical Vent Height ft (m)* | |
| Min. | Max. | |||
| 264/404 | Category I (Type B Equivalent) Fan-Assisted | 4 (101.6) | 5 (1.5) | 25 (7.6) |
Vent lengths are based on a lateral length of 2 ft (0.6 m). Refer to the latest edition of the NFGC for further details. When vertical height exceeds 25 ft (7.6 m), consult factory prior to installation.
*Subtract 12 ft (3.6 m) per elbow.
Horizontal Through-the-Wall Venting (Category III)
Installation
These installations utilize the heater’s internal blower to vent the combustion products to the outdoors. Combustion air is taken from inside the room and the vent is installed horizontally through the wall to the outdoors. Adequate combustion and ventilation air must be supplied to the equipment room in accordance with the NFGC (U.S.) or B149 (Canada). The total length of the horizontal through-the-wall flue system should not exceed 75 equivalent ft (22.86 m) in length. the horizontal run exceeds 75 equivalent ft (22.86 m), an appropriately-sized variable-speed extractor must be used. Each elbow used is equal to 12 ft (3.6 m) of straight pipe. The vent cap is not considered in the overall length of the venting system. The vent must be installed to prevent flue gas leakage. Care must be taken during assembly to ensure that all joints are sealed properly and are airtight. The vent must be installed to prevent the potential accumulation of condensate in the vent pipes. It is recommended that the vent be insulated. Insulation is required for installations in cold environments (i.e. below 40°F or 4°C). It is required that: The vent must be installed with a condensate drain located in proximity to the heater as directed by the vent manufacturer. The vent must be installed with a slight upward slope of not less than 1/4 inch per foot of horizontal run to the vent terminal.
Termination
The vent cap MUST be mounted on the exterior of the building. The vent cap cannot be installed in a well or below grade. It must be installed at least 12″ (305 mm) above ground level and above normal snow levels. The vent terminal must be located NO CLOSER than 12″ (305 mm) off the wall.
For factory approved vent termination caps, refer to the Illustrated Parts List (IPL) section of this manual. See page 65.

CAUTION: This venting system requires the installation of a condensate drain in the vent piping per the vent manufacturer’s instructions. Failure to install a condensate drain in the venting system will cause damage which will not be covered unde the warranty.
WARNING: No substitutions of flue pipe or vent cap material are allowed. Such substitutions would jeopardize the safety and health of inhabitants.
Direct Vent – Horizontal Through-the-Wall
Installation
These installations utilize the heater’s internal blower to draw combustion air from out doors and vent combustion products to the outdoors, see Table K.
NOTE: Use of B-vent on such a system does not meet direct-vent requirements.
The exhaust and intake systems must be installed to prevent the potential accumulation of condensate. It is recommended that they be insulated. Insulation is required for installations in cold environments (i.e. below 40°F (4°C).
The flue termination cap is not considered in the overall length of the venting system.
| Model No. | Certified Vent Material | Vent Size ft (m) | Maximum Vent Length ft (m)* | Combustion Air Intake Pipe Material** | Air Intake Max. Length* ft (m) 4” Ø |
| 264/404 | Category III | 4 (1.2) | 75 (22.86) | Galvanized Steel, PVC, ABS, CPVC | 75 (22.86) |
Table K. Category III Horizontal Vent & Horizontal Direct Vent
* Subtract 12 ft (3.6 m) per elbow.
** Schedule 40 in PVC or CPVC.
Care must be taken during assembly y that all joints ar sealed properly and are airtight.
The vent must be installed to prevent the potential cumulation of condensate in the vent pipes. It is rec om mended that the vent be insulated. Insulation is required for installations in cold environments (i.e., below40°F or 4°C).
For installations in extremely cold climates, it is required that:
- The vent must be installed with a slight upward slope of not more than 1/4 inch per foot of horizontal run to the vent terminal. An approved condensate trap must be installed per applicable codes.
- The air intake vent must be insulated through the length of the horizontal run.

Termination
The exhaust vent cap MUST be mounted on the exterior of the building, and cannot be installed in a well or below grade. It must be installed at least 12″ (305 mm) above ground level and above normal snow levels. The exhaust vent cap MUST NOT be installed below or closer than 3 ft (0.9 m) from the air intake. Venting any closer to the air intake will cause combustion gases to recirculate into the heater.
This type of installation can cause non-warrantable problems with components and poor operation of the heater due to the recirculation of flue products. Multiple vent caps should be installed in the same horizontal plane with a 4 ft (1.2 m) minimum clearance from the side of one vent cap to the side of the adjacent vent cap(s). See Figure 11. Combustion air supplied from outdoors must be free of particulate and chemical contaminants. To avoid a blocked flue condition, keep the vent cap clear of snow, ice, leaves,
debris, etc.
Use only the special gas vent pipes listed for use with Category III gas burning heaters, such as the AL294C stainless steel vents offered by DuraVent (www.duravent.com). Follow the vent manufacturer’s installation instructions carefully.
WARNING: No substitutions of flue pipe or vent cap material are allowed. Such substitutions would jeopardize the safety and health of inhabitants.
CAUTION: Condensate is acidic and highly corrosive.
Direct Vent—Vertical
Installation
These installations utilize the heater-mounted blower to draw combustion air from outdoors and force the heated flue products through the vent pipe under positive pressure.
The vent material must be in accordance with the above instructions for vent materials. Vent material must be listed by a nationally recognized test agency.
The connection from the appliance flue to the stack must be as direct as possible and should be the same size or larger than the vent outlet.
It is recommended that the intake vent be insulated in colder climates.
NOTE: Use of B-vent on such a system does not meet direct-vent requirements.
Termination
The flue should be vertical and should terminate outside the building at least 2 ft (0.6 m) above the highest point of the roof within 10 ft (3.0 m). The vent cap should have a minimum clearance of 4 ft (1.2 m) horizontally from and in no case above or below (unless a 4 ft (1.2 m)) horizontal distance is maintained) electric meters, gas meters, regulators and relief equipment. The distance of the vent terminal from adjacent public walkways, adjacent buildings, open windows and building openings must be consistent with the NFGC (U.S.) or B149 (Canada).
Vent pipes supported only by flashing and extended above the roof more than 5 ft (1.5 m) should be securely guyed or braced to withstand snow and wind loads. The air inlet opening MUST be installed 1 ft (305 mm) above the roof line or above normal snow levels that might obstruct combustion air flow. This dimension is critical to the correct operation of the heater and venting system and reduces the chance of blockage from snow. The vent cap must have a minimum 3 ft (0.9 m) vertical clearance from the air inlet opening.
Use only the special gas vent pipes listed for use with Category III gas burning heaters, such as the AL29-4C stainless steel vents offered by DuraVent (www.duravent.com). Pipe joints must be positively sealed. Follow the vent manufacturer’s installation instructions carefully.

WARNING: No substitutions of vent pipe or vent cap material are allowed. Such substitutions would jeopardize the safety and health of inhabitants.
Outdoor Installation
The vent cap provided with the heater is the standard venting method for outdoor installations. Care must be taken when locating the heater outdoors because the flue gases discharged from the vent cap can condense as they leave the cap. Improper location can result in damage to adjacent structures or building finishes. For maximum efficiency and safety, the following precautions must be observed:
- Periodically checthe venting system. The heater’s venting areas must never be obstructed in any way and minimum clearances must be observed to prevent restriction of combustion and ventilation air. Keep area clear and free of combustible and flammable materials.
- Do not locate adjacent to any window, door, walkway, or gravity air intake. The vent must be located a minimum of 4 ft (1.2 m) horizontally from such areas.
- Install above grade level and above normal snow levels.
- Vent terminal must be at least 3 ft (0.9 m) above any forced air inlet located within 10 ft (3.0 m).
- Adjacent brick or masonry surfaces must be protected with a rust-resistant sheet metal plate.
NOTE: Condensate can freeze on the vent cap. Frozen condensate on the vent cap can result in a blocked flue condition.
Gas Supply Connections
Gas piping must have a sediment trap ahead of the heater gas controls, and a manual shutoff valve located outside the heater jacket. All gas piping should be tested after installation in accordance with local codes.
CAUTION: The heater and its manual shutoff valve must be disconnected from the gas supply during any pressure testing of that system at test pressures in excess of 1/2 psi (3.45 kPa). Dissipate test pressure in the gas supply line before reconnecting the heater and its manual shutoff valve to gas supply line. FAILURE TO FOLLOW THIS PROCEDURE MAY DAMAGE THE GAS VALVE. OVER-PRESSURIZED GAS VALVES ARE NOT COVERED BY A WARRANTY. The heater and its gas connections shall be leak-tested before placing the appliance in operation. Use soapy water for leak test. DO NOT use an open flame.
Supply Pressure
CAUTION: Do not use Teflon tape on gas line pipe thread. Only sealant tape or a pipe compound rated for use with natural and propane gases is recommended. Apply sparingly only on male pipe ends, leaving the two end threads bare.
A minimum of 4 in. WC and a maximum of 10.5 in. WC upstream pressure under load and no-load con editions must be provided for natural gas. Required pressure for Propane Gas: Min = 8.0″ WC (Dynamic), Max = 13″ WC (Static).
Gas Pressure Regulator
The gas manifold pressure is preset to a negative -0.30″ WC. If an adjustment is needed, remove the gas valve throttle seal and turn the adjustment screw clockwise
to increase pressure or counter-clockwise
to decrease pressure. If available, the O2 must be within 4.5 – 5.5% using a calibrated combustion analyzer.

Gas Pressure Adjustment Locations

Pipe Sizing for Gas Connection
The capacities shown below are based on using SCH 40 black iron pipe. For capacities using other materials, consult local codes.
| Maximum Equivalent Pipe Length ft (m) | ||||||||
| Natural Gas 1000 BTU/FT³ 0.60 Specific Gravity @ 0.5 in. WC Pressure Drop Propane Gas 2500 BTU/FT³ 1.53 Specific Gravity @ 0.5 in WC Pressure Drop | ||||||||
| Model No. | Size 3/4″ | Size 1″ | Size 1-1/4″ | Size 1-1/2″ | ||||
| NAT | PRO | NAT | PRO | NAT | PRO | NAT | PRO | |
| 264 | 15 | 35 | 50 | 125 | 210 | 480 | 445 | |
| (4.6) | (10.7) | (12.2) | (38.1) | (64.0) | (146.3) | (135.6) | ||
| 404 | * | 15 | 20 | 55 | 95 | 225 | 215 | 280 |
| (4.6) | (8.8) | (16.8) | (29.0) | (68.6) | (65.5) | (85.3) | ||
* A 3/4″ gas line can be used for up to 5′ (1.5 m) maximum length from the gas valve in addition to the sediment trap.
Table L. Gas Pipe Sizing
Flow Rates
| Model | Pipe Size in. (mm) | Min. GPM (lpm) | Max. GPM (lpm) |
| 264/404 | 2 (50.8) | 40 (151) | 100 (379) |
* When flow rates exceed maximum GPM an external auxiliary bypass valve is required. Sethe External Bypass Valve Section on page 21 for details.
Table M. Min/Max Flow Rates

| Flow GPM (lpm) | Pressure Drop Ft. of Head (m of Head) | |
| 264 | 404 (w/Coils) | |
| 40 (151) | 7.2 (2.2) | 13.4 (4.1) |
| 50 (189) | 10.0 (3.1) | 16.5 (5.0) |
| 60 (227) | 12.6 (3.8) | 19.5 (5.9) |
| 70 (265) | 17.0 (5.2) | 23.7 (7.2) |
| 80 (303) | 24.0 (7.3) | 28.3 (8.6) |
| 90 (341) | 30.3 (9.2) | 33.2 (10.1) |
| 100 (379) | 36.0 (10.9) | 37.0 (11.3) |
Table N. Heat Exchanger Pressure Drops
NOTE: Table capacity is based on 2″ Schedule 40 piping.
High-temperature CPVC header flanges and header flange nuts are provided. If there is any possibility of backsi phoning when the pump stops, it is highly recom men dedthat a check valve (or valves) also be installed in the system. It is also recommended to have a downstream ball or gate valve to regulate heater flow and pressure. Before attaching the 2-inch unions to the inlet/Out header, make sure the O-rings are properly seated in the grooves. Use Aqualube or equivalent non-petroleum-based lubri canton the O-ring. Hand tighten the unions. Glue PVC piping directly to the unions.
ProTek Shield Assembly
This heater is equipped with a ProTek Shield Assembly located horizontally on the right side of the Inlet water connection.
This component provides protection to the heat exchanger against galvanic corrosion when properly bonded to the heat exchanger. It should be replaced when the weight of
the ProTek Shield is reduced to about 40% of the original weight (1.46 lbs.).
CAUTION: STOP the pool pump before attempting to remove ProTek Shield Assembly. Failure to do so may result in damage to ProTek Shield Assy, loss of pool water, or personal injury.
CAUTION: Do not use tools to remove (twist) the ProTek Shield Assy or the wing nut on the stud of the ProTek Shield Assy. Non-warrantable damage may occur.
Follow the steps below to replace the ProTek Shield Assy:
- Shut off the pool pump and bleed pressure from the system.
- Close isolation valves to minimize pool/spa water loss.
- Remove wing nut from bottom stud on ProTek Shield Assy.
- Remove bonding wire ring terminal frothe stud.
- Rotate ProTek Shield Assy counter-clockwise (by hand) to unscrew it from the assembly.
- Inspect/replace as necessary and reverse the above procedure to reinstall. Hand tightens only! Do not use tools.
NOTE: Make sure the O-ring is properly seated in the O-ring groove before installation.
Unitherm Governor Operation
CAUTION: The patented Unitherm Governor is a thermostatic mixing valve specifically designed to maintain n constant heater internal temperature between 120°F (49°C) and 135°F (57°C) despite continually changing flow rates from the filter and changing pool temperatures. This range is needed to reduce the amount of condensation from the fin tubes which will occur if the heater runs for any length of time below 100°F (38°C) water from the pool. It is also needed to inhibit scale formation in the tubes by maintaining temperatures well below accelerated scaling temperatures.
Internal Automatic Bypass Valve
In addition to the Unitherm Governor, a built-in auto maticbypass valve is provided in the In/Out header. While the Unitherm Governor responds to the changes in water temperature in the heater, the internal bypass valve automatically responds to changes in water pressure in the piping system. The proper amount of water flow is mainta in through the heater under varying pressures dictated by the conditions of the pump and filter.
External Auxiliary Bypass Valve
Where Required – An auxiliary bypass valve should be used when flow rates exceed 100 GPM (379 lpm). Usually,ly a high-performance pump size larger than two horsepower will exceed this flow rate. This valve is required to complement the function of the automatic bypass valve, particularly when starting the heater in winter or early spring when the spa or pool temperature is below 50°F (10°C). It also serves to eliminate needless pressure drops through the heater and accompanying reduction in the flow rate to the spa jets.
Auxiliary Bypass Valve Adjustment
To set bypass – With a clean filter, adjustment is made by feeling the inlet and outlet pipes at the heater. Outlet pipes should be slightly warmer than inlets and comfortable to the touch. If the pipe is hot, close the bypass; if cold, opethe bypass.
Pressure Relief Valve Installation
A 3/4″ NPT connection is provided in the header to the installation of a pressure relief valve (PRV). The valve shall be installed in a vertical position. The PRV can leak over time and may not operate correctly if installed in a different orientation. Do not over-tighten. Install pressure relief valve hand-tight, plus a 1/2 turn. Use the PRV kit (018936F) and Figure 23 below to properly plumb the PRV.
NOTE: To avoid water damage or scalding due to valve operation, the drain pipe must be connected to the outlet of the PRV and run to a safe place of discharge. The drain pipe must be the same size as the valve discharge connection throughout its entire length and must pitch downward from the valve. No shutoff valve shall be installed between the relief valve and the drain line. The valve levers should be tripped at least once a year to ensure that waterways are clear.
The heater requires water flow and positive pressure to fire and operate properly. It must therefore be installed downstream of the discharge side of the filter pump. See
Figure 24 and Figure 25.
A typical installation is plumbed as follows:
- The inlet side of the filter is plumbed directly to the discharge side of the filter pump;
- The outlet side of the filter is then plumbed to the inlet of the heater; and
- The outlet of the heater is plumbed to the return line to the pool or spa. The pump, filter, and heater are thus plumbed in series (Salt generators and chemical feeders must be downstream of the pool heater).
CAUTION: An additional source of heated water, e.g. a solar heating system, must be connected to the main line ahead of the heater inlet pipe in order for it to act as the primary heat source. If the primary system provides adequate heat to maintain the setpoint, the heater will not fire. Be advised that the control panel will then display sensed water temperatures downstream of the primary heating system, rather than the temperature of the water exiting the pool.
Heater must be located so that any water leaks will not damage the structure the adjacent area. CPVC or PVC pipe may be glued directly into the half-unions provided.
Plumbing Diagram
Water Connection

Water/Flue Connection Reversal
The heater is designed so that the control panel along with the top can rotate in 90-degree increments to face the user.
To rotate the top, remove the (2) knurled screws holding the jacket top to the heater as shown below. Rotate the top to the desired position and reinstall the knurled screws to retain the jacket top. See Figure 34 on page 27.
ELECTRICAL WIRING
NOTE: If it is necessary to replace any of the original wirings, use 150°C wire or its equivalent.
WARNING: The heaters are factory-wired for 240 VAC, 1Ph, 60Hz power supply. DO NOT attempt to operate at 208 VAC or below.
NOTE: Holes not utilized on jacket and control box can be used for fireman switch or auxiliary control interface.
Electrical Power Draw
CAUTION: A bonded lug is located below the junction box. Failure to ground the heater electrically could affect the heater’s electronics.
NOTE: See “Time Clock/Fireman’s Switch” on page 38 for further instructions if using a time clock/ fireman’s switch.
The Electronic Ignition Device automatically lights the burner upon a call for heat. The heater is supplied with a dual-voltage transformer for 120 VAC or 240 VAC input power hookup. When operating on 120 VAC power, units draw 1.6 amps. When operating on 240 VAC power, units draw 1.2 amps.
Transformer Wiring
120 VAC Wiring
For 120 VAC input power to the unit, connect the field supplied Black wire (L1) to the (2) Black wires from the heater. Connect the white and red/white wires to the “N” or Neutral leg of the power supply. There should be no connection to the red wire for 120 VAC operation. Attach a wire nut to the red wire.

CAUTION: The heater is prewired with a 240V connector to the blower. If the supply voltage is 120V, replace the connector with the supplied 120V (red connector). Using the wrong corresponding connector will cause electrical damage.
240 VAC Wiring
For 240 VAC input power to the unit, connect the black wires to the L1 or hot leg of the power supply. Connect the red and red/white wires to the “L2” or second hot leg of the power supply. There should be no connection to the white wire for 240 VAC operation. Attach a wire nut to the white wire.
WARNING: DO NOT attempt to operate the heater at 208 VAC.
The heater must be electrically grounded and bonded in accordance with local codes, or, in the absence of local codes, with the latest edition of the National Electrical Code, ANSI/NFPA 70. (Canada – Canadian Electrical Code, CSA C22.1, Part 1 and Part 2.)
CAUTION: If the transformer’s primary side is wired for 120 VAC and 240 VAC is applied, damage to the transformer and PC board may result. Such damages are not covered under many facturer limited warranties.
NOTE: Input power to the heater (120 or 240 VAC) can be supplied from the load (pump) side of the time clock or directly from the GFCI power source. It is preferred that full-time power be supplied to the heater from the GFCI power source and that the heater be controlled by the fireman’s switch connection or using a two or three-wire remote. If using a switched GFCI power source, the heater could display false service indicators on the display panel if the pump is turned off.
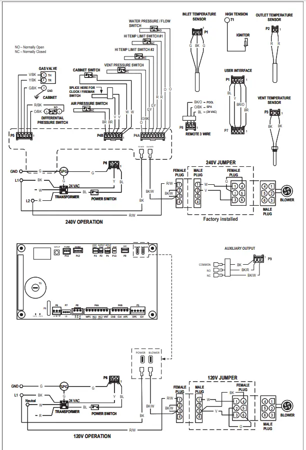
WIRING DIAGRAM

CONTROLS

Heater Top Removal
- Remove the knurled screws frothy m front and rear doors. See Figure 34. Set jacket top aside for serviceability.
- Lift top cover to detach from unit. Leave e user interface harness connected to the Ignition board.
NOTE: Caution must be used to not damage controls or wiring.
Control Adjustments
The pool heater touchpad, located on the upper front panel of the heater, allows the user to select either POOL or SPA operation, and to adjust the setpoint temperature.
The LCD display window indicates the mode (OFF, SPA, POOL) and the actual water temperature. A manual power switch provided below the touchpad turns the control power ON or OFF. See Figure 35. 
Mode Key![]()
The Mode Key is used to select POOL or SPA operation. It also allows the user to select the OFF mode of operation, during which the LCD while displaying OFF, continues to show the water temperature.
UP and DOWN Keys![]()
If the heater is in POOL or SPA mode, the desired water temperature (SETPOINT) will be displayed and may be adjusted using the UP or DOWN keys.
Operation
In the POOL or SPA modes, the actual water temperature is displayed along with the desired water temperature(SETPOINT). When the water temperature is above the setpoint, “Water Temp” will alternate with “No Demand.”When the water temperature is below the setpoint and the heater is firing, “Water Temp” will alternate with “Heating.”
To adjust the setpoint temperature, make sure the control is in the appropriate mode (POOL or SPA) and touch theUP or DOWN keys.
By default, the setpoint range is 50-104°F (10-40°C). See”Program Menu” on page 31 to increase the MAXsetting, if necessary.

Service Menus![]()
To access the Service Menu and fault history, press the SERVICE key 1 time. The heater will continue to operate while in the Service Menu.
The first screen displayed is the Flame Strength indicator, which indicates the flame current using a numerical display. A signal of less than 1.0 μA indicates a weak flame signal
and may require service. Refer to “Troubleshooting” on page 46 for possible causes and corrections.
Press the DOWN key. The Supply Voltage screen indicates the voltage supplied to the control board. Normal readings range from 24 to 30 volts.
Press the DOWN key. The “Hours” run time indicates the total hours of operation for the pool heater, as measured by the amount of time that the gas valve has been powered.
The “Cycles” count indicates the number of on/off cycles of the heater, as measured by the number of times the valve has been powered.
Press the DOWN key. The Fault History displays up to ten faults in memory. The order of the faults begins with “Last Err” which is the most recent fault and proceeds through the ten most recent messages in reverse chronological order. Run time hours at the moment of the fault are displayed at the end of line one. The second line of the display shows the fault message. If there are no faults in the history buffer, the second line reads “All Faults Clear.”
Press the Service
key again. The advanced service menu is accessed.
Inlet and Outlet Temperature
The Inlet / Outlet Temperature screen indicates the water temperature sensed in the inlet and at the outlet of the pool heater.
Vent Temperature
Press the DOWN key. The Vent Temperature screening dictates the temperature sensed in the vent.
NOTE: If the sensed flue temp exceeds 390°F (199°C), the heater will shut down on a vent temperature fault. If the sensed flue temp is less than 175°F (79°C), the unit may condense.
Flow Monitoring
Press the DOWN key. By default, the Flow Monitoring screen indicates the estimated flow whether n unit is heating. An optional flow sensor is installed, this screen can be
configured to display flow sensor readings. See page 32 to configure the Flow Sensor input.
Estimated Volume and Heat Time
Press the DOWN key. The Pool Volume and Heat Time screen indicates the estimated pool volume in gallons and heat-up time in minutes.
Press the DOWN key again. The Spa Volume and Heat Time screen indicates the estimated Spa volume in gallons and heat-up time in minutes.
Any volume equal or below 3000 gallons is considered a Spa, while any estimated volume above 3000 gallons is estimated as Pool.
NOTE: Volume and heat time estimations are based on a single heater supplying a body of water of constant volume. Multiple heaters, combined heat sources or interconnection of multiple bodies of water may cause wrong calculations.
Pump Status
Press the DOWN key. When enabled, the Pump Status screen indicates s current pump speed.
Pump Control is compatible with Raypak Variable Speed Pump.
By default, Pump Control is disabled. See page 32 to select and configure Pump Control. 
Auxiliary Output
Press the DOWN button. The Auxiliary Output screen indicates s current status of the auxiliary relay output.
Pressing SERVICE and MODE keys simultaneously for 3 seconds toggle the s output state between ON and OFF. Normally Open output rating: 10A 120V, 5A 240V Normally Closed output rating: 3A 120V, 2A 240V

Program Menu
To access the PROGRAM menu, press and hold SERVICEand MODE keys simultaneously for 5 to 7 seconds until”Language” appears on the display.
NOTE: Changes to default program configurations could affect the normal functionality of the heater.
Press the SERVICE key sequentially until the desired program event is reached. By default, there are 12 different settings that can be programmed. Additional configurations for Flow Sensor, Pump Control, and WaterChemistry are displayed when enabled. Figure 48 lists the default menus.
Language Selection
The initial display in the PROGRAM Menus is the “Language” selection.
The UP and DOWN keys will select English, Spanish or French language for all menus and Display messages.
Set Factory Defaults
Press the SERVICE key until it appears on the digital display. Press and hold SERVICE and MODE keys simultaneously for 3 to 5 seconds until “Defaults Set” appears. This operation resets the operating program to its factory default values.
Both the POOL and SPA setpoints will revert to 65°F (18°C) and both POOL and SPA maximum temperature settings will be 104°F (40°C). Language is set to English, temperature display is set to Fahrenheit, Automation Mode is enabled, Altitude to Normal, Flow monitoring is set to
Estimate, Pump Control and Water Chemistry are disabled. The Control Lockout PIN will be cleared and the control will resume normal operation. See the “Control Lockout” section on page 34.
Reset Faults
Press the SERVICE key until “Clear Faults” appears on the digital display. Press and hold SERVICE and MODE keys simultaneously for 3 to 5 seconds until “Faults Cleared”
appears. This operation resets the Fault History file to “0” and clears all the stored faults.
Temperature Display
Press the SERVICE key until “Temp Display” appears on the digital display. The UP or DOWN keys will select Fahrenheit or Celsius on the temperature display. Choose the desired temperature scale.
Spa Setpoint Maximum Adjustment
Press the SERVICE key until “Spa Max. Temp” appears on the digital display. Using the UP and DOWN keys will change the Maximum Temperature Setting to your desired value. The control can be set for a maximum of 107°F (42°C).
Pool Setpoint Maximum Adjustment
Press the SERVICE key until “Pool Max. Temp” appears on the digital display. Using the UP and DOWN keys will change the Maximum Temperature Setting to your desired value. The control can be set for a maximum of 107°F (42°C).
Wi-Fi Reset
Press the SERVICE key until “Wi-Fi Reset” appears on the digital display. Press and hold SERVICE and MODE keys simultaneously for 3 to 5 seconds until “Wi-Fi Initialized” appears. This operation resets the Wi-Fi credentials, leaving the unit ready to configure a connection with the Remote app. For details on how to connect your pool heater to Raymote, follow the instructions on page 57.
Automation Mode
Press the SERVICE key until “Automation Mode” appears on the digital display. The UP or DOWN keys will select enabled or Disabled Automation mode functionality. When the automation routine is active, the display shows an “@”at the end of Row 1.
By default, Automation Mode is enabled. For details on how to configure scheduling and automation with Raymond, refer to page 57.
Flow Monitoring
Press the SERVICE key until “Flow Monitoring” appears on the digital display. The UP or DOWN keys will select “Estimation” or “Flow Sensor” on the Flow Monitoring function. By default, Flow Monitoring is set to “Estimated”. This function estimates the flow when unit is in “Heating” status. Flow Sensor is compatible with an optional 5 VDC hall effect Flow Sensor. When Flow Sensor option is enabled, the flow sensor input (P11) translates pulse count of 1 Hz to 1 GPM. To calibrate, set a gain using the Flow Sensor Gain submenu.
Pump Control
Press the SERVICE key until “Pump Control” appears on the digital display. The UP or DOWN keys will select “Enabled” or “Disabled”. By default, Pump Mode is
Disabled.
Pump Control is compatible with Raypak RPVSP1 pump. When “Pump Control” is enabled, the speed configuration submenus are displayed. Use these submenus to set predefined pump speeds from 1 to 4.
Water Chemistry
Press the SERVICE key until “Water Chemistry” appears on the digital display. The UP or DOWN keys will select “Enabled” or “Disabled”. By default, Water Chemistry is “Disabled”.
These features are compatible with the Raypak Water Chemistry kit.
Control Lockout
The heater is equipped with a Control Lockout feature to prevent unauthorized tampering or adjustment of the control settings. To lock out the controls, press the MODEand DOWN keys simultaneously for 5-seconds. Choose a three-digit PIN, using the UP and DOWN keys to select digits and the MODE key to lock in selections. Confirm your selection and record your PIN.
To unlock the controls, press the MODE, UP or DOWN key to bring up the ENTER PIN menu. Enter the PIN that was used to lock the control. Note that power cycling will not clear the lockout. Successfully unlocking the control will display “LOCKBOX CLEARED”. Failure to enter the correct PIN will display “INVALID PIN”.
In the event that the user-selected PIN is lost or does not clear the Control Lockout, use the Program Menu to SET FACTORY DEFAULTS. This will clear the PIN and allow
normal operation and selection of a new PIN if desired. See the “Program Menu” section on page 31 for details.
NOTE: By setting FACTORY DEFAULTS, both the POOL and SPA setpoints will revert back to 65°F (18°C) and the POOL and SPA maximum temperature settings will be
104°F (40°C). These setpoints will need to be readjusted to desired settings. Other default configurations are also applied.
Keypad Lockout
After 30-minutes of inactivity, the controller will automatically lock out all User Interface keys to avoid unintended key presses. Follow the on-screen instructions to unlock keys. Press UP key 3 times, followed by the MODE key to unlocking. To lock the keypad manually, press the SERVICE, MODE and DOWN key simultaneously for 3 to 5 seconds.
Status and Diagnostics
The LCD displays a variety of status and diagnostic messages, depending on the operating conditions. The following heat status messages are displayed in Pool, Spa, and Remote modes when there are no active fault conditions.
| Display | Condition |
| No Demand | Water temperature is equal or above setpoint. |
| Pre-Purge | Call for heat established. |
| Spark | Spark operating. |
| Heating | Flame present. Unit is heating. |
| Post-Purge | The heating is terminated. Unit cool down. |
Table O. Heater Status Messages
The following conditions are displayed in Pool, Spa and remote modes when there are active fault conditions.
| Display | Condition |
| In Sensor Fault | Water Inlet thermistor temperatures disagree by more than 3°F (1.5°C). |
| In Sensor OpeThe n | The Water Inlet thermistor sensor failed open. Below 6°F (-14°C). |
| In Sensor ShorThe t | The Water Inlet thermistor sensor failed short. Above 188°F (86.5°C). |
| Out Sensor Open | The water Outlet thermistor sensor failed open. Below 6°F (-14°C). |
| Out Sensor Short | The water Outlet thermistor sensor failed short. Above 188°F (86.5°C). |
| Flue Sensor Open | The Flue temp sensor failed open. Above 464° F (240°C). |
| Flue Sensor Shrt | The Flue temp sensor failed short. Below 7.5°F (-13.5°C). |
| Flow Sensor Fail | When equipped, Flow sensor readings are out of range (0 to 100 GPM). |
| Flame w/o CFH | Board is sensing flame when gas valve is commanded shut. |
| Gas Valve Fault | Gas valve is sensed to be ON when commanded OFF. 60-min. soft lockout. |
| Pump Ctl Fail | When equipped, Pump Control is enabled but not responding to commands. |
| WChem Brd Fail | When equipped, the Chemistry board is enabled but not responding to commands. |
| Diff Sw Closed | Control is sensing Differential pressure switch closed when Fan is not commanded. |
| Diff Sw Open | Fan is commanded for 10-seconds without differential switch closing. |
| Internal Fault or EEPROM Fault | Memory fault. Reset setpoints or replace the board if the fault does not clear. |
| Clock/Fireman Sw | The time clock/fireman switch circuit is open. |
| Low Temp Lockout | Water temperature is below 36°F (2°C). |
| Low Voltage | The controller is receiving supply voltage below 17 VAC. |
The following conditions are displayed only when there is a demand for heat present.
| Display | Condition |
| Flame Lost | The flame was not detected. |
| Water Sw Open | The water pressure switches open. |
| Vent Sw Open | Vent switch #1 is open. |
| Hi Limit 1 Fault | High Temp. limit 1 open. Press s MODE key to remove e lockout. |
| Hi-Limit 2 Fault | High Temp. limit 2 open. Press s MODE key to remove e lockout. |
| Cabinet Temp Lm | Cabinet Temp. limit open. |
| Air SW Open | The Air pressure switch opens. |
| Fan Lockout | 3 air switch faults within the same heat demand cycle. Power must be cycled to clear the fault. |
| Diff Sw Fault | Different trial Pressure switch failed open. |
| Ign Try Failure | The unit failed to ignite the first or second try. |
| Ign 60 min Delay | Gas valve failed 3 times ia n single call for heat. The unit is locked out for 60-min. |
| Ignition Lockout | When available, Single-try ignition failed and Lockout. Power must be cycled to clear the fault. |
| Flue Over Temp | Flue temperature was higher than 390°F (199°C). Power must be cycled to clear the fault. |
| Remote Wire Err | While Remote mode is active, both Spa and Pool inputs are energized. |
| Outlet Over Temp | Outlet Temp was higher than 180°F (82.0°C). |
| Low Flow Fault | Low flow conditions are detected in the heater. Possible scaling. |
| High Flow Fault | High flow conditions are detected in the heater. Possible condensation. |
| Flue Low Temp | Flue temperature is below 175°F (79.5°C). Warning: Possible condensation. |
| Flue Extreme Low | Flue temperature is below 140°F (60 °C). Service required. Press MODE to remove e lockout. |
| Call Service | Fan Lockout, Ignition Lockout or Flue Extreme Low Temperature occurred 3-times in 48 hours. Contact Service support. |
Table Q. Heater Status Messages – Demand for Heat See Troubleshooting guides, on pages 47 and 48 for diagnosis.
WARNING The ability to properly perform service on this equipment requires certain expertise, mechanical skills, tools, and equipment. If you do not possess these, do not attempt to perform any service on this equipment other than those procedures recommended in this Manual.
Remote-Wired Control Installation and Operation
CAUTION: Before installing remote controls to the heaters, read the following: The Heater is remote-ready. The digital display shows the actual pool temperature, operating status, and service messages. See Figure 54. The touch keys on the control panel allow you to select the desired pool or spa temperature. It also indicates when a remote system is controlling the heater by displaying Remote in the display. When connecting the heater to a remote system, identify whether it is a two- or three-wire remote system. Select the appropriate instruction listed below to properly install the remote to the heater.
Remote-Wired Operation Selector
The heaters are equipped with the ability to work with external remote controls. The supplied 3-pin remote wiring connector supplies power out to either a toggle switch or the switch contacts of a third-party remote. The remote works by either making or breaking the circuit created by the remote wiring. Typically, a remote does not supply power to the heater, it only provides a switching function to turn the heater On or Off. If your remote is supplying its own voltage to the heater, it will not work with this heater and may damage the digital circuit board.
For the operation of the heater using the onboard thermostatic controls with a time clock see “Time Clock/Fireman’s Switch” section on page 38.
Activating the Remote
To activate or deactivate the remote function, press and hold the UP and DOWN arrow keys for 3 to 5 seconds. The second line of the display will alternate even when the unit is off (“No Demand”).
NOTE: When in remote operation, the keypad mode and temp buttons are disabled.
Remote Control Wiring
ATTENTION
OBSERVE PRECAUTIONS ELECTROSTATIC
SENSITIVE DEVICES
CAUTION: Electrostatic Discharge (ESD) damage can be caused by direct or indirect contact with the wiring or circuit board. When one walks to the heater area, an electrostatic charge accumulates on the body. Contact of a finger allows the body to discharge, possibly causing device damage. This damage can be limited if the service person discharges himself, following ESD preventive/removal practices, and holds on to the heater enclosure for 5-seconds before proceeding.
Important Installation Notes for Remote or External Wiring Configuration:
- Remote wiring must be run in a separate conduit.
- Remote wiring must not be run parallel to high voltage lines.
- For runs of under 30′ (9 m), remote wiring should have stranded conductors with a minimum of 22 AWG, 600V, cable twisting 1.5″ to 2.5″ (3.8 to 6.4 cm) lay and jacketed.
- For runs over 30′ (9 m), the conductors should be a minimum of 20 AWG, 600V, cable twisting 1.5″ to 2.5″ (3.8 to 6.4 cm) lay that is shielded and jacketed.
- The maximum cable length is 200′ (61 m).
- For both two- and three-wire remote systems, the provided 3-pin wiring connector must be utilized.
NOTE: The remote wires must be connected to the 3-pin connector before the connector is plugged into the board.
2-Wire Remote Control (On-Off)
This application assumes that only one heating function (pool or spa) is required.
- Turn on the power to the heater.
- For a 2-Wire Remote Control from a remote without its own sensor, push the MODE key to the “POOL” or “SPA” mode and set the desired setpoint (e.g.102°F (39°C) for Spa).
- For a 2-Wire Remote Control from a remote with its own sensor, push the MODE key to select “POOL” or “SPA” mode and set the temperature to the highest setting available on the control. The actual setpoint will be controlled by the remote control.
- Turn the MODE button to “OFF” and remove power from the heater.
- On the “Remote Interface Harness”, connect the BLUE wire to one side of the “REMOTE” switch and connect the other side to either the ORANGE/BLACK
wire for “SPA” operation or the BLACK/ORANGE wire for “POOL” operation. See Figure 57. - Attach wire nut on the unused wire to the “Remote Interface Harness.”
- Install the “3-wire Remote Control Harness” to the P8 connector and turn power “ON” to the heater. See Figure 57.


3-Wire Remote Control Using ThreePosition Switch (Pool-Off-Spa, or Low-OffHigh)
This application assumes that both heating functions (pool and spa) are required.
- Turn on the power to the heater.
- Push the MODE key to the “POOL” or “SPA” mode and set the desired temperature for each (e.g. 80°F (27°C) for the Pool and 102°F (39°C) for Spa).
- Turn the MODE key to “OFF” and remove power from the heater.
- On the “Remote Interface Harness” connect the BLUE wire to one side of the “REMOTE” switch and connect the ORANGE/BLACK wire for the “SPA” operation and
the BLACK/ORANGE wire for the “POOL” operation. See Figure 57. - Install the “Remote Interface Harness” to the P8 connector and turn power ON to the heater. See Figure 58.
For activation of the remote control, see “Activating the Remote” on page 36.

Time Clock/Fireman’s Switch
To operate the heater with a time clock, connect the timer to the clock/fireman’s switch connection in the heater’s wiring.
The time clock should be of the dual-switch type and set to “shut off the call for heat” to the pool heater 15 to 20 minutes prior to shutting down the pool pump. The fireman’s switch connection is located at the power junction box. Splice into the Purple wire jumper tagged “Where necessary” and add “Fireman’s switch circuit here” to connect the time clock. See Figure 59.
The fireman’s switch connection must be a dry contact and must not supply power to the heater. Powering the fireman’s switch connection externally may damage the heater, and is not covered by warranty. Do not exceed 50′ (15 m) of total wiring using 18 AWG stranded copper wire rated for 221°F (105°C) minimum.
NOTE: When using a time clock, the heater will display “Clock/Fireman Sw” when the fireman’s switch is open, indicating that the time clock has shut off the call for heat.
Water Pressure Switch
The water pressure switch ensures that the heater operates only when the filter pump is in operation. It is located on the In/Out header. It is factory-set at 1.75 PSI for deck level installation.
Water Pressure Switch Adjustment
When the heater is located below the level of the spa or pool, it may be necessary to adjust the pressure switch to compensate for the no-flow static head. If it is necessary to adjust the water pressure switch, do the following:
- Make sure the pool filter is clean before adjusting the switch.
- Set the heater control to the OFF mode.
- Turn the filter pump ON and confirm that the pressure switch is closed (use a multimeter to check). If the pressure switch fails to close, either the switch setting is too high or not enough pressure is being supplied by the filter pump.
- Turn the heater ON.
- Manually turn the pressure adjustment knob clockwise until the heater shuts off. (A flat screwdriver may be necessary the knob is too tight.)
- Slowly turn the adjustment knob counter-clockwise until the heater calls for heat again.
- Turn an additional 1/2 turn counterclockwise.
- While the heater is running, check the adjustment by turning the pump off and on several times. The burners should shut off immediately when the pump is turned off. If it does not, repeat the above steps until the proper operation is observed.

NOTE: The sheet metal access panels should be in place at all times to protect the water pressure switch from rain and other environmental factors.

NOTE: If the heater is installed outside of the limits shown, a higher-pressure rated (11 psi / 76 kPa) switch may be used. A flow switch, mounted and wired adjacent to the heater, may be used in place of the factory-mounted pressure switch. See “Illustrated Parts List” on page 65 for 11 psi / 76 kPa water pressure switch.
Two-Speed Pumps
In some cases, the flow on the low-speed is insufficient to operate the heater. This is apparent when the water pressure switch cannot be further adjusted or if the heater makes banging noises or shuts off on high limits. In these cases, the pump must be run at high speed when heating the water.
CAUTION: Do not operate the heater without the function of a properly-adjusted water pressure switch or flow switch.
Cabinet Limit Switch
Heaters are equipped with a cabinet limit switch to prevent overheating of the components inside the cabinet in case of any flue gas leakage from the combustion chamber. Itis a “manual-reset” type switch that must be reset by the service technician after making sure any leaks or damage to the unit has been fixed.
High Limits
The heater is equipped with two high limits, both are automatic and are located in the inlet/outlet header. Although both limits are preset to auto-reset, the control board will request the operator to press “mode” if either limit is tripped while the heater is running.
NOTE: An erratic high limit is often characteristic of an internal heat exchanger problem, e.g. scale build-up, or defective bypass. Refer to “Troubleshooting” on page 46.
High Limit Removal
- Shut off the main electrical power switch to the heater.
- Remove inlet/outlet sheet metal access panel.
- Remove defective high limit and replace with the correct, new high limit.
- Replace the access panel.
Adjusting Valve Manifold Pressure
- Remove the cap to gain access to the adjustment screw.
- Turn the adjustment screw clockwise to increase pressure. (For example, at -0.6″ WC turning clockwise will increase the pressure to -0.5″ WC,-0.4″ WC, etc.)
- The manifold pressure should be negative -0.30 “WC (+/- 0.20 “WC) while running. If a combustion analyzer is available, the O2 reading should be between 4.5 – 5.5% O2 while running.
- Install the cap before reading the manifold pressure.

Orifice Removal
- Locate and close the external manual shutoff valve.
- Loosen the external gas union.
- Locate and remove jacket top.
- Locate and remove the four (4) bolts & nuts holding the gas orifice in place. See Figure 65.
- Carefully remove the gas orifice and do not misplace the O-rings attached to the flanges.
- Inspect and/or replace the orifice with the correct size.

Gas and Orifice Selection
The gas orifice and the air orifice MUST match to attain the correct air/fuel ratio. The orifices are matched when the number of pockets on the side of the gas orifice is the same as the number of notches on the edge of the air orifice. The orifice selection is based on elevation, not on the fuel used. See Table R.
The gas orifice is located on the gas train, between the gas valve and the combustion blower. The air orifice is located on the inlet side of the combustion blower.
NOTE: Gas orifices for propane gas have a black oxide finish.
| Pockets / Notches | Model | Gas Type | Finish |
| 1 | 264 | Natural | None |
| 2 | 404 | ||
| 1 | 264 | Propane | Black |
| 2 | 404 |
Table R. Orifice Usage
Igniter Removal.
- Remove the top cover.
- Disconnect the spark cable from the igniter.
- Use the M10 socket, and remove the two nuts holding the igniter.
- Carefully remove the igniter and gasket.
- When replacing the igniter, be sure to add a new gasket when installing igniter.

Burner Removal
- See “Combustion Blower Removal” steps below. Must remove blower to reach the burner.
- Once the blower is removed. Use an M10 socket to remove (16) nuts holding down the burner.
Be sure to install a new gasket before installing the burner.
Combustion Blower Removal
- Shut off the main electrical power switch to the heater.
- Shut off gas upstream of the heater.
- Remove the top cover.
- Disconnect the gas line from the gas valve by unscrewing the union fitting along the gas train.
- Disconnect the supply power connector from the blower.
- Disconnect 24V power leads from the gas valve.
- Remove suction hoses from the venturi and blower.
- Use the M10 socket to remove (4) nuts from the base of the blower. Then lift and remove the blower.
Gas Valve Removal
- Shut off gas supply to the heater.
- Remove top cover.
- Unscrew the union fitting on gas train.
- Remove the 24V power leads from the gas valve.
- Remove the tracking hose from the gas valve to the venturi.
- Use a pipe wrench to hold the other end of the gas train (pipe connected to blower), while using another pipe wrench to torque the gas valve counterclockwise and remove it from the assembly. Alternatively, you can remove the gas orifice flange to access the valve gas train.
Heat Exchanger Removal
- Shut off water, gas, and power to the unit. Release any pressure in water lines. Then remove water connections to the heater.
- Remove the top cover. Disconnect power leads from the rocker switch along with the cable attached to the user interface. Then set cover aside. (*It will be easier to work on the heater with the cover totally removed but might not be necessary*).
- Perform the steps in “Combustion Blower Removal”.
- Use a Philips head screwdriver to remove screws from all jacket panels.
- Use a Philips head screwdriver to remove (8) machine screws along the side of the combustion chamber (there are 4 on each side), and the two (2) sheet metal pieces that hold the combustion box to the side panels.
- Carefully lift top combustion chamber from the base and remove it from the heater.
- Use ½” socket to remove (8) nuts from the side brackets that hold the heat exchanger onto the base (there are 2 nuts per bracket).
- Use a crescent wrench to remove the (2) water temperature sensors on the side of the main header.
- Remove the (4) wire leads connected to the high-limit switches.
- Lift the heat exchanger and remove it from the unit.
Tube Cleaning Procedure
Establish a regular inspection schedule, the frequency depending on the local water conditions and the severity of service. Do not let the tubes clog up solidly. Clean out deposits over 1/16″ (1.6 mm) in thickness.
The heater may be cleaned from the return header side, without breaking pipe connections. It is preferable, however, to remove both headers for better visibility through the tubes and to be sure the ground-up lime dust does not get into the system.
After reaming, mount the wire brush in place of the auger and clean out debris remaining in the tubes.
Another method is to remove the heat exchanger, ream tubes and immerse heat exchanger in non-inhibited de-scale solvent for severe scale build-up.
Decorating Procedure
WARNING: Soot Is Combustible. Exercise Extreme Care.
Soot will clog areas between fins and cause eventual tube failure. Any sign of soot at the base of the burners or around the outer jacket indicates a need for cleaning.
- Follow the heat exchanger removal process as shown in the “Heat Exchanger Removal” section.
- The heat exchanger has a baffle on the sides, or the bottom, depending on the model size, which has to be removed.
- Remove the heat exchanger from the unit and wash with a garden hose, making sure soot is removed from the spaces between the fins.
- Reverse the heat exchanger removal procedure to reinstall.
NOTE: In extreme cases, it may be necessary to do steam cleaning at the local car wash. DO NOT WIRE
BRUSH.
Heat Exchanger Reinstall
It is highly recommended to replace the top combustion chamber with the refractory during the heat exchanger installation process. Failing to do so can result in damage to the heater and potentially dangerous operating conditions. See Figure 70.
Unitherm Governor (U.G.) Replacement
- Shut off water, gas, and electricity, close valves, and relieve pressure.
- Drain heat exchanger.
- Remove the retainer plug located next to the outlet pipe connection.
- Unsnap old U.G. to remove from retainer plug. Snap-in new U.G.
- Reinstall retainer plug, taking care to lubricate gasket with a non-petroleum based grease such as

Figure 71. Unitherm Governor
To test the operation of the Unitherm Governor, place in hot water over 120°F (49°C), and watch for the movement against spring. If there is no movement, replace the UG.
WARNING: When removing the burners or heat exchangers, take precautions to avoid creating airborne dust and avoid inhaling airborne fibers. When cleaning spills, use wet sweeping or High-Efficiency Particulate Air (HEPA) filtered vacuum to minimize airborne dust. Use feasible engineering controls such as local exhaust ventilation or dust collecting systems to minimize airborne dust. Wear appropriate personal protective equipment including gloves, safety glasses with side shields, and appropriate NIOSH-certified respiratory protection, to avoid inhalation of airborne dust and airborne fiber particles.
OPERATING INSTRUCTIONS
Before Start-Up
Burners
Kee the heater area clear and free from combustibles, flammable liquids and chemicals. Do not obstruct the flow of combustion and ventilation air.
Water must be flowing through the heater during operation. Ensure that the system is filled with water and that the pump is operating. The heater should always have a minimum of 40 GPM (151 lpm) water flowing through it.
Start-Up Procedures
Your pool/spa heater has been designed for years of safe and reliable pool/spa water heating. It is available with electronic ignition only. This manual provides installation, the operation, maintenance, and service information for these heaters.
If your heater has been installed correctly, operating the heater is an easy task. The upper front panel of the heater contains the control center that allows you to turn the heater On or Off and adjust the temperature settings for the pool or spa. The temperature range is factory-set from 65°F (18°C) to 104°F (40°C). See Figure 72 for the location of the toggle switch to turn the heater On and Off. See the “Controls” section on page 27 for additional details about the use of the controls in the Control Adjustments subsection.
After Start-Up
Feel the inlet and outlet pipes. The outlet pipe should be only slightly warmer than the inlet. It should not be hot.
WARNING: Should overheating occur or the gas supply fail to shut off, turn off the manual gas control to the appliance.
Water Pressure Switch
A water pressure switch is provided in the heater to shut off the burners in the event that water supply is interrupted. It is very important to verify that the switch electrically opens and shuts off the gas valve when water flow to the heater is interrupted. Otherwise, rapid and severe damage will likely occur to the heater.
The water pressure switch should be checked and adjusted for proper operation by a qualified service person at the time of installation and periodically checked thereafter. Refer to “Water Pressure Switch Adjustment” on page 38.
WARNING: Operation of the heater without water circulation will cause rapid and severe damage to the heater, which will not be covered under the warranty.
OPERATING INSTRUCTIONS AND SHUTOFF PROCEDURES
FOR YOUR SAFETY READ BEFORE LIGHTING
A. This appliance does not have a pilot. It is equipped with an ignition device that automatically lights the burner. DO NOT try to light the burner by hand.
B. BEFORE OPERATING smell all around the appliance area for gas. Be sure to smell next to the floor because some gas is heavier than air and will settle on the floor.\
WHAT TO DO IF YOU SMELL GAS:
- Do not try to light any appliance.
- Do not touch any electric switch; do not use any phone in your building.
- Immediately call your gas supplier from a neighbor’s phone. Follow the gas supplier’s instructions.
- If you cannot reach your gas supplier, call the fire department.
C. Use only your hand to turn the gas control ON or OFF.
Never use tools. If you cannot change the ON/OFF setting by hand, do not try to repair it, call a qualified service technician. Force or attempted repair may result in a fire or explosion.
D. Do not use this appliance if any part has been under water. Immediately call a qualified service technician to inspect the appliance and to replace any part of the control system and any gas control which has been under water.
LIGHTING INSTRUCTIONS
- STOP! Read the safety information above on this label.
- Set the thermostat to the lowest settings.
- Turn off all electric power to the appliance.
- This appliance does not have a pilot. It is equipped with an ignition device that automatically lights the burner. Do not try to light the burner by hand.
- Remove the heater’s top panel.
- Pull toggle style switch away from you to turn gas “OFF”.
- Wait five (5) minutes to clear out any gas. Then smell for gas, including near the floor. If you smell gas STOP! Follow “B” in the safety information above on this label. If you don’t smell gas, go to the next step.
- Push the toggle switch towards you to turn the gas “ON”.
- Replace the heater door panel.
- Turn on all electric power to the appliance.
- Set the thermostat to the desired setting.
- If the appliance will not operate, follow the instructions “To Turn Off Gas To Appliance” and call your service technician or gas supplier.

TO TURN OFF GAS TO APPLIANCE
- Set the thermostat at the lowest setting.
- Turn off all the electrical power to the appliance if service is to be performed.
- Remove the heater’s top panel.
- Pull toggle style switch away from you to turn ga “OFF”.
- Replace the heater door panel.
MAINTENANCE AND CARE
WARNING: Check the heater for possible rodent nests after long periods of non-use.
Perform the following maintenance operations one year after initial start-up and then semi-annually.
- Inspect and operate all controls, gas valve and pressure relief valve (if equipped).
- On indoor heaters, clean room intake openings to ensure adequate flow of combustion and ventilation air.
CAUTION: Combustion air must not be contaminated by corrosive chemical fumes which can damage the heater. Such damage will not be covered under warranty. - Keep the area around the heater clear and free from combustible materials, gasoline and other flammable and corrosive vapors and liquids.
If Heater Will Not Fire: If you have no electrical power, it may be that your “circuit breaker” has tripped. Try resetting it.
If you have electrical power but the heater will not fire check the following or see “Troubleshooting” on page 46:
- The time clock must be in the ON position.
- Your pump strainer basket may be full. If so, remove debris.
- Your filter may be dirty. If so, backwash or clean the filter. (To tell if your filter is dirty, look to see if the filter pressure reading is higher than usual).
- The pump may have lost its prime and be running dry. Check the pressure on the filter. If there is no pressure; then you are not moving water (or your gauge is broken). Try to get the pump to run at its normal flow rate.
Cold Weather Operation
Important Freeze Information
MODERATE CLIMATE: Heater operation can continue during short-term cold spells. When temperatures are between 0°F (-18°C) and 32°F (0°C), flow (continuous pump operation) must be maintained.
CAUTION: Do not use the heater to maintain water temperatures just above freezing or for freeze protection. When n heater is used during freezing weather, care must be taken to avoid freeze-ups. Continuous pump operation is a must. Additional protection may be required. The heater is not warranted against freeze-ups.
COLD CLIMATE: Prolonged operation with water temperatures below 50°F (10°C) is not recommended. When starting the heater with water temperatures below 50°F (10°C), operate the heater continuously until higher temperatures are reached. Operating the heater for prolonged periods with pool water below 50°F (10°C) can seriously damage the heater, and is not covered by the warranty. For cold climate areas, please follow the winterizing procedures listed below.
Winterizing the Pool and Spa Heater
Heaters installed outdoors in freezing climate areas may be shut down for the winter. Observe the following procedure for winterizing the heater:
- Turn off gas valve, manual gas valve, and electrical supply to the heater.
- On the water connection, close any isolation valve to isolate the heater. Remove the lower right access panel to reveal the right side of the Inlet/Outlet header. The drain will be located underneath the header. Loosen and remove the drain plug. See Figure 74.

TROUBLESHOOTING
IMPORTANT NOTICE: These instructions are intended for the use of qualified personnel who are specifically trained and experienced in the installation of this type of heating equipment and related system components. Installation and service personnel may be required by some states to be licensed. Persons not qualified shall not attempt to install this equipment nor attempt repairs according to these instructions.
| Problem | Possible Cause | Corrective Action |
| Harmonics, or whining noise | Unitherm governor inoperative ……………. *Debris or restriction in system …………… *Debris in gas line…………………………….. Low flow…………… | Check movement by putting in hot water (above120°F [49°C] or higher) Locate the restriction and remove it. Flush system and clean Remove debris or blow out gas line Scale forming in heat exchanger – a clean heat exchanger and check pool pH and total alkalinity |
| Heater going on and off continuously | Dirty filter ………………………………………… Low water level in pool ……………………… External bypass setting out of adjustment ………………………………………. Pressure switch out of adjustment………. | Clean or replace the filter Raise water level Adjust bypass Adjust the pressure switch |
| Liming or scale forming in the exchanger | Pool water……………………………………….. Bypassing too much water ………………… Unitherm governor not functioning ……… | See Water Chemistry on page 5 Inspect bypass for movement, if no movement, replace Replace if no movement when heated |
| Sooting | High flow rates …………………………………. Unitherm governor inoperative …………… *Air starvation ………………………………….. *Improper venting …………………………….. *Insects or debris clogging burner intake ports……………………………………………….. | Replace if no movement when heated Reduce by adding manual bypass valve Adjust manual bypass valve until heater outlet water temp is between 105°F and 120°F (40°C and 49°C) Check movement by putting in hot water (above 120°F [49°C] or higher). If no movement, replace Refer to installation instructions Follow recommended installation instructions Clean burners |
| Takes too long to heat pool or spa | Under-sized heater …………………………… Filter not running long enough ……………. Dirty filter ………………………………………… Gas line or meter undersized …………….. | Calculate the heating capacity of the heater Htr. output (BTUH) Pool gallonage x 8.33 or refer to heater sizing chart This does not take into account heat loss due to weather Reset time clock Clean filter Refer to installation instructions = approx. degF rise/hr |
| Leaking at heat exchanger | Overacid …………………………………………. | Replace the heat exchanger and maintain proper water chemistry |
| Gasket brittle and leaking – (overheated) | The heater running after the pump shuts off ……. Refractory damage …………………………… Sooted heater ………………………………….. | See Pressure Switch Adjustment, See page 38. Replace refractory Determine e cause of sooting and correct |
Operation and Troubleshooting – Flow Chart WARNING: HIGH VOLTAGE
Control Logic – Flow Chart
CONNECT TO WI-FI WITH RAYMOND
Before initiating the provisioning process, make sure a reliable Wi-Fi access point is located near the unit or control room and a Wi-Fi network password is available.
Date: …………………….
Wi-Fi Network Name……………………..
(SSID): …………………………
Wi-Fi Password: …………………………..
Raymote User Registration
Sign up from your mobile device with the Remote App.
Use your email to create a new account. You’ll receive an email confirmation. See Figure 75.
NOTE: Check your email spam if you do not receive an email within 5-minutes in your inbox.
Use your email address as the Raymote user, then create a secure password. See Figure 76.
Once the user registration is complete, you can begin to add your AVIA heaters via the Raymote mobile app. See Figure 81.
Downloading the Remote Mobile App
- Download and install the Remote mobile app from Google Play (Android): or App Store (iOS): on your mobile device.
- Find the Remote mobile app icon on your device. See Figure 77.

- Open the Remote mobile app and log in with your username and password. See Figure 78.

Preparing the Unit for Connection
- Stand near the display of the AVIA unit. Press the CONNECT key. See Figure 79.

- The CONNECT menu should display the Wi-Fi State, indicating “Ready to Config” wireless connection, and also the HOTSPOT identifier. See Figure 80.

- At this point your unit is ready for connection.
NOTE: The following sections provide the instructions for Android and iPhone devices. - In the Raymote app, press the menu button located at the top left corner of the screen, then press “+ Add new device”. See Figure 81.
Add a New Device on your Android
- “Check your Device” screen will appear. Ensure to have AVIA heater powered and Wi-Fi signal available in the area, then press the “Ready” button. See Figure 82.

- Depending on your configuration, one or more devices will appear on the app. See Figure 83. Select the HOTSPOT identifier that matches the unit’s display as shown inFigure 83.

- You may be prompted to confirm the selected heater. Wait a few seconds while the Raymote app connects to your heater as shown in Figure 84.

- The “Wi-Fi setup” screen will appear. Select or enter the Wi-Fi network you want your unit to be connected to and enter the network password. See Figure 85.
NOTE: The first time you use a new phone, the Raymote mobile app will require you to grant permission to access data. See Figure 86. - Press the “Continue” button and log into the Wi-Fi network.
- The Raymote mobile app will provide the Wi-Fi network credentials to your unit. See Figure 88.

Add a New Device on your iPhone
- “Check your Device” screen will appear. Ensure to have AVIA heater powered and Wi-Fi signal available in the area, then press the “Ready” button.

- The remote app will start to scan nearby Heaters. Available heaters will be displayed.
- Press “Join” to select the displayed heater or press “Cancel” to continue searching for another heater.
NOTE: The first time you use a new phone, the Raymote mobile app will require you grant permission to access data. See Figure 91.
- The “Wi-Fi setup” screen will appear. Select or enter the Wi-Fi network you want your unit to be connected to and enter the network password. See Figure 92.

- The Raymond mobile app will provide the Wi-Fi network credentials to your unit. See Figure 93.

For iPhone 6 and Earlier Versions
- The “Wi-Fi setup” screen will appear. Select or enter the Wi-Fi network you want your unit to be connected to and enter the network password. See Figure 94.
- Press the “Continue” button.

- “Check your Device” screen will appear. Ensure to have AVIA heater powered and Wi-Fi signal available in the area, then press the “Ready” button.
NOTE: The first time you use a new phone, the Raymote mobile app will require you to grant permission to access data. See Figure 96.
- Press the “Go to Settings” button on the “Choose your Device” screen. See Figure 97.

- On the top left corner of the screen, press the “Settings” button to go the Settings menu. See Figure 98.

- Select the Wi-Fi network on the Settings menu. See Figure 99.

- Select the HOTSPOT identifier that matches the unit’s Touchscreen as shown in Figure 100.

- A notification tab will confirm that iPhone is now connected to the unit. Press the notification tab or manually go back to the Remote mobile iPhone app to continue. See Figure 101.

- The Raymond mobile app will provide the Wi-Fi network credentials to your unit. See Figure 102.

Configure your Device
- Your device is now connected to Wi-Fi. You can change the name of your device here. See Figure 103.

- Press the “Set up as new” button to enter new identification and service information. Press the “Apply recently used profile” button to use the information already provided. See Figure 104.

- During device configuration, basic reference information about the unit will be requested, including service provider, site location, Pool, and Spa size. See Figure 105.
NOTE: This information can be added at any time, and it is highly recommended to provide as much detail as possible to facilitate ease of use and customer service.
After completing the Raymote configuration, the unit will start broadcasting data to the Raymote cloud.
REMOTE MOBILE APP
Raymote Mobile App Navigation
- Open Remote and Sign up or Log in. See Figure 106.
- Once Raymond App is opened, click on top left icon. See Figure 107.
- the Main menu will appear to choose from options to view. Figure 108.
A. My Profile (i.e. Name, email, and time zone)
B. Heater “organization” name – Click to switch to another organization (if available)
C. Settings (alerts and notification preference selection)
D. Help and Support link
E. About Raymote App
F. Session Log Out from Raymote App


Heater Selector
All registered Raypak heaters are listed on this screen as titles with the name of the unit and a quick overview of unit operation. By pressing one of the blocks, users can access that unit’s information and can adjust some of its parameters. See Figure 109.
At the bottom of the welcome screen is the notification access point. By pressing this icon, users can access a summary of alerts and events for a given time frame, for all the registered units. See Figure 110.
Alerts, events and diagnostic notifications are listed, in different colors for easy identification.
- Green – Device online
- Blue – OTA (Over The Air) update performed
- Yellow – Diagnostic warning
- Black – Device offline
- Red – Faults and Warnings notifications
Each event can be selected to provide quick access to the mobile view page of the unit that presented the incident.
Remote Automation
Remote automation offers the ability to select heater functions and customize a specific condition that could trigger a notification, or a control command like “operation mode” or “set point”, programmed by schedule or triggered by a user-defined condition. See Figure 111 and Figure 112.

Pool-Spa Mode Screen
The Mode Screen contains the main controls for the heater. Operation mode and setpoint can be selected from this screen.
This screen also provides the water temperature sensed by the heater, as well as its current operation status. See Figure 113.
NOTE: When OFF is selected, the setpoint slider is disabled.
NOTE: When unit is controlled with wired remote control, the operation options OFF, Pool and Spa are disabled in the App.
Accessories Screen
The accessories screen includes the auxiliary and extended heater controls in the Remote mobile app. These controls allow users to command an Auxiliary relay that can be wired to turn on and off a pump, lights or water features. When the unit is equipped with a Water Chemistry board, up to 3 auxiliary outputs can be controlled.
This screen also provides control to Raypak Protege variable speed pump when connected to the heater. See Figure 114.
WARNING: Only authorized users have access to remotely control the heater, do not provide credentials to unauthorized users.
WARNING: Check the “Auxiliary Output Control” section for details of the wiring and rating of the built-in auxiliary relay. Some controls are application dependent and may not be available on all units. When control or set of controls are not available, these will be grayed out.
Remote controls will reflect the actual status of the value on the local unit. When a change is applied to any control item, the position of the selector will reflect the confirmation value of the setting. See Figure 114.
Reset Wi-Fi Credentials
Resetting the Wi-Fi is useful when the heater is trying to connect to a Wi-Fi signal that is not available or has been changed.
NOTE: After resetting Wi-Fi credentials, the heater needs to be manually connected again to Wi-Fi to work with Raymond features. Ensure to reconnect as an existing unit in the Raymote app or add it as a new device.
- Press and hold the CONNECT key for 5 to 10 seconds.

- The Display shows “Reset Wi-Fi?” in the top row and “No” in the second row.
- To cancel and exit, press MODE.

- To proceed with reset, press UP key.
- Second row now shows “Yes”.

- Now press Mode key to reset.
- “Wi-Fi Initialized” message is displayed.

Reconnect to Wi-Fi
Follow the next steps to reconnect a Heater already registered in Raymond, to a new Wi-Fi network or after a change of Wi-Fi password.
- Select the device that needs to be reconfigured.

- Press the 3-dots button on the top-right corner to open the Configuration screen.


- In the “Actions” menu, select the option “Reconfigure”.

- Now, standing near the heater, confirm device readiness and proceed with Wi-Fi configuration.


- Wait a few seconds while the heater identifier is detected.
- Select the Device Identifier to continue.

- When ready, press Continue.

- After this, Raymond will send the Wi-Fi configuration to the Heater.


AUXILIARY CONTROL OUTPUT
The AVIA heater offers an integrated dry contact relay for local and remote control of ON/OFF devices like Pumps, Water features, valves and lights.
Auxiliary output is available in terminal P9 “AUX”. Use the supplied harness to control ON/OFF functions or power switching.

AUX terminal can be used as direct control or as pilot relay to a higher rating relay or power contactor. Table S describes Auxiliary output terminals and ratings.
| Terminal | Wire | AC Rating | DC Rating |
| Common | Black | 250V Max, 3A | 30V Max, 3A |
| Normally Open | Black and Red | ||
| Normally Open | Black and Red |
Table S. Auxiliary Terminals and Ratings
CAUTION: Do not exceed the Auxiliary relay rating. Check the power requirements of any electric component connected to this device, following the applicable installation norms and requirements.
Use the knockout holes located next to the water inlet panel to route the Auxiliary harness inside the cabinet to the controller board. See Figure 131.
It is recommended to use a liquid tight cord grip inserted in the 0.875-inch diameter knockout hole for better sealing.
REPLACEMENT PARTS
NOTE: To supply you with the correct part, it is important that you supply the heater model number, serial number and type of gas when applicable.
Any part returned for the replacement under standard company warranties must be properly tagged with a return parts tag, completely filled in with the heater serial number, model number, etc., and shipped to the Company freight prepaid. If determined defective by the Company and within warranty, a like part or equal substitution will be returned,
freight collect. Credit will not be issued.
MANUFACTURER:
Av. New York 207, Parque Industrial Oradel, C.P. 88285 Nuevo Laredo Tamps. Mexico
ILLUSTRATED PARTS LIST






| CALL OUT | DESCRIPTION | 264A | 404A |
| B | BURNER | ||
| 1-B | Kit-Burner | 018873F | 018873F |
| 2-B | Kit-Burner Gasket | 018878F | 018878F |
| C | CONTROLS | ||
| 1-C | Kit-Temp Sensor Limit | 018853F | 018853F |
| 2-C | Kit-Ignition Board | 018857F | 018933F |
| 3-C | Kit-Transformer 120/240/24V | 018858F | 018858F |
| 4-C | Kit-Pressure Vent | 018928F | 018928F |
| 5-C | Kit-Pressure Air | 018929F | 018929F |
| 6-C | Kit-Pressure Differential | 018930F | 018931F |
| 7-C | Kit-Temperature Inlet Sensor | 019042F | 019042F |
| 8-C | Kit-Temperature Outlet Sensor | 019043F | 019043F |
| 9-C | Kit-High Limit 2-HL2-Surface Mount | 019044F | 019044F |
| 10-C | Kit-High Limit 1-HL1-Surface Mount | 019045F | 019045F |
| 11-C | Kit-Temperature Vent Sensor | 019046F | 019046F |
| F | FAN | ||
| 1-F | Kit-Blower Comb Air | 018865F | 018961F |
| 2-F | Kit-Blower Gasket | 018898F | 018898F |
| G | GAS VALVE | ||
| 1-G | Blower/Gas Train Assy | ||
| Kit-Blower/Gas Train Natural (0-4500 Ft) | 018861F | 018862F | |
| Kit-Blower/Gas Train Propane (0-4500 Ft) | 018863F | 018864F | |
| 2-G | Gas Orifice | ||
| Kit-Gas Orifice Natural (0-4500 Ft) | 018866F | 018867F | |
| Kit-Gas Orifice Propane (0-4500 Ft) | 018868F | 018869F | |
| 3-G | Kit-Gas Valve w/ Gas Line Half | 018870F | 018870F |
| 4-G | Kit-Gas Line End | 018871F | 018871F |
| 5-G | Kit-Gas Line Grommet | 018886F | 018886F |
| 6-G | Kit-Adapter Gas Orifice | 018926F | 018926F |
| H | HEAT EXCHANGER | ||
| 1-H | Kit-Heat Exchanger (Includes Refractory) | 018900F | 018901F |
| 2-H | Kit-Tube Bundle (Includes Refractory)* | 018849F | 018850F |
| 3-H | Kit-Heat Exchanger Baffle | 019047F | 019048F |
| 4-H | Kit-Inlet/Outlet Header Complete | 019049F | 019049F |
| Kit-Inlet /Outlet Header | 019050F | 019050F | |
| 5-H | Kit-Return Header | 019051F | 019051F |
| 6-H | Kit-Header Gasket (2) | 019052F | 019052F |
| 7-H | Kit-Bypass Assy (w/Coils) | ||
| Level 0 Flow | 019053F | 019056F | |
| Level 1 Flow (Nominal) | 019054F | 019057F | |
| Level 2 Flow | 019055F | 019058F | |
| 8-H | Kit-Drain Plug Pool | 006721F | 006721F |
| 9-H | Kit-Inlet/Outlet Header Dam | 019059F | 019059F |
| 10-H | Kit-Inlet Header Adapter | 019060F | 019060F |
| 11-H | Kit-Outlet Header Adapter | 019061F | 019061F |
| 12-H | Kit-Unitherm Governor | 019062F | 019062F |
| 13-H | Kit-Unitherm Governor Plug Polymer | 019063F | 019063F |
| 14-H | Kit-2″ CPVC Connector & Nut (2) | 006723F | 006723F |
| 15-H | Kit-O Ring Inlet/Outlet Pool (2) | 006724F | 006724F |
| 16-H | Kit-ProTek Shield Assy | 017960F | 017960F |
*WARNING: The Hydraulic conditions or water chemistry that caused the tube bundle to fail have very likely also damaged the bypass valve. We recommend inspecting the bypass assembly. Failure to do so could cause premature failure of this replacement part.
| M | MISCELLANEOUS COMPONENTS | ||
| 1-M | Kit-Top Cover Assy | 018852F | 018852F |
| 4-M | Kit-Top Lid | 018902F | 018902F |
| 5-M | Kit-Power Switch | 018903F | 018903F |
| 6-M | Kit-Bezel | 018904F | 018904F |
| 7-M | Kit-Top Clip Assy | 018905F | 018905F |
| 8-M | Kit-Top Knurled Screw Assy | 018906F | 018906F |
| 10-M | Kit-Bezel Gasket | 018921F | 018921F |
| 2-M | Kit-Power Cable Grommet | 018884F | 018884F |
| 3-M | Kit-Corner Post | 018891F | 018891F |
| 9-M | Kit-PRV Grommet | 018920F | 018920F |
| 11-M | Kit-PRV Line | 018936F | 018936F |
| 12-M | Kit-Pressure Switch 1.75 PSI | 006737F | 006737F |
| 22-M | Kit-Pressure Switch 11 PSI Special-See Water Pressure Switch Adj. (Not Shown) | 009133F | 009133F |
| 13-M | Kit-Wire Bonding 14/6 Connector | 007155F | 007155F |
| 14-M | Kit-Tube Air Sample (Blower/Vent/Air Pressure Switch) | 010348F | 010348F |
| 15-M | Kit-Wire/Harness (Not Shown) | 019064F | 019064F |
| 16-M | Touch-up Paint (Not Shown) | ||
| Cool Dark Gray | 750256 | 750256 | |
| Warm Dark Gray | 750258 | 750258 | |
| Maroon | 750265 | 750265 | |
| 17-M | Kit-Deliming (Not Shown) | 052871F | 052871F |
| 18-M | RTV Sealant 2.8 oz (Not Shown) | 008924F | 008924F |
| 19-M | RTV Sealant 10 oz (Not Shown) | 005755F | 005755F |
| 20-M | Kit-Elevation Natural (Not Shown) | 019065F | 019066F |
| 21-M | Kit-Elevation Propane (Not Shown) | 019067F | 019068F |
| CALL OUT | DESCRIPTION | 264A | 404A |
| P | PILOT | ||
| 1-P | Kit-Igniter Direct Spark | 018874F | 018874F |
| 2-P | Kit-Igniter Gasket | 018879F | 018879F |
| 3-P | Kit-Hi Tension Wire | 018875F | 018875F |
| R | REFRACTORY | ||
| 1-R | Kit-Refractory Assy | 018848F | 018848F |
| S | SHEET METAL / CABINET | ||
| 1-S | Kit-Top Right Panel Assy | ||
| Raypak/Rheem/Ruud (Cool Dark Gray) | 018851F | 018851F | |
| Jacuzzi (Beige) | 018973F | 018973F | |
| 2-S | Kit-Cabinet Top Support | 018854F | 018854F |
| 3-S | Kit-Transformer Cover | 018855F | 018855F |
| 4-S | Kit-Ignition Board Cover | 018856F | 018856F |
| 5-S | Kit-Ignition Board Mounting | 018859F | 018859F |
| 6-S | Kit-Anti Rotation Gas Valve Bracket | 018860F | 018860F |
| 7-S | Kit-Comb Chamber Seal | 018872F | 018872F |
| 8-S | Kit-Junction Box | 018876F | 018876F |
| 9-S | Kit-Vent Cover Assy | 018881F | 018881F |
| 10-S | Kit-Vent Mounting Panel | ||
| Raypak/Rheem/Ruud (Cool Dark Gray) | 018882F | 018882F | |
| Jacuzzi (Beige) | 018977F | 018977F | |
| 11-S | Kit-Panel Left Side Vent | ||
| Raypak/Rheem/Ruud (Cool Dark Gray) | 018883F | 018883F | |
| Jacuzzi (Beige) | 018976F | 018976F | |
| 12-S | Kit-Panel Junction Box Cover | ||
| Raypak/Rheem/Ruud (Cool Dark Gray) | 018885F | 018885F | |
| Jacuzzi (Beige) | 018975F | 018975F | |
| 13-S | Kit-Panel Front | ||
| Raypak (Maroon) | 018888F | 018888F | |
| Rheem (Warm Dark Gray) | 018889F | 018889F | |
| Ruud (Cool Dark Gray) | 018887F | 018887F | |
| Jacuzzi (Beige) | 018890F | 018890F | |
| 14-S | Kit-Panel Rear | ||
| Raypak (Maroon) | 018893F | 018893F | |
| Rheem/Ruud (Cool Dark Gray) | 018894F | 018894F | |
| Jacuzzi (Beige) | 018895F | 018895F | |
| 15-S | Kit-Base Assy | 018892F | 018892F |
| 16-S | Kit-Bottom Right Panel UG | ||
| Raypak/Rheem/Ruud (Cool Dark Gray) | 018896F | 018896F | |
| Jacuzzi (Beige) | 018978F | 018978F | |
| 17-S | Kit-Bottom Right Panel PRV | ||
| Raypak/Rheem/Ruud (Cool Dark Gray) | 018897F | 018897F | |
| Jacuzzi (Beige) | 018974F | 018974F | |
| 18-S | Kit-Comb Chamber Support | 018899F | 018899F |
| V | VENTING | ||
| 1-V | Kit-Flue Exhaust | 018877F | 018877F |
| 2-V | Kit-Flue Exhaust Gasket | 018880F | 018880F |
| 3-V | Kit-Flue Adapter 4″ SS | 018932F | 018932F |
| CONVERSION KITS* | 264 | 404 | |
| Nat. to Pro. Pro. to Nat. | N/A N/A | N/A N/A | |
IMPORTANT INSTRUCTIONS FOR THE COMMONWEALTH OF MASSACHUSETTS
The Commonwealth of Massachusetts requires compliance with regulations 248 CMR 4.00 and 5.00 for the installation of through–the–wall vented gas appliances as follows:
(a) For all side wall horizontally vented gas fueled equipment installed in every dwelling, building, or structure used in whole or in part for residential purposes, including those owned or operated by the Commonwealth and where the side wall exhaust vent termination is less than seven (7) feet above finished grade in the area of the venting, including but not limited to decks and porches, the following requirements shall be satisfied:
- INSTALLATION OF CARBON MONOXIDE DETECTORS.
At the time of installation of the side wall horizontal vented gas fueled equipment, the installing plumber or gasfitter shall observe that a hard-wired carbon monoxide detector with an alarm and battery backup is installed on the floor level where the gas equipment is to be installed. In addition, the installing plumber or gasfitter shall observe that a battery-operated or hard-wired carbon monoxide detector with an alarm is installed on each additional level of the dwelling, building, or structure served by the side wall horizontally vented gas-fueled equipment. It shall be the responsibility of the property owner to secure the services of qualified licensed professionals for the installation of hard-wired carbon monoxide detectors
a. In the event that the side wall horizontally vented gas-fueled equipment is installed in a crawl space or an attic, the hard-wired carbon monoxide detector with alarm and battery back-up may be installed on the next adjacent floor level.
b. In the event that the requirements of this subdivision can not be met at the time of completion of installation, the owner shall have a period of thirty (30) days to comply with the above requirements; provided, however, that during said thirty (30) day period, a battery-operated carbon monoxide detector with an alarm shall be installed. - APPROVED CARBON MONOXIDE DETECTORS. Each
carbon monoxide detector as required in accordance with the above provisions shall comply with NFPA 720 and be ANSI/UL 2034 listed and IAS certified. - SIGNAGE. A metal or plastic identification plate shall be permanently mounted to the exterior of the building at a minimum height of eight (8) feet above grade directly in line with the exhaust vent terminal for the horizontally vented gas-fueled heating appliance or equipment. The sign shall read, in print size no less than one-half (1/2) inch in size, “GAS VENT DIRECTLY BELOW. KEEP CLEAR OF ALL OBSTRUCTIONS”.
- INSPECTION. The state or local gas inspector of the side wall horizontally vented gas fueled equipment shall not approve the installation unless, upon inspection, the inspector observes carbon monoxide detectors and signage installed in accordance with the provisions of 248 CMR 5.08(2)(a)1 through 4.
(b) EXEMPTIONS: The following equipment is exempt from 248 CMR 5.08(2)(a)1 through 4:
- The equipment listed in Chapter 10 entitled “Equipment Not Required To Be Vented” in the most current edition of NFPA 54 as adopted by the Board; and
- Product Approved side wall horizontally vented gas fueled equipment installed in a room or structure separate from the dwelling, building or structure used in whole or in part for residential purposes.
(c) MANUFACTURER REQUIREMENTS – GAS EQUIPMENT VENTING SYSTEM PROVIDED. When the manufacturer of Product Approved side wall horizontally vented gas equipment provides a venting system design or venting system components with the equipment, the instructions provided by the manufacturer for installation of the equipment and the venting system shall include:
- Detailed instructions for the installation of the venting system design or the venting system components; and
- A complete parts list for the venting system design or venting system.
(d) MANUFACTURER REQUIREMENTS – GAS EQUIPMENT VENTING SYSTEM NOT PROVIDED. When the manufacturer of a Product Approved side wall horizontally vented gas fueled equipment does not provide the parts for venting the flue gases, but identifies “special venting systems”, the following requirements shall be satisfied by the manufacturer:
- The referenced “special venting system” instructions shall be included with the appliance or equipment installation instructions; and
- The “special venting systems” shall be Product Approved by the Board, and the instructions for that system shall include a parts list and detailed installation instructions.
(e) A copy of all installation instructions for all Product Approved side wall horizontally vented gas fueled equipment, all venting instructions, all parts lists for venting instructions, and/or all venting design instructions shall remain with the appliance or equipment at the completion of the installation.
GAS PRESSURE SUPERVISION
The Commonwealth of Massachusetts requires listed high and low gas pressure switches (manual reset) for any model with a maximum firing input greater than 1,000,000 Btu/Hr in accordance with 248 CMR 7.04(11)(d).
A gas pressure regulator (field supplied) is required in the gas train ahead of the heater, for heaters having input rates greater than 1,000,000 Btu/Hr, in accordance with 248 CMR 7.04 Figure 3B requirements.
WARRANTY
LIMITED WARRANTY
AVIA POOL AND SPA HEATERS
Models: 264A, 404A
SCOPE OF WARRANTY
Raypak, Inc. (Raypak) warrants to the original owner that the above model gas pool and spa heater (the “Heater”) when installed in the contiguous 48 states of the United States of America with a pool or spa by a properly licensed installer will be free from defects in materials and workmanship under normal use and service for the Applicable Warranty Period. Under this Limited Warranty, Raypak will, at its option, repair or furnish a replacement for any defective part of the HEATER. The repair or replacement will be warranted for only the unexpired portion of the original Applicable Warranty Period or the Extended Warranty Period, as the case may be. This Limited Warranty does not apply to Heaters sold outside of the contiguous 48 states of the United States of America.
EFFECTIVE DATE
All Applicable Warranty Periods specified in this Limited Warranty are measured from the Effective Date. The Effective Date of warranty coverage is the original date of purchase and/or installation if properly documented.
If proof of purchase and/or installation is not available, the Effective Date will be the date of manufacture plus 60 days.
APPLICABLE WARRANTY PERIOD – UNREGISTERED AND/OR SELF INSTALLED
Except for HEATERS sold in California, if the HEATER is installed with a pool or spa, the Applicable Warranty The period is ninety (90) days from the Effective Date, parts, and labor, for the HEATER and component parts.
EXTENDED WARRANTY PERIOD – SERVICE PROFESSIONAL
Except for HEATERS sold in California, if, within 90 days of the Effective Date, (i) the HEATER is installed in a pool or spa at a single-family residential dwelling by a properly licensed installer (in accordance with applicable state and local laws and regulations), and (ii) registered with Raypak (www.raypak.com/warranty) with an installation receipt attached to such registration, then the Applicable Warranty Period is two (2) years parts and labor, from the Effective Date for the HEATER and component parts. This warranty excludes heaters installed anywhere other than a single-family residential dwelling, as this heater is not intended for installation in any other type of location.
EXTENDED WARRANTY PERIOD – BUILDER, NEW CONSTRUCTION
Except for HEATERS sold in California, if, within 90 days of the Effective Date, (i) the HEATER is installed in a pool or spa at a single-family residential dwelling by a properly licensed installer (in accordance with applicable state and local laws and regulations), (ii) registered with Raypak (www.raypak.com/warranty) with an installation receipt attached to such registration, then the Applicable Warranty Period is three (3) years parts and labor, from the Effective Date for the HEATER and component parts. This warranty excludes heaters installed anywhere other than a single-family residential dwelling, as this heater is not intended for installation in any other type of location.
CALIFORNIA APPLICABLE WARRANTY PERIOD – SELF INSTALLED
For HEATERS sold in the state of California, if the HEATER is installed with a pool or spa, the Applicable Warranty Period is ninety (90) days from the Effective Date, parts and labor, for the HEATER and component parts.
CALIFORNIA EXTENDED WARRANTY PERIOD – SERVICE PROFESSIONAL
For HEATERS sold in the state of California, if, within 90 days of the Effective Date, the HEATER is installed in a pool or spa at a single-family residential dwelling by a properly licensed installer (in accordance with applicable state and local laws and regulations) then the Applicable Warranty Period is two (2) years parts and labor, from the Effective Date for the HEATER and component parts. This warranty excludes HEATERS installed anywhere other than a single-family residential dwelling, as this heater is not intended for installation in any other type of location. Purchasers of HEATERS sold in California are not required to register with Raypak to activate this extended warranty. Failure to register your product will not diminish your warranty rights. Please keep your proof of purchase. If you choose to register your purchase with Raypak, you may do as at www.raypak.com/warranty.
CALIFORNIA EXTENDED WARRANTY PERIOD – BUILDER, NEW CONSTRUCTION
For HEATERS sold in the state of California, if, within 90 days of the Effective Date, the HEATER is installed in a pool or spa at a single-family residential dwelling by a properly licensed installer (in accordance with applicable state and local laws and regulations) then the Applicable Warranty Period is three (3) years parts and labor, from the Effective Date for the HEATER and component parts. This warranty excludes heaters installed anywhere other than a single-family residential dwelling, as this heater is not intended for installation in any other type of location. Purchasers of HEATERS sold in California are not required to register with Raypak to activate this extended warranty. Failure to register your product will not diminish your warranty rights. Please keep your proof of purchase. If you choose to register your purchase with Raypak, you may do as at www.raypak.com/warranty.
LABOR AND SHIPPING COSTS
This Limited Warranty covers the reasonable cost of labor for repairs or replacements covered by this Limited Warranty, provided that said repairs or replacements are performed by a Raypak designated service provider during the Applicable Warranty Period and Raypak has pre-authorized said repair or replacement. This Limited Warranty does not cover any travel time or other labor costs. Furthermore, unless applicable state law provides otherwise, this Limited Warranty does not cover any shipping costs to and from the service provider or to or from the installation site. All of the foregoing costs and expenses are your responsibility.
WARRANTY EXCLUSIONS
This Limited Warranty does NOT apply:
- if the product has been moved from its original place of installation, or if the original owner no longer owns the property where the original installation was made;
- if the product is not properly installed with a pool or spa by a properly licensed installer in accordance with applicable local codes and ordinances, good trade practices, and the manufacturer’s installation instructions;
- if the rating plate(s) or serial number(s) are altered or removed;
- if the product is modified in any way, or non-factory authorized accessories or other components are used in conjunction with the product;
- to damage, malfunctions or failures resulting from failure to properly install, operate or maintain the product in accordance with the manufacturer’s instructions;
- to damage, malfunctions or failures from abuse, act of nature, accident, fire, flood, freeze, misuse, lightning, earth grounding or the like;
- to damage, malfunctions or failures resulting from [or due to] connected system control devices or third-party accessories;
- to performance problems caused by improper sizing of the electric service voltage, wiring or fusing;
- to performance problems caused by using the heater in undersized or oversized applications (using the right input rate heater for a given volume of water) and water temperatures below 50 F
- to use of any attachment, including any energy-saving device not authorized by the manufacturer.
- to damage, malfunctions or failures from misuse or neglect, including but not limited to, freeze-ups, operating the heater with the cabinet panels or top off, having flow restrictions or obstructions between the heater outlet and the pool/spa, or not maintaining a proper chemical balance (pH level must be between 7.3 and 7.8 and total alkalinity between 80 and 150 PPM. Total dissolved solids (TDS) must be no greater than 3000 PPM. In saltwater chlorinated pools, TDS must be no greater than 6000 PPM).
- to damage caused due to the presence of any corrosive or combustible chemicals in the vicinity of the heater
- to Raypak supplied ProTek Shield™, which is not covered under warranty. The ProTek Shield is a sacrificial protection device and will need to be replaced as part of routine service. Damage caused to the heater due to a depleted ProTek Shield that has not been replaced may affect the warranty of the heat exchanger.
HOW TO MAKE A WARRANTY CLAIM
You should immediately notify your dealer and provide proof of purchase, model number, serial number, and date of installation. Your dealer will contact Raypak for instructions regarding the claim and to determine the location of the nearest authorized service center. If the dealer is not available, please contact a Raypak warranty station at www.raypak.com/find-awarranty-station/.When making a claim please be ready to supply the model number, serial number, date, and proof of original purchase and/or installation and a description of the problem. Proper authorization MUST be obtained PRIOR to any repairs for the Limited Warranty to apply. This Limited Warranty is VOID if the Heater is repaired or altered in any way by ANY persons or agencies other than those authorized by Raypak. Raypak reserves the right at all times to inspect, or require the return of, the defective Heater or component part and to verify warranty coverage at its factory.
EXCLUSIVE WARRANTY-LIMITATION OF LIABILITY
THE LIMITED WARRANTY IS THE ONLY WARRANTY GIVEN BY RAYPAK IN CONNECTION WITH THE HEATER AND ITS COMPONENT PARTS. NO ONE IS AUTHORIZED TO MAKE ANY OTHER WARRANTIES ON RAYPAK’S BEHALF. ANY IMPLIED WARRANTIES, INCLUDING MERCHANTABILITY OR FITNESS FOR A PARTICULAR PURPOSE, SHALL NOT EXTEND BEYOND THE APPLICABLE WARRANTY PERIOD SPECIFIED ABOVE.
RAYPAK’S SOLE LIABILITY WITH RESPECT TO ANY DEFECT SHALL BE AS SET FORTH IN THIS LIMITED WARRANTY. IT IS AGREED THAT RAYPAK SHALL HAVE NO LIABILITY WHETHER UNDER THIS LIMITED WARRANTY OR IN CONTRACT, TORT OR NEGLIGENCE OR OTHERWISE FOR CLAIMS FOR SPECIAL, INCIDENTAL, OR CONSEQUENTIAL DAMAGES (INCLUDING NO LIABILITY FOR DAMAGE FROM WATER LEAKAGE), ALL OF WHICH ARE EXPRESSLY EXCLUDED. SOME STATES DO NOT ALLOW LIMITATIONS ON HOW LONG AN IMPLIED WARRANTY LASTS, OR FOR THE EXCLUSION OF INCIDENTAL OR CONSEQUENTIAL DAMAGES, SO THE ABOVE LIMITATION OR EXCLUSION MAY NOT APPLY TO YOU. THIS LIMITED WARRANTY GIVES YOU SPECIFIC LEGAL RIGHTS, AND YOU MAY ALSO HAVE OTHER RIGHTS WHICH VARY FROM STATE TO STATE.
We suggest you immediately record the model, serial number, date of original installation, receipt of purchase, and proof of installation by a qualified technician and retain this Limited Warranty Certificate in the event warranty service is needed.
DO NOT RETURN THIS DOCUMENT TO RAYPAK. KEEP IT WITH YOUR POOL HEATER OR BUSINESS RECORDS.
Registration of your product is required online at
www.raypak.com/warranty
Raypak, Inc., 2151
Eastman Avenue,
Oxnard, CA 93030 (805) 278-5300
Fax (805) 278-5468
Litho in U.S.A.














NOTE: The first time you use a new phone, the Raymote mobile app will require you to grant permission to access data. See Figure 86.

NOTE: The first time you use a new phone, the Raymote mobile app will require you grant permission to access data. See Figure 91.



NOTE: The first time you use a new phone, the Raymote mobile app will require you to grant permission to access data. See Figure 96.






































