EU-T-3.2 Two State
With Traditional Communication
User Manual
SAFETY
Before using the device for the first time the user should read the following regulations carefully. Not obeying the rules included in this manual may lead to personal injuries or controller damage. The user’s manual should be stored in a safe place for further reference.
In order to avoid accidents and errors, it should be ensured that every person using the device has familiarized themselves with the principle of operation as well as security functions of the controller. If the device is to be sold or put in a different place, make sure that the user’s manual is stored with the device so that any potential user has access to essential information about the device.
The manufacturer does not accept responsibility for any injuries or damage resulting from negligence; therefore, users are obliged to take the necessary safety measures listed in this manual to protect their lives and property.
WARNING
- High voltage! Make sure the regulator is disconnected from the mains before performing any activities involving the power supply (plugging cables, installing the device etc.)
- The device should be installed by a qualified electrician.
- The regulator should not be operated by children.
WARNING
- The device may be damaged if struck by a lightning. Make sure the plug is disconnected from the power supply during storm.
- Any use other than specified by the manufacturer is forbidden.
- It is recommended to periodically check the condition of the device.
Changes in the merchandise described in the manual may have been introduced subsequent to its completion on 13.07.2021. The manufacturer retains the right to introduce changes to the structure or colours. The illustrations may include additional equipment. Print technology may result in differences in the colours shown.
We are committed to protecting the environment. Manufacturing electronic devices imposes an obligation of providing for environmentally safe disposal of used electronic components and devices. Hence, we have been entered into a register kept by the Inspection for Environmental Protection. The crossed-out bin symbol on a product means that the product may not be disposed of to household waste containers. Recycling of waste helps to protect the environment. The user is obliged to transfer their used equipment to a collection point where all electric and electronic components will be recycled.
DEVICE DESCRIPTION
The EU-T-3.2 room regulator is intended for controlling the heating device. Its main task is to maintain the pre-set flat/floor temperature by sending a signal to the heating device (contact closing) or the main controller which controls the actuators, when the room/floor temperature is below the pre-set value.
The EU-T-3.2 regulator functions:
- Maintaining pre-set room temperature
- Manual mode
- Day/night mode
- Control of the floor sensor
- Possibility of pairing with the EU-MW-3 module
Controller equipment:
- Touch buttons
- Front panel made of glass
- Built-in temperature sensor
- Batteries
There are 2 color versions
| WHITE | BLACK |
![]() | ![]() |
EU-T-3.2 works with an additional EU-MW-3 signal receiver (included in the controller set), mounted near the heating device. 
HOW TO INSTALL THE CONTROLLER
NOTE
The device should be installed by a qualified person.
In order to mount the regulator on the wall, screw the rear cover onto the wall, insert batteries and slide the device into the cover.
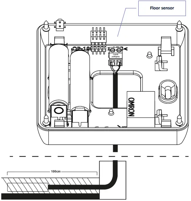
The EU-T-3.2 room regulator – connection diagram
Use the diagram below to connect the regulator – a two-wire communication cable should be connected to the appropriate connectors on the receiver.
The room regulator should be connected to the heating device with a two-core cable. The cable connection between both devices is shown in the diagram below:: 
NOTE
The regulator is powered with batteries – it is recommended to check the batteries from time to time and replace them at least once every heating season.
WIRELESS CONTROLLER RECEIVER
The EU-T-3.2 regulator communicates with the heating device (or the CH boiler controller) by means of a radio signal sent to the receiver. Such a receiver is connected to the heating device (or the CH boiler controller) by means of a twocore cable, and communicates with the room regulator using a radio signal.
The receiver has three control lights:
- red control light 1 – signalises data reception;
- red control light 2 – indicates receiver operation;
- red control light 3 – goes on when the room temperature fails to reach the pre-set value – the heating device is switched on.
NOTE
In case of no communication (e.g. due to discharged battery), the receiver automatically disables the heating device after 15 minutes.
FIRST START-UP
In order for the EU-T-3.2 controller to work properly, it is necessary to follow these steps when starting the device for the first time:
- Insert the batteries – in order to to do it, remove the front cover of the controller.
- Connect the controller to the heating device.
- If the room regulator will be used to operate the floor heating system, connect an additional sensor to the floor sensor connector.
HOW TO USE THE CONTROLLER
- PRINCIPLE OF OPERATION
The EU-T-3.2 room regulator is designed to maintain the pre-set room temperature by sending a signal to the heating device or the main controller when the pre- set room temperature has been reached. After receiving such a signal, the heating device turns off.
NOTE
For the floor heating functions to be available, the floor sensor must be enabled in the controller menu. - OPERATION MODES
The room regulator may operate in one of the following operation modes:
• Day/night mode – In this mode the pre-set temperature value depends on the current time of the day. The user may set different temperature values for the daytime and nighttime as well as define the exact time of entering day mode and night mode. In order to activate this mode, press MENU button until one of the mode icons
appears on the main screen. The user may define the pre-set temperature and (after tapping on MENU again) the time of entering day and night mode.
• Manual mode
In this mode, the pre-set temperature is adjusted manually from the main screen view with the use of these buttons: 
Manual mode is activated after pressing MENU button. Once the manual mode has been activated, the previous operation mode enters ‘’sleep mode’’ until the next pre-programmed temperature change. Manual mode may be deactivated by pressing EXIT button.
DEVICE DESCRIPTION
The user operates the device using touch buttons.
EU-T-3.2
- Display
- EXIT – press this button to display the room temperature/ floor temperature or to disable manual mode.
– press this button to decrease the edited value.
– press this button to increase the edited value.- MENU – hold this button to enable manual mode and to set calibration. Press the MENU button to move on to edit next parameters.
1. MAIN SCREEN DESCRIPTI ON 
- Battery level
- Maximum/minimum floor temperature – this icon is displayed only when the floor sensor is enabled in the controller menu.
- Hysteresis
- Night mode
- Day mode
- Manual mode
- Current time
- Cooling/heating
- Current temperature
- Button lock
- Pre-set temperature
CONTROLLER FUNCTIONS
The user navigates in the menu structure using touch buttons: EXIT, ![]()
and MENU. In order to edit particular parameters, press MENU. By pressing MENU the user may preview the controller functions. The edited parameter is flashing. Use the buttons ![]()
to change the parameter settings. Press MENU to confirm the changes and move on to edit the next parameter.
1. BLOCK DIAGRAM – MAIN MENU
1.1. CLOCK
In order to set the time, press MENU button until a digital clock settings appear atthe top of the screen. The settings concern the flashing parameter.
Use or to set the hour. Next, press MENU to move to the next parameter – minutes.
1.2. PRE-SET DAY TEMPERATURE
In order to define the pre-set day temperature, press MENU button until a flashing icon
appears on the screen. Use
or
to set the day temperature.
1.3. DAY FROM
This function enables the user to define the exact time of entering the day mode. To configure this parameter, press MENU until a flashing icon
appears on the screen.
Use
or
to set the time of day mode activation.
1.4. PRE-SET NIGHT TEMPERATURE
In order to define the pre-set night temperature, press MENU button until a flashing icon
appears on the screen.
Use
or
to set the night temperature.
1.5. NIGHT FROM
This function enables the user to define the exact time of entering the night mode. To configure this parameter, press MENU until a flashing icon appears on the screen. Use
or
to set the time of night mode activation.
1.6. HYSTERESIS
Room temperature hysteresis defines the pre-set temperature tolerance in order to prevent undesired oscillation in case of small temperature fluctuation (within the range of 0,2 – 5°C). 
Example:
Pre-set temperature : 23°C
Hysteresis: 1°C
The room regulator reports that the temperature is too low when the room temperature drops to 22 °C.
In order to set the hysteresis, press MENU until a flashing icon
appears on the screen.
Use
or
to set the desired hysteresis value.
1.7. FLOOR HEATING ON/OFF
This function is used to enable (ON) or disable (OFF) the underfloor heating, with the use of ![]()
.
When the underfloor heating is enabled (icon
), the user may configure the following parameters:
- Maximum temperature – in order to set the maximum floor temperature, press MENU until the floor heating icon appears on the screen. Next, use
or
to enable the heating, and then use the same buttons to set the maximum temperature. - Minimum temperature – in order to set the minimum floor temperature, press MENU until the floor heating icon appears on the screen. Next, use
or
to enable the heating, and then use the same buttons to set the minimum temperature.
- Hysteresis – underfloor heating hysteresis defines the tolerance for the maximum and minimum temperature.
The settings range is from 0,2°C to 5 °C.
If the floor temperature exceeds the maximum temperature, the underfloor heating will be disabled. It will be enabled only after the temperature has dropped below the maximum floor temperature minus the hysteresis value.
Example:
Maximum floor temperature: 33°C
Hysteresis: 2°C
When the floor temperature reaches 33°C, the underfloor heating will be disabled. It will be activated again when the temperature drops to 31°C.
If the floor temperature drops below the minimum temperature, the underfloor heating will be enabled. It will be disabled after the floor temperature has reached the minimum value plus the hysteresis value
Example:
Minimum floor temperature: 23°C
Hysteresis: 2°C
When the floor temperature drops to 23°C, the underfloor heating will be enabled. It will be disabled when the temperature reaches 25°C.
1.8. BUTTON LOCK ON/OFF
It is possible to activate button lock. In order to do it, press the MENU button until the icon
appears on the screen and select ON. In order to unlock the screen, press and hold any button.
2. MENU BUTTON FUNCTIONS
By holding the MENU button the user may enter particular functions in the Menu.
2.1. COOLING/HEATING
This icon informs about the room heating or cooling to reach the pre-set temperature. These messages are displayed alternately: cooling or heating.
2.2. BUILT-IN SENSOR CALIBRATION
Calibration should be performed while mounting or after it has been used for a long time, if the room temperature measured by the sensor differs from the actual temperature. Calibration setting range is from -9,9 to +9,9 ⁰C with the accuracy of 0,1⁰C.
To calibrate the built-in sensor, press the MENU button until the temperature sensorcalibration screen appears. Use the buttons ![]()
to set the desired correction. To confirm, press the MENU button (confirm and go on to edit the next parameter).
2.3. FLOOR SENSOR CALIBRATION
Floor sensor calibration (an additional icon is displayed:
) should be performed if the floor temperature measured by the sensor differs from the actual temperature. Calibration setting range is from -9,9 to +9,9 ⁰C with the accuracy of 0,1⁰C.
To calibrate the built-in sensor, press the MENU button until the floor sensor calibration screen appears. Use the buttons ![]()
to set the desired correction. To confirm, press the MENU button (confirm and go on to edit the next parameter).
2.4. SOFTWARE VERSION
After pressing the MENU button the user may check the software version number.
The number is necessary while contacting the service staff.
2.5. DEFAULT SETTINGS
This function is used to restore factory settings. In order to do it, change the flashing digit 0 to 1. 
HOW TO REGISTER EU-T-3.2
In order to register the EU-T-3.2 controller, follow these steps:
- Press the Registration button on EU-MW-3
- Press the Registration button on the EU-T-3.2 regulator
NOTE
- The screen must be highlighted to register. To do this, press any button on the panel or click the registration button. Pressing the registration button again will allow pairing.
- Once registration has been activated in EU-MW-3, it is necessary to press the registration button on the EU-T-3.2 regulator within 2 minutes. When the time is over, the pairing attempt will fail.
If:
- the EU-T-3.2 regulator screen displays SUC and all the control lights in EU-MW-3 are flashing simultaneously – the registration has been successful;
- the control lights in EU-MW-3 are flashing one after another from one side to the other – the EU-MW-3 module has not received the signal from the main controller;
- the EU-T-3.2 regulator screen displays ERR and all the control lights in EU-MW-3 light up continuously – the registration attempt failed.

TECHNICAL DATA
EU-T-3.2
| Temperature adjustment range | 5ºC ÷ 35ºC |
| Power supply | 2xAAA 1,5V batteries |
| Measurement error | ± 0,5 ºC |
| Operation frequency | 868MHz |
EU-MW-3
| Power supply | 230V ± 10% / 50Hz |
| Operation temperature | 5°C ÷ 50°C |
| Maximum power consumption | <1W |
| Potential-free cont. nom. out. load | 230V AC / 0,5A (AC1) * 24V DC / 0,5A (DC1) ** |
| Operation frequency | 868MHz |
| Max. transmission power | 25mW |
* AC1 load category: single-phase, resistive or slightly inductive AC load.
** DC1 load category: direct current, resistive or slightly inductive load.
EU Declaration of Conformity
Hereby, we declare under our sole responsibility that EU-T-3.2 manufactured by TECH STEROWNIKI, head-quartered in Wieprz Biała Droga 31, 34-122 Wieprz, is compliant with Directive 2014/53/EU of the European parliament and of the Council of 16 April 2014 on the harmonisation of the laws of the Member States relating to the making available on the market of radio equipment, Directive 2009/125/EC establishing a framework for the setting of ecodesign requirements for energy-related products as well as the regulation by the MINISTRY OF ENTREPRENEURSHIP AND TECHNOLOGY of 24 June 2019 amending the regulation concerning the essential requirements as regards the restriction of the use of certain hazardous substances in electrical and electronic equipment, implementing provisions of Directive (EU) 2017/2102 of the European Parliament and of the Council of 15 November 2017 amending Directive 2011/65/EU on the restriction of the use of certain hazardous substances in electrical and electronic equipment (OJ L 305, 21.11.2017, p. 8).
For compliance assessment, harmonized standards were used:
PN-EN IEC 60730-2-9 :2019-06 art. 3.1a Safety of use
PN-EN 62479:2011 art. 3.1 a Safety of use
ETSI EN 301 489-1 V2.2.3 (2019-11) art.3.1b Electromagnetic compatibility
ETSI EN 301 489-3 V2.1.1:2019-03 art.3.1 b Electromagnetic compatibility
ETSI EN 300 220-2 V3.2.1 (2018-06) art.3.2 Effective and coherent use of radio spectrum
ETSI EN 300 220-1 V3.1.1 (2017-02) art.3.2 Effective and coherent use of radio spectrum
Wieprz, 13.07.2021
Central headquarters:
ul. Biata Droga 31, 34-122 Wieprz
Service:
ul. Skotnica 120, 32-652 Bulowice
phone: +48 33 875 93 80
e-mail: [email protected]
www.tech-controllers.com




















