Aero One Aero Cool 
Front 1/0 Panel Cable Connection
(Please refer to the motherboards manual for further instructions).
Note: Specifications may vary depending on your region Contact your local retailer for more information.
Accessory Bag Contents
How to install Guide

(5a) Install SSD 2.5″ x 2
Install the radiator
(7a) Install Front Fans
I/O Panel
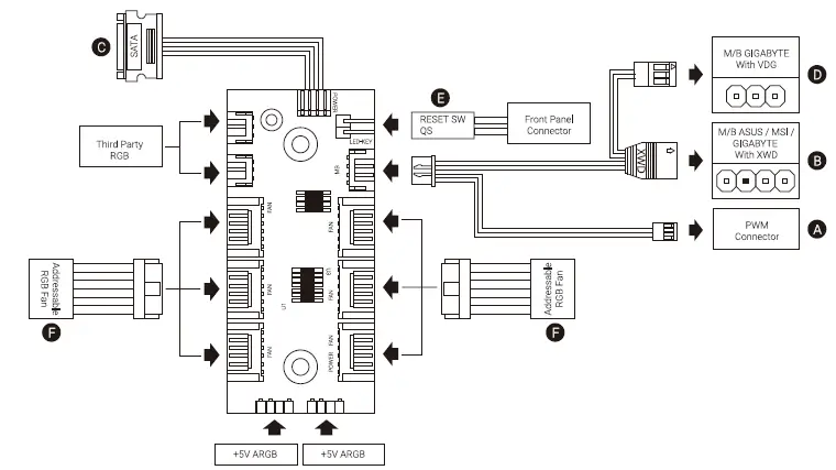
RGB Fan Hub (H66C)
Connection Set Up User Guide
For ASUS Aura Sync, MSI Mystic Light Sync, and GIGABYTE RGB Fusion Motherboards
- Connect (A) to the motherboard’s PWM socket
- Connect (B) to the motherboard’s Addressable RGB socket
- Connect (C) to PSU’s SATA connector
For GIGABYTE RGB Fusion Motherboards
- Connect (A) to the motherboard’s PWM socket
- Connect (0) to the motherboard’s Addressable RGB socket
- Connect (c) to PSU’s SATA Connector
For Non-Addressable RGB Motherboards
- Connect (4) to the motherboard’s PWM socket
- Connect the 2-Pin reset switch connector (E) with your hub.
- Connect (C) to PSU’s SATA connector
- Use the RGB fan connectors (F) to connect the Addressable RGB fans with your hub.



















