e Pro Combi Inverter Charger
Installation Guide
Installation Guide and Safety Information
EPC 1600-12 to EPC 1800-24
- Please read this document very carefully to avoid product malfunction, shock and/or fire hazards!
- This document provides a brief overview of a stand alone product installation. For long term safe and trouble free operation, it is very important to read the enclosed owner’s manual as well!
EPRO cam bi
INVERTER / CHARGER
DC to AC true sinewave inverter programmable automatic battery charger automatic transfer switch
Safety Information:
Please read this document very carefully to avoid equipment malfunction, shock and/or fire hazards!
WARNING
- To reduce the risk of electrical shock, do not expose to rain, snow, spray, moisture, excessive pollution and condensing circumstances. To reduce the risk of fire hazards, do not cover or obstruct the ventilation openings or expose the charger to dusty environments. Install only in a well ventilated room.
- The installation of must be performed by qualified personnel and in accordance with local electrical regulations. Make sure to correctly size AC and DC wiring, in order to withstand the maximum currents that could flow through these wires. Take care of a solid installation of all wiring and anchor wiring were possible to add a degree of strain relieve. Never operate when the wiring is undersized or damaged.
- Except for the connection compartment, this product may never be opened or disassembled by anyone other than authorized and trained personnel. There are no user serviceable parts inside .
- To reduce the risk of electrical shock, disconnect from all AC and DC lines and wait for at least 1 minute, before performing any maintenance, removing the connection compartment cover, storing or transporting of. Switching the power switch of to the off (O) position, will not be sufficient to reduce the risk of electrical shock since the internal circuits remain energized.
- To reduce the risk of electrical shock, must be provided with a permanent safety earth ground connection to the AC input ground terminal, and/or the external grounding point at the bottom of . Never operate when the AC input ground terminal is not connected or when there is a chance that the grounding connection might be impaired.
- To reduce the risk of electrical shock, a Ground Fault Circuit Interrupter (GFCI) must always be installed in the AC supply circuit. Make sure can be disconnected from the AC supply circuit by installing an appropriate double pole AC switch.
- To reduce the risk of explosion, never use in locations where there is danger of gas- or dust explosions or where ignition protected equipment is mandatory. Never install directly on top of the battery or vice-versa.
- Working in the vicinity of lead-acid batteries is dangerous. Batteries generate explosive gases during normal operation. Therefore, it is of utmost importance that each time before servicing in the vicinity of the battery, that you read all enclosed manuals and follow the instructions exactly.
CAUTION - Always disconnect the AC supply before making or breaking the connections to the battery.
- This product is intended for charging LEAD-ACID batteries (flooded, GEL, AGM and any other lead acid derivatives) and to supply consumers that are attached to these batteries in fixed installations. This product is capable to charge Lithium based batteries as well. Please contact Enerdrive for more information. Do not attempt to charge batteries based on other chemistries or non rechargeable batteries with this charger.
This may result in bursting batteries and can cause personal injuries and other damage. - Always install a correctly sized external DC fuse or circuit breaker as close as possible to the battery terminals.
- To reduce the risk of battery explosion, follow these instructions and those published by the battery manufacturer and the manufacturer of any unit you intend to use in the vicinity of the battery. Review cautionary markings on these products.
- The use of any attachments or spare parts not recommended or sold by Underdrive, may result in risk of fire, electric shock or injury to persons.
- If this product is protected against reverse polarity by an internal fuse. This fuse can only be replaced by authorized personnel.
WARNING: GENERAL BATTERY PRE-CAUTIONS
- Have someone within range of your voice or close enough to come to your aid when you work near a lead-acid battery.
- Have plenty of fresh water and soap nearby in case battery acid contacts skin, clothing, or eyes.
- Wear proper, non-absorbent gloves, complete eye protection, and clothing protection. Avoid touching your eyes and wiping your forehead while working near batteries.
- If battery acid contacts skin or clothing, wash immediately with soap and water. If acid enters your eye, immediately flood it with running cold water for at least 15 minutes and get medical attention immediately.
- Never smoke or allow a spark or flame near batteries.
- Use extra caution to reduce the risk of dropping a metal tool on the battery. It could spark or short circuit the battery or other electrical parts and could cause an explosion.
- Remove all personal metal items, like rings, bracelets, and watches when working with batteries. Batteries can produce a short circuit current high enough to weld metal to skin, causing a severe burn.
- If you need to remove a battery, always remove the ground terminal from the battery first. Make sure all accessories are off so you don’t cause an arc.
- Never charge a frozen battery.
- Make sure the area around the battery is well ventilated while charging. Make sure the voltage of the battery matches the output voltage of the battery charger. Study all battery manufacturer’s recommendations for further specific precautions such as whether equalization is acceptable for your battery or not, and recommended rates of charge.
UNPACKING
The package should contain the following items :
- e Pro Combi Inverter Charger
- Temperature sensor (3m)
- This Installation guide and Safety Information
- Owner’s manual
- Safety flyer
- 2 x M10 crimp terminals
- 4 x Mounting screws
CAUTION
After unpacking, check if the product shows any mechanical damage. Never use the product when the enclosure shows any visual damage caused by harsh handling, or when it has been dropped accidentally. Contact your local supplier for further information.
MOUNTING


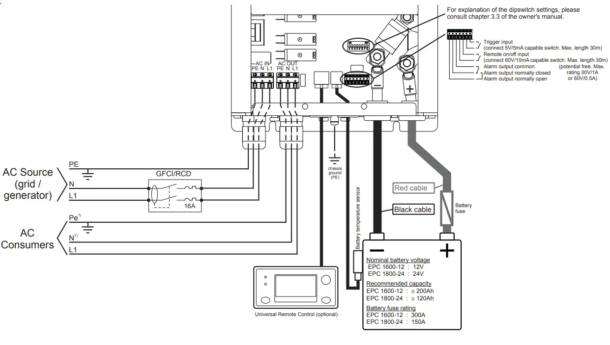
WIRING DETAILS
The schematic below shows a typical standalone installation. No guarantees are given on the compliance of any local electrical regulations. Please make sure that the complete installation is made in accordance to all locally applicable electrical regulations.
This Class I product must be earthed! Always connect the PE wire or chassis ground screw between the fans to your central ground (vehicle chassis, grounding system of your boat etc.)
Use appropriate wire sizes for the AC input and output wiring. Please note that when the Power Boost feature is enabled, the AC output current can be up to 6A higher than the maximum AC input current. 2.5mm is good size for all AC wiring.
This product is equipped with a ground relay that automatically connects the output Neutral to the chassis (PE) in inverter mode (AC transfer switch is open). When AC is present at the input, the ground relay will open just before the AC transfer switch closes. This behaviour enables correct operation of an earth leakage circuit breaker (GFCI/RCD) that is connected to the output.
Please feed all connection compartment wiring through the rubber/plastic grommets and glands.
Please try to avoid extending the battery cables. If unavoidable, use at least 1.5 times the wire gauge as supplied with this product. Maximum recommended battery cable length is 3 meters.
Always connect the negative (-) cable directly on the negative terminal of the battery, or on the load side of a current shunt. Always keep positive and negative cables close to each other to minimize electromagnetic fields.
Double check for correct polarity, before connecting the battery cables to the battery!

T o access the connection compartment, remove the two screws indicated above and slide the red connection compartment cover downwards. Never operate this product without having the cover re-installed.




















