Concise User Manual
NANO


FIRE DETECTION AND EXTINGUISHING
CONTROL SYSTEM

![]()

www.N2KB.nl March 1, 2023 | version 2.4
1 DOCUMENT REVISION DETAILS
Issue | Modification Detail | Author | Date |
01 | 1st publishing document | CvT | 01 / 08 / 2022 |
02 | Textual addition chapter 20 (environment & power) | CvT | 01 / 09 / 2022 |
03 | Textual addition chapter 7 outputs | CvT | 01 / 02 / 2023 |
04 | Textual addition chapter 20 specifications | CvT | 01 / 03 / 2023 |
2 IMPORTANT NOTES
This manual should be thoroughly read and understood before installation and/or commissioning of the system is undertaken. This concise user manual is an integral part of the extended and original NANO user manual version 2.2 September 2022. The NANO system is not to be regarded as properly used when it is used without regard to any relevant information or advice relating to its use that has been made available by the supplier. The NANO system and the associated connections must be installed, commissioned, and maintained by a skilled, knowledgeable, and competent person or organization that is qualified to perform this work and is familiar with the objective of the equipment and the associated technical terminology. This equipment is not guaranteed unless the complete installation is installed and commissioned in accordance with the laid down local, national and/or international standards.
The NANO/MAR has successfully passed CE and FCC, EMC testing according to EN 50130, EN 61000, EN 55016, 47 CFR15-ICES-003, ANSI 63.4, IEC60945-pt11 and a DNV marine type approval according the DNV Class Guideline 0339-2021,certificate TAA000037H. For that the NANO has endured extensive environmental tests such as vibration, dry & damp heat, and cold tests in accordance with the requirements of the DNV-CG 0339-2021 standard. Where applicable to the NANO, it also meets the requirements of the FSS CODE, the International Maritime Code for Fire Safety Systems.
3 WARRANTY
N2KB B.V. represents the NANO system and is free from defects in materials and workmanship. Our warranty does not cover a NANO system which is damaged, misused, and/or used contrary to the supplied operating manuals or which has been repaired or altered by others. The liability of N2KB B.V. is at all times limited to repair or, at N2KB BV’s discretion, replacement of the NANO system. N2KB B.V. shall not under any circumstances be liable for any indirect, special, or consequential damages such as, but not limited to, damage or loss of property or equipment, cost of de-installation or reinstallation, cost of transport or storage, loss of profits or revenue, cost of capital, cost of purchased or replacement goods, or any claims by customers of the original purchaser or third parties or any other similar loss or damage, whether incurred directly or indirectly. Remedies set forth herein to the original purchaser and all others shall not exceed the price of the NANO system supplied. This warranty is exclusive and expressly in lieu of all other warranties, whether expressed or implied, including, without limitation, any warranties of merchantability or fitness for a particular purpose. The warranty may be void if the equipment is damaged by ESD.
Reservations
The diagrams of operating principles of the NANO fire detection and extinguishing system, included in this annual, are only intended to support this manual. No part of this manual may be reproduced, stored in an automated database, or made public in any form or by any means either electronically, mechanically or by photocopying, recording, or in any other way, without prior written permission from N2KB BV. The policy of the N2KB BV is one of continuous improvement, and as such, we reserve the right to amend product specifications at any time and without prior notice. Errors and omissions excepted.
4 INTRODUCTION
The NANO is a very compact and robust stand-alone fire detection-extinguishant release panel designed to protect various applications like electrical cabinets, CNC machines or engine rooms in vessels, yachts. Further all kind of vehicles and other small areas or equipment in which the user should be able to detect and extinguish a fire rapidly and effective. The NANO is a versatile fire alarm / extinguishing system with a high-performance level intended for small and compact system. In a marine application, it is NOT common for a fire suppression system intended for an engine room to be released by automatic fire detector. By default, the NANO is set to only manual release, but can also be changed to automatic & manual release via push buttons on the front.
5 ENCLOSURE & INSTALLATION
The NANO/MAR control panel should be mounted on a dry, flat surface, at eye height in a horizontal position so that the enclosure cannot deformed. The NANO/NAO should be installed in an accessible area. The enclosure is provided of 7 predrilled holes for cable glands. Enclosure material is ABS suitable for outdoor use IP65. To ensure the IP rating the cables must be brought in using the appropriate cable glands. Dimensions enclosure 120 x 80 x 58,5 mm w x h x d

6 MAINTENANCE & CLEANING
There are not user-replaceable parts in the NANO. Take Electrostatic Discharge (ESD) precautions when opening the NANO. Always wear a properly grounded anti-static wrist strap. Avoid direct contact with any of the components or connectors connected to the printed circuit board. Never let the electronics come in contact with clothing. The ground strap cannot dissipate static charges from fabrics. Failure to follow accepted ESD handling practices could cause damage to the NANO. It is important to note that improper cleaning of the NANO front can damage this panel inhibit their ability to sense fire and activate the fire extinguishers. To remove dust and contaminants, use nonalcoholic products which has been designed for that purpose. Do not use high pressure or stream cleaners.
7 KEY PROPERTIES
- Able to set to manual, single stage or double stage detection, alarm, and extinguishing
- Outputs for fire, fault, ventilation off and visual & acoustic alarm device
- A full monitored output for the aerosol fire extinguishing generators
- Two full monitored fire alarm input groups (zones) for linear heat and / or point detectors
- Two full monitored alarm input groups for external extinguishing release and hold function
- Double extinguisher release buttons to prevent unwanted releases
- Extinguisher release delay to prevent unwanted releases which can be set between 0 and 35 sec
- Extinguishers hold release button to postpone releases
- Additional functionality regarding separated external hold-off functions
- Additional functionality regarding separated external release extinguishing functions
- Historic event log memory readable from a mini-USB port and a Modbus RS485 com port
- The NANO works on input voltage 8 to 28 Volt DC and is IP65 and ESD and EMC protected.
8 NANO

In addition to the NANO intended for land-based installations, a NANO version is available with a DNV-CG Type Approval in accordance with the 0339-2021 standard. This NANO system consists of two components. The basis is formed by the NANO control panel which is placed on the bridge or in its vicinity. Then there is an extinguisher terminal box (ETB). This ETB box must be placed outside, but in the immediate vicinity of the to protected engine room. ETB/L is suitable for an extinguisher igniting actuator with a maximum resistance of 2Ω. The ETB/H is suitable for an extinguisher igniting actuator with a maximum resistance of 4Ω. From the ETB box a cable led to the aerosol extinguisher installed in the volume to be protected. The cable connection between the
NANO control panel and the fire extinguisher ETB is continuously scanned for faults, such as short circuit or cable break. From the extinguishers terminal box (ETB) to the extinguishers igniter is also constantly monitored for fault or malfunction. In a marine application, it is NOT common that a fire suppression system intended for an engine room protection is released by an automatic fire detector.
However, the NANO has two fire alarm zones suitable for connecting marine approved fire detectors such as the Apollo Orbis Marine series fire detectors. The NANO system can be set up that fire alarms from these fire detectors, signalized on the NANO panel, considered as informative only. They don’t have effect on the extinguishing system, nor activate the extinguishing system. By default, the NANO is set to only manual release, but can be changed to automatic & manual mode.
9 FEATURES NANO
9.1 ACOUSTIC ALARM
The NANO has an internal attention signal and a monitored output for external sounder/beacon.
9.2 EXTINGUISHANT RELEASE OUTPUT
The N2KB NANO is equipped with two activation techniques for the activation of fire extinguishing systems. By default, the NANO is programmed for the activation of electrical igniters intended for aerosol fire extinguisher generators, when DIP switch 3 is set to the ON position, the NANO is suitable for activating an extinguishing system with a solenoid as actuator.
9.3 HISTORIC EVENT LOG
The NANO has an historic event log memory of 10.000 events readable from a USB port. Connect an USB cable between the Mini-B USB port and your computer. The device will function as an USB stick.
9.4 COMMUNICATION PORT
The NANO has a Modbus network connection. Modbus enables communication among devices connected to the same network.
9.5 DIRECT RELEASE
When the timer settings are set to a delay (between 10 – 35 seconds), the direct extinguish DIP switch gives the choose to override the delay in case of a fire event. This function can be selected via DP1.
9.6 VEHICLE MODE
If the extinguishing system is intended for the protection of a vehicle engine bay, then a programmed extinguishing delay must be disabled, when the vehicle is parked, and the driver leaves the vehicle. Please note that the vehicle mode does not work in the only manual mode.
9.7 GENERAL FAULT RELAY
The general fault relay signals any fault in the NANO. The general fault relay is energized in quiescent state. In the event of a complete power failure, the general fault relay becomes inactive. This is failsafe condition of the NANO panel.
9.8 VFC FIRE RELAY ACTIVE IN SINGLE OF DUAL MODE ALARM
A single or dual FIRE indication can trigger the VFC relay. You can choice to have the potential free contact active at the first or at the second fire alarm. This function can be selected via dip switch 5.
9.9 SINGLE OR DUAL ZONE
Usually, the extinguishing system is activated in the so-called two group-dependent status (avoiding coincidence). Two fire conditions must be met before an extinguishing activation be initiated. In some cases, a single mode status can be handy. This function can be selected via DIP switch 4.
9.10 EXTINGUISHANT RELEASE DELAY
Extinguishing delay is only useful in normally occupied spaces. For the delay timer settings, there are 3 Dip Switches 6,7 and 8, which can be set in steps of 5 seconds the delay time between 0 and 35 sec.
10 INPUTS
The NANO is equipped with two detection zones and two external button inputs (Extinguishing Release & Hold). These inputs are continuously scanned for alarm or fault detection. All inputs are monitored and require a 10 kΩ end of line resistor, even if the input is not used. The button inputs must have a trigger resistor between 470 and 1000 Ω.
10.1 DETECTION ZONES
The NANO is equipped with two fire detection zone inputs. The loop inputs are continuously scanned for fire or fault detection. The loops are set to the following values:
- RESISTANCE of less than 100 Ω: FAULT
- RESISTANCE of more than 100 Ω and less than 1,5 kΩ: FIRE
- RESISTANCE of more than 1,5 kΩ and less than 8 kΩ: FAULT
- RESISTANCE of more than 8 kΩ and less than 12 kΩ: NORMAL
- RESISTANCE of more than 12 kΩ: FAULT
10.2 EXTERNAL RELEASE INPUT
The NANO has a separate input for an external release extinguishing button. The external release extinguishing button has the same function as the dual release extinguishing buttons (fire buttons) on the front of the panel.
10.3 EXTERNAL HOLD INPUT
The NANO has a separate input for an external hold-off button. The external hold-off button has the same function as the internal hold-off button.
11 OUTPUTS
The NANO is equipped with 5 outputs, two monitored and three potential free. The monitored outputs are for the extinguishing release output and the electronic sounder/beacon and are scanned for open and short circuit fault conditions. The VFC outputs have a contact load of 30 VDC /1A.
11.1 MONITORED EXTINGUISHING OUTPUT
THE NANO is equipped with a fire extinguisher output monitored for short circuit and wire breakage. In combination with the ETB (Extinguishers Terminal Board), the NANO’s extinguishing output is protected against reverse polarity and equipped with surge protection.
11.2 MONITORED SOUNDER OUTPUT
This output, intended for the optical and/or acoustical alarm device, is monitored for short circuit and wire break by placing a 10 KΩ end-of-line monitoring resistor in the loud alarm device.
The NANO has a clear and orderly front panel. The figure shows the controls and indications with text.

12.1 Mute
The buzzer can be silenced at any time by pressing the Mute button. To silence the external sounder, press the Mute button twice. In case of a second alarm the sounder and buzzer will be activated again.
12.2 RESET
After the cause of the alarm has been determined the NANO can be reset by pressing the Reset button. Manual Call Points, if triggered, must first be reset locally.
12.3 LAMP TEST
All indicators and buzzer can be tested at any time by pressing the Mute and Reset simultaneously.
12.4 HOLD EXTINGUISHING RELEASE
By pressing the hold button at the panel or external hold button, as long this button is pressed, the extinguishing release sequence will be halted and cause the yellow hold activated indicator flash. Release the Hold button shall re-start the countdown release timer from programmed time.
12.5 AUTOMATIC & MANUAL RELEASE OR MANUAL ONLY MODE
The mode of the system can be toggled between Manual Only and Automatic & Manual by operating the MODE push button on the NANO. When the system is in Manual Only mode, the extinguishant cannot be released by the operation of automatic detectors. To switch the system from manual only to automatic & manual, press the MODE push button for 3 seconds. Return, press the MODE again.
12.6 EXTINGUISHING RELEASE
When a fire emerges, press both front extinguishing release push buttons, this will trigger an alarm. The fire extinguishers will be released, depending on the DIP switch (time) settings.
13 LED INDICATORS
The NANO has 3 internal and 14 front LED indicators. Under normal condition only the green Power LED and either the Manual Only or Automatic and Manual LED lite.

13.1 MANUAL RELEASE ONLY
The yellow LED manual only lit the extinguishant will not be released by automatic detection.
13.2 AUTOMATIC & MANUAL RELEASE
The yellow LED automatic & manual lit. The extinguishant will be released by automatic detection and manual release button.
13.3 POWER
Under normal conditions the NANO control panel will have only the green power on LED lit and either the manual only or automatic & manual LED lit. Failure of the mains power or disconnection of the backup power will cause a fault. The power LED lite differently, indicating an abnormality in the power supply to the NANO. When starting the NANO after a power failure or an extinguishers release, the green power LED flashes for maximal 1 minute until the system is ready and this LED lit continuously.
If the mains power supply is NOT present, the power LED flashes 1 x per second and the yellow general fault LED lit. If the standby power supply is NOT present, the power LED flashes 2 x per second followed by a pause of 1 second, then repeating, the general fault and internal battery fault LED lit.
When the vehicle function (DP2) is enabled, the green power LED flashes at 1 x per second when vehicle is parked and switch to the secondary vehicle voltage.
13.4 COMMON FIRE
In the event of a fire alarm from either the fire alarm detectors or the operation of the extinguishant release pushbuttons, the red general fire LED will illuminate.
13.5 FIRE ZONE ALARM
Upon receipt a fire alarm condition caused by the activation of a fire detector, the red alarm indicator of the relevant fire alarm zone will flash.
13.6 Extinguishing released
The red extinguishing released indicator lights continuously when the extinguishers are activated. This extinguishing release indicator lights up after ending of the configured extinguishing delay time, or when the two extinguishing release buttons on the front or the external release button is activated.
13.7 EXTINGUISHING DELAY
The red extinguishing delay indicator indicates that the extinguishing release delay is active. This indicator flash when the delay time is running.
13.8 GENERAL FAULT
General fault indicator lights and specific fault indicators flash. This yellow fault indicator will light continuously at any fault condition or power malfunction.
13.9 FIRE ZONE FAULT
When the NANO has detected an error in one of the critical fire detection paths of the system, the specific yellow zone fault indicator flash and the general fault indicator lights up.
13.10 EXTINGUISHING RELEASE HOLD
The yellow hold indicator flash and a different tone sounds as long the hold button on the panel front, or the external hold button is pressed.
13.11 EXTINGUISHING RELEASE FAULT
This yellow indicator lights up continuously when a critical fault is detected (open or short circuit) in the extinguishing output line.
13.12 INTERNAL FAULT INDICATORS
There are three extra yellow fault indicators on the internal electronic PCB, meant for second priority fault messages and these indicators will flash.

14 DIP SWITCHES
14.1 STANDARD SETTING
In a marine application, it is NOT common for a fire suppression system intended for an engine room to be released by an automatic fire detector but ONLY by manual release. The most common Marine setting of the NANO system is based on marine rules and standards. Under normal condition only the green Power LED and the Manual Only LED lite to indicate the system is operating correctly.
Example setting for a vessel’s engine room:
- The extinguishing delay time 20 seconds
- The NANO operate in the manual mode only
- The use of automatic fire detectors is only informative
14.2 DIRECT RELEASE (DP1)
If a fire alarm is detected, by the automatic fire detectors the countdown timer is started, you can override the timer when press the manual release.
14.3 VEHICLE MODE (DP2)
If the extinguishing system is intended to protect the engine bay of a vehicle, a programmed extinguishing delay must be disabled when the vehicle is parked.
14.4 EXTINGUISHING RELEASE OUTPUT (DP3)
The N2KB NANO is equipped with two activation techniques for the activation of fire extinguishing systems. Standard the NANO is programmed for the activation of electrical igniters from aerosol fire extinguisher units. When DIP is set in the ON position, the NANO is suitable for activate an extinguishing system using a solenoid. Don’t use DP3 ON in combination with an ETB it will damage the NANO.
14.5 SINGLE OR DUAL FIRE ALARM (DP4)
Normally we activate in dual fire zone mode. In some cases, a single mode may be useful. In dual mode, the extinguisher(s) are released after an alarm condition in both fire zones. In single mode, when only one fire zone is in alarm.
14.6 VFC RELAY (DP5)
Here one has a choice to have the relay active at the first fire alarm or after the second fire alarm.
14.7 EXTINGUISHING DELAY TIMER (DP6-7-8)
Extinguishing delay is only useful in normally occupied spaces. For the extinguishing delay timer setting, there are 3 DIP switches, which that can be set between 0 and 35 seconds, with steps of 5 seconds. The count-down timer is used to wait a certain amount of time before extinguisher system is activated.

NO DIRECT FIRE MODE
DIRECT FIRE MODE

VEHICLE MODE OFF

VEHICLE MODE ON
AEROSOL SYSTEM ACTIVATION

SOLENOID SYSTEM ACTIVATION

FIRE ZONE DUAL MODE

FIRE ZONE SINGLE MODE

VFC RELAY on 2nd STAGE FIRE

VFC RELAY on 1st STAGE FIRE

NO DELAY

5 SECONDS

10 SECONDS

15 SECONDS

20 SECONDS

25 SECONDS

30 SECONDS

35 SECONDS
15 WIRING DIAGRAM NANO CONNECTED TO IGNITING ACTUATORS

- EOL 10KΩ RESISTOR
- Event log usb connection
- EOL 1N4007 DIODE
- + extinguishant release
- – extinguishant release
- monitored sounder output
- vehicle mode
- general fault
- common fire
- 1st or 2nd stage fire
- main power
- battery
- ground
- vehicle mode
- extinguishing release output: current pulse or voltage
- single or dual zone alarm
- relay 1st or 2nd stage fire
- extinguishant delay timer switches
16 WIRING DIAGRAM NANO CONNECTED WITH AN ETB

- EOL 10KΩ RESISTOR
- Event log usb connection
- – extinguishant release
- + extinguishant release
- monitored sounder output
- vehicle mode
- general fault
- common fire
- 1st or 2nd stage fire
- main power
- battery
- ground
- direct fire mode
- extinguishing release output: current pulse or voltage
- single or dual zone alarm
- relay 1st or 2nd stage fire
- extinguishant delay timer switches
17 CONNECTING USING THE EXTINGUISHER TERMINAL BOARD (ETB)
The ETB is developed for use with the NANO and aerosol extinguishers. This terminal connection board is equipped with built-in security electronics, which ensures that all igniters of the extinguishing units are activated. Together with an end line switch, this option turns the NANO system into a complete and reliable fire detection and extinguishing system.
WARNING
Incorrect placement of the end line switch makes it possible to disable a part of the extinguisher’s activation circuit. Therefore, a visual inspection is an essential part of the commissioning and maintenance engineers work.

- DISCONNECT EXTINGHUISHER
Move the disconnect switch in the YES position and the aerosol extinguisher is disabled and can not be activated. All ETB’s connected thereafter will remain in operation. A disablement will be signalized as fault on the NANO. - ENABLE END OF LINE DIODE
To monitor for short circuit or wire break, only the end of line switch on the last ETB must be set into the YES position. A failure to do so will be signalized as a fault on the NANO panel.
18 WIRING DIAGRAM OF THE NANO MEANT FOR SOLENOID SYSTEM
In addition to a fire extinguishing output for electric igniters meant for aerosol fire extinguishing generators, the NANO also has an extinguishing output suitable for a solenoid-controlled fire extinguishing system. The extinguishant output is capable of supplying up to 1 Amp for the maximum duration to a solenoid. Solenoids must have a resistance of 25 to 200 ohms 18/28V DC, to ensure that the maximum current rating of the extinguishant output is not exceeded. The maximum cable impedance is 1.5Ω-5.0Ω depending on the coil impedance. Despite the presence of a button on the NANO front for manual extinguishing activation only, we do recommend a maintenance key switch in the extinguishing output line to perform test and maintenance work without activating the system.

- EOL 10KΩ RESISTOR
- SOLENOID ACTUATOR
min. 25Ω max. 200Ω - 1N4007 DIODE OR EQUIVALENT
- EOL DIODE 1N4007
- Event log usb connection
- SOLENOID ACTUATOR
min. 25Ω max. 300Ω - EOL 1N4007 DIODE
- + extinguishant release
- – extinguishant release
- monitored sounder output
- vehicle mode
- general fault
- common fire
- 1st or 2nd stage fire
- main power
- battery
- ground
- direct fire mode
- extinguishing release output: current pulse or voltage
- single or dual zone alarm
- relay 1st or 2nd stage fire
- extinguishant delay timer switches
19 WIRING & CABLE SPECIFICATIONS:
- There is NO need for shielded cable
- Use a pair twisted cable, this strength the protection against electrical or magnetic field.
- Minimal solid copper core diameter, extinguisher line cable <50 meters length 1,0 mm² (AWG 18)
- Minimal solid copper core diameter, extinguisher line cable >50 meters length 1,5 mm² (AWG 16)
- Minimal solid copper core diameter, fire detection cables 0,5mm² (AWG 20)
- Maximum solid copper core diameter other cables 1,0mm² (AWG 18)
- Maximum conductor loop resistance extinguisher line cable is 24 Ω/km.
- Maximum cable length of the fire zone cables is 50 meters
- Maximum cable length of the cable from NANO to ETB is 30 meters
- The total cable length of all extinguishers together is max 100 meters in total
20 TECHNICAL SPECIFICATION
Environment
| Ambient Temperature Range | -25 to +55 degrees Celsius |
| Dust and water rating | IP65 |
| Compass safe distance | minimum 50 mm |
Power related specification
| Input voltage main and emergency battery | 12/24 VDC +/-30% |
| Maximum power usage | 1 Watt quiescent 5 Watt in alarm |
| Maximum contact rate relays | 30 VDC/1A |
| Voltage fire zone | 15 Vdc |
| Limited alarm current fire detectors | 60 mA |
Aerosol extinguisher output specification
| Max extinguisher count ETB/L (Igniter ≤ 2ohm) | 8 connected on ETB max 100 meter cable |
| Max extinguisher count ETB/H (Igniter ≤ 2ohm) | 6 connected on ETB/H max 100 meter cable |
| Max extinguisher count without ETB | 6 connected without ETB max 100 meter cable |
| Extinguisher release current | 1,3A |
| Extinguisher release pulse length | 35 ms |
Solenoid extinguisher output specification
| End of line component | 2 x back – EMF diodes 1N4004 or equal |
| Maximum number solenoids | 1 |
| Maximum coil resistance | 25 to 200 ohms |
| Maximum current | 1 A |
| Voltage | 24Vdc |
| Extinguisher release pulse length | 8 seconds |
Detection zone, hold and extinguishing release inputs
| Normal state | > 8 kΩ < 12 kΩ |
| Alarm load | < 100 Ω >1.2 kΩ |
| Zone fault threshold 1 | < 100 Ω |
| Zone fault threshold 2 | > 1.2 kΩ < 8 kΩ |
| Zone fault threshold 3 | > 12 kΩ |
| Alarm resistant | 470 Ω |
| End of line resistant | 10 kΩ |
21 DEVICES SUPPORTED BY THE NANO
21.1 DETECTION DEVICE SUPPORT
| The detector types below have been evaluated on the NANO and are approved for such | ||
| Part no | Type | Brand |
| ORB-OP-42001-MAR¹ | smoke detector | Apollo |
| ORB-OH-43001-MAR¹ | smoke/heat detector | Apollo |
| ORB-HT-41002-MAR¹ | heat 61°C detector | Apollo |
| ORB-HT-41004-MAR¹ | heat 73°C detector | Apollo |
| ORB-HT-41006-MAR¹ | heat 90°C detector | Apollo |
| ORB-MB-00001-MAR | standard detector base | Apollo |
21.2 SOUNDER / BEACON DEVICE SUPPORT
| Part no | Type | Brand |
| VTB-32EM-DB-RB/RL (VTB²) | sounder beacon | Cranford |
Note: ¹ Device input voltage 15 – 22 VDC Note: ²Device input voltage 18 – 22 VDC
Always check the specification of the devices before installing them on the NANO.
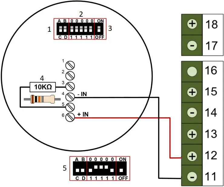
22 NANO FIRE DETECTOR AND WIRING OPTIONS
There are 3 options for connecting fire detectors to the NANO alarm panel.
Conventional Apollo Orbis fire detectors, heat spot detectors or linear cable heat detection.

- groep 1 (zone 1)
- melder 1 t/m 4
- Einde Iijn
- neven indicator
- groep 2 (zone 2)
- OPMARKING
Als voorbeeld hebben
wij hier gebruikt de
Apollo melder sokkel
ORB-MB-00001-MAR - HEAT DETECTOR
- LINEAR HEAT DETECTION CABLE
23 NANO EXTERNAL EXTINGUISHERS RELEASE & HOLD WIRING OPTION
The NANO has a separate input for external extinguishing release and external hold-off button.

- 2 x 0,8 mm
- EXTERNAL RELEASE BUTTON YELLOW
- EXTERNAL HOLD BUTTON BLUE
- PUSH BUTTON CONTACT
- 470 ohm
24 NANO EXTERNAL VTB-EM SOUNDER & BEACON WIRING OPTIONS
By a single sounder beacon follow the connection diagram below. The recommended setting gives the best and deviating alarm signal compared to the usual evacuation alarm signal for example on vessels.
In some cases, the installation of a second signaling device is necessary. For more options, and wiring advice, please refer to our comprehensive user manual.

- VOLUME
HIGH C+D
MID D+A
LOW A+B - TONES
- ONLY BEACON ON/OFF
- END OF LINE MONITORING RESISTOR
- Recommended setting sounder/beacon
C/D – 10001 – OFF
25 NANO EXTINGUISHERS CONNECTIONS

- EXTINGUISHER DISABLE SWITCH
- END OF LINE
DIODE SWITCH

- MAINTENANCE KEYSWITCH
- JUNCTION BOX
- END OF LINE
DIODE
A connection as shown with a junction box is technically possible.
But it is not covered by our warranty. We can only guarantee the proper functioning of the NANO in combination with an ETB. Only an ETB has a bridge protection against a possible early blockage, which ensures that the activation current flows through all igniters at all times.

- MAINTENANCE KEYSWITCH
- 1N4007 DIODE OR EQUIVALENT
- SOLENOID ACTUATOR
Outdated or replaced computers and electronics are valuable sources for secondary raw materials, if recycled.
Dealers of the NANO system must comply with local regulations for waste separation applicable in the country where the supplier is located. Questions concerning the information presented in this manual may be addressed to your dealer. For technical questions or support contact your dealer or further assistance.



Concise user manual | NANO-EN | March 1, 2023 | version 2.4


















