santa-fe TS-1158 Fe Classic Basement Dehumidifier

SAFETY INSTRUCTIONS
THIS DEVICE. PROPER ADHERENCE TO THESE INSTRUCTIONS IS ESSENTIAL TO OBTAIN MAXIMUM BENEFIT FROM YOUR SANTA FE WHOLE HOUSE VENTILATING DEHUMIDIFIER.
WARNING
THIS SYMBOL MEANS IMPORTANT INSTRUCTIONS. FAILURE TO HEED THEM CAN RE-SULT IN SERIOUS INJURY OR DEATH.
CAUTION
THIS SYMBOL MEANS IMPORTANT INSTRUCTIONS. FAILURE TO HEED THEM CAN RE-SULT IN INJURY OR MATERIAL PROPERTY DAMAGE.
Registrations
The Santa Fe Ultra120V conforms to unified standard UL 60335-2-40 and CSA standard C22.2.60335-2-40.
WARNING
120 VOLTS MAY CAUSE SERIOUS INJURY FROM ELECTRIC SHOCK. DISCONNECT ELECTRICAL POWER BEFORE STARTING INSTALLATION OR SERVICING, AND LEAVE POWER DISCONNECTED UNTIL INSTALLATION OR SERVICE IS COMPLETED.
CAUTION
ALWAYS USE CAUTION AND WEAR CUT RESISTANT GLOVES WHEN HANDLING SHEET METAL. IMPROPER INSTALLATION MAY CAUSE PROPERTY
DAMAGE OR INJURY.
INSTALLATION, SERVICE, AND MAINTENANCE MUST BE PERFORMED BY A QUALIFIED SERVICE TECHNICIAN. DEHUMIDIFIER IS HEAVY. HANDLE WITH CARE AND FOLLOW INSTALLATION INSTRUCTIONS. NEVER OPERATE A UNIT WITH A DAMAGED POWER CORD. IF THE POWER CORD IS DAMAGED, IT MUST BE REPLACED BY THE MANUFACTURER, ITS SERVICE AGENT, OR A SIMILARLY QUALIFIED PERSON IN ORDER TO AVOID A HAZARD. THIS APPLIANCE IS NOT INTENDED FOR USE BY PERSONS (INCLUDING CHILDREN) WITH REDUCED PHYSICAL, SENSORY OR MENTAL CAPABILITIES, OR LACK OF EXPERIENCE OR KNOWLEDGE, UNLESS THEY HAVE BEEN GIVEN SUPERVISION OR INSTRUCTION CONCERNING THE USE OF THE APPLIANCE BY A PERSON RESPONSIBLE FOR THEIR SAFETY. CHILDREN SHOULD BE SUPERVISED TO ENSURE THAT THEY DO NOT PLAY WITH THE APPLIANCE.
DEHUMIDIFIER SET UP
Important Precautions
- The device is designed to be installed indoors in a space that is protected from rain and flooding.
- Install the unit with enough space to access the front panel for maintenance and service.
- Avoid directing the discharge air at people.
- The dehumidifier should be used in the upright position.
- If used near a water source, be certain there is no chance the unit could fall into the water or get splashed and that it is plugged into a dedicated circuit and Ground Fault Circuit Interrupter (GFCI) protected outlet.
- DO NOT use the dehumidifier as a bench or table.
- DO NOT place the dehumidifier directly on structural building members without vibration absorbers or unwanted noise may result.
- Place the Santa Fe Ultra120V on supports to raise the base of the unit.
- A drain pan with a float switch MUST be placed under the dehumidifier if installed above a living area or above an area where water leakage could cause damage.
Location Considerations
- Allow sufficient clearance to handle the unit’s overall dimensions as well as the necessary return and supply ductwork to the unit.
- Allow sufficient clearance for filter removal and to prevent airflow obstruction.
- Electrical service access will require the removal of the front panel. Allow sufficient clearance on this side of the unit.
- Locate the dehumidifier in an area where the cord’s length 9 easily reaches a 115 VAC electrical outlet with a minimum of a 15 Amp circuit capacity.
- Locate the dehumidifier in an area where field wiring the control (low voltage) to the unit will be possible.
- It is recommended that a backdraft damper be used in the discharge duct of the Santa Fe Ultra120V, especially when connecting to the supply ducting system.
- The backdraft damper prevents supply air from counter
flowing through the Santa Fe Ultra120V when it is not operating. - The dehumidifier’s location should be chosen to allow installation of this accessory if necessary.
- DO NOT hang the Santa Fe Ultra120V from its cabinet.
- Allow for proper routing and drainage of needed drain pipes.

- A:6 Fresh Air Intake (Optional)
- B::8 Return Air Duct
- C::8 Supply Air Duct #1
- D::8 Supply Air Duct #2 (Optional)
- E:8 Duct Cover Optional.
ATTACHING DUCT COLLARS
Before installing the damper and duct collars listed below, apply the corresponding foam tape included for each.
Fresh Air Ventilation Duct
Fresh air ventilation is optional. A 6 diameter damper is included with the unit and can be attached to the top using the corresponding foam tape provided. The 6 damper should be closed if fresh air is not desired. If setting up the unit to provide fresh air ventilation.
Return Air Inlet
An 8 diameter duct collar is included with the unit and can be attached to the top with the corresponding foam tape provided.
Supply Air Outlet #1
An 8 diameter duct collar is included with the unit and can be attached to the side using the corresponding foam tape provided.
Supply Air Outlet #2
An optional 8″ diameter duct collar is included with the unit and can be attached to the other side with the corresponding foam tape provided.
Supply Air Duct Cover
An optional 8 diameter duct cover (attached) can be used to block one of the supply air outlets if not being used.
Front View

- A:6 Fresh Air Intake Optional
- B::8 Return Air Duct
- C::8 Supply Air Duct #1
- D::8 Supply Air Duct #2 Optional
- E:8 Duct Cover Optional.
Side View Air Flow Path

ELECTRICAL REQUIREMENTS
The Santa Fe Ultra120V plugs into a common grounded 115 VAC outlet. The device draws 5.8 Amps at 80°F and 60% RH. Locate the dehumidifier in an area where the cord’s length 9easily reaches a 115 VAC electrical outlet with a minimum of 15 Amp circuit capacity. If used in an area that may become wet, a GFCI protected circuit is recommended. Consult local electrical codes for further information. Santa Fe offers a variety of control devices for use with the Santa Fe Ultra120V. The control is to be located remotely from the dehumidifier and placed in the space to be conditioned. A low voltage (24 Volt) control MUST be used with the Santa Fe Ultra120V and MUST be connected with low voltage 18-22 gauge thermostat wire.
WARNING
THE REMOTE CONTROLS OF THE SANTA FE ULTRA120V ARE POWERED BY A LOW VOLTAGE CIR-CUIT (24 VAC) AND MUST NEVER CONTACT OR BE CONNECTED TO A HIGH VOLTAGE CIRCUIT.
CAUTION
DO NOT ALLOW THE 24V TERMINAL TO CONTACT THE COM TERMINAL ON THE SANTA FE ULTRA120V OR DAMAGE TO THE TRANSFORMER WILL RESULT.SOME OF THE TERMINALS ON THE SANTA FE ULTRA120V MAY NOT BE USED WITH CERTAIN CONTROLS AND SHOULD BE LEFT UNCONNECTED.
Electrical Precautions
- Do not install the control where it may not accurately sense the relative humidity such as near HVAC supply registers, near exterior doors, on an outside wall, near a window, or near a water source.
- The terminals on the Santa Fe Ultra120V and the control are labeled to prevent confusion.
- Be sure to consult the electrical schematic in the CONTROLS Section or inside the access panel of the Santa Fe Ultra120V before making control connections.
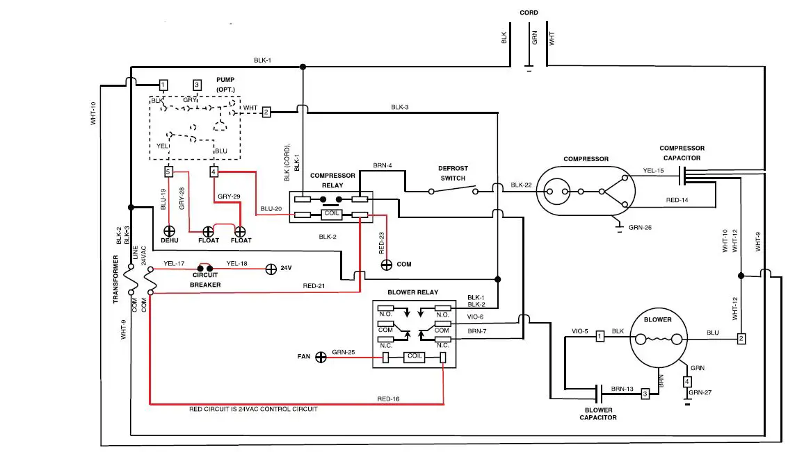
Wiring Diagram

DRAIN INSTALLATION
The Santa Fe Ultra120V generates condensate. Place a secondary drain pan with a float switch under the dehumidifier if it is suspended above a finished area or above an area where water leakage could cause damage. The Santa Fe Ultra120V contains an internal drain trap for proper dehumidifier operation. Install a 3/4 threaded male NPT adapter to the external condensate fitting. Install a drain pipe assembly utilizing 3/4 PVC pipe to transport the condensate to a drain. Pitch of drain should be 1 per 10. An optional condensate pump kit is available for use with the Santa Fe Ultra120V and may be installed if lift is required to dispose of condensate. Condensate is automatically pumped to a remote location when the water level in the pump’s reservoir rises to close the float switch.The pump also contains a safety float switch. If the pump fails, this switch opens the common control circuit and stops water production before the reservoir overflows.
Note
An optional condensate pump kit can be purchased through your dealer or online. Refer to the kit literature for installation instructions.
Drain Installation Side View

DUCTING TO HVAC SYSTEMS
The recommended installation creates a separate return for the Santa Fe Ultra120V in a central area of the structure. Duct the supply of the unit to the air supply of the existing HVAC system. Connect an insulated duct from outside to the 6″ damper of the Santa Fe Ultra120V to provide fresh make up air.
CAUTION
DO NOT CONNECT WITH A STATIC PRESSURE GREATER THAN OR EQUAL TO +0.8 WG. CONTACT TECHNICAL SUPPORT AT (800) 533-7533 FOR ADDITIONAL DETAILS.
Ducting Considerations
- All flexible ducting connected to the Santa Fe Ultra120V should be UL listed.
- A short piece of flexible ducting on all Santa Fe Ultra120V duct connections is recommended to reduce noise and vibration transmitted to rigid ductwork in the structure.
- Use a minimum 8″ diameter round or equivalent rectangular duct for total duct lengths of up to 25.
- Use a minimum 10″ diameter round or equivalent rectangular duct for longer lengths.
- Grills or diffusers on the duct ends must not excessively restrict airflow.
- Effective dehumidification may require that ducting be branched to isolated, stagnant air flow areas.
- When ducting to two or three areas, use 8″ or larger diameter branch ducting.
- When ducting to four or more areas, use 6″ or larger diameter branch ducting.
- Provisions must be made to provide airflow from supply locations to the central return location.
- Proper air distribution is important to ensure even humidity control and heat distribution throughout the structure.
- DO NOT locate the return in a bathroom or a kitchen.
- Please visit our website at www.Santa-Fe-Products.com/install options for more installation options.
Recommended HVAC System Installation
Dedicated Santa Fe Return to HVAC Supply

Install a dedicated return for the Santa Fe Ultra120V from a central area of the structure. Install an insulated duct from outside to the 6 damper of the Santa Fe Ultra120V to provide fresh air ventilation optional.The optional second supply of the Santa Fe Ultra120V may be ducted to another location. This can provide a second source of airflow to the basement or supply of the existing HVAC system with a backdraft damper. When using only one of the two supplies on the Santa Fe Ultra120V, the unused supply must be blocked using the duct cover plate included. DO NOT locate return in a bathroom or kitchen.Control should be located remotely from the dehumidifier and placed in a central location.
FRESH AIR VENTILATION
Fresh air ventilation is optional
Fresh air may be brought into the structure by connecting an insulated duct from outside the structure to the 6″ inlet of the Santa Fe Ultra120V. A ventilation control is needed to program the time and frequency that the unit introduces outside air. The time and frequency of ventilation should be based on the size and occupancy o the residence.• The fresh air ventilation duct should be connected to the 6″ damper on the top of the Santa Fe Ultra120V. An insulated 6 diameter duct can provide up to 100 CFM of outside air.
If the fresh air ventilation duct is to be used, the return of the Santa Fe Ultra120V must be ducted or an inline fan may be required on the fresh air ventilation line to bring in outside air. If a motorized damper is not being used, fresh air is controlled by the manual damper in the 6” collar of the Santa Fe Ultra120V. Performance of the Santa Fe Ultra120V can be impacted by inside and outside air conditions. When a 6 motorized damper is used, a digital control is required. It may be necessary to use 8″ duct work if additional fresh air is required. In cold climates or at times when the dew point is low, ventilation can be used to dehumidify the structure, making the Santa Fe Ultra120V capable of year-round drying.
Fresh Air Ventilation With Dehumidifier Off and Fan Only Operation
Outside air mixes with the dehumidifier’s return air before being supplied to the home. Outside temperature, inside temperature and relative humidity will impact the combined outlet air conditions.
Note
Temperature and relative humidity may vary depending on duct distribution scheme.

Determine Ventilation Requirements
The MINIMUM ventilation requirement is calculated using ASHRAE 62.2-2016. Use one or both of the options below to determine your ventilation requirement. Follow all local and national building and safety codes.
- Option 1: Calculating Airflow Requirement Using ASHRAE 62.2-2016 Airflow Equation ASHRAE Airflow in CFM = House Area in Sq.Ft. x 0.03+ Number of Bedrooms +1 x 7.5
NOTE
Use Number of Bedrooms + 1 or ‘Number of Occupants whichever is larger.
Example 1
Number of Bedrooms + 1 1800 square foot house with 3 bedrooms, 4 occupants = [1800 X 0.03] + [(3+1) X 7.5] = 84 CFM
Example 2
Number of Occupants1800 square foot house with 3 bedrooms, 5 occupants = [1800 X 0.03] + [5 X 7.5] = 91.5 CFM
Record the required CFM
Option 2
Calculating Airflow Requirement Using Table 4.1 from ASHRAE 62.2-2019
Ventilation Air Requirements CFM
| Floor Area ft2 | Number of Bedrooms | ||||
| 1 | 2 | 3 | 4 | 5 | |
| < 500 | 30 | 38 | 45 | 53 | 60 |
| 501 – 1000 | 45 | 53 | 60 | 68 | 75 |
| 1001 – 1500 | 60 | 68 | 75 | 83 | 90 |
| 1501 – 2000 | 75 | 83 | 90 | 98 | 105 |
| 2001 – 2500 | 90 | 98 | 105 | 113 | 120 |
| 2501 – 3000 | 105 | 113 | 120 | 128 | 135 |
| 3001 – 3500 | 120 | 128 | 135 | 143 | 150 |
| 3501 – 4000 | 135 | 143 | 150 | 158 | 165 |
| 4001 – 4500 | 150 | 158 | 165 | 173 | 180 |
| 4501 – 5000 | 165 | 173 | 180 | 188 | 195 |
CONTROLS
A control must be used with the Santa Fe Ultra120V. Santa Fe offers the DEH 3000 proprietary control. The DEH 3000 allows homeowners to monitor and control relative humidity and proper ventilation levels in their home. This control is also available with a remote sensing option.
Note
The DEH 3000 is sold separately and can be purchased online or through your local dealer. Other thermostats are compatible with the Santa Fe Ultra120V.
Wiring Controls
CAUTION
DO NOT ALLOW THE 24V TERMINAL FROM THE SANTA FE ULTRA120V TO CONTACT THE COM TERMI-NAL ON THE SANTA FE ULTRA120V OR DAMAGE TO THE TRANSFORMER WILL RESULT.
Circuit Breaker
To prevent damage to the 24 volt control transformer, the Santa Fe Ultra120V comes with a resettable circuit breaker. Check wiring for any electrical short and repair
before resetting breaker. Resetting the circuit breaker without correcting the electrical short may result in transformer damage. Be sure to check the electrical schematic in this manual or inside the access panel of the Santa Fe Ultra120V be-fore making any control connections. The reset button for the circuit breaker can be found on the side of the unit.
Control Connections
The control and the Santa Fe Ultra120V are labeled to prevent confusion. Depend-ing on the control, some of the screw terminals on the Santa Fe Ultra120V may not be used. Be sure to consult the electrical schematic in this manual or inside the access panel of the Santa Fe Ultra120V before making control connections.
A low voltage control must be used with the Santa Fe Ultra120V.
Side View

| Terminal Block Control Operation: | |
| COM | 24VAC Power Transformer Neutral Side |
| FAN | Fan Control |
| 24V | Transformer High Side |
| DEHU | Dehumidification Fan and Compressor Control |
| FLOAT | External low voltage float switch or water sensor two terminals. Use normally closed switch. |
| Between the COM lead and the 24V TERMINAL is a 40VA transformer. This low voltage power source powers the relay coils which control the fan and compressors. This 24VAC transformer can also be used to power HVAC accessories external to the dehumidifier. | |
| Compressor ON / Fan ON | Make contact between 24V and DEHU terminals |
| Compressor OFF / Fan ON | Make contact between 24V and FAN terminals |
| Power HVAC Accessory | Connect the accessory to the COM and 24V terminals |
NOTE
18 gauge wire needed between the Santa Fe Ultra120V dehumidifier and the external control.
AIR FILTRATION
The Santa Fe Ultra120V is equipped with a MERV-13 Dimensions: 1.75 x 15.50 x 19.50 filter. An optional MERV-14 filter is available at www.ThermastorFilters.com. The MERV 13 filter should be checked and replaced every three to six months. If the MERV-14 filter is used, the MERV-13 should act as a pre-filter and sit on top of the MERV-14 filter. Replacing the MERV-13 filter every three to six months extends the life of the MERV-14 filter. The MERV-14 filter should be replaced every two to three years if a MERV-13 is used as a pre-filter and replaced every three to six months. Operating the unit with a dirty filter will reduce dehumidifier capacity and efficiency. DO NOT operate the unit without the recommended filter. Filter non-compliance voids the product warranty.
CAUTION
MAKE SURE UNIT IS OFF BEFORE CHANGING THE FILTER.
Changing the Filter
For greatest filtration and efficiency of the Santa Fe Ultra120V, it is recom-mended the air filter be replaced every three to six months with a MERV-13
filter.
Step 1
The filter access door is located above the front panel of the dehumidifier. Pull straight up on the door latch to disengage from the front panel, then lift door to it’s vertical position.

Step 2
Remove the used filter from the housing. Insert the new filter by gently pushing it straight into the filter cavity. Make sure the air flow arrows on the filter are pointing down into the unit.

Step 3
Close the filter access door by push-ing up on the door latch, inserting the latch into the front panel, then releasing. Ensure that the latch is firmly engaged
with the front panel.

MERV Rating Chart
| Standard 52.5 Minimum Efficiency Reporting Value | Dust Spot Efficiency |
Arrestance | Typical Controlled Contaminant | Typical Applications and Limitations |
Typical Air Filter/Cleaner Type | |
| 20 | n/a | n/a | < 0.30 pm Particle Size | Cleanrooms | >99.999% eff. On 10- 20 pm Particles | |
| 19 | n/a | |||||
| n/a | Virus (unattached) | Radioactive Materials | Particles | |||
| 18 | n/a | |||||
| n/a | Carbon Dust | Pharmaceutical Man. | Particulates | |||
| 17 | n/a | |||||
| n/a | All Combustion Smoke | Carcinogenetic Materials | >99.97% eff. On .30 pm Particles | |||
| 16 15 | n/a >95% | n/a n/a | .30-1.0 pm Particle Size All Bacteria | General Surgery Hospital Inpatient Care | Bag Filter Non supporte microfine fiberglass or synthetic media, 12-36 in deep, 6-12 pockets. Box Filter Rigid Style Cartridge Filters 6 to 12″ deep may use lofted or paper media. | |
| 14 | 90-95% | >98% | Most Tobacco Smoke | Smoking Lounges | ||
| 13 | 89-90% | >98% | Proplet Nuceli (Sneeze) | Superior Commercial Buildings | ||
| 12 | 70-75% | >95% | 1.0-3.0 pm Particle Size Legionella | Superior Residential | Bag Filter Nonsupporte microfine fiberglass or synthetic media, 12-36 in. deep, 6- 12 pockets.
Box Filter – Rigid Style Cartridge Filters 6 to 12 deep may use lofted or paper media. | |
| 11 | 60-65% | >95% | Humidifier Dust Lead Dust | Better Commercial Buildings | ||
| 10 9 | 50-55%
40-45% | >95%
>90% | Milled Flour Auto Emissions Welding Fumes | Hospital Laboratories | ||
| 8 | 30-35% | >90% | 3.0-10.0 pm Particle Size | Commercial Buildings | Pleated Filter Disposable, extended surface area, thick with cotton-polyester blend media, cardboard frame. Cartridge Filters Graded density viscous coated cube or pocket filters, synthetic media.Throwaway Disposable synthetic panel filter. | |
| 7 | 25-30% | >90% | Mold Spores Hair Spray | Better Residential | ||
| 6 | <20% | 85-90% | Fabric Protector Dusting Aids | Industrial Workplace | ||
| 5 | <20% | 80-85% | Cement Dust Pudding Mix | Paint Booth Inlet | ||
| 4 3 2
1 | <20%
<20%
<20%
<20% | 75-80%
70-75%
65-70%
<65% | >10.0 pm Particle Size Pollen Dust Mites Sanding Dust Spray Paint Dust Textile Fibers Carpet Fibers | Minimal Filtration Residential
Window A/C Units | Throwaway Disposable fiberglass or synthetic panel filter.
Washable Aluminum Mesh.
Electrostatic Self charging woven panel filter. |
SERVICE
Troubleshooting
CAUTION
TROUBLESHOOTING SHOULD BE PERFORMED BY A QUALIFIED HVAC TECHNICIAN.
| Symptom | Possible Reason | Troubleshooting Procedure |
| Neither fan nor compressor running. Dehumidification is being called for. | Dehumidifier unplugged or no power to outlet. Humidity control set too high. Loose connection in internal or control wiring. | WARNING! ELECTRICAL SHOCK HAZARD: ELECTRICAL POWER MUST BE PRESENT TO PERFORM SOME TESTS. THESE TESTS SHOULD BE PERFORMED BY A QUALIFIED SERVICE PERSON.
Troubleshooting Procedure for Control Related Issues This method of diagnosis will test the 3 main components of the control circuit individually to indicate any potential problems. This is to be used when the control will not activate the main unit. Detach field control wiring connections from the terminals on the main unit. Connect the 24V and FAN terminals together; only the fan should run. Disconnect the terminals. Connect the 24V and DEHU terminals together; fan and compressor should run. Disconnect the terminals. If this test works, the main unit is working correctly from a control standpoint. Reconnect field control wiring to the terminals on the main unit. Remove the control panel cover and detach the field wiring from the control connections. Connect the 24V and FAN terminals together; only the fan should run. Disconnect the terminals. Connect the 24V and DEHU terminals together; fan and compressor should run. Disconnect the terminals. If this test works, then the field control wiring is ok. If the problem persists, then the control is most likely faulty. |
| Defective compressor relay. | ||
| Defective control transformer. | ||
| Missing jumper wire or open circuit between FLOAT terminals. | ||
| Compressor is not running. Dehumidification is being called for. Fan is running. | Defective compressor run capacitor. Loose connection in compressor circuit. Defective compressor overload. Defective compressor. Defrost thermostat open. | |
| Compressor cycles on and off. Dehumidification is being called for. | Low ambient temperature and/or humidity causing unit to cycle through defrost mode. | |
| Defective compressor overload. | ||
| Defective compressor. | ||
| Defrost thermostat defective. | ||
| Dirty air filter or air flow restricted. | ||
| Defective fan or relay. |
| Symptom | Possible Reason | Troubleshooting Procedure |
| Fan is not running. Dehumidification or fan is being called for. | Loose connection in fan circuit. Obstruction prevents fan impeller rotation. Defective fan. Defective fan relay. Open circuit between FLOAT terminals. | WARNING ELECTRICAL SHOCK HAZARD: ELECTRICAL POWER MUST BE PRESENT TO PERFORM SOME TESTS. THESE TESTS SHOULD BE PERFORMED BY A QUALIFIED SERVICE PERSON.
Troubleshooting Procedure for Performance Related Issues This method of diagnosis is used to function check the internal components in the dehumidi- fier. This is to be used when a performance issue is suspected. 1. Set the humidity controller all the way to the most humid setting or off position Did the unit shut off? If yes, turn the fan setting to the ON position – does the fan start?If fan starts, leave in the fan ON position and set the humidity all the way to driest setting. May have to wait 5 minutes for the compressor to start. 4. Listen for a distinct buzzing/humming sound of a compressor starting up – do you hear this noise? 5. If compressor is running and continues to run, after about 15 minutes you should feel a slight increase in air temperature being discharged out of the discharge air side of the unit. If so, depending on your environmental conditions emp/Rh% you should see some water production out of the hose within 30 minutes or so. Note: If the room temperature is 55 degrees or below and/or in area of low relative humidity, the dehumidifier will produce little to no water. Collecting the water removed in a 24 hour period will give a measurement of performance. |
| Low dehumidification capacity evaporator is frosted continuously. Dehumidification is being called for. | Defrost thermostat loose or defective. Low refrigerant charge. Dirty air filter or air flow restricted. Excessively restrictive ducting connected to unit. | |
| No ventilation. Ventilation is being called for. | Loose connection in ventilation control circuit. Loose connection in damper power circuit. Defective fresh air damper. | |
| Dehumidifier removes some water, but not as much as expected. | Air temperature and/or humidity have dropped. Humidity meter and/or thermometer used are out of calibration. Unit has entered defrost cycle.
Dirty air filter or air flow is restricted. Defective defrost thermostat. Low refrigerant charge. Air leak such as loose cover or ducting leaks. Defective compressor. Restrictive ducting. |
CAUTION
TROUBLESHOOTING SHOULD BE PERFORMED BY A QUALIFIED HVAC TECHNICIAN.
| Symptom | Possible Reason | Troubleshooting Procedure |
| Control not powering dehumidifier. | No power to dehumidifier. 24 volt circuit breaker tripped or faulty transformer. Loose or missed wired control wires at humidity control. Loose or missed wired control wires at unit. Humidity control defective. Missing jumper wire or open circuit between FLOAT terminals. | WARNING ELECTRICAL SHOCK HAZARD: ELECTRICAL POWER MUST BE PRESENT TO PERFORM SOME TESTS. THESE TESTS SHOULD BE PERFORMED BY A QUALIFIED SERVICE PERSON.
Verify power to the unit at power outlet. Verify closed circuit between FLOAT terminals. Look for short in control wiring. Check wire connections at control and unit. Reset circuit breaker button on dehumidifier. |
Refrigerant Charging
WARNING
SERVICING THE SANTA FE ULTRA120V WITH ITS HIGH PRESSURE REFRIGERANT SYSTEM AND HIGH VOLTAGE CIRCUITRY PRESENTS A HEALTH HAZARD WHICH COULD RESULT IN DEATH, SERIOUS BODILY INJURY, AND/OR PROPERTY DAMAGE. SERVICE MUST BE PERFORMED BY A QUALIFIED SERVICE TECHNICIAN.If the refrigerant charge is lost due to service or a leak, the leak should be repaired and a new charge must be accurately weighed in. If any of the old charge is left in the system, it must be recovered before weighing in the new charge.
WARRANTY
Limited Warranty. Therma-Stor, LLC Therma-Stor warrants as follows the Santa Fe Ultra120V dehumidifier Product will be free of material defects in workmanship or materials for a period of two 2 year Two-Year Warranty following the date of initial purchase of such Product by an original customer purchasing from Therma-Stor or an authorized reseller Customer and the Product’s components will be free of material defects in workmanship or materials for a period of six 6 years following the date of initial purchase of such Product by a Customer.Limitation of Remedies. CUSTOMER’S SOLE AND EXCLUSIVE REMEDY UNDER THE ABOVE LIMITED WARRANTY AND THERMA- STOR’S ENTIRE LIABILITY THEREUNDER, SHALL BE, AT THE SOLE OPTION OF THERMA-STOR, REPLACEMENT OR REPAIR OF SUCH PRODUCT OR ITS COMPONENTS COMPONENTS BY THERMA-STOR OR THERMA-STOR’S AGENTS ONLY. REFRIGERANT, PIPING, SUPPLIES, TRANSPORTATION COSTS, LABOR COSTS INCURRED IN REPAIR OR REPLACEMENT OF SUCH COMPONENTS ARE NOT INCLUDED. THIS DISCLAIMER AND EXCLUSION SHALL APPLY EVEN IF THE EXPRESS WARRANTY AND LIMITED REMEDY SET FORTH HEREIN FAILS OF ITS ESSENTIAL PURPOSE. CUSTOMER ACKNOWLEDGES THAT NO REPRESENTATIVE OF THERMA-STOR OR OF ITS AFFILIATES OR RESELLERS IS AUTHORIZED TO MAKE ANY REPRESENTATION OR WARRANTY ON BEHALF OF THERMA-STOR OR ANY OF ITS AFFILIATES OR RESELLERS THAT IS NOT IN THIS AGREEMENT. Notwithstanding the above, during the term of the Two Year Warranty only, Therma-Stor will provide, free of charge to Customer, all Components and labor (except costs related to removal and installation of Product) required to fulfill its obligations under such Two-Year Warranty.
Disclaimer of Warranties. EXCEPT FOR ABOVE LIMITED WARRANTY, WHICH IS THE SOLE AND EXCLUSIVE WARRANTY PROVIDED WITH RESPECT TO THE PRODUCT AND ITS COMPONENTS, THERMA-STOR HEREBY DISCLAIMS
ALL EXPRESS AND IMPLIED WARRANTIES, INCLUDING, WITHOUT LIMITATION, THE IMPLIED WARRANTIES OF MERCHANTABILITY AND FITNESS FOR A PARTICULAR PURPOSE.Warranty Limitations. The foregoing limited warranty extends only to a Customer and shall be null and void upon attempted assignment or transfe defect under the terms of the limited warranty shall not include problems resulting from Customer’s or Customer’s employees, agents, invitees’ or a third party’s misuse, improper installation, improper design of any system
in which the Product is included, abuse, lack of normal care, failure to follow written instructions, tampering, improper repair, or freezing, corrosion, acts of nature or other causes not arising out of defects in Therma-Stor’s workmanship or material. If a Product or Component is replaced while under warranty, the applicable limited warranty period shall not be extended beyond the original warranty time period. The limited warranty does not cover any costs related to changes to a Product or Component that may be required by any codes, laws, or regulations that may become effective after initial purchase of the Product by Customer. Customer Responsibilities. As a further condition to obtaining warranty coverage hereunder, the Customer must send a valid warranty claim to Therma-Stor such that Therma-Stor receives such claim prior to the end of the applicable warranty period. Therma-Stor shall have no obligation hereunder with respect to any claim received by Therma-Stor after the expiration of the applicable warranty period. As a further condition to obtaining warranty coverage hereunder, the Customer must present forms of invoices evidencing proof of purchase of a Product. If such invoices do not clearly indicate the date of initial purchase by a Customer, the applicable Product’s date of manufacture will be used instead of the date of initial purchase for the purpose of calculating the commencement of the applicable warranty period. Warranty service must be performed by Therma-Stor or a servicer authorized by Therma-Stor. In order to obtain warranty service, the Customer should call Therma-Stor at 1-800-533-7533 and ask for the Therma-Stor Products Service Department, which will then arrange for applicable warranty service. Warranty service will be performed during customary, daytime working hours. If the Product must be shipped for service, Customer shall be solely responsible for properly packaging the Product, for all freight charges, and for all risk of loss associated with shipment. Limitation of Liability. IN NO EVENT SHALL THERMA-STOR, IN CONNECTION WITH THE DESIGN, SALE, INSTALLATION, USE, REPAIR, REPLACEMENT OR PERFORMANCE OF ANY PRODUCT, COMPONENT, PART THEREOF OR WRITTEN MATERIAL PROVIDED THEREWITH, BE LIABLE, TO THE EXTENT ALLOWED UNDER APPLICABLE LAW, UNDER ANY LEGAL THEORY FOR ANY SPECIAL, DIRECT, INDIRECT, COLLATERAL OR CONSEQUENTIAL DAMAGES OF ANY KIND. NOTWITHSTANDING THE ABOVE LIMITATIONS AND WARRANTIES, THE SOLE AND EXCLUSIVE LIABILITY OF THERMA-STOR, REGARDLESS OF THE NATURE OR THEORY OF THE CLAIM, SHALL UNDER NO CIRCUMSTANCES EXCEED THE PURCHASE PRICE OF THE PRODUCT, COMPONENT OR PART UPON WHICH THE CLAIM IS PREMISED. Applicable Law and Venue. ANY ARBITRATION, ENFORCEMENT OF AN ARBITRATION OR LITIGATION RELATED TO THE PRODUCT WILL BE BROUGHT EXCLUSIVELY IN DANE COUNTY, WISCONSIN, AND CUSTOMER CONSENTS TO THE JURISDICTION OF THE FEDERAL AND STATE COURTS LOCATED THEREIN, SUBMITS TO THE JURISDICTION THEREOF AND WAIVES THE RIGHT TO CHANGE VENUE. CUSTOMER FURTHER CONSENTS TO THE EXERCISE OF PERSONAL JURISDICTION BY ANY SUCH COURT WITH RESPECT TO ANY SUCH PROCEEDING. Miscellaneous. If any term or condition of this Limited Warranty is found by a court of competent jurisdiction to be invalid, illegal or otherwise unenforceable, the same shall not affect the other terms or conditions hereof or thereof or the whole of this Limited Warranty. Any delay or failure by Therma-Stor to exercise any right or remedy will not constitute a waiver of Therma- Stor to thereafter enforce such rights.


















