PORTACOOL PAC2KCYC01 CYCLONE Evaporative Cooler

QUICK SET UP
- Remove box and palette
- Position product on level surface
- Fill sump or attach water hose
- Plug into appropriate outlet

- Fill the tank, then turn on the pump switch and the fan.
For setup, pads should appear wet before starting the fan. Check the water gauge to monitor water level in tank.The water flow valve on each unit is set at max flow. However, ensure the knob is turned completely to the left before use. Turn to the left to increase water flow. Less water is required for cooling in more humid environments.
OVERVIEW
CYCLONE 3000 OVERVIEW
PAC2KCYC01, PAC2KCYC01A
CYCLONE 3200 OVERVIEW
PACCYC04, PACCYC04A
CYCLONE 2000 OVERVIEW
PACCYC02, PACCYC02A
CYCLONE 2200 OVERVIEW
PACCYC03, PACCYC03A
CYCLONE 1000 OVERVIEW
PACCYC06 
SAFETY INFORMATION
OPERATION WARNINGS
- Not intended for use by children
- Not intended for use by persons with reduced physical, sensory, or mental capabilities
- Not intended for use by persons with lack of experience and knowledge, unless they have been given instruction and are supervised during operation
- Children should be supervised to ensure they do not play with the appliance
SAFE OPERATION
To reduce the risk of electric shock, fire, or injury:
- Do not operate any product with a damaged cord or plug. Discard product or return to place of purchase for examination and/or repair.
- Do not run cord under carpeting. Do not cover cord with throw rugs, runners, or similar coverings. Arrange cord away from traffic area so it will not be tripped over.
- Read instructions and labels carefully.
- Always unplug the electric cord to the Portacool evaporative cooler before performing inspections or repairs.
- Plug into three-prong grounded GFCI protected electrical receptacle only.
- Do not step on or roll over power cord with heavy or sharp objects.
- Do not operate evaporative cooler unless all pads are securely in place.
- Remove the plug from the electrical receptacle by pulling on the plug and not the cord.
- Test the GFCI receptacle or breaker monthly to ensure it is functioning properly.
- Do not operate near open containers of flammable liquids or gases.
- Ensure evaporative cooler pumps are running continuously to saturate and wet combustible media when used in close proximity to open flame or spark producing activities. A distance of at least 35 feet away from open flame or sparks is recommended to ensure safe operation.
- Never wash the evaporative cooler cabinet with a garden hose; water may harm the motor and electrical system.
- If the product is damaged or malfunctions, do not continue to operate it. Refer to the warranty, troubleshooting or FAQ section, call Portacool, LLC, Technical Support at 1- 888-266-5243, or email s[email protected].
GENERAL OPERATION
Electrical Connection
THE PRODUCT MUST BE IN UPRIGHT POSITION WITH COOLING PADS INSTALLED!
All models utilize a single power cord and control switches. Before connecting the plug to an outlet, ensure there is no standing water where the cord may lie or
where the operator is standing. The use of separate multiple outlet devices is not recommended. When making electrical connections, ensure compliance to local and national codes. Use only with GFCI Protected Receptacles. Please refer to the Barcode Product Label on the side of the product for specific electrical requirements.
OPERATING PROCEDURES
Specifications
Each Portacool evaporative cooler has its own set of operational specifications, sizes, weights, voltage frequency, current requirements, etc. Please ask for the specifications for your model from your distributor, check the serial number plate, or visit www.portacool.com for the specifications for your product.
Placement of the Portacool Evaporative Cooler
There are three primary considerations when deciding where to place the Portacool evaporative cooler.
- Make sure there is a clear, unobstructed path to provide maximum airflow.
- If the evaporative cooler is positioned on a raised platform, ensure the platform constructed for holding the product is stable, well constructed, and will not allow the product to tip over and that it allows for the full weight of the evaporative cooler including water in the tank. The product must be level and in the upright position.
- If placed near a wall or other obstruction, position the product a minimum of 3 feet (0.9 meters) from the wall or obstruction with pads facing the wall. This
allows the unrestricted flow of warm air to the cooling pad side of the product. When using multiple products in close proximity, be sure to aim the product so the air flows complement each other to achieve maximum cooling capacity.
Starting the Pump and Adjusting the Water Flow
Once the water tank is full, moving the pump switch to the “ON” position will turn on the pump. When initially turning on the pump, the level in the water tank will drop suddenly and restart the flow of supply water. This is a normal condition, as the cooling pads require a large amount of water for proper wetting.
When the Portacool evaporative cooler is new, the new pads will require an initial ‘breaking-in’ period. This period is required for the pads to begin readily absorbing water. It may require up to a week to achieve maximum efficiency.
It is important to ensure that the spray bar is properly adjusted when first starting the water flow in the Portacool evaporative cooler. Increasing the flow using the water flow valve (see Quick Setup on page 2) makes this adjustment. Proper water adjustment should leave the pads saturated with water, but not flooded. Pads should appear wet. However, cascading amounts of water can actually reduce cooling efficiency. Proper adjustment will prevent problems and increase cooling capacity. When properly adjusted, one or two dry streaks will appear across the pads.
When turning the evaporative cooler off at the end of the day or week, the pump should be turned off about 15 minutes before the fan to allow the cooling pads to dry. This will
increase the life of the pads.
Starting the Portacool Evaporative Cooler
COOLING PADS MUST BE INSTALLED AND CASTER LOCKS MUST BE ENGAGED
Start the fan by turning the fan switch to the ‘ON’ position. Step slowly through the speeds allowing the fan to obtain its full speed at the LOW speed before
going to HIGH.
MAINTENANCE & STORAGE
MAINTENANCE
- Keep the product clean to ensure peak operating performance.
- The rugged, corrosion-resistant construction ensures low maintenance will be required. However, in dusty or dirty environments, optional filters are available from your distributor or at www.portacoolparts.com.
Daily Maintenance
The pump should be turned off approximately 15 minutes before the fan is turned off. This will allow the cooling pads to dry out and extend their life. This also helps control the growth of mildew, mold, bacteria, and other odor-causing elements.
Weekly Maintenance
The product should be shut down and the water tank should be drained once a week. Closing the water flow valve and removing the drain plug will accomplish this. Once the water tank is drained and the power disconnected, the pads may be removed to allow cleaning of the water tank. Dust may collect in the water tank over time. Replace pads in correct airflow direction, referring to the label on the pads.
Storage
- Drain all water from the water tank and wipe clean, ensuring the pads and water tank are completely dry.
- Roll up the electrical power cord and secure it to ensure it will not be rolled over, tripped over, or caught in equipment.
- Cover the product completely to prevent dust build-up and store in a dry area. This also helps to prevent damage to the pads. Optional dust covers are available from your distributor or at www.portacoolparts.com.
The pump should be turned off approximately 15 minutes before the fan is turned off. This will allow the cooling pads to dry out and extend their life. This also helps control the growth of mildew, mold, bacteria, and other odor-causing elements.
TROUBLESHOOTING
The Portacool evaporative cooler consists of three systems — the fan system, the electrical system, and the water system. It is important to determine with which of the systems the problem is associated. Certain problems may be associated with more than one system. A careful check of all systems should be made to fully understand the extent of the problem.
CAUTION — DISCONNECT POWER BEFORE REMOVING COOLING PADS FROM THE PRODUCT!
NOTICE — POWER CORD MAY BE REPLACED ONLY BY THE MANUFACTURER OR QUALIFIED AGENT!
Repair and Replacement Procedures
Ensure all water is removed from the Portacool evaporative cooler and all power is disconnected. Remove all impediments to access the component you are check- ing or replacing.
REPLACING THE COOLING MEDIA PADS
The flap must be removed to allow access to the cooling pads. Start with the center pad, which can be tilted out from the top and lifted out of the drain trough.
The two pads to either side of the center pad may then be removed in the same manner. To remove the two outside pads, they must first be pulled sideways toward the center of the Portacool evaporative cooler until they clear the side retainer before removing in the same manner as the other pads.
- Locate the set screw in the rear of the unit on the upper right side of the pad flap.
- Remove set screw and lower pad flap to vertical position.
- Once the pad flap is moved, grasp the middle pad and tilt out at a 90 degree angle.
- Pull the pad up to remove from unit. Repeat for other pads.
The following troubleshooting guide is intended to address the most common symptoms which may occur. If you are unable to resolve the issue, please call Technical Support. Turn off all power to the cooler before attempting to troubleshoot any of the following symptoms.

TECHNICAL SUPPORT
TECHNICAL SUPPORT
Technical support and service is available directly from your distributor or call Portacool, LLC Technical Support Hot Line at 888-266-5243 for the distributor nearest you. You may also contact the Support Hot Line for consultation on troubleshooting and parts replacement.
Please have serial number and model number of product available.
WARRANTY AND REPLACEMENT PARTS
PORTACOOL® Evaporative Cooler Limited Warranty
All Portacool Cyclone evaporative coolers are warrantied for one full year from date of purchase. This warranty covers defects in original material, workmanship, parts, and components. To ensure that the warranty is put into effect, be sure to submit the warranty registration online or complete the warranty card that is shipped with your unit. Please register online at http://www.portacool.com. Factory-authorized personnel will make the final determination concerning repairing or
replacing parts or components based on customer claims.
All transportation charges on parts submitted for replacement or repair under this warranty must be borne by the purchaser. Portacool, LLC., will not be held liable for any incidental or consequential damages. This warranty is declared void if the equipment is found to have been misused, abused or tampered with by
unauthorized personnel.
To expedite your request, please submit the RMA form found on our website at info.portacool.com/returnshold
RETURNS
Returned Merchandise Authorization (RMA) Procedures
All Portacool evaporative coolers, parts, or materials being returned to Portacool, LLC for warranty replacement or repair require an RMA (Return Merchandise
Authorization) number.
Warranty parts can be replaced by:
- The distributor can purchase the part with an RMA number and will only be charged for the cost of the part, not for the shipping. When the defective part is returned freight paid, the distributor’s account will be credited for the cost of the part.
- The defective part need to be returned to Portacool, LLC, labeled with the RMA number within 90 days of receipt of replacement parts.
- The customer/distributor can call Tech Support to get an RMA number to send the defective part back to Portacool, LLC. Once the part is received by Portacool, a replacement part will be sent at no charge.
Information needed to get an RMA number:
- The product serial number or manufacturer date code
- The product model number (ex. PAC2K363S)
- The part number or description of the part to be replaced
Only major component parts need an RMA number, i.e. fans, motors, pumps, and some plumbing parts. For the replacement of small parts, the serial and model numbers are still required, but the parts do not need to be returned to Portacool, LLC.
For warranty replacement parts call Portacool® Technical Support at 1-888-266-5243. FAX: 936-598-1431.
Shipping Address
Portacool, LLC
721 FM 2468 Center, Texas 75935
Mailing Address:
Portacool, LLC
P.O. Box 2167 Center, Texas 75935
PARTS
CYCLONE 1000 PARTS
| ITEM | PART # | DESCRIPTION | ITEM | PART # | DESCRIPTION |
| 1 | ACCDOOR-C1-714 | WATER FILL DOOR | 22 | PUMP-CYC-3 | CYCLONE PUMP -OK4000 |
| 2 | ACCFRM-C1-715 | FILL DOOR FRAME | 23 | S-003 | 5/16 – 18 x1/2” TRUSS HEAD SCREW (2EA) |
| 3 | BLOWER-WHL-2CW | CYCLONE 2000 BLOWER WHEEL – CW | 24 | S-007 | 5/16 – 18 x 3/4 TRUSS HEAD SCREW (16EA) |
| 4 | BLWEHSG-C1-7162 | BLOWER HOUSING | 25 | S-011 | #8 x 9/16” WASHER HEAD SCREW |
| 5 | BLWRCVR-C1-7163 | BLOWER HOUSING COVER | 26 | S-818-58PPH | 8 – 18 x 5/8 PAN HEAD SCREW (24EA) |
| 6 | BOX-UL-02 | 1 & 2 SPEED ELECTRICAL BOX | 27 | S-1016-1PPH | 10-16×1 PHILLPS SELF-TAP SCREW (12EA) |
| 7 | CASTER-3-NL | 3” NON-LOCKING CASTER | 28 | SGTFRM-C1-711 | SIGHT GLASS FRAME FOR CYCLONE1000 |
| 8 | CLAMP-01 | 1/2” WIRE TUBING CLAMP | 29 | SGTGLS-C1-719 | SIGHT GLASS W/EXTERNAL FRAME |
| 9 | COVER-C1-716 | TOP TRAY COVER, CYCLONE1000 | 30 | SPIN-FTG-02 | 1/4” SPIN FITTING FOR 16” UNIT |
| 10 | CTRL-2SPD-01 | 2-SPEED SWITCH SET | 31 | SPLASHGUARD-C1 | SPLASH GUARD CYCLONE1000 |
| 11 | CYCLONE-H-10 | CYCLONE 1000 HOUSING (BLACK) | 32 | SPRAY-ACC-01 | #012 NYLON CLIP |
| 12 | DRAIN-PLUG-01 | 1/4” NPT PLUG #P-28 | 33 | SWITCHPL-2SPD-T | SWITCH COVER PLATE – 2SPD(TPI) |
| 13 | FLOAT-CYC-717 | FLOAT FOR CYCLONE1000 | 34 | TRAY-ACC-C1 | BOTTOM DRIP TRAY CAP/COVER |
| 14 | FRNTPNL-C1-7112 | FRONT PANEL, WITH LOUVERS | 35 | TRAY-C1-713 | DRIP TRAY WITH CAP/VALVE |
| 15 | HOSE-FTG-09 | 1/2” BARB FLOW RESTRICTOR | 36 | TOG-BOOT-01 | BLK RUBBER TOGGLE-SWITCH BOOT |
| 16 | MOTOR-017-01 | CYCLONE 1000 2-SPEED MOTOR (B-O) | 37 | TUBE-01 | 1/2” ID SOFT PLASTIC TUBE |
| 17 | MTR-BRKT-C1 | BLOWER HOUSING SUPPORT BRACKET | 38 | WASHER-04 | 5/16 LOCK WASHER |
| 18 | MUC-ACC-02 | CHRISTMAS TREE FASTENER (5EA) | 39 | FLOAT-CYC-03 | FLOAT VALVE FOR CYCLONE UNITS |
| 19 | PAD-BRACKET-C1 | PAD RETENTION BRACKET | 40 | PAC-PLB-01 | INLET HOSE ADAPTER |
| 20 | PADMF4022/G | 4”x12”x22” MICROFLUTE 45/46 | |||
| 21 | POWERCORD-02F | 10” POWER CORD WITH BRASS NUT/WASHER | |||
CYCLONE 3000 PARTS
| ITEM | PART # | DESCRIPTION | ITEM | PART # | DESCRIPTION | |
| 1 | BASE-CYCLONE | CADDY FRAME | 18 | PAC-PLB-01 | INLET HOSE ADAPTER | |
| 2 | BLOWER-01 | BLOWER HOUSING | 19 | PAD6022.5/26 | KUUL PAD SET FOR CYCLONE | |
| 3 | BLOWER-WHL-01 | BLOWER WHEEL | 20 | POLY-FTG-06 | 90 DEG. FITTING FOR SIGHT TUBE | |
| 4 | BONNET-05 | BONNET | 21 | POWERCORD-02F | 10ft POWER CORD W / DOME STRAIN RELIEF | |
| 5 | BOX-UL-02 | 2 SPD UL ELECTRICAL BOX | 22 | PUMP-BRACKET-#4 | ALUM. BAR PUMP BRACKET | |
| 6 | CAPACITOR-01 | PSU 25-30 CAPACITOR | 23 | PUMP-CYC-3 | CYCLONE PUMP – OK400 | |
| 7 | CAPBOOT-01 | WATER PROOF BOOT FOR CAPACITOR | 24 | S-006 | TEC SCREW S006 | |
| 8 | CASTER-3-L | 3″ LOCKING CASTERS | 25 | S-009 | 10/24 x 3/3 TRUSS HEAD SCREW | |
| 9 | CASTER-3-NL | 3″ CASTERS | 26 | S-014 | 5/16 x 1″ TRUSS HEAD SCREW | |
| 10 | CLAMP-01 | 1/2″ WIRE SPRING CLAMP | 27 | S-017 | 5/16 – 18 x 1.5″ TRUSS HEAD SCREW | |
| 11 | CTRL-2SPD-01 | 2-SPEED SWITCH ASSEMBLY | 28 | SPRAY-CYC-01 | 16″ SPRAY BAR | |
| 12 | CTRL-VLV-BRKT-1 | VALVE-01 MOUNTING BRACKETS | 29 | SPRAY-ACC-04 | SPRAY BAR CLIP | |
| 13 | DRAIN-PLUG-01 | DRAIN PLUG | 30 | SWITCHPL-2SPD | 2 SPEED SWITCH PLATE | |
| 14 | FLAP-05 | FLAP | 31 | TOG-BOOT-01 | RUBBER TOGGLE SWITCH BOOT (2) | |
| 15 | FLOAT-CYC-03 | FLOAT VALVE FOR CYCLONE UNITS | 32 | VALVE-01 | PUMP TO SPRAY BAR CONTROL VALVE | |
| 16 | LOUVERS-CYC-16 | CYCLONE 3000 LOUVER W/MESH | 33 | TUBE-01 | PUMP TO SPRAY BAR TUBING | |
| 17 | MOTOR-013-07 | 1/3 HP – 2SPD MOTOR | 34 | TUBE-03 | SIGHT TUBE |

CYCLONE 2000 PARTS
| ITEM | PART # | DESCRIPTION | ITEM | PART # | DESCRIPTION | |
| 1 | BLOWER-02 | BLOWER HOUSING – CYCLONE2000 | 17 | MOTOR-016-01 | CYCLONE2000 – 2SPD MOTOR | |
| 2 | BLOWER-WHL-2CW | CYCLONE2000 BLOWER WHEEL (PART 1) | 18 | PAC-PLB-14 | INLET HOSE ADAPTER | |
| 3 | BLOWER-WHL-3CCW | CYCLONE2000 BLOWER WHEEL (PART 2) | 19 | PAD6019/22 | KUUL PAD SET FOR CYCLONE2000 | |
| 4 | BONNET-06 | 22.5″ EXTRUDED BONNET-CYCLONE2000 | 20 | PUMP-BRACKET-5 | PUMP MOUNT BRACKET | |
| 5 | BOX-UL-02 | 1 & 2 SPD UL ELECTRICAL BOX | 21 | PUMP-CYC-3 | CYCLONE PUMP – OK400 | |
| 6 | CAPACITOR-04 | RUN CAPACITOR FOR CYCLONE2000 | 22 | S-002 | TEC SCREW S006 | |
| 7 | CASTER-3-L | 3″ LOCKING CASTERS | 23 | S-007 | 10/24 x 3/3 TRUSS HEAD SCREW | |
| 8 | CASTER-3-NL | 3″ CASTERS | 24 | S-011 | 5/16 x 1″ TRUSS HEAD SCREW | |
| 9 | CLAMP-01 | 1/2″ WIRE SPRING CLAMP | 25 | SPRAY-CYC-02 | SPRAY BAR | |
| 10 | CTRL-2SPD-01 | 2-SPEED SWITCH ASSEMBLY | 26 | SPRAY-ACC-01 | SPRAY BAR CLIP | |
| 11 | CTRL-VLV-BRKT | VALVE-01 MOUNTING BRACKETS | 27 | SPIN-FTG-02 | SPIN FITTING FOR 16″ UNIT | |
| 12 | DRAIN-PLUG-01 | DRAIN PLUG | 28 | SWITCHPL-2SPD | 2 SPEED SWITCH PLATE | |
| 13 | FLAP-CYC-2 | FLAP/SPLASHGAURD-CYCLONE2000 | 29 | TOG-BOOT-01 | RUBBER TOGGLE SWITCH BOOT (2) | |
| 14 | FLOAT-CYC-03 | FLOAT VALVE | 30 | VALVE-01 | PUMP TO SPRAY BAR CONTROL VALVE | |
| 15 | LOUVERS-CYC-11 | LOUVER W/MESH – CYCLONE2000 | 31 | TUBE-01 | PUMP TO SPRAY BAR TUBING | |
| 16 | POWERCORD-02F | 10ft POWER CORD W / DOME STRAIN RELIEF |

CYCLONE 2200 PARTS
| ITEM# | PART # | DESCRIPTION | ITEM# | PART # | DESCRIPTION | |
| 1 | BLOWER-02 | BLOWER HOUSING – CYCLONE2000 | 16 | MOTOR-016-01 | CYCLONE2000 – 2SPD MOTOR | |
| 2 | BLOWER-WHL-2CW | CYCLONE2000 BLOWER WHEEL (PART 1) | 17 | PAC-PLB-14 | INLET HOSE ADAPTER for CYCLONE2000 | |
| 3 | BLOWER-WHL-3CCW | CYCLONE2000 BLOWER WHEEL (PART 2) | 18 | PAD6019/22 | KUUL PAD SET FOR CYCLONE2200 | |
| 4 | BONNET-06 | 22.5” EXTRUDED BONNET-CYCLONE2000 | 19 | POWERCORD-02F | 10ft POWER CORD W / DOME STRAIN RELIEF | |
| 5 | BOX-UL-02 | 1 & 2 SPD UL ELECTRICAL BOX | 20 | PUMP-BRACKET-6 | PUMP MOUNT BRACKET-CYCLONE2000 | |
| 6 | CAPACITOR-04 | RUN CAPACITOR FOR CYCLONE2000 | 21 | PUMP-CYC-3 | CYCLONE PUMP – OK400 | |
| 7 | CASTER-3-L | 3” LOCKING CASTERS | 22 | S-002 | #8 x 3/4” TEK SCREW | |
| 8 | CASTER-3-NL | 3” CASTERS | 23 | S-007 | 5/16 -18 x 3/4 TRUSS HEAD SCREW | |
| 9 | CLAMP-01 | 1/2” WIRE SPRING CLAMP | 24 | S-011 | #8 x 9/16” WASHER HEAD SCREW | |
| 10 | CTRL-2SPD-01 | 2-SPEED SWITCH ASSEMBLY | 25 | SPRAY-CYC-02 | SPRAY BAR FOR CYCLONE2000 | |
| 11 | CTRL-VLV-BRKT | VALVE-01 MOUNTING BRACKETS | 26 | SPRAY-ACC-01 | SPRAY BAR CLIP | |
| 12 | DRAIN-PLUG-01 | DRAIN PLUG | 27 | SWITCHPL-2SPD-T | 2 SPEED SWITCH PLATE | |
| 13 | FLAP-CYC-2 | FLAP/SPLASHGAURD-CYCLONE2000 | 28 | TOG-BOOT-01 | RUBBER TOGGLE SWITCH BOOT (2) | |
| 14 | FLOAT-CYC-03 | FLOAT VALVE | 29 | VALVE-01 | PUMP TO SPRAY BAR CONTROL VALVE | |
| 15 | LOUVERS-CYC-11 | LOUVER W/MESH – CYCLONE2000 | 30 | TUBE-01 | PUMP TO SPRAY BAR TUBING |
CYCLONE 3200 PARTS
| ITEM | PART # | DESCRIPTION | ITEM | PART # | DESCRIPTION |
| 1 | BASE-CYCLONE | CADDY FRAME | 18 | PAC-PLB-14 | INLET HOSE ADAPTER |
| 2 | BLOWER-01 | BLOWER HOUSING | 19 | PAD6022.5/26 | 6”x12”x22” KUUL PAD FOR CYCLONE |
| 3 | BLOWER-WHL-01 | BLOWER WHEEL | 20 | POLY-FTG-06 | 90 DEG. FITTING FOR SIGHT TUBE |
| 4 | BONNET-05 | BONNET | 21 | POWERCORD-02F | 10ft POWER CORD W / DOME STRAIN RELIEF |
| 5 | BOX-UL-02 | 2 SPD UL ELECTRICAL BOX | 22 | PUMP-BRACKET-#4 | ALUM. BAR PUMP BRACKET |
| 6 | CAPACITOR-01 | PSU 25-30 CAPACITOR | 23 | PUMP-CYC-3 | CYCLONE PUMP – OK400 |
| 7 | CAPBOOT-01 | WATER PROOF BOOT FOR CAPACITOR | 24 | S-006 | TEC SCREW S006 |
| 8 | CASTER-3-L | 3” LOCKING CASTERS | 25 | S-009 | 10/24 x 3/3 TRUSS HEAD SCREW |
| 9 | CASTER-3-NL | 3” CASTERS | 26 | S-014 | 5/16 x 1” TRUSS HEAD SCREW |
| 10 | CLAMP-01 | 1/2” WIRE SPRING CLAMP | 27 | S-017 | 5/16 – 18 x 1.5” TRUSS HEAD SCREW |
| 11 | CTRL-2SPD-01 | 2-SPEED SWITCH ASSEMBLY | 28 | SPRAY-CYC-01 | 16” SPRAY BAR |
| 12 | CTRL-VLV-BRKT-1 | VALVE-01 MOUNTING BRACKETS | 29 | SPRAY-ACC-04 | SPRAY BAR CLIP |
| 13 | DRAIN-PLUG-01 | DRAIN PLUG | 30 | SWITCHPL-2SPD | 2 SPEED SWITCH PLATE |
| 14 | FLAP-05 | FLAP | 31 | TOG-BOOT-01 | RUBBER TOGGLE SWITCH BOOT (2) |
| 15 | FLOAT-CYC-03 | FLOAT VALVE FOR CYCLONE UNITS | 32 | TUBE-01 | PUMP TO SPRAY BAR TUBING |
| 16 | LOUVERS-CYC-16 | CYCLONE 3000 LOUVER W/MESH | 33 | TUBE-03 | SIGHT TUBE |
| 17 | MOTOR-013-07B | 1/3 HP – 2SPD MOTOR (BO) | 34 | VALVE-01 | PUMP TO SPRAY BAR CONTROL VALVE |

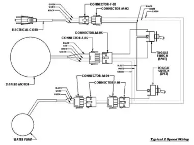
WIRING DIAGRAM
FREQUENTLY ASKED QUESTIONS
Q. WHAT ASSEMBLY IS REQUIRED?
A. None. Portacool Cyclone units are ready to use right out of the box.
Q. HOW DO I PREPARE MY PORTACOOL PRODUCT FOR STORAGE?
A. Drain the product, dry out the pads, cover the product, and store in a dry place.
Q. I JUST RAN THE COOLER FOR THE FIRST TIME AND THERE’S AN UNPLEASANT ODOR!
A. The pads, located in the back of your Portacool product, have never been wet before. The resin in the pads will emit an odor the first time you wet them that lasts approximately one to three weeks. Keep the product in an open area until the odor goes away or put a capful of laundry softener directly in the tank in the bottom of your product. After approximately two weeks of operation, the odor should disappear.
Q. MY PORTACOOL PRODUCT ISN’T PUTTING OUT ANY COOL AIR.
A. First, make sure the water source and electricity source are connected and working. Second, check to see if the pads are damp. If not, adjust the water flow with the water adjustment valve. Third, make sure there is water in the tank. It should be allowed to fill before you turn the pump on.
Q. WHAT IS THE BEST ENVIRONMENT TO PRODUCE THE MOST COOL AIR?
A. For optimum performance, the temperature should be 85˚ F or higher and the relative humidity should be below 75%. However, Portacool products will reduce the temperature in almost any environment, making it more pleasant.
Q. HOW OFTEN DO PADS HAVE TO BE REPLACED?
A. Depending on the quality of maintenance and frequency of use, pads typically last up to five years.
Q. WHAT IS THE DIFFERENCE BETWEEN EVAPORATIVE COOLING AND MISTING SYSTEMS?
A. Misting units spray a shower of water into the air that will collect on people, objects, equipment, floors, etc. Portacool products use the process of evaporation to produce cooler air, but do not discharge a mist.
Q. WHERE CAN I BUY REPLACEMENT PARTS?
A. Replacement parts may be purchased from any Portacool product distributor or directly from Portacool Parts/Technical Support department. You may also visit www.portacoolparts.com to order online.
Q. WHAT IS THE AMOUNT OF MOISTURE PRODUCED?
A. An increase in humidity of approximately two to five percent is produced, depending on the temperature and humidity of the environment. This increase is not noticeable in a ventilated area where the air produced by the unit is exhausted.
Q. HOW LONG WILL THE WATER SUPPLY LAST IN THE TANK?
A. With no direct water source available, the water will evaporate in a filled water tank within two to 10 hours of operation, depending on the water capacity of the product, ambient conditions, temperature, and humidity. A water source for refilling the tank is recommended by the manufacturer.
Q. WHERE ARE THE MODEL AND SERIAL NUMBERS FOUND?
A. The model number can be found on a metal plate on the outside of the product. Model numbers begin with the letters “PAC.” Serial numbers are all-digits.
Q. WHAT IF MY QUESTIONS AREN’T ANSWERED HERE?
A. Our Tech Support staff is available 8 a.m. to 5 p.m. Central Time, Monday though Friday at 1-888-COOL-AID or you can e-mail them at [email protected].
CUSTOMER SERVICE CONTACT
1-936-598-5651 • 1-800-695-2942 [email protected]
TECHNICAL/PARTS CONTACT
1-936-598-5651 • 1-888-COOLAID [email protected]
VISIT PORTACOOL.COM
OR CALL 1-936-598-5651 FOR MORE INFORMATION
Portacool, LLC • Manufacturer of Portacool™ portable evaporative coolers and KÜÜL® Pads evaporative media 709 Southview Circle • Center, Texas 75935 • 936-598-5651
www.portacool.com
www.kuulpads.com


The following troubleshooting guide is intended to address the most common symptoms which may occur. If you are unable to resolve the issue, please call Technical Support. Turn off all power to the cooler before attempting to troubleshoot any of the following symptoms.



















