PORTACOOL PACLND02 ISLANDER Portable Evaporative Cooler Owner’s Manual

Assembly INSTRUCTIONS


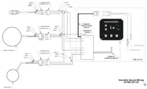
ISLANDER OVERVIEW

DIGITAL CONTROL PANEL
The user interface includes touch sensitive buttons for operation of the Porta cool Islander. The user interface also includes status indicator
LEDs and a 7-segment display to show the cooling unit’s status.
- Power
The green Power LED is illuminated when the unit is plugged in. - Water level
The red water level LED is illuminated when the float switch detects a low water level and the pump is not turning on. This LED flashes if the pump is running during a low water occurrence to indicate that more water needs to be added in order to continue running the pump. - Timer
The controller features five pre-programmed modes which control the fan / pump sequence for a pre-defined period. The LED flashes slowly if continuously held and flashes quickly if the timer is enabled and then the Pump or Fan buttons are continuously held, prompting the user to turn off the timer in order to exit fan and pump operation. The green Timer LED is illuminated when the Timer button is activated. Each touch of the program button cycles through the five modes: 1HR, 2HR, 4HR, 8HR, and TIMER OFF. During the program run, the user can adjust the maximum fan speed with the up/down buttons. When the program is active, the Timer LED will be on and, for five seconds, the user will be shown which program (1H, 2H, 4H, or 8H) is active. - Pump
Press the pump button once to power on and again to power off. The green Pump LED is illuminated when the pump is enabled.
The LED flashes slowly if continuously held and the timer is disabled. - Fan
When the fan is off, touch the fan button once to turn the fan on in full speed. When the fan is on, touch of the Fan button again to turn the fan off. The green Fan LED is illuminated when the fan is active. The LED flashes slowly if continuously held and the timer is disabled. - Speeds
The buttons control the air velocity of the unit. Beginning with “Lo”, or 50% air flow, up to “Hi” or 100% airflow and increasing in five percent increments. - Segment LED Display
LEDs are used to display the status of the cooling unit. The LED flashes slowly if continuously held and flashes quickly if the timer is enabled and then the Pump or Fan buttons are continuously held, prompting the user to turn off the timer in order to exit fan and pump operation.
Two digits display the unit’s temperature, fan speed, and timer program. If the unit does not have a temperature sensor connected, the display will constantly show fan speed. If the unit does feature a temperature sensor, then the temperature is displayed unless: a fan speed change is being called upon either by means of the up/down button or by the timer’s program. When a fan speed change is requested, the fan speed will be displayed for five seconds before returning to the unit temperature.
LOCK OUT FEATURE
If the operator would like to lock settings so that they can’t be adjusted, simply press the “up” arrow and the fan button simultaneously to lock the controls. To unlock, press the
“down” button and the fan icon. When enabled, “L-E”, or “Lock Enabled”, will be displayed in the LED.
PRE-PROGRAMMED TIMER FUNCTION
- PUMP STARTS (INCLUDES FIVE SECOND DELAY TO ALLOW WATER TO START REACHING THE PADS)
- FAN STARTS AT 100% (HI) SPEED (A “KICK START” FOR BEST VARIABLE SPEED MOTOR OPERATION)
- FAN RAMPS DOWN TO 50% SPEED
- FAN RAMPS UP TO FULL SPEED IN 10% STEPS AT ONE MINUTE INTERVALS (BEGIN INCREASING AIRFLOW AS THE PADS WET
OUT FOR BEST EFFICENCY) - FAN RUNS AT MAXIMUM SPEED FOR THE DURATION OF THE TIMER SETTING (100% SPEED IS DEFAULT, OR IT CAN BE WHATEVER
THE USER SELECTS) - PUMP SHUTS OFF WHEN TIMER SETTING EXPIRES
- FAN RAMPS DOWN TO 50% SPEED
- FAN RUNS 30 MINUTES (PAD DRYING PERIOD)
- FAN SHUTS OFF
SAFETY INFORMATION
OPERATION WARNINGS
- Not intended for use by children.
- Not intended for use by persons with reduced physical, sensory, or mental capabilities.
- Not intended for use by persons with lack of experience and knowledge, unless they have been given instruction and are supervised during operation.
- Children should be supervised to ensure they do not play with the appliance
SAFE OPERATION
To reduce the risk of electric shock, fire, or injury:
- Do not operate any product with a damaged cord or plug. Discard product or return to place of purchase for examination and/or repair.
- Do not run cord under carpeting. Do not cover cord with throw rugs, runners, or similar coverings. Arrange cord away from traffic area so it will not be tripped over.
- Read instructions and labels carefully.
- Always unplug the electric cord to the Portacool evaporative cooler before performing inspections or repairs.
- Plug into three-prong grounded GFCI protected electrical receptacle only.
- Do not step on or roll over power cord with heavy or sharp objects.
- Do not operate evaporative cooler unless all pads are securely in place.
- Remove the plug from the electrical receptacle by pulling on the plug and not the cord.
- Test the GFCI receptacle or breaker monthly to ensure it is functioning properly.
- Do not operate near open containers of flammable liquids or gases.
- Ensure evaporative cooler pumps are running continuously to saturate and wet combustible media when used in close proximity to open flame or spark producing activities.
A distance of at least 35 feet away from open flame or sparks is recommended to ensure safe operation. - Never wash the evaporative cooler cabinet with a garden hose; water may harm the motor and electrical system.
- If the product is damaged or malfunctions, do not continue to operate it. Refer to the warranty, troubleshooting or FAQ section, call Portacool, LLC, Technical Support at 1-888-266-5243, or email [email protected].
GENERAL OPERATION
All models utilize a single power cord and control switches. Before connecting the plug to an outlet, ensure there is no standing water where the cord may lie or where the operator is standing. The use of separate multiple outlet devices is not recommended. When making electrical connections, ensure compliance to local and national codes. Use only with GFCI Protected Receptacles. Please refer to the Barcode Product Label on the side of the product for specific electrical requirements.
OPERATING PROCEDURES
Specifications
Each Portacool evaporative cooler has its own set of operational specifications, sizes, weights, voltage frequency, current requirements, etc. Please ask for the specifications for your model from your distributor, check the serial number plate, or visit www.portacool.com for the specifications for your product.
Placement of the Portacool Evaporative Cooler
There are three primary considerations when deciding where to place the Portacool evaporative cooler.
- Make sure there is a clear, unobstructed path to provide maximum airflow.
- If the evaporative cooler is positioned on a raised platform, ensure the platform constructed for holding the product is stable, well constructed, and will not allow the product to tip over and that it allows for the full weight of the evaporative cooler including water in the tank. The product must be level and in the upright position.
- If placed near a wall or other obstruction, position the product a minimum of 3 feet (0.9 meters) from the wall or obstruction with pads facing the wall. This allows the unrestricted flow of warm air to the cooling pad side of the product. When using multiple products in close proximity, be sure to aim the product so the air flows complement each other to achieve maximum cooling capacity.
Starting the Pump and Adjusting the Water Flow
Once the water tank is full, moving the pump switch to the “ON” position will turn on the pump. When initially turning on the pump, the level in the water tank will drop suddenly and restart the flow of supply water. This is a normal condition, as the cooling pads require a large amount of water for proper wetting.
When the Porta cool evaporative cooler is new, the new pads will require an initial ‘breaking-in’ period. This period is required for the pads to begin readily absorbing water. It may require up to a week to achieve maximum efficiency. It is important to ensure that the water flow adjustment valve is properly adjusted when first starting the water flow in the Portacool evaporative cooler. Proper water adjustment should leave the pads saturated with water, but not flooded. Pads should appear wet. However, cascading amounts of water can actually reduce cooling efficiency. Proper adjustment will prevent problems and increase cooling capacity. When properly adjusted, one or two dry streaks will appear across the pads.
When turning the evaporative cooler off at the end of the day or week, the pump should be turned off about 15 minutes before the fan to allow the cooling pads to dry. This will increase the life of the pads.
Starting the Porta cool Evaporative Cooler
COOLING PADS MUST BE INSTALLED BEFORE STARTING THE PRODUCT
Start the fan by turning the fan switch to the ‘ON’ position. The fan starts on HIGH. Adjust the fan speed to suit cooling needs.
MAINTENANCE & STORAGE
MAINTENANCE
- Keep the product clean to ensure peak operating performance.
- The rugged, corrosion-resistant construction ensures low maintenance will be required.
Daily Maintenance
The pump should be turned off approximately 15 minutes before the fan is turned off. This will allow the cooling pads to dry out and extend their
life. This also helps control the growth of mildew, mold, bacteria, and other odor-causing elements.
Weekly Maintenance
The product should be shut down and the water tank should be drained once a week. Closing the water flow valve and removing the drain plug will accomplish this.
Once the water tank is drained and the power disconnected, the pads may be removed to allow cleaning of the water tank. Dust may collect in the water tank over time. Replace pads in correct airflow direction, referring to the label on the pads.
Storage
- Drain all water from the water tank and wipe clean, ensuring the pads and water tank are completely dry.
- Roll up the electrical power cord and secure it to ensure it will not be rolled over, tripped over, or caught in equipment.
- Cover the product completely to prevent dust build-up and store in a dry area. This also helps to prevent damage to the pads.
TROUBLESHOOTING
The Portacool evaporative cooler consists of three systems — the fan system, the electrical system, and the water system. It is important to determine with which of the systems the problem is associated. Certain problems may be associated with more than one system. A careful check of all systems should be made to fully understand the extent of the problem.
CAUTION — DISCONNECT POWER BEFORE REMOVING COOLING PADS FROM THE PRODUCT!
NOTICE — POWER CORD MAY BE REPLACED ONLY BY THE MANUFACTURER OR QUALIFIED AGENT!
Repair and Replacement Procedures
Ensure all water is removed from the Portacool evaporative cooler and all power is disconnected. Remove all impediments to access the component you are checking or replacing.
REPLACING THE COOLING MEDIA PADS

The screws and pad cover must be removed to allow access to the cooling pads. Once the set screws (see illustration, right) and pad cover are removed, the pads can be removed. Place your hand on the top of the pad and tilt the pad toward you. Then, lift out of the drain trough and set aside. To install new pads, place the bottom of the new pad set squarely in the bottom of the area at a 90 degree angle. Gently push the pads forward and into place until secure.
- Locate the screws on the top and bottom of the pad cover.
- Remove screws (see illustration, right) then pad cover.
- Once the pad cover is moved, grasp the middle pad and tilt out at a 90 degree angle.
- Pull the pad up to remove from unit.
The following troubleshooting guide is intended to address the most common symptoms which may occur. If you are unable to resolve the issue,
please call Technical Support. Turn off all power to the cooler before attempting to troubleshoot any of the following symptoms.
| SYMPTOM | POSSIBLE CAUSES | REMEDY |
| Product fails to start or deliver air | 1. No electrical power to product | 1. Check power |
| A. Circuit breaker tripped | A. Reset breaker* | |
| B. GFCI tripped | B. Reset GFCI* | |
| C. Cord(s) unplugged or damaged | C. Plug in cord(s) or replace if damaged | |
| * If condition persists, call electrician | ||
| 2. Motor overheated and/or frozen | 2. Replace motor | |
| Product starts but air delivery inadequate | 1. Insufficient air exhaust | 1. Open windows or doors |
| 2. Insufficient water – pad not wet | 2. Check water distribution system | |
| A. Cooling pads plugged | A. Clean or replace pads | |
| B. Dry streaks on pads | B. Check water level | |
| C. Large dry spots on pads | C. Make sure cooler is level, clean spray bar | |
| D. Pump not working | D. Clean or replace pump | |
| E. Loose water connections | E. Check for leaks and correct | |
| Water draining from cooler | 1. Float arm improperly adjusted | 1. Adjust float to proper level |
| 2. Seat in float valve leaking | 2. Replace float valve | |
| 3. Drain bushing/cap not tight | 3. Tighten fitting and/or cap | |
| Musty or unpleasant odor | 1. Stale or stagnant water in sump | 1. Drain, flush and clean sump |
| 2. Pads mildewed or clogged | 2. Replace pads | |
| 3. Pads not completely wet before cooler is turned on | 3. Turn on pump before starting fan | |
| Knocking, shaking, or rattling sounds | 1. Loose parts | 1. Check and tighten where needed |
| 2. Blower wheel loose or rubbing | 2. Inspect and adjust, or replace | |
| Water droplets in the discharge air stream | 1. Too much water delivered to the cooling pads | 1. Make sure pads are properly positioned in the frames and product is level |
| 2. Outdoor humidity level is too high or it is raining | 2. Use cooler as a fan only (turn pump off) or discontinue use of product until | |
| 3. Leaking hose | outdoor humidity level drops. |
TECHNICAL SUPPORT
TECHNICAL SUPPORT
Technical support and service is available directly from your distributor or call Portacool, LLC Technical Support Hot Line at 888-266-5243 for the distributor nearest you. You may also
contact the Support Hot Line for consultation on troubleshooting and parts replacement. Please have serial number and model number of product available.
WARRANTY AND REPLACEMENT PARTS
PORTACOOL™ Evaporative Cooler Limited Warranty
For three (3) years from date of purchase, Portacool, LLC (hereafter “Portacool”) warrants any original component part or parts of its Portacool™ Islander™ portable evaporative cooler (the “Equipment”) that are found, upon examination by factory-authorized personnel, to be defective in material or workmanship. All transportation charges for shipment of the Equipment and/or its component parts that are submitted for replacement or repair under this warranty must be borne by the purchaser. If the Equipment and/or its original component parts develop a defect covered by this limited warranty within the applicable time period described above, the same will be repaired or replaced at Portacool’s option. In the case of a breach of any implied or written warranty relating to the Equipment and/or its component parts, Portacool shall not be liable for any incidental or consequential damages, and the limits of liability against Portacool for any such breach shall not exceed the cost of replacement or repair of the Equipment. This warranty is void if the Equipment and/or its component parts are found to have been misused, abused, repaired by or tampered with by unauthorized or unqualified personnel.
All Portacool evaporative coolers, parts, or materials being returned to Portacool, LLC for warranty replacement or repair require an RMA (Return Merchandise Authorization) number. Warranty parts can be replaced by:
- The distributor can purchase the part with an RMA number and will only be charged for the cost of the part, not for the shipping. When the defective part is returned freight paid, the distributor’s account will be credited for the cost of the part.
- The defective part need to be returned to Portacool, LLC, labeled with the RMA number within 90 days of receipt of replacement parts.
- The customer / distributor can call Tech Support to get an RMA number to send the defective part back to Portacool, LLC. Once the part is received by Portacool, a replacement part will be sent at no charge.
Information needed to get an RMA number:
- The product serial number or manufacturer date code 2. The product model number (ex. PAC2K363S) 3. The part number or description of the part to be replaced Only major component parts need an RMA number, i.e. fans, motors, pumps, and some plumbing parts. For replacement of small parts, the serial and model numbers are still required, but the parts do not need to be returned to Portacool, LLC. For warranty replacement parts call Portacool® Technical Support at 1-888-266-5243. FAX: 936-598-1431. Shipping Address: Portacool, LLC, 721 FM 2468, Center, Texas 75935.
FREQUENTLY ASKED QUESTIONS
Q. WHAT IS THE BEST ENVIRONMENT FOR THE PORTACOOL ISLANDER® UNIT TO PRODUCE THE MOST COOL AIR?
A. For optimum performance, the temperature should be 85 degrees F or higher and the relative humidity should be below 75%. However, Portacool ISLANDER® units will reduce the temperature in almost any environment, making it more pleasant.
Q. WHAT IS THE DIFFERENCE BETWEEN EVAPORATIVE COOLING AND MISTING SYSTEMS?
A. Misting units spray a shower of water into the air that will collect on people, objects, equipment, floors, etc. The Portacool ISLANDER® unit uses the process of evaporation to produce cooler air, but does not discharge a mist.
Q. IS AN OUTSIDE AIR SOURCE REQUIRED FOR EVAPORATIVE COOLING?
A. Yes. The introduction of outside air is what keeps the air fresh and optimizes the evaporative cooling process. The Portacool ISLANDER® is great for outdoor use, but can also be used in open interior areas by placing the unit next to a door or window that’s slightly open.
Q. WHERE CAN I BUY REPLACEMENT PARTS?
A. Unit replacement parts may be purchased from any Portacool® product distributor or directly from Portacool® Parts/Technical Support department. You may also visit www. Portacoolparts.com to order online.
Q. HOW OFTEN DO PADS HAVE TO BE REPLACED?
A. Depending on the quality of maintenance and frequency of use, pads typically last up to five years. However, should you have any questions about the life of the pads for your unit, please call our tech support department for more detailed information about replacing your pads.
Q. WHERE CAN I DOWNLOAD A DIGITAL VERSION OF THIS MANUAL?
A. This manual is available for download on the Portacool website. Go to: http://www.Portacool.com/support.html to download.

PACLND02

REPLACEMENT PARTS LIST
| ITEM# | PART # | DESCRIPTION | ITEM# | PART # | DESCRIPTION | ITEM# | PART # | DESCRIPTION |
| 1 | ACCDOOR-PAT-208 | WATER FILL DOOR – BACK ACCESS PANEL MOUNTING | 17 | DRAIN-PLUG-34 | 3/4” NPT PLUG FOR DRAIN | 33 | PAC-PLB-14 | 1/4”X3/4” GHT BRASS FITTING Islander HOSE ADAPTER |
| 2 | AIRDUCT-PAT-203 | AIR DUCT 4 OUTLET LOUVER MOUNTING SECTION | 18 | DUCTTOP-PAT-204 | AIR DUCT TOP (2014) INTERNAL DIVERTER SECTION | 34 | PADMF4019/G | 4” X 12” X 19” MICROFLUTE 45/45 DEODORIZED PAD (3) |
| 3 | AIRFOIL-PAT-614 | ISLANDER AIRFOIL / PAD FRAME | 19 | FLAP-PAT-1 | PAD FLAP FOR PATIO UNIT | 35 | PAT-TANK-01 | 20 GALLON PATIO UNIT TANK |
| 4 | AIRSTACK-PAT-204 | AIRSTACK 19” PATIO UNIT (2) PER UNIT | 20 | FLOATSWITCH-11 | LOW WATER SENSOR SWITCH | 36 | POWERCORD-01 | 16’ POWERCORD WITH STRAIN RELIEF |
| 5 | BACKPNL-PAT-207 | BACK ACCESS PANEL – CONTROL MOUNTING SECTION | 21 | FLOAT-ACC-18 | FLOAT SUPPORT BRACKET | 37 | PUMP-BRACKET-7 | PUMP MOUNT BRACKET FOR ISLANDER UNIT |
| 6 | BASE-PAT-617 | CASTER BASE ASSEMBLY | 22 | FLOAT-CYC-03 | FLOAT VALVE FOR FOR Islander UNIT | 38 | PUMP-CYC-3 | Islander PUMP – OK400 |
| 7 | BLOWER-WHL-01 | Islander 3000 BLOWER WHEEL | 23 | GRILL-PAT-210 | PAD COVER GRILL (2014) PAD ACCESS COVER | 39 | S-1420-25BH | 1/4-20X2.5 BUTTON HEAD SCREW SOCKET CAP |
| 8 | BLOWER-01 | BLOWER HOUSING – Islander 3000 | 24 | HANDLE-PAT-210 | MID UNIT HANDLE | 40 | SENSOR-TEMP-11 | 10koHM TEMPERATURE SENSOR KIT |
| 9 | CAPACITOR-05 | 40uF CAPACITOR FOR MOTOR | 25 | HOSE-FTG-06 | 1/2” X 1/2” 9O DEG. BARB ADAPTER | 41 | SPIN-FTG-01 | SPIN FITTING FOR DRAIN |
| 10 | CAP-BOOT-01 | THERMAL INSULATOR FOR CAPACITOR | 26 | HOSE-FTG-08 | 1/2” 4-WAY BARB ADAPTER | 42 | SPRAY-ACC-04 | HAYCO CLAMP FASTENER |
| 11 | CASTERS-RDG-5 | 5” RIDGED POLYFIN CASTER | 27 | INNFRA-PAT-5120 | INNER FRAME WELD | 43 | SPRAY-PAT-01 | SPRAY BAR FOR PATIO UNIT |
| 12 | CLAMP-01 | WIRE TUBE CLAMP | 28 | LOUVERS-PAT-507 | LOUVERS FOR PATIO UNIT (4) (2014) | 44 | TOP-PAT-212 | ISLANDER TOP PIECE (HOOD)(2014) |
| 13 | CTRL-VS-12 | 90-250V 10/6 AMP ELECTRONIC TOUCH PAD CONTROL | 29 | MOTOR-MNT-ARM | Islander UNIT TRI-ARM MOTOR MOUNT | 45 | TRANS-PAT-205 | TRANSITION PIECE – BASE TO STACK (2) PIECES |
| 14 | COLHAN-PAT-614 | COLUMN HANDLE | 30 | MOTOR-MNT-BND-2 | Islander QUAD-MOTOR BELLY BAND | 46 | TUBETR-PAT-5122 | TUBING TRANSITION PIECE |
| 15 | COLSUP-PAT-5121 | COLOMN SUPPORT WELD | 31 | MOTOR-010-07 | PATIO UNIT VARIBLE SPEED MOTOR | 47 | TUBE-01 | SOFT PLASTIC TUBE |
| 16 | CORD-WRAP-01 | POWERCORD WRAP (2EA)(2014) | 32 | ORING-271-70 | 271 BUNA N 70 O-RING – 9.25 x 9.5 x .139 | 48 | VALVE-01 | FLOW CONTROL GATE VALVE |
CUSTOMER SERVICE CONTACT
1-936-598-5651 • 1-800-695-2942
[email protected]
TECHNICAL/PARTS CONTACT
1-936-598-5651 • 1-888-COOLAID
[email protected]
VISIT PORTACOOL.COM
OR CALL 1-936-598-5651
FOR MORE INFORMATION
Portacool, LLC • Manufacturer of Portacool™ portable evaporative coolers and KÜÜL® Pads evaporative media
709 Southview Circle • Center, Texas 75935 • 936-598-5651 • www.portacool.com • www.kuulpads.com



















