HiKOKI C1807DA 18V Cordless Circular Saw with Brushless Motor

Handling Instructions
























GENERAL POWER TOOL SAFETY WARNING
WARNING
Read all safety warnings, instructions, illustrations and specifications provided with this power tool.
Failure to follow all instructions listed below may result in electric shock, fi re and/or serious injury.
Save all warnings and instructions for future reference.
The term “power tool” in the warnings refers to your mains-operated (corded) power tool or battery-operated (cordless) power tool.
- Work area safety
- Keep work area clean and well lit.
Cluttered or dark areas invite accidents. - Do not operate power tools in explosive atmospheres, such as in the presence of flammable liquids, gases or dust.
Power tools create sparks which may ignite the dust or fumes. - Keep children and bystanders away while operating a power tool.
Distractions can cause you to lose control.
- Keep work area clean and well lit.
- Electrical safety
- Power tool plugs must match the outlet. Never modify the plug in any way. Do not use any adapter plugs with earthed (grounded) power tools.
Unmodified plugs and matching outlets will reduce risk of electric shock. - Avoid body contact with earthed or grounded surfaces, such as pipes, radiators, ranges and refrigerators.
There is an increased risk of electric shock if your body is earthed or grounded. - Do not expose power tools to rain or wet conditions.
Water entering a power tool will increase the risk of electric shock. - Do not abuse the cord. Never use the cord for carrying, pulling or unplugging the power tool. Keep cord away from heat, oil, sharp edges or moving parts.
Damaged or entangled cords increase the risk of electric shock. - When operating a power tool outdoors, use an extension cord suitable for outdoor use.
Use of a cord suitable for outdoor use reduces the risk of electric shock. - If operating a power tool in a damp location is unavoidable, use a residual current device (RCD) protected supply.
Use of an RCD reduces the risk of electric shock.
- Power tool plugs must match the outlet. Never modify the plug in any way. Do not use any adapter plugs with earthed (grounded) power tools.
- Personal safety
- Stay alert, watch what you are doing and use common sense when operating a power tool. Do not use a power tool while you are tired or under the influence of drugs, alcohol or medication.
A moment of inattention while operating power tools may result in serious personal injury. - Use personal protective equipment. Always wear eye protection.
Protective equipment such as a dust mask, non-skid safety shoes, hard hat or hearing protection used for appropriate conditions will reduce personal injuries. - Prevent unintentional starting. Ensure the switch is in the off -position before connecting to power source and/or battery pack, picking up or carrying the tool.
Carrying power tools with your finger on the switch or energizing power tools that have the switch on invites accidents. - Remove any adjusting key or wrench before turning the power tool on.
A wrench or a key left attached to a rotating part of the power tool may result in personal injury. - Do not overreach. Keep proper footing and balance at all times.
This enables better control of the power tool in unexpected situations. - Dress properly. Do not wear loose clothing or jewelry. Keep your hair and clothing away from moving parts.
Loose clothes, jewelry or long hair can be caught in moving parts. - If devices are provided for the connection of dust extraction and collection facilities, ensure these are connected and properly used.
Use of dust collection can reduce dust-related hazards. - Do not let familiarity gained from frequent use of tools allow you to become complacent and ignore tool safety principles.
A careless action can cause severe injury within a fraction of a second.
- Stay alert, watch what you are doing and use common sense when operating a power tool. Do not use a power tool while you are tired or under the influence of drugs, alcohol or medication.
- Power tool use and care
- Do not force the power tool. Use the correct power tool for your application.
The correct power tool will do the job better and safer at the rate for which it was designed. - Do not use the power tool if the switch does not turn it on and off.
Any power tool that cannot be controlled with the switch is dangerous and must be repaired. - Disconnect the plug from the power source and/or remove the battery pack, if detachable, from the power tool before making any adjustments, changing accessories, or storing power tools. Such preventive safety measures reduce the risk of starting the power tool accidentally.
- Store idle power tools out of the reach of children and do not allow persons unfamiliar with the power tool or these instructions to operate the power tool.
Power tools are dangerous in the hands of untrained users. - Maintain power tools and accessories. Check for misalignment or binding of moving parts, breakage of parts and any other condition that may affect the power tool’s operation. If damaged, have the power tool repaired before use.
Many accidents are caused by poorly maintained power tools. - Keep cutting tools sharp and clean.
Properly maintained cutting tools with sharp cutting edges are less likely to bind and are easier to control. - Use the power tool, accessories and tool bits etc. in accordance with these instructions, taking into account the working conditions and the work to be performed.
Use of the power tool for operations different from those intended could result in a hazardous situation. - Keep handles and grasping surfaces dry, clean and free from oil and grease.
Slippery handles and grasping surfaces do not allow for safe handling and control of the tool in unexpected situations.
- Do not force the power tool. Use the correct power tool for your application.
- Battery tool use and care
- Recharge only with the charger specified by the manufacturer.
A charger that is suitable for one type of battery pack may create a risk of fire when used with another battery pack. - Use power tools only with specifically designated battery packs.
Use of any other battery packs may create a risk of injury and fi re. - When battery pack is not in use, keep it away from other metal objects, like paper clips, coins, keys, nails, screws or other small metal objects, that can make a connection from one terminal to another.
Shorting the battery terminals together may cause burns or a fi re. - Under abusive conditions, liquid may be ejected from the battery; avoid contact. If contact accidentally occurs, flush with water. If liquid contacts eyes, additionally seek medical help. Liquid ejected from the battery may cause irritation or burns.
- Do not use a battery pack or tool that is damaged or modified.
Damaged or modified batteries may exhibit unpredictable behavior resulting in fi re, explosion or risk of injury. - Do not expose a battery pack or tool to fi re or excessive temperature.
Exposure to fi re or temperature above 130°C may cause explosion. - Follow all charging instructions and do not charge the battery pack or tool outside the temperature range specified in the instructions. Charging improperly or at temperatures outside the specified range may damage the battery and increase the risk of fi re.
- Recharge only with the charger specified by the manufacturer.
- Service
- Have your power tool serviced by a qualified repair person using only identical replacement parts.
This will ensure that the safety of the power tool is maintained. - Never service damaged battery packs.
Service of battery packs should only be performed by the manufacturer or authorized service providers.
- Have your power tool serviced by a qualified repair person using only identical replacement parts.
PRECAUTION
Keep children and infirm persons away.
When not in use, tools should be stored out of reach of children and infirm persons.
CORDLESS CIRCULAR SAW SAFETY WARNINGS
Cutting Procedures
- DANGER: Keep hands away from cutting area and the blade. Keep your second hand on auxiliary handle, or motor housing.
If both hands are holding the saw, they cannot be cut by the blade. - Do not reach underneath the workpiece.
The guard cannot protect you from the blade below the workpiece. - Adjust the cutting depth to the thickness of the workpiece.
Less than a full tooth of the blade teeth should be visible below the workpiece. - Never hold the workpiece in your hands or across your leg while cutting. Secure the workpiece to a stable platform.
It is important to support the work properly to minimize body exposure, blade binding, or loss of control. - Hold the power tool by insulated gripping surfaces, when performing an operation where the cutting tool may contact hidden wiring or its own cord. Contact with a “live” wire will also make exposed metal parts of the power tool “live” and could give the operator an electric shock.
- When ripping, always use a rip fence or straight edge guide.
This improves the accuracy of cut and reduces the chance of blade binding. - Always use blades with correct size and shape (diamond versus round) of arbor holes.
Blades that do not match the mounting hardware of the saw will run off-center, causing loss of control. - Never use damaged or incorrect blade washers or bolt.
The blade washers and bolt were specially designed for your saw, for optimum performance and safety of operation.
- Kickback is a sudden reaction to a pinched, jammed or misaligned saw blade, causing an uncontrolled saw to lift up and out of the workpiece toward the operator;
- When the blade is pinched or jammed tightly by the kerf closing down, the blade stalls and the motor reaction drives the unit rapidly back toward the operator;
- If the blade becomes twisted or misaligned in the cut, the teeth at the back edge of the blade can dig into the top surface of the wood causing the blade to climb out of the kerf and jump back toward the operator.
Kickback is the result of saw misuse and/or incorrect operating procedures or conditions and can be avoided by taking proper precautions as given below.
- Maintain a fi rm grip with both hands on the saw and position your arms to resist kickback forces. Position your body to either side of the blade, but not in line with the blade.
Kickback could cause the saw to jump backwards, but kickback forces can be controlled by the operator, if proper precautions are taken. - When blade is binding, or when interrupting a cut for any reason, release the trigger and hold the saw motionless in the material until the blade comes to a complete stop.
Never attempt to remove the saw from the work or pull the saw backward while the blade is in motion or kickback may occur.
Investigate and take corrective actions to eliminate the cause of blade binding. - When restarting a saw in the workpiece, center the saw blade in the kerf so that the saw teeth are not engaged into the material.
If a saw blade binds, it may walk up or kickback from the workpiece as the saw is restarted. - Support large panels to minimize the risk of blade pinching and kickback.
Large panels tend to sag under their own weight. Supports must be placed under the panel on both sides, near the line of cut and near the edge of the panel. - Do not use dull or damaged blades.
Unsharpened or improperly set blades produce narrow kerf causing excessive friction, blade binding and kickback. - Blade depth and bevel adjusting locking levers must be tight and secure before making the cut.
If blade adjustment shifts while cutting, it may cause binding and kickback. - Use extra caution when sawing into existing walls or other blind areas.
The protruding blade may cut objects that can cause kickback.
Lower Guard Function
- Check the lower guard for proper closing before each use. Do not operate the saw if the lower guard does not move freely and close instantly. Never clamp or tie the lower guard into the open position. If the saw is accidentally dropped, the lower guard may be bent. Raise the lower guard with the retracting handle and make sure it moves freely and does not touch the blade or any other part, in all angles and depths of cut.
- Check the operation of the lower guard spring. If the guard and the spring are not operating properly, they must be serviced before use.
Lower guard may operate sluggishly due to damaged parts, gummy deposits, or a build-up of debris. - The lower guard may be retracted manually only for special cuts such as “plunge cuts” and “compound cuts”. Raise the lower guard by the retracting handle and as soon as the blade enters the material, the lower guard must be released.
For all other sawing, the lower guard should operate automatically. - Always observe that the lower guard is covering the blade before placing the saw down on bench or floor.
An unprotected, coasting blade will cause the saw to walk backwards, cutting whatever is in its path. Be aware of the time it takes for the blade to stop after switch is released.
ADDITIONAL SAFETY WARNINGS
- Do not allow foreign matter to enter the hole for connecting the rechargeable battery.
- Never disassemble the rechargeable battery and charger.
- Never short-circuit the rechargeable battery. Short-circuiting the battery will cause a great electric current and overheat. It results in burn or damage to the battery.
- Do not dispose of the battery in fi re. If the battery is burnt, it may explode.
- When using this unit continuously, the unit may overheat, leading to damage in the motor and switch. Please leave it without using it for approximately 15 minutes.
- Do not insert object into the air ventilation slots of the charger. Inserting metal objects or inflammables into the charger air ventilation slots will result in electrical shock hazard or damaged charger.
- Using an exhausted battery will damage the charger.
- Bring the battery to the shop from which it was purchased as soon as the post-charging battery life becomes too short for practical use. Do not dispose of the exhausted battery.
- Wear earplugs to protect your ears during operation.
- Use only blade diameter specified on the machine.
- Do not use any abrasive wheel.
- Do not use saw blades which are deformed or cracked.
- Do not use saw blades made of high speed steel.
- Do not use saw blades which do not comply with the characteristics specified in these instructions.
- Do not stop the saw blades by lateral pressure on the disc.
- Always keep the saw blades sharp.
- Ensure that the lower guard moves smoothly and freely.
- Never use the circular saw with its lower guard fixed in the open position.
- Ensure that the retraction mechanism of the guard system operates correctly.
- Never operate the circular saw with the saw blade turned upward or to the side.
- Ensure that the material is free of foreign matters such as nails.
- The saw blades range should be from 190 mm to 180 mm.
- Pull out battery before carrying out any adjustment, servicing or maintenance.
- Be careful of brake kickback.
This circular saw features an electric brake that functions when the switch is released. As there is some kickback when the brake functions, be sure to hold the main body securely. - Ensure that the switch is in the OFF position. If the battery installed to power tool while the switch is in the ON position, the power tool will start operating immediately, which could cause a serious accident.
- Avoid cutting in the state where the base has floated up from the material.
When blade is binding, or when interrupting a cut for any reason, release the trigger and hold the saw motionless in the material until the blade comes to a complete stop. Never attempt to remove the saw from the work or pull the saw backward while the blade is in motion or KICKBACK may occur. Investigate and take corrective actions to eliminate the cause of blade binding. - Support large panels to minimize the risk of blade pinching and KICKBACK. Large panels tend to sag under their own weight. Supports must be placed under the panel on both sides, near the line of cut and near the edge of the panel. To minimize the risk of blade pinching and kickback. When cutting operation requires the resting of the saw on the work piece, the saw shall be rested on the larger portion and the smaller piece cut off.
- Use extra caution when making a “Pocket Cut” into existing walls or other blind areas. The protruding blade may cut objects that can cause KICKBACK.
NEVER place your hand or fingers behind the saw. If kickback occurs, the saw could easily jump backwards over your hand, possibly causing severe injury. - WARNING: It is important to support the work piece properly and to hold the saw firmly to prevent loss of control which could cause personal injury.
- Place the wider portion of the saw base on that part of the work piece which is solidly supported, not on the section that will fall off when the cut is made.
DON’T TRY TO HOLD SHORT PLACES BY HAND! - Never attempt to saw with the circular saw held upside down in a vise. This is extremely dangerous and can lead to serious accidents.
- When using the guide, do not attempt an inclined cut which would allow the cut material to slip between the saw blade and guide. Doing so could result in injury.
- Should lever remain loosened, it will create a very hazardous situation. Always thoroughly clamp it.
- It is very hazardous to allow lever to remain loosened. Always thoroughly clamp it.
- Prior to cutting operation, make sure the material you are going to cut. If the material to be cut is expected to generate harmful / toxic dusts, make sure the dust bag or appropriate dust extraction system is connected with dust outlet tightly.
Wear the dust mask additionally, if available.- Before starting to saw, confirm that the saw blade has attained full-speed revolution.
- Should the saw blade stop or make an abnormal noise while operating, promptly turn OFF the switch.
- Using the circular saw with the saw blade facing upwards or sideways is very hazardous. Such uncommon applications should be avoided.
- When cutting materials, always wear protective glasses.
- When finished with a job, pull out the battery.
- After having attached the saw blade, reconfirm that the lock lever is firmly secured in the prescribed position.
- Do not expose directly your eye to the light by looking into the light.
If your eye is continuously exposed to the light, your eye will be hurt. - Do not use the product if the tool or the battery terminals (battery mount) are deformed.
Installing the battery could cause a short circuit that could result in smoke emission or ignition. - Keep the tool’s terminals (battery mount) free of swarf and dust.
- Prior to use, make sure that swarf and dust have not collected in the area of the terminals.
- During use, try to avoid swarf or dust on the tool from falling on the battery.
- When suspending operation or after use, do not leave the tool in an area where it may be exposed to falling swarf or dust.
Doing so could cause a short circuit that could result in smoke emission or ignition.
- Do not use the tool with only the blower function.
- Always use the tool and battery at temperatures between -5°C and 40°C.
- Use a saw blade that is for cutting wood.
- Use a saw blade with a displayed speed that is equal to or higher than the rotation speed displayed on the tool.
CAUTION ON LITHIUM-ION BATTERY
To extend the lifetime, the lithium-ion battery equips with the protection function to stop the output.
In the cases of 1 to 3 described below, when using this product, even if you are pulling the switch, the motor may stop. This is not the trouble but the result of protection function.
- When the battery power remaining runs out, the motor stops.
In such a case, charge it up immediately. - If the tool is overloaded, the motor may stop. In this case, release the switch of tool and eliminate causes of overloading. After that, you can use it again.
- If the battery is overheated under overload work, the battery power may stop.
In this case, stop using the battery and let the battery cool. After that, you can use it again.
Furthermore, please heed the following warning and caution.
WARNING
In order to prevent any battery leakage, heat generation, smoke emission, explosion and ignition beforehand, please be sure to heed the following precautions.
- Make sure that swarf and dust do not collect on the battery.
- During work make sure that swarf and dust do not fall on the battery.
- Make sure that any swarf and dust falling on the power tool during work do not collect on the battery.
- Do not store an unused battery in a location exposed to swarf and dust.
- Before storing a battery, remove any swarf and dust that may adhere to it and do not store it together with metal parts (screws, nails, etc.).
- Do not pierce battery with a sharp object such as a nail, strike with a hammer, step on, throw or subject the battery to severe physical shock.
- Do not use an apparently damaged or deformed battery.
- Do not use the battery in reverse polarity.
- Do not connect directly to an electrical outlets or car cigarette lighter sockets.
- Do not use the battery for a purpose other than those specified.
- If the battery charging fails to complete even when a specified recharging time has elapsed, immediately stop further recharging.
- Do not put or subject the battery to high temperatures or high pressure such as into a microwave oven, dryer, or high pressure container.
- Keep away from fi re immediately when leakage or foul odor are detected.
- Do not use in a location where strong static electricity generates.
- If there is battery leakage, foul odor, heat generated, discolored or deformed, or in any way appears abnormal during use, recharging or storage, immediately remove it from the equipment or battery charger, and stop use.
- Do not immerse the battery or allow any fluids to fl ow inside. Conductive liquid ingress, such as water, can cause damage resulting in fire or explosion. Store your battery in a cool, dry place, away from combustible and flammable items. Corrosive gas atmospheres must be avoided.
CAUTION
- If liquid leaking from the battery gets into your eyes, do not rub your eyes and wash them well with fresh clean water such as tap water and contact a doctor immediately.
- If left untreated, the liquid may cause eye-problems. If liquid leaks onto your skin or clothes, wash well with clean water such as tap water immediately.
There is a possibility that this can cause skin irritation. - If you find rust, foul odor, overheating, discolor, deformation, and/or other irregularities when using the battery for the first time, do not use and return it to your supplier or vendor.
WARNING
If a conductive foreign matter enters in the terminal of lithium ion battery, the battery may be shorted, causing fire. When storing the lithium ion battery, obey surely the rules of following contents.
- Do not place conductive debris, nail and wires such as iron wire and copper wire in the storage case.
- To prevent shorting from occurring, load the battery in the tool or insert securely the battery cover for storing until the ventilator is not seen.
REGARDING LITHIUM-ION BATTERY TRANSPORTATION
When transporting a lithium-ion battery, please observe the following precautions.
WARNING
Notify the transporting company that a package contains a lithium-ion battery, inform the company of its power output and follow the instructions of the transportation company when arranging transport.
- Lithium-ion batteries that exceed a power output of 100 Wh are considered to be in the freight classification of Dangerous Goods and will require special application procedures.
- For transportation abroad, you must comply with international law and the rules and regulations of the destination country.
- If the BSL36B18 (sold separately) is installed in the power tool, the power output will exceed 100 Wh and the unit will be classified as Dangerous Goods for freight classification.

NAMES OF PARTS
- Switch
- Switch lock
- Saw cover
- Lower guard lever
- M7 bolt
- Washer (B)
- Saw blade
- Lower guard
- Guide (Sold separately)
- Base
- Inclined lever
- Guide fastener wing-bolt (Sold separately)
- Inclined gauge
- Handle
- LED light
- Lock lever
- 5 mm Hex. bar wrench
- Battery
- Lever
- Square
- Hex. socket set screw
- 3 mm Hex. bar wrench
- Lock spring
- Pre-marked line
- Front scale at 45° incline
- Front scale when not inclined
- Mode selector switch
- Silent mode indicator lamp
- Remaining battery indicator lamp
- Lighting mode switch
- Lighting mode indicator lamp
- Dust collector (Sold separately)
- M4 Screw (Sold separately)
- Washer (A)
NOTE
To prevent the battery power consumption caused by forgetting to turn off the LED light, the light goes off automatically in about 2 minutes.
STANDARD ACCESSORIES
In addition to the main unit (1 unit), the package contains the accessories.
Standard accessories are subject to change without notice.
APPLICATIONS
Cutting various types of wood.
SPECIFICATIONS
- Power tool
Model C1807DA Voltage 18 V No-Load Speed 3800 /min (Power mode) 2000 /min (Silent mode) Capacity Cutting depth 90° 64.5 mm 45° 49 mm Weight 3.9 kg (BSL1850 attached)
NOTE
Due to HiKOKI’s continuing program of research and development, the specifications herein are subject to change without prior notice.
Electronic Control
- Soft-start
- Overload protection
This protection feature cuts off the power to the motor in the event of overloading of motor or a conspicuous reduction in rotational speed during operation.
When the overload protection feature has been activated, the motor may stop.
In this case, release the tool switch and eliminate causes of overloading.
After that you can use it again. - Overheat protection
This protection feature cuts off the power to the motor and stops the power tool in the event of overheating of motor during operation.
When the overheat protection feature has been activated, the motor may stop.
In this case, release the tool switch and cool it down in a few minutes.
After that you can use it again. - Rotation speed changeover function (Power mode /Silent mode)
(Power mode / Silent mode switch function)
Each press of the Mode Selector Switch changes the operating mode.
Silent mode reduces maximum motor RPM enabling efficient work with less noise.
The Silent Mode Indicator Lamp lights in Silent mode. When the load increases during Silent mode, the tool will automatically switch to Power mode and revert back to Silent mode when the load decreases.
In Power mode, no change is made to Silent mode even when the load decreases.
NOTE
- To enable mode changes, pull the switch once after installing the battery.
- Do not give a strong shock to the switch panel or break it. It may lead to a trouble.
CHARGING
Before using the power tool, charge the battery as follows.
- Connect the charger’s power cord to the receptacle.
When connecting the plug of the charger to a receptacle, the pilot lamp will blink in red (At 1- second intervals). - Insert the battery into the charger.
Firmly insert the battery into the charger. - Charging
When inserting a battery in the charger, charging will commence and the pilot lamp will light continuously in red.
When the battery becomes fully recharged, the pilot lamp will blink in red. (At 1-second intervals)
Pilot Lamp Indication
The indications of the pilot lamp will be as shown in Table below, according to the condition of the charger or the rechargeable battery.Indications of the Pilot Lamp Pilot Lamp (Red) Before charging Blinks – Lights for 0.5 seconds. Does not light for 0.5 seconds. (off for 0.5 seconds) While charging Lights – Lights continuously Charging complete Blinks – Lights for 0.5 seconds. Does not light for 0.5 seconds. (off for 0.5 seconds) Charging impossible Flickers – Lights for 0.1 seconds. Does not light for 0.1 seconds. (off for 0.1 seconds) Malfunction in the battery or the charger Overheat standby Blinks – Lights for 1 second. Does not light for 0.5 seconds. (off for 0.5 seconds) Battery overheated. Unable to charge. (Charging will commence when battery cools) Regarding the temperatures and charging time of the battery.
The temperatures and charging time will become as shown in Table below.Charger UC18YFSL Battery Type of battery Li-ion Temperatures at which the battery can be recharged 0°C-50°C Charging voltage V 14.4 18 BSL14xx series BSL18xx series Multi volt series (4 cells) (8 cells) (5 cells) (10 cells) (10 cells) Charging time, approx. (At 20°C) min BSL1415S : 20
BSL1415 : 22
BSL1415X : 22
BSL1420 : 30
BSL1425 : 35
BSL1430C : 45BSL1430 : 45
BSL1440 : 60
BSL1450 : 75
BSL1460 : 90BSL1815S : 20
BSL1815 : 22
BSL1815X : 22
BSL1820 : 30
BSL1825 : 35
BSL1830C : 45
BSL1850C : 75BSL1830 : 45
BSL1840 : 60
BSL1850 : 75
BSL1860 : 90BSL36A18 : 75
BSL36B18 : 120NOTE
The recharging time may vary according to the ambient temperature and power source voltage.
CAUTION
When the battery charger has been continuously used, the battery charger will be heated, thus constituting the cause of the failures. Once the charging has been completed, give 15 minutes rest until the next charging. - Disconnect the charger’s power cord from the receptacle.
- Hold the charger firmly and pull out the battery.
NOTE
Be sure to pull out the battery from the charger after use, and then keep it.
Regarding electric discharge in case of new batteries, etc.
As the internal chemical substance of new batteries and batteries that have not been used for an extended period is not activated, the electric discharge might be low when using them the first and second time. This is a temporary phenomenon, and normal time required for recharging will be restored by recharging the batteries 2-3 times.
How to make the batteries perform longer.
- Recharge the batteries before they become completely exhausted.
When you feel that the power of the tool becomes weaker, stop using the tool and recharge its battery. If you continue to use the tool and exhaust the electric current, the battery may be damaged and its life will become shorter. - Avoid recharging at high temperatures.
A rechargeable battery will be hot immediately after use. If such a battery is recharged immediately after use, its internal chemical substance will deteriorate, and the battery life will be shortened. Leave the battery and recharge it after it has cooled for a while.
CAUTION
- If the battery is charged while it is heated because it has been left for a long time in a location subject to direct sunlight or because the battery has just been used, the pilot lamp of the charger lights up green or lights for 1 second, does not light for 0.5 seconds (off for 0.5 seconds). In such a case, first let the battery cool, then start charging.
- When the pilot lamp flickers in red (at 0.2-seconds intervals), check for and take out any foreign objects in the charger’s battery connector. If there are no foreign objects, it is probable that the battery or charger is malfunctioning. Take it to your authorized Service Center.
- Since the built-in micro computer takes about 3 seconds to confirm that the battery being charged with chargers are taken out, wait for a minimum of 3 seconds before reinserting it to continue charging. If the battery is reinserted within 3 seconds, the battery may not be properly charged.
MOUNTING AND OPERATION
| Action | Figure | Page |
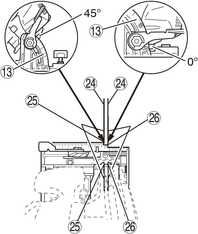
| Inclined cutting using the guide (+45° direction) | 9 | 3 |
| Adjusting the base and saw blade to maintain perpendicularity | 10 | 3 |
| Adjusting the cutting depth | 11 | 3 |
| Adjusting the angle of inclination (0°–45°) | 12-a | 3 |
| Adjusting the angle of inclination (45°–55°) | 12-b | 3 |
| Regulating the guide (Sold separately) | 13 | 3 |
| Cutting line | 14 | 3 |
| Switch operation | 15 | 4 |
| About the mode select function (*1) | 16 | 4 |
| Remaining battery indicator | 17 | 4 |
| Using the LED light | 18 | 4 |
| Mounting the dust collector set (Sold separately) | 19 | 4 |
| Removing and inserting the battery | 20 | 4 |
| Charging | 21 | 5 |
| Cutting (Do not use the tool with only the blower function.) | 22 | 5 |
| Dismounting the saw blade | 23 | 5 |
| Mounting the Saw Blade | 24 | 6 |
| Selecting accessories | – | 78 |
(*1) About the mode select function
Each time the mode selector switch is pushed, the operation mode changes.
When Silent mode is selected, the Silent mode indicator lamp lights up.
Silent mode reduces maximum motor RPM enabling efficient work with less noise.
If the load increases while the motor is operating in Silent mode, it automatically changes to Power mode. Additionally, if the load decreases again, it automatically returns to Silent mode.
In Power mode, no change is made to Silent mode even when the load decreases.
| Mode | No-load speed |
| Power | 3800 /min |
| Silent | 2000 /min |
NOTE
- The mode will only change after a battery is installed and the switch is pulled once.
- The current mode will be maintained even if the switch is on/off, or the battery is removed/reinserted.
LED LIGHT WARNING SIGNALS
This product features functions that are designed to protect the tool itself as well as the battery. While the switch is pulled, if any of the safeguard functions are triggered during operation, the LED light will blink. When any of the safeguard functions are triggered, immediately remove your finger from the switch and follow the instructions described under corrective action.

| Safeguard Function | LED Light Display | Corrective Action |
| Overburden Protection | On 0.1 second/off 0.1 second | Remove the cause of the overburdening. |
| Temperature Protection | On 0.5 second/off 0.5 second | Allow the tool and battery to thoroughly cool. |
MAINTENANCE AND INSPECTION
- Inspecting the saw blade
Since use of as dull saw blade will degrade efficiency and cause possible motor malfunction, sharpen or replace the saw blade as soon as abrasion is noted. - Inspecting the mounting screws
Regularly inspect all mounting screws and ensure that they are properly tightened. Should any of the screws be loose, retighten them immediately. Failure to do so could result in serious hazard. - Motor unit maintenance
The motor winding is an important part of this tool. Avoid damaging and be careful to avoid contact with cleaning oil or water.
After 50 hours of use, clean the motor by blowing into the ventilation holes of the motor housing with dry air from an air gun or other tool.
Dust or particle accumulation in the motor can result in damage. - Inspecting and maintaining the lower guard Always make sure that the lower guard moves smoothly. In the event of any malfunction, immediately repair the lower guard.
For cleaning and maintenance, use an air gun or other tool to blow clean the space between the lower guard and gear cover as well as the rotation part of the lower guard with dry air.
Doing so is effective for the emission of chips or other particles.
Accumulation of chips or other particles around the lower guard may result in malfunction or damage.
WARNING
To prevent dust inhalation or eye irritation, wear protective safety goggles and a dust mask when using an air gun or other tool to clean the lower guard, ventilation holes or other parts of the product.
- Cleaning the inside of the saw cover
Regularly check and clean to make sure that sawdust and other residue do not collect inside of the saw cover. Always remove the saw blade when checking and cleaning.
- Inspection of terminals (tool and battery)
Check to make sure that swarf and dust have not collected on the terminals.
On occasion check prior, during and after operation.
CAUTION
Remove any swarf or dust which may have collected on the terminals.
Failure to do so may result in malfunction. - Cleaning on the outside
When the power tool is stained, wipe with a soft dry cloth or a cloth moistened with soapy water. Do not use chloric solvents, gasoline or paint thinner, for they melt plastics. - Storage
Store the power tool and battery in a place in which the temperature is less than 40°C and out of reach of children.
NOTE
Storing lithium-ion batteries.
Make sure the lithium-ion batteries have been fully charged before storing them.
Prolonged storage (3 months or more) of batteries with a low charge may result in performance deterioration, significantly reducing battery usage time or rendering the batteries incapable of holding a charge. However, significantly reduced battery usage time may be recovered by repeatedly charging and using the batteries two to five times.
If the battery usage time is extremely short despite repeated charging and use, consider the batteries dead and purchase new batteries.
CAUTION
In the operation and maintenance of power tools, the safety regulations and standards prescribed in each country must be observed.
Important notice on the batteries for the HiKOKI cordless power tools
Please always use one of our designated genuine batteries. We cannot guarantee the safety and performance of our cordless power tool when used with batteries other than these designated by us, or when the battery is disassembled and modified (such as disassembly and replacement of cells or other internal parts).
NOTE
Due to HiKOKI’ continuing program of research and development, the specifications herein are subject to change without prior notice.
TROUBLESHOOTING
Use the inspections in the table below if the tool does not operate normally. If this does not remedy the problem, consult your dealer or the HiKOKI Authorized Service Center.
- Power tool
Symptom Possible cause Remedy Tool doesn’t run No remaining battery power Charge the battery. Battery isn’t fully installed. Push the battery in until you hear a click. Tool suddenly stopped Tool was overburdened Get rid of the problem causing the overburden. Overload protection is in operation. The battery is overheated. Let the battery cool down. Cannot be inclined The incline lever (front) and incline wing nut (rear) are not loosened. Try inclining after loosening the incline lever (front) and incline wing nut (rear). Tighten the loosened parts after making the necessary adjustments. Doesn’t cut well The saw blade is worn or missing teeth. Replace with a new saw blade. The bolt is loose. Firmly tighten the bolt. The saw blade is installed backwards. Install the saw blade in the proper direction. Switch can’t be pulled The switch lock is not pushed in enough. Push the switch lock in all the way. Sawdust discharge is poor Sawdust has accumulated in the saw cover. Remove the sawdust inside the saw cover. Remaining battery indicator on the machine doesn’t match to Multi volt battery – Refer to the indicator lamp on the battery.
Koki Holdings Co., Ltd.
Shinagawa Intercity Tower A, 15-1, Konan 2-chome,
Minato-ku, Tokyo, Japan





















