saxby 77915 Lucca Mini MW LED Bulkhead

Thank you for purchasing this light fitting. Please read the instructions carefully before use to ensure safe and satisfactory operation of this product. Please retain these instructions for future reference.
Warning
This power supply is Double Insulated and does not require connection to an Earth circuit Please read these instructions carefully before commencing any work. This unit must be fitted by a competent and qualified electrician. Install in accordance with IEE Wiring regulations and current Building Regulations. To prevent electrocution switch off at mains supply before installing or maintaining this fitting. Ensure other persons cannot restore the electrical supply without your knowledge. If you are in any doubt, please consult a qualified electrician. This light fitting should be connected to a circuit with a 30mA RCD fitted. If replacing an existing fitting, make a careful note of the connections. This product contains non-replaceable parts and cannot be serviced. If damage occurs the part should be scrapped. Waste electrical products should not be disposed of with household waste. Please recycle where facilities exist. Check with your local authority or retailer for recycling advice.
Layout
Plan the desired layout of these fittings carefully, ensuring the cables will reach the distance between the junction box and the light fitting. Avoid locating any cables in positions that would cause a hazard. Position cables and outdoor rated junction boxes (not supplied) away from areas where they may be at risk from being cut, trapped or damaged. We recommend that you use H05RN-F specification cable (not supplied) which is an outdoor grade, rubber-sheathed cable. The mains supply cable must have a minimum cross sectional area of 1.0mm2. Cables must be protected using suitable conduit or plastic trunking. The products can be wall or ceiling-mounted. If wall mounting ensure that the power supply is at the bottom.
Installation
Existing fittings must be completely removed before installation of a new product. Before removing the existing fitting, carefully note the position of each set of wires. Note that the switch is turned off before installation. Ensure that the screws and cable entry points are sealed to maintain the IP rating of the product.
- Gently pull the casing away from the shade and set aside.
- Remove the 4 fixing screws and detach the shade. Keep safe for refitting later.
- Hold the product in place and mark the position of the holes. Ensure the wall is capable of holding the weight of the product, or if fitting to a ceiling, ensure there is a joist at the point of fixing to support the weight of the product.
- Knock out the chosen fixing holes.
- Fix into position. Take care to avoid damaging any concealed wiring and pipes. The correct fixings should be used for brick, cavity walls or plasterboard.
- Pierce a hole in the grommet, and pull the cable through.
- Wire as detailed wiring.
Wiring
- This product is double insulated and must not be earthed. If there are any incoming earth cables, they must be terminated in the spare terminal of the connection block.
- Having correctly identified the wiring from your existing light fitting, connect to the quick fit connection block in the following way:

Check that…
- You have correctly identified the wires.
- The connections are tight.
- No loose strands have been left out of the connection block.
Commissioning
- Ensure that the screws and cable entry points are sealed to maintain the IP rating of the product.
- Refit the shade, ensuring that the seals are correctly located.
- Gently push your chosen casing onto the shade until it clips in place.
- Replace fuse or circuit breaker and switch on. Your light is now ready for use.
Technical data
- Supply Voltage: 220-240 V~, 50 Hz
- Bulb Type: 15W LED module (SMD), 4000K This product contains a light source of energy efficiency class E.

- Conformity with all relevant UKCA Directive requirements.
- Conformity with all relevant EC Directive requirements.
- The power supply is Double Insulated and does not require connection to an Earth circuit.
- Waste electrical products should not be disposed of with household waste. Please recycle where facilities exist. Check with your Local Authority or local store for recycling advice.
- This product is not suitable for dimming.
- This product is rated at IP65.
Care and Safety
We recommend cleaning with a soft dry cloth. Do not use solvents or abrasive cleaners as these could damage the finish. For your safety, always switch off the power supply before cleaning.
This light source is protected by a shade. This part must be replaced immediately should the shade become cracked or damaged. This fitting must not be used without the shade in place.
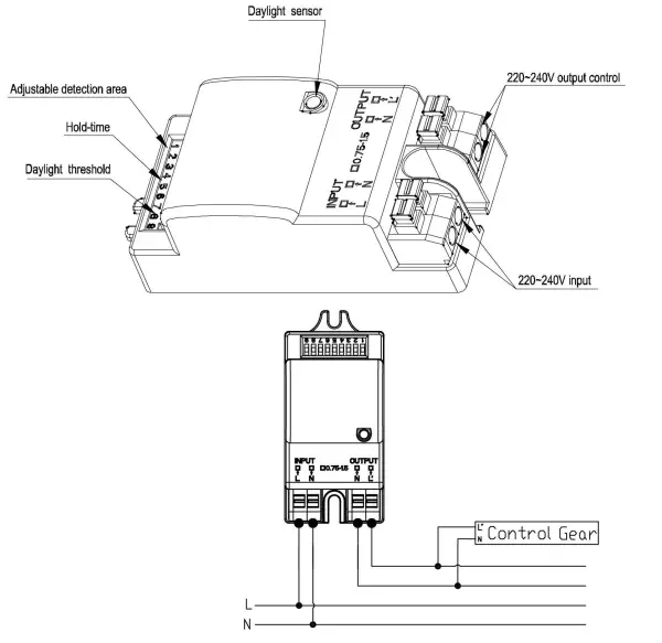
Microwave Movement Sensor
This product is fitted with a microwave movement sensor. Please see below detailed operating instructions.

Technical Specifications:
| Operating voltage | 220 ~ 240V AC 50/60Hz | |
| Rated load | 400W (Capacitive load) 800W (Resistive load) | |
| Stand-by power | ≤0.5W | |
| Sensitivity | Ceiling mounted height: 3m | 100% / 75% / 50% / 25% / 10% |
| Ceiling mounted height: 6m* | 100% / 75% / 50% | |
| Wall mounted height: 2m | 100% / 75% / 50% / 25% / 10% | |
| Hold-time | 5s / 30s / 90s / 3min / 20min / 30min | |
| Daylight sensor | 2Lux / 10Lux / 25Lux / 50Lux / Disable | |
| Microwave frequency | 5.8 GHz ±75MHz | |
| Transmitting power | 1mW Max. | |
| Detection range | Ceiling mounted height: 3m | 3- 6m (radius ) |
| Wall mounted height: 1.5-2m | 12-15m | |
| Detection angle | 3600 (Ceiling) / 1200 (Wall) | |
| Working temperature | -200 C ~ 600 C | |
*50%, 75%, 100% detection sensitivity is workable when installed at 6m mounting height. Only 10%, 25% sensitivity is not able to detect motion signal.
Settings:
- Sensitivity
Sensitivity can be adjusted by selecting the combination on the DIP switches for different applications.
- Hold-time
Hold-time refers to the time period that the light remains 100% on if no more movement is detected.
- Daylight sensor
Different daylight threshold can be preset on DIP switches. Light will always turn on upon movement if daylight sensor is disabled.
Trouble shooting
| Malfunction Cause Remedy | Cause | Remedy |
| The light will not come on | Incorrect light-control setting selected | Adjust daylight threshold setting |
| Faulty lamp | Replace lamp | |
| No power supply | Check power to sensor | |
| The lamp is always on | Continuous movement in the detection zone | Check the detection area setting |
| The lamp is on without any identifiable movement | The sensor is not mounted for reliably detecting movement | Securely mount enclosure |
| Movement occurred, but not identified by the sensor (Movement behind wall, movement of small object in immediate lamp vicinity etc.) | 1. Reduce sensitivity. 2. Check the movement behind walls to avoid facilities such as water pipe, fan, which may miss trigger the sensor. | |
| The lamp will not work despite movement | Rapid movements are being suppressed to minimize malfunctioning or the detection radius is too small. | Check detection area setting |
For further information, please visit https://www.lighting-info.co.uk/77915
V4 06/06/2022
EU Manufacturer: Brilliant AG,
Brilliantstrasse 1, D-27442 Gnarrenburg























