BUSH Flex Tronics Extension insert flex Instruction Manual
Safety Instructions
![]()
DANGER
Dangerous currents flow through the body when coming into direct or indirect contact with live components. This can result in electric shock, burns or even death. Work improperly carried out on current-carrying parts can cause fires.
- Disconnect the mains voltage prior to mounting and dismantling!
- Permit work on the 110 – 240 V mains network to be carried out only by specialist staff.
- Please read the mounting instructions carefully and keep them for
future use. - Additional user information and information about planning is available at www.BUSCH-JAEGER.com or by scanning the QR code.
Intended Use
The movement detector serves for switching lighting systems in dependence of brightness and/or movement. It is designed only for interior areas of buildings and for mounting on ceilings.
Mounting, among others, is practical on the following flex inserts:
- Relay inserts
- e-contact inserts
- LED dimmer inserts
- Extension unit inserts
The device is not suitable for use as an intrusion or attack alarm since it lacks the required security against sabotage in accordance with the German VdS (Authority on Safety and Security) regulations.
ATTENTION
The device contains highly sensitive sensors and lens systems.
- Do not cover or mask lens segments since this will interfere with the function of the device.
- Do not clean the device and the lens system with abrasive or aggressive cleaning agents.
Technical data
- Opening angle: 180°
- Brightness limit value: 5°- 500 lux, daytime operation
- Switch-off delay:
- 10 seconds – 30 minutes
- Short-time pulse 1 second
- Mounting height: 0.8 m – 1.2 m
- Protection type: IP20
- Temperature range: -5°C – +45°C
- Storage temperature: -25°C – +70°C
Modular System

Notice
The movement detector sensors [5-7] can be freely combined with the flex inserts [1 – 4]. Although not all combinations may be practical with regard to the desired functions.
Function
The function depends on the flex insert used. Depending on the flex insert used, the movement detector [6] operates in one of the following modes:
- Relay insert, 1gang or e-contact insert:
- At movement it switches in dependence of the ambient brightness.
- With the e-contact, a soft switch-on or soft switch-off takes place within 1 second.
- Relay insert, 2gang:
- At movement, channel 1 switches in dependence of the ambient brightness.
- Channel 2 remains unaffected.
- LED dimmer insert:
- At movement the light dims to the set value.
- In dependence of the ambient brightness.
- Within the soft switch-on time or soft switch-off time.
- The brightness value can be changed by onsite operation.
- Extension unit insert:
- For the extension of the detection range.
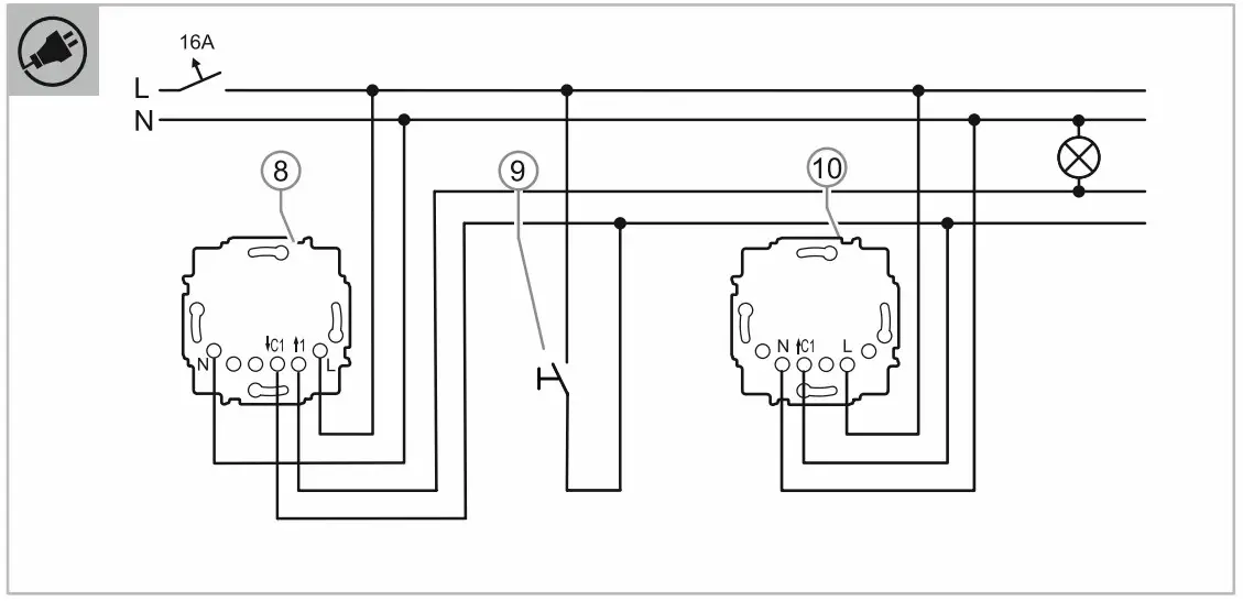
Connection

See the documentation of the respectively used flex insert.
An extended detection range is possible with the Sub-insert flex.
[8] “Relay insert flex, 1 gang” with “Busch-Watchdog 180 flex, Comfort sensor with select lens”
[9] Option: Extension unit push-button, e.g.: 2020 US/xxx
[10] “Sub-insert flex” with “Busch-Watchdog 180 flex, Basic sensor with select lens”.
Mounting

Attach the movement detector together with the cover frame on the flex insert [1] / [2].
Flex insert and cover frames are not included in the scope of delivery and must be purchased separately.
Notice:
To remove the cover, a suitable tool may have to be used.
Detection range
The detection range is, among others, dependent on the ambient temperature. The specified values refer to an ambient temperature of 21°C. The detection range is reduced at higher ambient temperatures.
[3] Mounting heights / Detection levels
[4] Detection range
[5] Horizontal reduction of the detection range by masking.
Detection range | ||
| Mounting height (H) | Lengthways toward the detector | Crosswise toward the detector |
1 1 m | 5m | 12m |
Setting and operation

Notice
The function of the setting elements depends on the flex insert used.
- [11] Trimmers
- [12] Trimmers
- [13] LED
- [14] Rocker button top
- [15] Rocker button bottom
Rocker button top [14]:
- Brief press of the button:
- Switch on the light up to the expiration of the switch-off delay.
- Long press of the button:
- Mounting on relay insert or e-contact insert:
- Permanent light ON. The LED [13] lights up as status feedback signal.
- A renewed long press of the button exits the permanent mode.
- Mounting on dimmer insert:
- Increase brightness up to the maximum brightness value.
- Mounting on relay insert or e-contact insert:
Rocker button bottom [15]:
- Brief press of the button:
- Switch light off immediately.
- The switch-on can only take place after the movementdependent blockage time.
- Switch light off immediately.
- Long press of the button:
- Mounting on relay insert or e-contact insert:
- Permanent light OFF, the LED [13] lights up as status feedback signal.
- A renewed long press of the button exits the permanent mode.
- Mounting on dimmer insert:
- Reducing the brightness up to the minimum brightness value.
- Mounting on relay insert or e-contact insert:
Brightness switching threshold
The brightness-value threshold and operation independent of the brightness are set via the trimmer [11] on the rear of the device [A].
- The brightness-value threshold determines the luminosity from which the light switches on at the detection of movement.
- If the surrounding light is brighter than the set brightness-value threshold, the light does not switch on at the detection of movement.
Switch off delay
The switch-off takes place after the set switch-off delay. The switchoff delay is set via the trimmer [12] on the rear of the device [B].
- The switch-off delay starts again at each detection of movement.
Short-time operation
In this operating mode short-time pulses are sent for the duration of detection (1 second ON / 9 seconds OFF). It is set via the trimmer [12] on the rear of the device [C].
- The short-time pulse serves for activating staircase light timer switches or door bells, for example.
- The subsequent behaviour depends on the activated device.
Activation test
To activate the activation test, set the trimmer [11] on setting “Test” [D].
- Detected movements are signaled in the activation test via the LED [13] (behind the lens). Also the lamp connected on the flex insert is briefly switched on.
- Deactivate the activation test again after the test is completed. This is done by resetting the trimmer [11] to the desired brightness-value threshold.
Extension unit operation via push-button
The light can be switched at any time via an extension unit pushbutton.
- The switch-off takes place only after the detection range has been
exited and the set switch-off delay has expired. - Additional information on the operation of the extension unit is available in the product manual. (see the QR code in this manual).
Parameter setting / Setup
The following parameters can be set via the setup procedure specific to the device.
a. Switch-off pre-warning
b. Memory function
- Calling up setup:
- Press the top rocker button [14] for >10 seconds.
- The LED flashes slowly.
- Press the top rocker button [14] for >10 seconds.
- Switch-off pre-warning:
- Press the bottom rocker button [15] for approx. 1 second (within a time window of <5 seconds).
- The LED goes out.
- Following this: Briefly press the top rocker button [14] (within a time window of <10 seconds)
- Activates (LED on) or deactivates (LED off) the switch-off pre-warning.
- b. Memory function (only in combination with dimmer insert):
- Press the top rocker button [14] for approx. 1 second.
- The LED goes out.
- Following this: Briefly press the top rocker button [14] (within a time window of <10 seconds)
- Activates (LED on) or deactivates (LED off) the memory function of the dimmer.
- Press the top rocker button [14] for approx. 1 second.
- Press the bottom rocker button [15] for approx. 1 second (within a time window of <5 seconds).
- Exit setup:
- Press the top rocker button [14] for approx. 1 second (within a time window of <10 seconds)
- Saves the preselection. The LED lights up 1x as feedback signal.
- Press the top rocker button [14] for approx. 1 second (within a time window of <10 seconds)
Service
Busch-Jaeger Elektro GmbH – A member of the ABB Group,
Freisenbergstraße 2, D-58513 Lüdenscheid, Germany,
Tel.: +49 2351 956-1600;
www.BUSCH-JAEGER.com

















