anova DM600 Hammer Brush Cutter

ANOVA thanks you for choosing one of our products and guarantees the assistance and cooperation that has always distinguished our brand over time.
This machine is designed to last for many years and to be of great use if used in accordance with the instructions contained in the user manual. We therefore recommend that you read this instruction manual carefully and follow all our recommendations.
For more information or questions you can contact us through our web supports such as www.anova.es or www.millasur.com
INFORMATION ABOUT THIS MANUAL
Please pay attention to the information provided in this manual and on the appliance for your safety and that of others.
- This manual contains instructions for use and maintenance.
- Take this manual with you when you go to work with the machine.
- The contents are correct at the time of printing.
- The rights to make changes at any time are reserved without affecting our legal responsibilities.
- This manual is considered an integral part of the product and must remain with it in case of loan or resale.
- Ask your dealer for a new manual in case of loss or damage.
READ THIS MANUAL CAREFULLY BEFORE USING THE MACHINE
To ensure that your machine provides the best results, please read the usage and safety regulations carefully before using it.
OTHER WARNINGS:
Incorrect use could cause damage to the machine or other objects.
The adaptation of the machine to new technical requirements could cause differences between the content of this manual and the purchased product.
Read and follow all instructions in this manual. Failure to follow these instructions could result in personal injury.
Always keep the instruction manual as important information.
Important safety rules
- Before using the machine, please read the instructions carefully and follow the instructions in the instruction manual for starting, adjustment and maintenance.
- Before using the machine, pay attention to the following items:
- Check the crankcase and transmission case for oil leaks; engine oil and the quality of engine oil in the crankcase and transmission case. Replace clean new oil in time
- Check whether the lubrication parts are well lubricated.
- When refueling, pay attention to the fuel tank which must be filled with clean fuel. The fuel must be filled with the engine stopped and well ventilated. Please note that the fuel must not come into contact with hot surfaces, electrical components or rotating parts.
- Avoid overflow, check if the fuel overflows or leaks. In case of overflow, dry the machine as soon as possible. Tighten the cap once filled.
- Do not have fireworks nearby to avoid fires.
- Check if the moving parts are loose, chafed or stuck; if the direction of rotation is consistent with the marking direction.
- Check whether the exposed rotating parts and moving parts have reliable safety protection devices and safety signs.
- Check that the clutch and other working parts are free of cracks, distortion and excessive wear.
- If there is any abnormality, it should be fixed before trial operation. There should be no obvious rubbing, abnormal sounds and vibrations during the test run. The speed must meet the requirements and speeding work is not allowed. When replacing the parts involved in safety, work should be done under the requirements of the instructions or the direction of a professional maintenance person.
- Minors and those who have not been trained to master the rules for the use of this machine cannot work with it.
- The machine cannot be used after drinking or with excessive illness/fatigue.
- The operator must tighten clothing and fists when operating, and in case of long hair, wear a protective cap.
- When the machine is working, the parts that affect safety and operation should not be modified by yourself. It is not allowed to disassemble or shorten the protective cover of each part, and the operator must concentrate on the operation.
- You can only start the machine under the confirmed safety condition. After cold start, heavy loads are not allowed immediately, especially for new machines or overhauled machines.
- Driving on cement, slate or stone piles with rotating blades is not allowed. In rotary tillage operation, attention should be paid to avoid collision with hard objects such as stones, to avoid damaging the rotary blade.
- During operation, pay attention to the working condition and sound of each part, check whether the connection of each part is correct, and do not let it loose. If there are conditions such as abnormal sound, the machine should be stopped and checked immediately, and it is not allowed to remove the fault when the machine is running.
- Prevent the machine from tipping over during work.
- Reversing is not allowed with the disposer running.
- When working, pay attention to see if there is oil leakage from the transmission case, engine and other parts. If so, stop the machine for inspection. Pay attention not to use open fire to avoid fire.
- Troubleshooting in time to avoid environmental pollution, which affects product safety.
- When removing grass and breaking mud, the power should be cut off first, and then remove it after the machine stopped. It is not allowed to remove the blockage of the mower by hand or with an iron rod when the machine is running.
- After use, dirt, weeds, oil and other accessories must be removed from the machine.
- Regularly check blade bolts, bearings and other moving parts for looseness or damage.
Security warning content
Training
- Please read the operating and maintenance instructions carefully to be fully familiar with all operating mechanisms and methods for operating the machine. Master how to quickly stop and separate the operating mechanism.
- Children can never use the machine. Adults who don’t read the instructions don’t either.
- Keep the work area attended, free of children and pets.
Preparation
- Thoroughly inspect the area that will use the machine and remove any debris.
- Disengage all clutches and put in neutral before starting the engine.
- Do not operate the machine without wearing a suitable jacket. Wearing non-slip shoes will improve stability on the slippery surface.
- Handle fuel with care, it is flammable.
- Use a suitable container to store fuel.
- Do not add oil to the fuel tank while the engine is running or when the engine is hot.
- In case of refueling, it should be done outdoors and carefully, do not refuel indoors.
- Before you begin, tighten the fuel tank cap and wipe up any spilled fuel.
- When the engine is running, do not make any adjustments (except special adjustments recommended by the manufacturer).
- Safety glasses must be worn for any handling such as preparation, operation and maintenance.
Handling
- Hands and feet must not be placed near rotating parts or under rotating parts.
- When maneuvering (or crossing) gravel pavements, sidewalks or paths should be especially careful, guard against potential hazards, pay attention to traffic conditions and not carry passengers.
- After hitting the debris, stop the engine, carry out a thorough inspection to check whether the machine is damaged, it must be repaired before restarting and handling.
- Always pay attention to your feet and avoid slipping or falling.
- Once the machine has abnormal vibration, please stop the engine immediately to find the reason. Vibration is often a precursor to the problem.
- If the machine stops, the cleaning blade is blocked. For maintenance, adjustment or inspection, the engine must first be stopped.
- When the machine is unmanned, take all possible precautions: separate the PTO shaft, lower the attachment, turn the engine to neutral stop and remove the key from the switch.
- Before cleaning, repairing or inspecting the machine, the engine must be stopped and all moving parts must be stopped.
- Engine exhaust gas is harmful and must not be operated indoors.
- Do not operate machine without factory covers and guards.
- Keep away from children and pets.
- Do not overload the machine by going too deep into the ground you are working on (the machine cuts the brush shallowly).
- The machine must not run at high speed on slippery surfaces. It should not work on steep slopes.
Caveat: Do not use at more than 12º incline. - Spectators are never allowed to get close to the machine.
- Use only accessories and equipment permitted by the manufacturer (for example, counterweights, cabins, etc.).
- Do not operate the machine when the field of vision is not good or the light is not sufficient.
- When the machine is used, it should be prevented from tipping over.
Repair and storage
- Keep the machine, accessories and equipment, including batteries, in safe working condition. If possible, remove the battery and store it to prevent it from freezing and charge it if necessary.
- Check the tightness of the bolts so that they are in safe working condition.
- The machine should be stored indoors and away from fire
- The motor must cool down before being stored indoors.
Security symbols




- Technical data of the machine
Data sheet
This product is suitable for cutting weeds in mountainous areas, drylands, wastelands, greenhouses and orchards.DM600 Motor Gasoline Transmission system strap system clutch system tension wheel Start System Manual working width 600mm Rotary blade radius ≥ 30 machine size 1720x900x700 speeds 1 front and 2 rear reverse speed 16rpm Rotating Blade RPM 2820rpm
Machine parts
Installation method
Assembly after unpacking
- Install the handlebar: install the handlebar on the handlebar seat and lock the bolt.
- Adjust the clutch handle according to the proper position.
Cable Installation and Adjustment
Clutch Cable Adjustment
- Screw the adjusting bolt on both sides of the clutch cable ends into the clutch handle and clutch rocker arm bolt hole.
- Insert the head of the clutch rocker arm cable into the opening bolt slot.
- Adjust the bolts at both ends of the clutch cable to tighten it.
- Adjust the clutch cable several times until the clutch can be separated by the clutch handle.
Verification and replacement
- Check if the connection bolt is loose; tighten it if it is.
- Check if all the handles in the control system (throttle, reduced pressure, reverse handle, etc.) are flexible and in place.
- Put the gearbox lever in the neutral position.
- Add oil:
- Add SAE10W-40 or similar lubricating oil to the crankshaft of the gasoline engine.
- Add 20# lubricating oil into the gearbox, make the machine level, and inject from the oil hole above the gearbox. When checking the oil level, insert the dipstick (Note: Do not rotate the dipstick), the oil level should be between the upper and lower limits.

- Add 92# gasoline into the fuel tank (For details, please refer to the engine user manual).
- Prepare before starting according to the motor user manual.
Instructions for use engine start
Note: The gear lever must be in the neutral position.
- Start the engine as specified in the engine owner’s manual.
- The engine should run for 2-3 minutes at idle speed (1500-2000 rpm) without load.
- Check if the motor is running normally. If not, stop the engine.
Startup blade clutch
- Use your right hand to move the throttle grip to accelerate to the maximum position
- Slowly depress the clutch handle until the blades work normally.
- Adjust the throttle with your right hand according to the use of the load.
Change
- When changing gear, the clutch must be released, according to the use environment to shift gear. The gear change is divided into 2 forward gears and one reverse gear.
Direction
- When you press the steering handlebar, you need to loosen the handlebar; when turning left, press the left turning clutch handle; when turning right, press the right turning clutch handle
- When steering is not required, release the steering lever and the clutch teeth engage with the wheel by spring force
Parking lot
- Release the clutch handle and the machine stops working. The right hand toggles the throttle grip to keep the throttle in the minimum position and the engine idles to reduce engine fuel consumption.
- When the engine needs to be stopped, it must be done with the relevant content manual user.
Caution: For parking on slopes greater than 12º, the use of adequate chocks on each wheel is necessary.
Note: Please note that parking is usually done on a flat surface
Emergency stop
- In the process of cultivation, if there is an emergency, please release the clutch handle immediately, and then press the kill switch to turn off the machine.
Adjust the height of the whole machine
First use the M10 nut to lock the handwheel, the lifting crank rotates clockwise and lifts; rotate counterclockwise, it shrinks. 
Precautions for use
- It should be noted that, from the working conditions and the sound of each part when working, please check whether the connection of each part is normal, do not allow any loosening. If there are unusual circumstances, it must be stopped and excluded immediately.
- Heavy load work is not allowed immediately after cold start of machine, especially new machine or overhauled machine.
- Pay attention to check the engine and gearbox oil level, and add oil when insufficient.
- It is not allowed to cool the engine by pouring water directly or other sudden forms of cooling. Let the motor cool down to room temperature. In case of fire, use the appropriate means for this case (such as fire extinguishers, etc.)
- Work on a safe surface and do not force your position when operating the machine. Take special care to keep your balance and avoid falls while you are working.
- It is strictly prohibited to use the machine equipped with blades on the beach or gravel to avoid damage to the blades and projecting particles around the machine.
- After use, pay attention to remove dirt, weeds and greasy accessories on the machine. Keep it clean and in a good state of maintenance.
- Clean the sponge inside the filter frequently and change the oil.
Maintenance
During the working period of the machine, due to the operation, friction, and wear and load changes, the loosening of the connection bolt and the wear of the parts inevitably occur.
This may cause the wrong state of the system, which will cause abnormal clearance adjustment, and the engine power is degraded. In addition, increased fuel consumption, various parts of the misalignment and increased failure, seriously affecting the use of the machine.
To reduce the above, strict and regular maintenance work is necessary to prevent these problems from occurring. Thus, the machine will be in good condition and its useful life will be longer.
Filming
- Engine running – see engine user manual.
- New or reconditioned motors, must run under no load condition for 1 working hour first, work under light load condition for 5 hours. After this first period of work, change the engine and gearbox oil. Once the change is made, start the machine and work with it lightly for 3-5 minutes so that the oil impregnates all the gears. Check oil levels regularly.
The technical maintenance of the machine
- Shift maintenance (do before and after each work shift)
- Listen and see if there is any abnormal phenomenon (such as abnormal sound, overheating, screw loosening, etc.)
- Check whether the engine, gearbox and transmission case have oil leaks.
- Check whether the oil level in the engine and gearbox is correct.
- Please remove mud, weeds and oil from the whole machine and accessories in time.
- Complete work logs.
- First class maintenance (every 100 working hours)
- Check the machine and adjust/tighten each element
- Clean gearbox and transmission case; replace oil.
- Check and debug clutch, shift system and reverse system.
- Secondary maintenance (every 200 working hours)
- Maintenance of all content after 200 hours of work.
- Check all gears and bearings, if they are badly worn, replace them with new parts
- The remaining parts of the machine, such as the rotary blade or the link, bolts, etc., if damaged, replaced with new parts.
- Gasoline engine maintenance, refer to engine user manual
Long-term storage of the machine
When the machine needs to be stored for a long time, in order to prevent corrosion, the following measures should be taken.
- Seal the engine according to the engine instructions.
- Clean dust or other surface dirt from the machine.
- Release the lubricating oil from the transmission case and inject new oil.
- On the metal surfaces of the machine that are not protected, spread a light layer of anti-rust oil.
- Store the machine in a well-ventilated, dry and safe place.
- Properly store tools, product certification, and user’s manual.
Table of technical maintenance of the machine
| Maintenance | Newspaper | after 8h | 1st month/20h use | 3rd month/150h use | Every year/1000h use | 2years/ 2000h use |
| Check and tighten nuts and bolts | x | |||||
| check oil | x | |||||
| Cleaning and oil change | x (1st time) | x (2nd) | x (≥3rd) | |||
| Check oil leaks | x | |||||
| remove dirt | x | |||||
| Troubleshooting | x | |||||
| Adjustment control unit | x | |||||
| clutch friction plate | x | |||||
| Gears and bearings | x | |||||
| Belt | x | |||||
| tension set | x |
Note: indicated by “x” in the table is the content of maintenance to be performed.
Adjustment methods
The adjustment method of handle and cable
When the clutch lever fails to engage and the machine won’t engage, that means you should adjust the gear lever and cable accordingly.
- Hold and release the reverse lever 2-3 times to confirm the clutch situation. If it is not normal, it should be debugged again until it is correct.
- When the machine is running, release the steering clutch lever, the gear should return, there should be no abnormal noise from the gearbox, otherwise it will damage the gears.
The throttle and cable adjustment method
When turning the throttle switch, the engine acceleration or deceleration performance is not good, that means the throttle cable needs to be adjusted
- Rotate the throttle switch 2-3 times repeatedly and confirm the engine acceleration and deceleration performance.
- The throttle cable and cable connector must be firmly connected by screws.
The handlebar adjustment method
According to your height and other special requirements, you can adjust the up-down, left-right positions of the handlebar as follows
- Left-right, up-down handlebar adjustment:
- Pull down the adjustment lever from top to bottom in the picture below to adjust the height of the handlebar.
- Pull up the left-right adjustment handle in the picture below, and rotate the center section of the handlebar seat to adjust the left and right side of the handlebar.

Troubleshooting
The address does not work
Remove the wheel to see:
- Check that the bearings and pinions are properly greased. Check the level of gear wear.
- If the wear is serious, replace with a new one.
- If the return spring is invalid, please replace with new one.
- Check the clutch cable. If it is loose or does not engage, adjust the cable tension until the clutch engages
The blades do not stop when the motor stops or the stop time is prolonged
Remove the blade belt cover:
- Check if the strap is longer: use your hand to apply slight vertical pressure to the center of the strap, strap clearance≥20mm If yes, you need to adjust the clutch cable tension.
- If there is a gap between the brake pad and the drive wheel (clutch on and off), if the gap is large, it needs to be adjusted.
Scope
This machine can meet the needs of a wide range of weeding projects in drylands, gardens, orchards, flowers, and greenhouses in plains, hills, and mountainous areas. Different weeding heights are selected depending on the soil and the weeding condition.
Environment
Protect the environment. Recycle the oil used by this machine by taking it to a recycling center. Do not pour used oil into drains, land, rivers, lakes or seas.
Please dispose of your machine in an ecological way. We must not dispose of machines together with household waste. Its plastic and metal components can be sorted according to their nature and recycled.
The materials used to pack this machine are recyclable. Please do not dispose of the packaging in household waste. Please dispose of these packages at an official waste collection point.
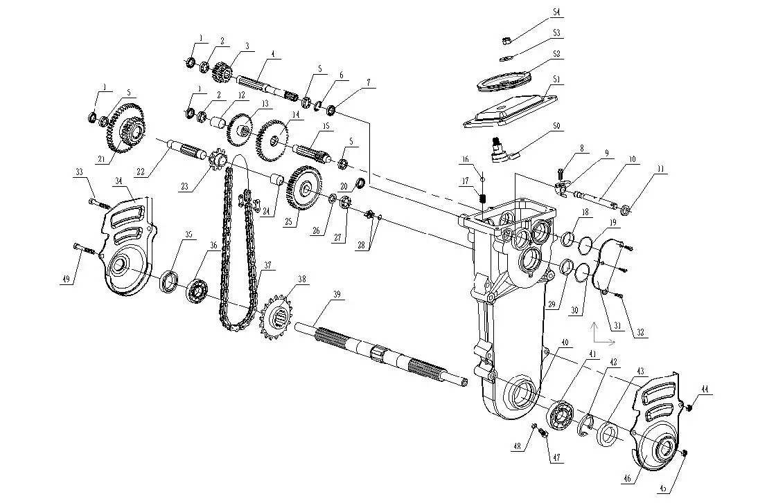
Exploded view
DM600
A

B

C

D
E
F
G
DECLARATION OF CONFORMITY (CE)
DISTRIBUTION COMPANY
MILLASUR, SL
RUA EDUARDO PONDAL, Nº 23 PISIGÜEIRO
15688 OROSO – A CORUÑA
SPAIN
EC DECLARATION OF CONFORMITY
In compliance with the different CE directives, it is hereby confirmed that, due to its design and construction, and according to the CE mark printed by the manufacturer on it, the machine identified in this document complies with the relevant and fundamental health and safety requirements. of the aforementioned EC directives. This declaration validates the product to display the CE symbol.
In the event that the machine is modified and this modification is not approved by the manufacturer and communicated to the distributor, this declaration will lose its value and validity.
Machine name: BRUSHCUTTER HAMMERS
Model: DM600
Recognized and approved standard to which it conforms:
EC Directive: 2014/30/EU
Tested according to:
INISO14982:2009
Company seal 























