BXT1.5000D/BXT1.7500D
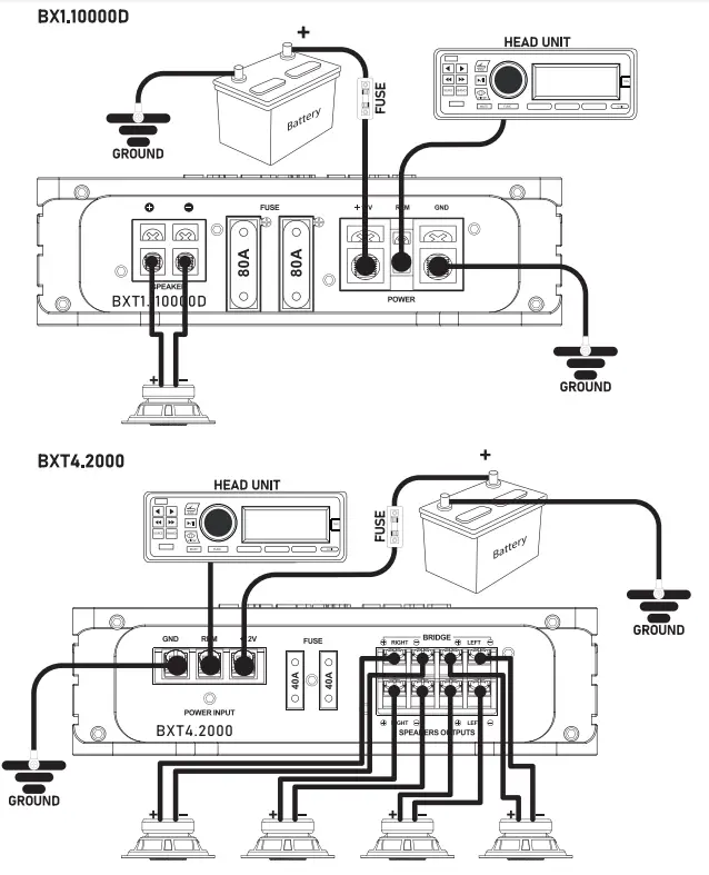
BXT1.10000D/BXT4.2000
BXT2.1200
Notes on the power supply
POWER CONNECTION LEADS
- Connect the 12V power supply lead only after all the other leads have been connected.
- Be sure to connect the ground lead of unit securely to a metal point of the car. Aloose connection may cause a malfunction of the amplifier.
- Be sure to connect the remote control lead of the heat unit to the amplifiers remote terminal. A loose connection may cause a malfunction of the amplifier.
- When using a car audio without a remote output on the amplifier,connect the remote terminal to the accessory power supply.
- Use the power supply lead with a fuse attached
- Place the fuse in the power supply lead as close as possible to the car battery.
- Make sure that the leads to be connected to the 12V and GND terminal of this unit are larger than 10-gauge (AWG #10)power cables.
Front pannel connection


Power connection Leads



OFF ON: Turn on/off the bass epicenter function
SWEEP: Bass enhance level
WIDE: Bass enhance frequency width
OUTPUT VOLTAGE: output level
LED light: Indicate output level
SPECIFICATIONS
| BXTI.5000D | BXTl.7500D |
| RMS Power. 1CH x1600w@1ohm | RMS Power. 1CH x2500w@1ohm |
| RMS Power. 1CH x1100w@2ohm | RMS Power. 1CH x1500w@2ohm |
| RMS Power. 1CH x700w@4ohm | RMS Power. 1CH x1000w@4ohm |
| Max Power. 5000W Max | Max Power. 7500W Max |
| LPF: 40-250Hz | LPF: 40-250Hz |
| Phase shift: 0-180° | Phase shift: 0-180° |
| Frequency response range: 20-250Hz | Frequency response range: 20-250Hz |
| Subsonic: 10-50Hz | Subsonic: 10-50Hz |
| Bass Epicenter function | Bass Epicenter function |
| Bassboost frequency.27-63Hz | Bassboost frequency.27-63Hz |
| Output level: 2.5v/5v/7.5v/10v | Output level: 2.5v/5v/7.5v/10v |
| Remote gain controller | Remote gain controller |
| S/N: 91dB | S/N: 92dB |
| Size: 340x191x56mm | Size: 400x191x56mm |
| BXTl.10000D | BXT2.1200 |
| RMS Power. 1CH x3300w@1ohm RMS Power. 1CH x2100w@2ohm RMS Power. 1CH x1400w@4ohm Max Power. 10000W Max LPF:40-250Hz Phase shift: 0-180° Frequency response range: 20-250Hz Subsonic: 10-50Hz Bass Epicenter function Bassboost frequency.27-63Hz Output level: 2.5v/5v/7.5v/10v Remote gain controller S/N:92dB Size: 490x191x56mm | RMS Power. 2CH x120w@4ohm RMS Power. 2CH x185w@2ohm RMS Power. 1CH x370w@4ohm Bridge Max Power. 1200W Max LPF: 50-500Hz HPF:50-500Hz Frequency response range: 20-20kHz Bassboost: 0-6-12dB S/N:90dB Size: 290x191x56mm |
BXT4.2000
RMS Power 4CH xllOw@4ohm
RMS Power 4CH x175w@2ohm
RMS Power 2CH x350w@4ohm
Bridge Max Power 2000W
Max LPF: 50-250Hz
HPF:120-3kHz
Frequency response range: 20-20kHz
Bassboost: 0-6-12dB S/N: 90dB
Size: 368x191x56mm
Trouble shooting l
| Symptom | possible cause | aetion to take |
| no output | low or no remote turn-on input fuse blown power wires not connected audio input not conneeted or no out put from source speaker wires not connected | check remote turn-on voltage output at amplifier and correct as needed check power wire integrity and reversed polarity,repair as needed and replace fuse check power wire and ground connections and repair or replace as needed check input connections and signal integrity, repair or replace as needed check speaker wires and repair or replace as needed |
| audio cycles on and off | speakers are brown thermal protections engages when amplifier heat sink temperature exceeds 90 C loose or poor audio input | check system with known working speaker and repair or replace speakers as needed make sure there is proper tventilation for amplifier and improve ventilation as needed check input connections and repair or replace as needed |
| distorted output | amplifier level sensitivities set too high; exceeding maximum output capability of amplifier impedance load to amplifier too low shorted speaker wires speaker not connected to amplifier properly | reset gain referring to the turning section of manual for detailed instructions check speaker impedance load if below 20 stereo or 40 mono rewire speakers to achieve a higher impedance check speaker wire connection and repair or replace as needed check speaker wiring and repair of replace as needed refer to the installation section of this manual for detailed instructions |
Trouble shooting ll
| Symptom | possible cause | actions to take |
| distorted output | speakers are blown | check system with known working speakers and repair or replaceas needed check speaker polarity and repair as needed |
| Poor bass response | speakers wired wrong polarity causing cancellation at low frequencies crossover set incorrectly | reset crossover referring to the multi-cross crossover configuration sections of this manual for detailed instruetions |
| battery fuse blowing | impedance load to amplifier too low short in power wire or incorrect power connections fuse used is smaller than recommended too much current being drawn if below 20 stereo or 4flmono rewire speakers to achieve a higher impedance short in power wire or incorrect | check impedance load if below 2.0 stereo or 4flmono rewire speakers to achieve a higher impendence check power and ground connections and repair as needed replace with proper fuse size check speaker impedance load, check power and ground connections as repair as needed |
| amplifier fuse blowing | too much current being drawn fuse used is smaller than recommended | check spealcer impedance load, if below 20 stereo or 40mono rewire speakers to achieve a higher impedance and replace with recommended fuse size check power and ground connections and repair as needed replace with proper fuse size |
LIMITED 90-DAY CONSUMER WARRANTY LIMITED TWO-YEAR CONSUMER WARRANTY WITH PURCHASE AND INSTALLATION BY A SOUNDSTREAM AUTHORIZED RETAILER
Soundstream promises to the original purchaser, to repair or replace this product with a new or refurbished unit (at Soundstream’s sole and absolute discretion) should it prove to be defective in workmanship or material under normal use, for a period of two-years from the date of purchase from the Soundstream authorized retailer, PROVIDED the product was purchased and installed by a Soundstream authorized retailer. During this two-year period, there will be no charge for product repair or replacement, PROVIDED the unit is returned to Soundstream, return shipping pre-paid, along with the required proof of installation, the bill of sale or other dated proof of purchase, and the consumer’s contact information.
If the unit is installed by anyone other than a Soundstream authorized retailer, the warranty period will be 90-days from the date of purchase. This warranty is nontransferable and does not apply to any unit that has been modified or used in a manner contrary to its intended purpose, and does not cover damage to the unit caused by installation or removal of the unit. During this 90-day period, there will be no charge for the repair or replacement PROVIDED the unit is returned to Soundstream, return shipping prepaid, along with the bill of sale or other dated proof of purchase and the consumer’s contact information.
This warranty is void if the product has been damaged by accident or unreasonable use neglect, improper service or other causes not arising out of defects in materials or construction. This warranty does not cover the elimination of externally generated static or noise, or the correction of antenna problems or weak reception, damage to speakers, accessories, electrical systems, cosmetic damage or damage due to negligence, misuse, failure to follow operating instructions, accidental spills or customer applied cleaners, damage due to environmental causes such as floods, airborne fallout, chemicals, salt, hail, lightning or extreme temperatures, damage due to accidents, road hazards fire theft, loss or vandalism, damage due to improper connection to equipment of another manufacturer, modification of existing equipment, or Product which has been opened or tampered for any reason. Units which are found to be damaged by abuse resulting in thermally damaged voice coils are not covered by this warranty but may be replaced at the absolute and sole discretion of Soundstream. Unit must be returned to Soundstream, postage pre-paid, with bill of sale or other dated proof of purchase bearing the following information: consumer’s name, telephone number, and address, authorized retailer’s name and address, and product description. Please contact Soundstream warranty office at 800-724-1377, email to [email protected], or visit Soundstream.com/warranty to obtain a Return Authorization Number prior to shipping the product.
Note: This warranty does not cover labor costs for the removal and reinstallation of the unit. IN ORDER FOR THE TWO-YEAR WARRANTY TO BE VALID, YOUR UNIT MUST BE SHIPPED WITH PROOF OF PURCHASE & INSTALLATION BY A SOUNDSTREAM AUTHORIZED RETAILER. ALL UNITS RECEIVED BY SOUNDSTREAM FOR WARRANTY REPAIR WITHOUT PROOF OF SOUNDSTREAM AUTHORIZED DEALER INSTALLATION AND PURCHASE WILL BE COVERED BY THE LIMITED 90-DAY WARRANTY.
BY PURCHASING THIS PRODUCT, ALL WARRANTIES INCLUDING BUT NOT LIMITED TO EXPRESS WARRANTY, IMPLIED WARRANTY, WARRANTY OF MERCHANT-ABILITY, FITNESS FOR PARTICULAR PURPOSE, AND WARRANTY OF NON-INFRINGEMENT OF INTELLECTUAL PROPERTY ARE EXPRESSLY EXCLUDED TO THE MAXIMUM EXTENT ALLOWED BY LAW, AND SOUNDSTREAM NEITHER ASSUMES NOR AUTHORIZES ANY PERSON TO ASSUME FOR IT ANY LIABILITY IN CONNECTION WITH THE SALE OF THE PRODUCT. SOUNDSTREAM HAS ABSOLUTELY NO LIABILITY FOR ANY AND ALL ACTS OF THIRD PARTIES INCLUDING ITS AUTHORIZED DEALERS OR INSTALLERS. BY PURCHASING THIS PRODUCT, THE CONSUMER AGREES AND CONSENTS THAT ALL DISPUTES BETWEEN THE CONSUMER AND SOUNDSTREAM SHALL BE RESOLVED IN ACCORDANCE WITH CALIFORNIA LAWS IN LOS ANGELES COUNTY, CALIFORNIA. Some states do not allow limitation on how long an implied warranty lasts. In such states, the limitation or exclusions of this Limited Warranty may not apply. Some states do not allow the exclusion or limitation of incidental or consequential damages. In such states, the exclusion or limitation of this Limited Warranty may not apply to you. This Limited Warranty gives you specific legal rights, and you may have other rights which vary from state to state.
Owners Registration Card.
Please complete and return immediately to the address on the reverse side
Name:…………………
Address:……………..
City:………………….. State:………………….. Zip:………………..
Vehicle Make/Model:…………………………
Product Model:………………….
Serial Number:………………..
Date Purchased:……………………..
Name of Dealer:………………………
Dealer Address:……………………….
City: ………………….State:………………Zip:……………………….
Phone:………………………..
Email:……………………
SoundStream Technologies
1550 S. Maple Ave.
Montebello, CA 90640
Attn. Customer Service



















