NORTEK RSA3ME4M1 Split System Air Conditioner

INSTALLATION INSTRUCTIONS
RSA3ME4M1 – RN24K, RN30K, SN36K, SN42K, SN48K & SN60K (2, 2.5, 3, 3.5, 4 & 5 TON) SERIES – SINGLE PHASE MODELS
IMPORTANT: ATTENTION INSTALLERS
It is your responsibility to know this product better than your customer. This includes being able to install the product according to strict safety guidelines and instructing the customer on how to operate and maintain the equipment for the life of the product. Safety should always be the deciding factor when installing this product and using common sense plays an important role as well. Pay attention to all safety warnings and any other special notes highlighted in the manual. Improper installation of the unit or failure to follow safety warnings could result in serious injury, death, or property damage. These instructions are primarily intended to assist qualified individuals experienced in the proper installation of this appliance. Some local codes require licensed installation/service personnel for this type of equipment. Please read all instructions carefully before starting the installation. Return these instructions to the customer’s package for future reference.
DO NOT DESTROY. PLEASE READ CAREFULLY & KEEP IN A SAFE PLACE FOR FUTURE REFERENCE.
IMPORTANT: For installation only in HUD-manufactured home per Construction Safety 24 CFR part 3280.
IMPORTANT SAFETY INFORMATION
INSTALLER: Please read all instructions before servicing this equipment. Pay attention to all safety warnings and any other special notes highlighted in the manual. Safety markings are used frequently throughout this manual to designate a degree or level of seriousness and should not be ignored.
WARNING: indicates a potentially hazardous situation that if not avoided, could result in personal injury or death.
CAUTION: indicates a potentially hazardous situation that if not avoided, may result in minor or moderate injury or property damage.
WARNING
- Shut off all electrical power to the unit before performing any maintenance or service on the system. Failure to comply may result in personal injury or death.
- Unless noted otherwise in these instructions, only factory authorized parts or accessory kits may be used with this product. Improper installation, service, adjustment, or maintenance may cause explosion, fire, electrical shock or other hazardous conditions which may result in personal injury or property damage
- RSA3ME4M1 split system air conditioners are shipped charged with R410A refrigerant and ready for installation. If repairs make it necessary for evacuation and charging, it should only be attempted by qualified trained personnel thoroughly familiar with this equipment. Under no circumstances should the owner attempt to install and/or service this equipment. Failure to comply with this warning could result in property damage, personal injury, or death.
- The information listed in this manual must be followed during the installation, service, and operation of this unit. Unqualified individuals should not attempt to interpret these instructions or install this equipment. Failure to follow safety recommendations could result in possible damage to the equipment, serious personal injury or death.
CAUTION: This unit uses refrigerant R-410A. DO NOT use any other refrigerant in this unit. Use of another refrigerant will damage the unit.
- The installer must comply with all local codes and regulations which govern the installation of this type of equipment. Local codes and regulations take precedence over any recommendations contained in these instructions. Consult local building codes and the National Electrical Code (ANSI) for special installation requirements.
- All electrical wiring must be completed in accordance with local, state and national codes and regulations and with the National Electric Code (ANSI/NFPA 70) or in Canada the Canadian Electric Code Part 1 CSA C.22.1.
- This equipment contains liquid and gaseous refrigerant under high pressure. DO NOT USE ANY PORTION OF THE CHARGE FOR PURGING OR LEAK TESTING. Installation or servicing should only be performed by qualified trained personnel thoroughly familiar with this type equipment. Fully annealed, refrigerant grade copper tubing should be used when installing the system. Refrigerant suction line tubing should be fully insulated.
- Installation of equipment may require brazing operations. Installer must comply with safety codes and wear appropriate safety equipment (safety glasses, work gloves, fire extinguisher, etc.) when performing brazing operations.
- Follow all precautions in the literature, on tags, and on labels provided with the equipment. Read and thoroughly understand the instructions provided with the equipment prior to performing the installation and operational checkout of the equipment.
- When refrigerant tubing and electrical wiring penetrates a structure’s envelope, the openings should be made to be suitably water-tight after their installation.
- This unit is designed for outdoor installations only and should be positioned.
AIR CONDITIONER INSTALLATION
General Information
The RSA3ME4M1 series air conditioner is designed only for outdoor rooftop or ground level installations. This unit has been tested for capacity and efficiency in accordance with AHRI Standards and will provide many years of safe and dependable comfort, providing it is properly installed and maintained. Abuse, improper use, and/or improper maintenance can shorten the life of the appliance and create unsafe hazards. To achieve optimum performance and minimize equipment failure, it is recommended that periodic maintenance be performed on this unit. The ability to properly perform maintenance on this equipment requires certain mechanical skills and tools.
Before You Install this Unit
- The cooling load of the area to be conditioned must be calculated and a system of the proper capacity selected. It is recommended that the area to be conditioned be completely insulated and vapor sealed.
- Check the electrical supply and verify the power supply is adequate for unit operation. The system must be wired and provided with circuit protection in accordance with local building codes. If there is any question concerning the power supply, contact the local power company.
- The indoor section (air handler, furnace, etc) should be installed before routing the refrigerant tubing. Refer to the indoor unit’s installation instructions for installation details.
- All units are securely packed at the time of shipment and upon arrival should be carefully inspected for damage prior to installing the equipment at the job site. Verify coil fins are straight. If necessary, comb fins to remove flattened or bent fins. Claims for damage (apparent or concealed) should be filed immediately with the carrier.
- Please consult your dealer for maintenance information and availability of maintenance contracts. Please read all instructions before installing the unit.
Packaging Removal
NOTE: To prevent damage to the tubing connections, carefully remove the carton and user’s manual from the equipment. Discard the shipping carton.
Locating the Air Conditioner

- Survey the job site to determine the best location for mounting the outdoor unit.
- Sufficient clearance for unobstructed airflow through the outdoor coil must be maintained in order to achieve rated performance. See Figure 1 for minimum clearances to obstructions.
- Overhead obstructions (Figure 1), poorly ventilated areas, and areas subject to accumulation of debris should be avoided.
- The unit should not be placed under roofing or other overhangs which are not guttered; that would allow water or ice to fall into the unit’s discharge opening.
- Consideration should be given to availability of electric power, service access, noise, and shade.
Clearance Requirements
- The general recommendation is for the units to be installed with 18 inches of clearance on 3 sides and with 24 inches of clearance for the service access side to the unit’s service panel.
- For installations that are space constrained, one side of the unit, adjacent to the service panel, may have its air side clearance reduced to a minimum of 6 inches. The other side adjacent to the service panel requires 24 inches for service access. The remaining two sides, at a minimum shall require 12 inches of clearance.
- A minimum of 18 inches between two units must be maintained for proper performance.
Ground Installations
- The unit should be installed on a solid base, that is level and located at least 2 inches above grade*.
Note: It is recommended that poured concrete mounting bases are not be attached or adjacent to the building structure or foundation.
Roof Installation
The unit may only be installed on a structure that is capable of supporting the total weight of the unit and its anchorage. The support for the base of the unit may not slope more than 1/8 inch per foot. The minimum clearance for the base of the unit to the roof-line is 2 inches* for residential applications. Note on ground and roof clearances: Heat pump and other applications should account for the accumulation of snow and raise the base of the unit accordingly. (At a minimum, a 6 inch clearance is required.)
Accessory Mounting Kits
Kits for other mounting methods and accessories can be found in the technical sales literature for the unit. Or the literature library on NortekHVAC.com.
Connecting Refrigerant Tubing Between the Indoor & Outdoor Unit
CAUTION: When connecting refrigerant line-sets together, it is highly recommended that dry nitrogen be flowing through the joints during brazing to prevent internal oxidation and scaling. Copper oxides, internal to the system can damage the compressors bearings and seals, block small orifices and microchannels or otherwise damage components.
When performing brazing operations always protect the system components and seals from the possibility of heat damage. Remove all caps, plugs and Schrader valve cores on piping system components just prior to assembly and brazing. Use good brazing practices to protect components from the heat and flame of the brazing torch.
After outdoor and indoor unit placement has been determined, route refrigerant tubing between the equipment in accordance with sound installation practices.
- Refrigerant tubing should be routed in a manner that minimizes the length of tubing and the number of bends in the tubing. If precise forming of refrigerant lines is required, a copper tubing bender is recommended. Avoid sharp bends and contact of the refrigerant lines with metal surfaces.
- Refrigerant tubing should be supported in a manner that the tubing will not vibrate or abrade during system operation.
- Tubing should be kept clean of foreign debris during installation.
- Every effort should be made by the installer to ensure that the field installed refrigerant containing components of the system have been installed in accordance with these instructions and sound installation practices to insure reliable system operation and longevity.
- The maximum recommended interconnecting refrigerant line lengths is 75 ft. and the vertical elevation difference between the indoor and outdoor sections should not exceed 20 ft.
- A filter dryer is provided with the unit and must be installed in the liquid line of the system. If the installation replaces a system with a filter dryer already present in the liquid line, the filter dryer must be replaced with the one supplied with the unit. The filter dryer must be installed in strict accordance with the manufacturer’s installation instructions.
- Optional equipment such as liquid line solenoid valves, low ambient, etc., should be installed in strict accordance with the manufacturer’s installation instructions.
- After the completion of all brazing operations and when the components have been properly cooled, replace all the seals, Shrader cores and caps which had been previously removed. It is recommended that all seals be either lubricated with a light coat of refrigerant oil. Always verify that oil applied matches the oil type listed on the compressor nameplate. A thread sealant which is compatible with the system refrigerant and oil can be sparingly applied if desired.
CAUTION: If repairs are necessary to the refrigerant lineset or indoor setup after the initial installation, then when servicing, cover or seal openings to minimize the exposure of the refrigerant system to air to prevent accumulation of moisture and other contaminants.
ELECTRICAL WIRING
WARNING: ELECTRICAL SHOCK OR FIRE HAZARD
- To avoid risk of electrical shock, personal injury, or death, disconnect all electrical power to the unit before performing any maintenance or service. The unit may have more than one electrical supply.
- Label all wires prior to disconnection when servicing the unit. Wiring errors can cause improper and dangerous operation.
- All electrical connections must be in compliance with all applicable local codes and ordinances, and with the current revision of the National Electric Code (ANSI/NFPA 70).
- For Canadian installations the electrical connections and grounding shall comply with the current Canadian Electrical Code (CSA C22.1 and/or local codes).
Pre-Electrical Checklist
- Verify that the voltage, frequency, and phase of the supply source match the specifications on the unit rating plate.
- Verify that the service provided by the utility is sufficient to handle the additional load imposed by this equipment. Refer to the unit wiring label for proper voltage wiring.
- If replacing an existing unit, verify that the: current wiring, unit disconnect and circuit breaker is properly sized and rated for the new units requirements. Verify that information with the MCA and MOP values on the unit nameplate.
- Verify factory wiring is in accordance with the unit wiring diagram. See Figure 4, (page 8), Figure 5, (page 9) & Figure 6, (page 10). Inspect for loose connections.
Line Voltage
- A wiring diagram is located on the inside cover of the electrical box of the outdoor unit. The installer should become familiar with the wiring diagram before making any electrical connections to the outdoor unit.
- An electrical disconnect must be located within sight of and readily accessible to the unit. This switch shall be capable of electrically de-energizing the outdoor unit.
- Line voltage to the unit should be supplied from a dedicated branch circuit containing the correct fuse or circuit breaker for the unit. Incoming field wiring and minimum size of electrical conductors and circuit protection must be in compliance with information listed on the outdoor unit data label. Any other wiring methods must be acceptable to authority having jurisdiction.
- The outdoor unit requires both power and control circuit electrical connections. Refer to the wiring diagram/ schematic for identification and location of outdoor unit field wiring interfaces. See Figure 4, (page 8), Figure 5, (page 9) & Figure 6, (page 10). Make all electrical connections in accordance with all applicable codes and ordinances.
- Overcurrent protection must be provided at the branch circuit distribution panel and sized as shown on the unit rating label and according to applicable local codes. See the unit rating plate for minimum circuit ampacity (MCA) and maximum overcurrent protection (MOP) limits.
- Provide power supply for the unit in accordance with the unit wiring diagram, and the unit rating plate. Connect the line-voltage leads to the terminals on the contactor inside the control compartment.
- Use only copper wire for the line voltage power supply to this unit in strict accordance of the NEC (ANSI/NFPA 70), applicable local codes, and the instructions provided with the equipment. Use proper code agency listed conduit and a conduit connector for connecting the supply wires to the unit. Use of rain tight conduit is recommended.
- 208/230 Volt units are shipped from the factory wired for 230 volt operation. For 208V operation, remove the lead from the transformer terminal marked 240V and connect it to the terminal marked 208V.
- Optional equipment requiring connection to the power or control circuits must be wired in strict accordance of the NEC (ANSI/NFPA 70), applicable local codes, and the instructions provided with the equipment.
Grounding
WARNING: The unit cabinet must have an uninterrupted or unbroken electrical ground to minimize personal injury if an electrical fault should occur. Do not use gas piping as an electrical ground!
This unit must be electrically grounded in accordance with local codes or, in the absence of local codes, with the National Electrical Code (ANSI/NFPA 70) or the CSA C22.1 Electrical Code. Use the grounding lug provided in the control box for grounding the unit.
Thermostat Connections
- Thermostat connections should be made in accordance with the instructions supplied with the thermostat and the indoor equipment.
- The outdoor unit is designed to operate from a 24 VAC Class II control circuit. The control circuit wiring must comply with the current provisions of the NEC (ANSI/NFPA 70) and with applicable local codes having jurisdiction.
Low Voltage Connections
- The outdoor unit is designed to operate from a 24 VAC Class II control circuit which is provided by the indoor unit. The control circuit wiring must comply with the current provisions of the NEC (ANSI/NFPA 70) and with applicable local codes having jurisdiction.
- The low voltage wires must be properly connected to the outdoor unit’s low voltage terminal block and as indicated on the units wiring diagram.
START UP & ADJUSTMENTS
Pre-Start Check List
- Verify that the outdoor unit is installed according to all instructions in this document.
- Verify that the indoor unit is appropriate for use with the refrigerant listed on the outdoor unit. And that it has the proper design pressure for the outdoor unit equipment type.
- Verify the indoor unit and thermostat have been installed in accordance with that equipment’s instructions.
- Verify line voltage power leads are securely connected and that both indoor and outdoor units are properly grounded.
- Verify that the power supplied by branch circuits for both the indoor and outdoor equipment is:
- the proper voltage for the equipment, and
- that the overcurrent protection device is properly sized, and
- that the supply wiring is the correct gauge.
- Verify that the low voltage and thermostat wiring are securely connected to the proper terminals for all equipment.
- Verify that the low voltage transformer has been properly connected with that unit’s instructions.
- Verify that the refrigerant line-set has been properly routed between the units, connected appropriately, is properly secured and protected from damage, and that it has the correct piping insulation installed.
- Verify that the refrigerant system and lines are leak free by inspection with a leak detector or the soap-bubble method.
- Verify that any attached indoor ducting has been properly installed and sealed.
- Verify that the indoor condensate drain line and trap are properly installed and functioning.
- Verify that all removable panels have been re-installed, and all cabinet enclosures and fan guards are secure.
- Verify that the air filters are clean and properly installed.
- Verify that the thermostat is set to the stand-by, or off setting. And the fan switch is set to automatic or off.
Start-Up Procedures
The thermostat’s function mode should be set to OFF and the fan mode should be set to AUTO. Close all electrical disconnects to energize the system.
Air Circulation – Indoor Blower
- Set the thermostat system mode on OFF and the fan mode to ON.
- Verify the blower runs continuously. Check the air delivery at the supply registers and adjust register openings for balanced air distribution. If insufficient air is detected, examine ductwork for leaks or obstructions.
- Set the thermostat fan mode to AUTO and verify the blower stops running.
System Cooling
- Set the thermostat’s system mode to COOL and the fan mode to AUTO. Gradually lower the thermostat temperature setpoint below room temperature and verify the outdoor unit and indoor blower energize.
- Verify blower wheel is spinning in direction indicated by arrow. Feel the air being circulated by the indoor blower and verify that it is cooler than ambient temperature. Listen for any unusual noises. If unusual sounds occur, determine the source of the noise and correct as necessary.
- Verify HI and LO refrigerant pressures.
- Allow the system to operate for several minutes and then set the temperature selector above room temperature. Verify the fan and compressor cycle off with the thermostat.
NOTE: The blower should also stop unless fan mode is set to the ON position.
System Heating (optional)
- Set the thermostat’s system mode to HEAT and the temperature mode above room temperature.
- Verify the optional heating equipment (furnace or electric heat) and indoor blower energize. Feel the air being circulated by the indoor blower and verify that it is warmer than ambient temperature. Listen for any unusual noises. If unusual sounds occur, determine the source of the noise and correct as necessary.
AIR CONDITIONER MAINTENANCE
WARNING: To prevent electrical shock, personal injury, or death, disconnect all electrical power to the unit before performing any maintenance or service. The unit may have more than one electrical supply.
Proper maintenance is important to achieve optimum performance from the air conditioner. The ability to properly perform maintenance on this equipment requires certain mechanical skills and tools. If you do not possess these skills, contact your dealer for maintenance. Consult your local dealer about the availability of maintenance contracts. Routine maintenance should include the following:
- Inspect and clean or replace air filters at the beginning of each heating and cooling season, or more frequently if required.
- Inspect the condensate drains in the unit’s basepan and the outdoor coil at the beginning of each cooling season. Remove any debris. Clean the outdoor coil and louvers as necessary using a mild detergent and water. Rinse thoroughly with water.
- To access the outdoor coil on units equipped with louvered panels, refer to Figure 2, for panel removal and Figure 3, for panel installation.
- Inspect the electrical connections for tightness at the beginning of each heating and cooling season. Service as necessary.
- Do not attempt to add additional oil or grease to motors unequipped with oil tubes or grease fittings. Most outdoor unit motors are manufactured with sealed, permanently lubricated bearings that are designed for the life of the equipment without maintenance.
- The compressor is hermetically sealed and shipped from the factory with the proper oil charge for most installations. Lubricating oil should only be added by trained personnel and is typically only required for long line sets or tall riser applications.
Panel Removal (Select Units)
- Remove screws securing the panel.
- Slide the panel up towards the top pan in order to clear the bottom flange from the base pan. See Figure 2.

- Swing the bottom of the panel out and pull the panel down to remove it from the unit.
Panel Installation (Select Units)

- Insert the top corners of side panel flanges into the corner post channels as shown in Detail A in Figure 3.
- Slide the panel up into the top pan. (You may need to push on the center of the panel at the top in order to clear the top pan edge).
- Swing the panel in and push down until the panel is resting on the top edge of the base pan wall as shown in Detail B.
- Insert screws into the panel to secure it to the unit.
REFRIGERANT CHARGING
WARNING: RSA3ME4M1 Split System Air Conditioners are shipped charged with R410A refrigerant and ready for installation. If repairs make it necessary for evacuation and charging, it should only be attempted by qualified trained personnel thoroughly familiar with this equipment. Under no circumstances should the owner attempt to install and/or service this equipment. Failure to comply with this warning could result in property damage, personal injury, or death.
After refrigerant line connections are completed, it is required that you leak check and evacuate the indoor section and all line connections (using proper methods) before finalizing the full system refrigerant charge.
- Refer to the Quick Reference Data sheet for additional charging information for this unit with the approved Nortek indoor units. For reference, these units are listed in the AHRI Directory with all approved combinations of indoor coils and units. Installing these outdoor units on systems that combine it with an indoor coil or unit not listed there, is not recommended. When approved combinations of indoor and outdoor units are installed, they should be set up to operate within the airflow and other operational parameters prescribed in all of the units provided instructions and technical specifications.
- Installation of this outdoor unit with other, non-listed indoor unit combinations may require different airflows, expansion devices, charge values and system setup from the instructions provided here and with this unit. Nortek does not recommend the use of this product in unlisted combinations, and the system performance and efficiency values of unlisted unit combinations may be different than the listed product combinations.
- The refrigerant charge can be checked and adjusted through the service ports provided external to the outdoor unit. Use only gage line sets which have a “Schrader” depression device present to actuate the valve.
- An automatic high-pressure switch is factory-installed installed in these units and is located on the discharge line after the unit’s compressor. This switch is designed to protect the system when very high pressures occur during abnormal conditions. Under normal conditions, the switch is closed. If the system pressure rises to 650 psig, then the switch will open and de-energize the contactor coil in the outdoor unit. The switch will close again once the liquid pressure decreases to 460 psig and allow the unit to restart.
Charging the Unit in AC mode
If the outdoor temperature is 65 degrees F or higher
After completing the refrigerant line connections, leak checking the system, and evacuating the indoor section and all line connections (using proper methods), perform the following steps:
- Determine the recommended charge addition (if applicable) for the system being installed. This information is in the unit’s QRD (Quick Reference Data sheet).
- Calculate the amount of additional refrigerant needed for the line set length of the actual installation. This information is on the first page of the unit’s QRD (Quick Reference Data sheet).
- Weigh in the additional charge amounts determined by step 1 and 2 above.
- Adjust the charge to match the superheat (for fixed orifice systems) or subcooling (for TXV systems). There are three different resources for doing this:
- The chargecalculator.com website. This will walk you through the charging process step by step.
- The charging tables on the inside of the outdoor unit’s electrical box cover panel. These tables provide superheat targets for fixed orifice systems and subcooling targets for TXV systems. The system should be charged so that the measured superheat/ subcooling are within 1 degree F of the target listed in the table.
- For fixed orifice systems:
- If your measured superheat at the suction valve is LESS THAN the recommended superheat value in the table then REMOVE refrigerant.
- If your measured superheat at the suction valve is GREATER THAN the recommended superheat value in the table then ADD refrigerant. For TXV systems:
- If your measured subcooling at the liquid valve is LESS THAN the recommended subcooling value in the table then ADD refrigerant.
- If your measured subcooling at the liquid valve is GREATER THAN the recommended subcooling value in the table then REMOVE refrigerant.
- The charging tables in the Supplemental Charging Information, can be found online in the literature library. The tables can also be accessed by scanning the QR code on the unit’s electrical panel. The pressures listed in these tables are for reference only and are to be used in troubleshooting a system. The system should be charged to match the superheat or subcooling targets as previously noted and not to match the system pressures. Follow the same procedure described in 4b above.
If the outdoor temperature is below 65 degrees F: After completing the refrigerant line connections, leak checking the system, and evacuating the indoor section and all line connections (using proper methods), perform the following steps:
- Determine the recommended charge addition (if applicable) for the system being installed. This information is in the unit’s QRD (Quick Reference Data sheet).
- Calculate the amount of additional refrigerant needed for the line set length of the actual installation. This information is on the first page of the unit’s QRD (Quick Reference Data sheet).
- Weigh in the additional charge amounts determined by step 1 and 2 above.
- Return to the system when the outdoor temperature is 65 degrees F or higher and follow the steps defined in step 4 of the “If the outdoor temperature is 65 degrees F or higher” section above.
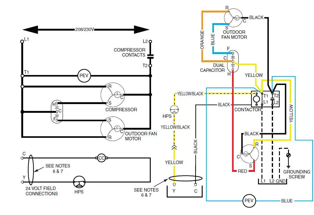
WIRING DIAGRAM
Split System Air Conditioner (Outdoor Section)
NOTES

- Disconnect all power before servicing.
- For supply connections use copper conductors only.
- Not suitable on systems that exceed 150 volts to ground.
- For replacement wires use conductors suitable for 105 deg C.
- For ampacities and overcurrent protection, see unit rating plate.
- Connect to 24 VAC/40VA/class 2 circuit. See furnace/air handler installation instructions for control circuit and optional relay/transformer kits.
- Caution: The Low Voltage wiring in this unit shall not be grounded to this unit.
- CC: Contactor Coil
- HPS: High Pressure Switch
LEGEND

1039827A
(Replaces 10398270) 9/22

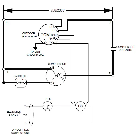
Split System Air Conditioner (Outdoor Section) With ECM Outdoor Motor
NOTES

- Disconnect all power before servicing.
- For supply connections use copper conductors only.
- Not suitable on systems that exceed 150 volts to ground.
- For replacement wires use conductors suitable for 105 .
- For ampacities and overcurrent protection, see unit rating plate.
- Connect to 24 vac/40va/class 2 circuit. See furnace/air handler installation instructions for control circuit and optional relay/transformer kits.
- Caution: The Low Voltage wiring shall NOT be grounded to this unit.
- CC: CONTACTOR COIL
- HPS: HIGH-PRESSURE SWITCH
LEGEND

Single Phase / 60 Hz

10437100 (New)
7/22

INSTALLATION CHECKLIST
| INSTALLATION ADDRESS: | ||
| CITY: | STATE: | |
| UNIT MODEL # | ||
| UNIT SERIAL # | ||
| INSTALLER NAME: | ||
| CITY | STATE | |
| Unit Installed Minimum clearances shown on page 3? | YES | NO |
| Has the owner’s information been reviewed with the customer? | YES | NO |
| Has the Literature Package been left with the unit? | YES | NO |
| REFRIGERATION SYSTEM | ||
| Was unit given 24 hr warm up period for crankcase heaters? | YES | NO |
| Stage-1 Liquid Pressure (high side): | ||
| Stage-1 Suction Pressure (low side): | ||
| ELECTRICAL SYSTEM | ||
| Electrical connections tight? | YES | NO |
| Line voltage polarity correct? | YES | NO |
| Rated Voltage: | ||
| Maximum deviation of voltage from average volts: | ||
| Has the thermostat been calibrated? | YES | NO |
| Is the thermostat level? | YES | NO |
| Is the heat anticipator setting correct? (If Applicable) | YES | NO |
REPLACEMENT PARTS
Replacement parts are available through your distributor. Please have the complete model and serial number of the unit when ordering replacement parts.
ELECTRICAL
- Capacitors
Compressors - Contactors
- Pressure Switches
- Relays
- Temperature Limit Switches
- Thermostats
- Time Delay Relays
- Transformers
MOTORS
- Blower Motor
- Fan Motor
COMPONENTS
- Blower Assembly
- Cabinet Panels
- Expansion Valves
- Fan Grille
- Filter/Driers

Specifications & illustrations subject to change without notice or incurring obligations (09/22). O’Fallon, MO, © Nortek Global HVAC LLC 2022. All Rights Reserved.



















