DS18 NXL-F4 1200 Watt Flush Mount Waterproof Marine Boat Amplifier
DS18 NXL
Thank you for choosing DS18 NXL Amps! To Take full advantage of the NXL amps you have just purchased, please read and follow the instructions in this manual. As with all of our products, professional installation by an authorized DS18 dealer is highly recommended!
INTRODUCTION
DS18 waterproof amplifiers offer high quality audio reproduction for the audiophile and the everyday listener alike. All models feature fully variable crossovers with 12 dB per octave slopes, allowing you the ability to tailor the sound to best fit the speakers and your listening preferences.
Platinum Finish Connections
Ensures solid electrical connections that resist corrosion.
Fully Variable Crossovers Protection Circuitry
Fully variable crossovers promote installation ease and save the cost of outboard crossovers. Additionally, they may be used in conjunction with outboard passive or active crossovers, depending on the complexity required by the system. The 12 dB per octave slope offers steep roll-off above or below the selected frequency. Against Overload, Short Circuit, Thermal, and Reverse Polarity. These protection features are designed to protect the amplifier from misuse, as well as from common causes of amplifier failure.
INSTALLATION
Professional installation by an authorized DS18 dealer is highly recommended! Otherwise, the performance of your new gear may not be satisfactory. In the event that you decide to do your own installation, please read and follow this manual very carefully. Failure to do so may compromise the integrity of this product, your vehicle, and possibly void the product warranty. Amplifiers are generally mounted in closed compartments of the vehicle or watercrafts. Select a location that will provide adequate ventilation for the amplifier. Avoid mounting the amplifier in exposed areas. Secure the amplifier with the screws provided providing adequate ventilation for the Amplifier. Avoid mounting the amplifier with the fins facing down. The fins should be facing up, either vertically or horizontally. Before securing the amplifier, inspect the mounting location carefully to ensure that you do not drill into or damage any electrical, hydraulic, fluid or fuel lines.
INPUT SELECTION
Because of the wide range of head unit output configurations all DS18 NXL amps have an adjustable input sensitivity of “Gain”. The gain is not a volume or a power limiting control like a throttle. It makes the amp more sensitive to input from the stereo; with the gain up, the amp will reach full output at a lower volume setting on the deck. At higher gain settings the amp also becomes more and more sensitive to noise from the vehicles’s electrical system. Try to run the gain at the lowest setting possible for your system.
There is no correct gain setting, because speakers require different power demands to reach the same output, the gains most often need to be used to compensate for these differences. If you tried to set all the gains at half way you would probably find the system didn’t sound very good. Using good judgment and listening carefully to each speaker is still the best way to tune a system.
CROSSOVER CONTROLS
A crossover is a device that removes unwanted frequencies from a speaker or amplifier. A tweeter can easily be destroyed by bass notes if they are not filtered out. Likewise a subwoofer will not sound natural if it is playing midrange notes. A crossover removes these sounds from the speaker. As you might guess, careful adjustment in need to ensure that all the speakers are playing the right sounds and that you are left with no “holes” or low spots in the frequency response.
BASS BOOST
DS18 NXL amplifiers have an adjustable bass boost. Begin your adjustments at low volume. If you do not hear any improvement then woofer does not need any bass boost. The Low Pass Filter (LPF) must be switched on for the bass boost to activate. Use Bass Boost carefully. The demands on power output are tremendous. Try to minimize the use by changing woofer position or the enclosure size.
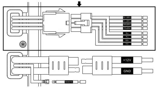
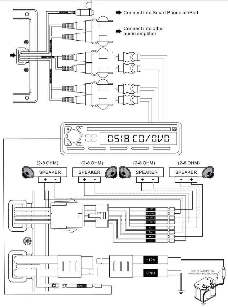
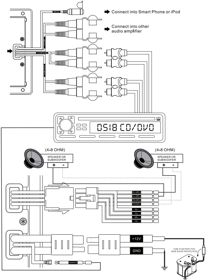
SPEAKER OUTPUTS
This amplifier is a multi channel amplifier design, meaning it has more than one channel of speaker outputs. It is equipped with a large block style terminal for speaker connection. Make this connection carefully and neatly. Strip your wire back and twist the exposed leads and insert them into the block terminal while being careful that there is no loose or frayed strands of wire and tighten the Allen head screw down on the terminal till the wire is tightly secured in place. If the wires ever come in contact with each other the amplifier will go into protection.
INSTALLATION INSTRUCTIONS
- Before you start, disconnect the negative cable from the car battery. Tape up the end so it is isolated from the battery.
- Run an appropriate gauge wire from the battery to the amplifier. Plan this part of the installation carefully. This cable will carry very high current, if it should short to the body and it is not properly fused it could catch fire.
- Connect the power wire to the battery using a fuse capable of the total current load of all amplifiers connected. Don’t install the fuse yet. Wait until the end. Locate the fuse as close as possible to the battery. If the fuse is further than 18 inches (wire length) from the battery you should reevaluate the wire and fuse placement.
- Find the closest clear metal area to the amp for a ground. Sand, grind or scrape all paint and undercoating from the body and screw the ground securely in place. It is advisable to test the ground with an ohmmeter between the ground cable and the negative battery cable to ensure a good low resistance connection. Some allowys used in modern cars do not offer the best ground. If you believe this is the case – first consult with the vehicle manufacturer.
- Run the speaker wire to the speakers. It is advised that you leave some extra wire at this point. You can fix it later.
- If you haven’t done so already, mount the amp now.
- Connect the power and ground to the amplifier.
ONLY AFTER THIS STEP – SHOULD YOU INSTALL THE FUSE AT THE BATTERY. - Connect the remote wire from the head unit to the amplifier. Now is a good time to turn on the amp for the first time. Make sure it turns on properly and does not go into protection mode.
- Connect the speaker wires to the amp and speakers (make sure the amp is off first). Make sure the polarity (+) and (-) is correct.
- Connect the RCA’s to the amp.
- Double check the amplifier controls at this time. Make sure everything is set correctly for your system.
- Now you’re ready to play it for the first time. It is best to leave the gain all the way down at first. Start with the head unit volume low and work your way up.
- Now you can tune the amp. Take your time and make only one adjustment at a time. It may take some time to get the system fully adjusted. During this time the amp is drawing current from the battery. You should check the battery voltage from time to time and recharge it, if it gets low. That’s it. You’re done. Now have fun.
SPECIFICATIONS
NORMAL INSTALLATION
BRIDGE MODE INSTALLATION
DIMENSIONS
WARRANTY
Should your amplifier require service please consult with the dealer from which it was purchased, or contact DS18 Audio local Dealer. Do not attempt to return your amplifier directly to us without first calling for a Return Authorization Number. Units received without an accompanying Return Authorization Number will be processed more slowly. Additionally, you must include a copy of your purchase receipt from an authorized dealer for consideration of in-warranty service; otherwise repair charges will apply. Units received without a receipt will be held for 30 days, allowing us time to contact you and obtain a copy of the receipt. After 30 days, all units will be returned without repair.
NXL-F4
DS18.COM























