Kira Home CIL3312-3 31 Inch 3 Light Modern Industrial Farmhouse

Product Information
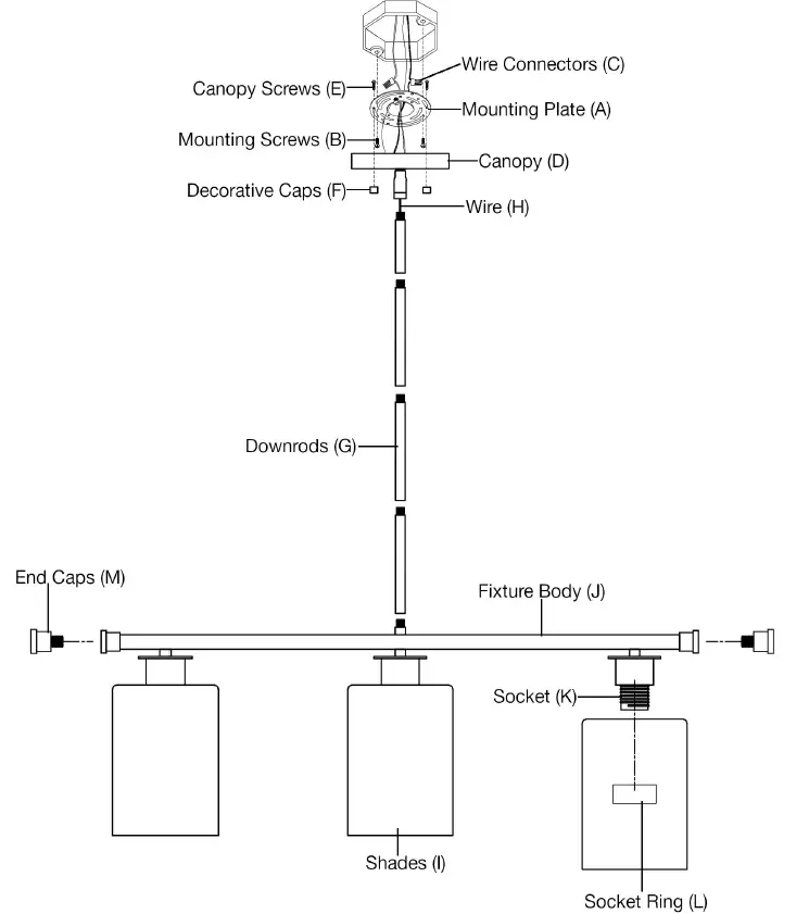
The product is a light fixture that needs to be installed on the ceiling. It comes with a mounting plate, canopy screws, mounting screws, downrods, wires, wire connectors, decorative caps, end caps, sockets, socket rings, and shades. The product is designed to work with electrical junction boxes that are not included in the package. It requires bulbs that are not included in the package as well. The installation process involves adjusting the canopy screws, securing the mounting plate, attaching the downrods to the fixture body, connecting the wires to the junction box, securing the canopy, and installing the shades and bulbs.
Product Usage Instructions
- Measure the canopy height using a measuring tape.
- Adjust the canopy screws on the mounting plate to match the height of the measured canopy plus 1/4. Lock the screws in place with hex nuts.
- Secure the mounting plate to the junction box using the provided mounting screws. Make sure the threads of the canopy screws are pointing down towards the floor.
- Place the canopy flush against the ceiling with the canopy screws protruding through the holes in the canopy. Verify that 1/4 of the threaded portion of the canopy screws is visible. If not, adjust and lock the screws again.
- Determine the hanging length by selecting desired downrods. Secure them together and thread wires from the top of the fixture body up through the downrods. Secure them to the top of the fixture body and pull through any necessary wires.
- Cut wire 10 inches beyond the length of downrods using wire cutters to allow for easier wire connection. Thread wire through bottom of canopy and secure canopy to top of downrods.
- Connect appropriate wires from fixture to corresponding wires in the electrical junction box using the wire graph provided. Secure wire connectors.
- Place all wires and wire connectors back into the junction box.
- Place canopy against the ceiling, ensuring canopy screws are protruding through the holes in the canopy. Secure canopy and fixture in place with decorative caps.
- Screw on both end caps to each end of the fixture body.
- Secure shades to sockets with socket rings. Remove socket ring before installing shade.
- Install bulbs into sockets.
For safety purposes, use helpful tools such as safety goggles, screwdriver, wire cutter/stripper, ladder, and measuring tape during the installation process. Once installed, enjoy your new fixture!
IMPORTANT SAFETY INSTRUCTIONS
- To avoid injury or damage, mount only on a surface that is sturdy.
- To avoid electric shock, make sure the electricity is turned off at the main circuit breaker panel. If you are replacing an existing fixture, turn off the following in order: fixture, wall switch, and main fuse or breaker box.
Note: Some types of fuses must be unscrewed to shut the power off. - If you are unclear as to how to proceed, please consult a licensed electrician
UNPACK THE FIXTURE: Check the contents of the box. Box should contain all items on the parts diagram
INSTALLATION INSTRUCTIONS
- Measure Canopy (D) height with measuring tape. Adjust Canopy Screws (E) on Mounting Plate (A) to the height of measured Canopy (D) plus 1/4″ to allow them to protrude through Canopy (D) during installation. Lock Canopy Screws (E) in place with the hex nuts.
- Secure Mounting Plate (A) to the junction box (not included) using Mounting Screws (B) provided. Ensure Mounting Plate (A) is positioned with the threads of Canopy Screws (E) pointing down towards the floor.
- Place Canopy (D) flush against the ceiling with Canopy Screws (E) protruding through the holes in Canopy (D). Verify that 1/4” of the threaded portion of Canopy Screws (E) are visible. Remove Canopy (D) and set it aside.
Note: If 1/4″ of Canopy Screws (E) are not visible, remove Canopy (D) and re-adjust Canopy Screws (E) to proper height and lock them in place with the hex nuts. - Determine hanging length by selecting desired Downrods (G). Secure them together.
- Thread Wires (H) from top of Fixture Body (J) up through Downrods (G). Secure Downrods (G) to the top of Fixture Body (J). Pull through any necessary Wires (H).
- Use wire cutters to cut Wire (H) 10” beyond the length of Downrods (G) to allow for easier wire connection.
- Thread Wire (H) through bottom of Canopy (D). Secure Canopy (D) to the top of Downrods (G).
- Using the wire graph below, connect the appropriate wires from the fixture to the corresponding wires in the electrical junction box (not included) and secure Wire Connectors (C).

- A. Connect the ground wire (bare copper or green) from your fixture to the:
- 1) ground wire in the junction box, or
- 2) ground screw in the junction box
- B. Connect the BLACK house wire to fixture hot wire that corresponds to diagram (black, round & smooth, white/grey with tracer, brown/gold without tracer).
- C. Connect the WHITE house wire to fixture neutral wire that corresponds to diagram (white, ribbed/ridged, white/grey without tracer, brown/gold with tracer).
- A. Connect the ground wire (bare copper or green) from your fixture to the:
- Place all Wires (H) and Wire Connectors (C) back into the junction box.
- Place Canopy (D) against the ceiling, ensuring Canopy Screws (E) are protruding through the holes in Canopy (D). Secure Canopy (D) and the fixture in place with Decorative Caps (F).
- Screw on both End Caps (M) to each end of Fixture Body (J).
- Secure Shades (I) to Sockets (K) with Socket Rings (L).
Note: Socket Ring (L) should already be installed onto Socket (K). Remove Socket Ring (L) before installing Shade (I). - Install bulbs (not included) into Sockets (K). Enjoy your new fixture!
HELPFUL TOOLS
Safety Goggles, Screwdriver, Wire Cutter/Stripper, Ladder, Measuring Tape




















