POTTER HS24-177 Visible and Audible Signaling Appliances

INTRODUCTION
The Potter Electric models HS24-177, S24-177, EH-24, HS-24, S-24, HS-24-WP, HSLP-24-WP, S-24-WP, SLP-24-WP, CHS-24A, CS-24WA, CHS-24B, CS-24WB, CHS-24G, CS-24WG,
CHS-24R, CS-24WR, CHS-24A-WP, CHSLP-24A-WP, CS-24WA-WP, CSLP-24WA-WP, CHS-24B-WP, CHSLP-24B-WP, CS-24WB-WP, CSLP-24WB-WP, CHS-24G-WP, CHSLP-24G-WP,
CS-24WG-WP, CSLP-24WG-WP, CHS-24R-WP, CHSLP-24R-WP, CS-24WR-WP, CSLP-24WR-WP are high quality audible and/or visible signaling appliances. The high intensity strobe utilizes
a Xenon flash tube that generates a high-intensity flash visible from all angles. This appliance is intended to provide a visible, audible or audible/visible, depending on the model, notification
signal for the purpose of life safety and property protection. The HS-24, S-24, CHS-24A, CS-24WA, CHS-24B, CS-24WB, CHS-24G, CS-24WG, CHS-24R, CS-24WR are provided with a slider
switch which allows for candela selection at the installation site; the candela intensities which can be selected are 15Cd, 30Cd, 60Cd, 75Cd, or 110Cd. The HS24-177 and S24-177 are fixed
candela units; the candela intensity which can be ordered is 177Cd. The HS-24-WP, HSLP-24-WP, S-24-WP, SLP-24-WP, CHS-24A-WP, CHSLP-24A-WP, CS-24WA-WP, CSLP-24WA-WP,
CHS-24B-WP, CHSLP-24B-WP, CS-24WB-WP, CSLP-24WB-WP, CHS-24G-WP, CHSLP-24G-WP, CS-24WG-WP, CSLP-24WG-WP, CHS-24R-WP, CHSLP-24R-WP, CS-24WR-WP,
CSLP-24WR-WP are fixed candela units, available in a 75 candela intensity only. This appliance is ideal for any occupancy that requires notification appliances per the applicable building or fire
code or wherever dependable alarms are required.
The HS24-177, S24-177, HS-24, S-24 strobe is listed in compliance with ANSI/UL 1971, Signaling Appliances for the Hearing Impaired. The HS-24-WP, HSLP-24-WP, S-24-WP, SLP-24-WP,
CHS-24A, CS-24WA, CHS-24B, CS-24WB, CHS-24G, CS-24WG, CHS-24R, CS-24WR, CHS-24A-WP, CHSLP-24A-WP, CS-24WA-WP, CSLP-24WA-WP, CHS-24B-WP, CHSLP-24B-WP,
CS-24WB-WP, CSLP-24WB-WP, CHS-24G-WP, CHSLP-24G-WP, CS-24WG-WP, CSLP-24WG-WP, CHS-24R-WP, CHSLP-24R-WP, CS-24WR-WP, CSLP-24WR-WP strobe is listed in
compliance with ANSI/UL 1638, Visual Signaling Appliances – Private Mode Emergency and General Signaling. Additionally, colored lens models CHS-24A, CS-24WA, CHS-24B, CS-24WB,
CHS-24G, CS-24WG, CHS-24R, CS-24WR comply with the polar dispersion requirements of ANSI/UL 1971.
LOCATION
This appliance is intended for use in Fire Alarm Systems and is to be installed in accordance with this manual, the recommendation of the local authorities having jurisdiction, and other NFPA
documents that provide standards on notification appliances for protective signaling systems. The HS24-177, S24-177, EH-24, HS-24, S-24, CHS-24A, CS-24WA, CHS-24B, CS-24WB,
CHS-24G, CS-24WG, CHS-24R, CS-24WR are intended for indoor installations only; this appliance is not listed for outdoor or drip proof applications. The HS-24-WP, HSLP-24-WP, S-24-WP,
SLP-24-WP, CHS-24A-WP, CHSLP-24A-WP, CS-24WA-WP, CSLP-24WA-WP, CHS-24B-WP, CHSLP-24B-WP, CS-24WB-WP, CSLP-24WB-WP, CHS-24G-WP, CHSLP-24G-WP, CS-24WG-WP,
CSLP-24WG-WP, CHS-24R-WP, CHSLP-24R-WP, CS-24WR-WP, CSLP-24WR-WP are intended for indoor or outdoor installations; this appliance is rated for outdoor or drip proof applications
when used in conjunction with the WPBB or WPLPBB Enclosure.
Wall mounted strobe and horn/strobe appliances shall have their entire lens at heights above the finished floor of not less than 80 in. (2m) and not greater than 96 in. (2.4m)**. Spacing shall be
in accordance with Table A. If a room configuration is not square, the room size that will entirely encompass the room or subdivide the room into multiple squares shall be used. Wall mounted
horn only appliances shall have their tops above the finished floors at heights of not less than 90 in. (2.30m) and below the finished ceilings at heights of not less than 6 in. (152mm). Different
mounting heights shall be permitted by the AHJ provided the sound pressure level requirements of NFPA 72 are met.
MOUNTING, ROUGH-IN BOX AND RUN WIRING
This unit is designed for mounting to most single gang boxes, 4″ square outlet boxes, 2-gang masonry boxes or non-metallic 2-gang switch boxes. Conduit entrance to boxes should be
selected to insure sufficient wiring clearance.
- Run a minimum 18 gauge insulated 2 or more conductor cable.
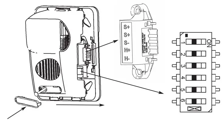
- Mount a box for each remote signaling appliance. Screw bracket onto box. Insert signal into bracket and slide to the right firmly into the terminal block receptacle. Place housing over mounted assembly and screw together with single screw at the bottom of the signal. Cover screw with plastic tab.
NOTICE: WIRING SHOULD BE CONNECTED TO MOUNTING BRACKET PRIOR TO MOUNTING SIGNAL. INCOMING POSITIVE POWER LEAD MUST BE BROKEN AND EACH LEAD IS TO BE INSERTED INTO EACH OF THE TOP TWO TERMINALS. IF TWO POWER RUNS ARE MADE TO THE SIGNAL, ONE FOR THE STROBE AND ONE FOR THE HORN, ONLY ONE OF THE RUNS MUST HAVE ITS POSITIVE LEAD BROKEN AND PLACED UNDER THE TWO SEPARATE TOP TERMINALS. A BARRIER IS PROVIDED TO PREVENT BOTH LEADS FROM BEING PLACED UNDER THE SAME TERMINAL.
HS24-177, S24-177, HS-24 AND S-24 PRODUCT INFORMATION
| Room Spacing for Wall-Mounted Visible Appliances per NFPA 72, 2013 Edition | |||
| Maximum Room Size | Minimum Required Light Output ( Effective Intensity, Cd) | ||
| Meters | Feet | One Light per Room | Four Lights per Room (One Light per Wall) |
| 6.10 x 6.10 | 20 x 20 | 15 | NA |
| 8.53 x 8.53 | 28 x 28 | 30 | NA |
| 9.14 x 9.14 | 30 x 30 | 34 | NA |
| 12.2 x 12.2 | 40 x 40 | 60 | 15 |
| 13.7 x 13.7 | 45 x 45 | 75 | 19 |
| 15.2 x 15.2 | 50 x 50 | 94 | 30 |
| 16.5 x 16.5 | 54 x 54 | 110 | 30 |
| 16.8 x 16.8 | 55 x 55 | 115 | 30 |
| 18.3 x 18.3 | 60 x 60 | 135 | 30 |
| 19.2 x 19.2 | 63 x 63 | 150 | 37 |
| 20.7 x 20.7 | 68 x 68 | 177 | 43 |
| 21.3 x 21.3 | 70 x 70 | 184 | 60 |
| 24.4 x 24.4 | 80 x 80 | 240 | 60 |
| 27.4 x 27.4 | 90 x 90 | 304 | 95 |
| 30.5 x 30.5 | 100 x 100 | 375 | 95 |
| 33.5 x 33.5 | 110 x 110 | 455 | 135 |
| 36.6 x 36.6 | 120 x 120 | 540 | 135 |
| 39.6 x 39.6 | 130 x 130 | 635 | 185 |

| Strobe light cannot be seen when objects such as doors, furniture or walls block strobe light. NOTICE: w THE VISUAL SIGNAL MUST BE IN THE DIRECT VIEWING AREA OF THE OCCUPANT IN ORDER TO BE SEEN. w VISUAL SIGNALS FOR THE HEARING IMPAIRED ARE ONLY ONE METHOD OF ALERTING THE HEARING IMPAIRED. VISUAL SIGNALS MAY NOT BE THE PREFERRED METHOD FOR NOTIFYING ALL HEARING IMPAIRED INDIVIDUALS. w THE STROBE LIGHT MUST BE SEEN BY THE SLEEPING PERSON. IF THE PERSON HAS HEAD TURNED OR OTHERWISE UNABLE TO BE ALERTED BY VISUAL, THE STROBE WILL NOT BE EFFECTIVE. | ||||||
| 24VDC CLEAR Lens Indoor Strobe Current Ratings | NOTICE: DC VOLTAGE RANGE LIMITS: 16-33V. FWR VOLTAGE RANGE LIMITS: 16-33V. THIS PRODUCT WAS ONLY TESTED TO THE STATED VOLTAGE RANGE(S); DO NOT APPLY 80% AND 110% OF THIS RANGE FOR SYSTEM OPERATION. N/A: 24VDC nominal operating current data not available | |||||
| HS24-177 and S24-177 Series Available Candela | S-24 and HS-24 Series Available Candela | Strobe Candela | Regulated 24VDC Max. Operating Current(mA) | Regulated 24VFWR Max. Operating Current (mA) | 24VDC Nominal Operating Current (mA) | |
| w | 15 | 42 | 77 | 30 | ||
| w | 30 | 58 | 102 | 42 | ||
| w | 60 | 97 | 161 | 66 | ||
| w | 75 | 116 | 225 | 80 | ||
| w | 110 | 161 | 256 | 103 | ||
| w | 177 | 213 | 341 | N/A | ||
HS-24-WP, HSLP-24-WP, S-24-WP, SLP-24-WP, CHS-24A-WP, CHSLP-24A-WP, CS-24WA-WP, CSLP-24WA-WP, CHS-24B-WP, CHSLP-24B-WP, CS-24WB-WP, CSLP-24WB-WP, CHS-24G-WP, CHSLP-24G-WP, CS-24WG-WP, CSLP-24WG-WP, CHS-24R-WP, CHSLP-24R-WP, CS-24WR-WP AND CSLP-24WR-WP PRODUCT INFORMATION

| Models | Color Lens |
| CHS-24A-WP, CHSLP-24A-WP, CS-24WA-WP, CSLP-24WA-WP | Amber |
| CHS-24B-WP, CHSLP-24B-WP, CS-24WB-WP, CSLP-24WB-WP | Blue |
| CHS-24G-WP, CHSLP-24G-WP, CS-24WG-WP, CSLP-24WG-WP | Green |
| CHS-24R-WP, CHSLP-24R-WP, CS-24WR-WP, CSLP-24WR-WP | Red |
| 24VDC BLUE, GREEN & RED Lens Outdoor Strobe Current Ratings | ||
| Use with CHS-24B-WP, CHSLP-24B-WP, CS-24WB-WP, CSLP-24WB-WP, CHS-24G-WP, CHSLP-24G-WP, CS-24WG-WP, CSLP-24WG-WP, CHS-24R-WP, CHSLP-24R-WP, CS-24WR-WP and CSLP-24WR-WP Products | ||
| Candela | Regulated 24VDC Max. Operating Current (mA) | Regulated 24VFWR Max. Operating Current (mA) |
| 75 | 164 | 278 |
| 24VDC CLEAR & AMBER Lens Outdoor Strobe Current Ratings | ||
| Use with HS-24-WP, HSLP-24-WP, S-24-WP, SLP-24-WP, CHS-24A-WP, CHSLP-24A-WP, CS-24WA-WP, and CSLP-24WA-WP Products | ||
| Candela | Regulated 24VDC Max. Operating Current (mA) | Regulated 24VFWR Max. Operating Current (mA) |
| 75 | 170 | 263 |
CHS-24A, CS-24WA, CHS-24B, CS-24WB, CHS-24G, CS-24WG, CHS-24R AND CS-24WR PRODUCT INFORMATION

| Models | Color Lens |
| CHS-24A, CS-24WA | Amber |
| CHS-24B, CS-24WB | Blue |
| CHS-24G, CS-24WG | Green |
| CHS-24R, CS-24WR | Red |
| AMBER Lens Indoor Strobe Current Ratings | ||
| Use with CHS-24A and CS-24WA Products | ||
| Candela | Regulated 24VDC Max. Operating Current (mA) | Regulated 24VFWR Max. Operating Current (mA) |
| 15 | 47 | 82 |
| 30 | 64 | 112 |
| 60 | 113 | 178 |
| 75 | 145 | 213 |
| 110 | 178 | 259 |
| BLUE, GREEN & RED Lens Indoor Strobe Current Ratings | ||
| Use with CHS-24B, CS-24WB, CHS-24G, CS-24WG, CHS-24R and CS-24WR Products | ||
| Candela | Regulated 24VDC Max. Operating Current (mA) | Regulated 24VFWR Max. Operating Current (mA) |
| 15 | 105 | 164 |
| 30 | 130 | 196 |
| 60 | 203 | 325 |
| 75 | 243 | 355 |
| 110 | 310 | 491 |
HORN DECIBEL AND CURRENT RATINGS PRODUCT INFORMATION
| Horn Decibel Levels: Reverberant Room | Horn Current Ratings Over Input Voltage Range of 16-33V | 24VDC Nominal Horn Current Ratings | ||||
| Horn Mode | Minimum SPL at 10Ft. Per ANSI/UL 464 (HIGH) | Minimum SPL at 10Ft. Per ANSI/UL 464 (LOW) | Regulated 24VDC Max. Operating Current (mA) HIGH Setting | Regulated 24VFWR Max. Operating Current (mA) HIGH Setting | 24VDC Operating Current (mA) HIGH Setting | 24VFWR Operating Current (mA) HIGH Setting |
| Temp 3 2400Hz | 78 dBA | 71* dBA | 28 | 48 | 10.7 | 26.8 |
| Temp 3 Mechanical | 76 dBA | 70* dBA | 25 | 44 | 9.7 | 24.5 |
| Temp 3 Chime | 70* dBA | 66* dBA | 15 | 30 | 8.6 | 20.6 |
| Continuous 2400Hz | 81 dBA | 74* dBA | 28 | 48 | 20.4 | 43.7 |
| Continuous Mechanical | 80 dBA | 72* dBA | 25 | 44 | 17.0 | 39.3 |
| Continuous Chime | 70* dBA | 66* dBA | 15 | 30 | 9.6 | 23.0 |
| Whoop | 82 dBA | 69* dBA | 56 | 62 | 45.4 | 60.2 |
NOTICE:
- THE THREE PULSE TEMPORAL PATTERN IS TO BE USED FOR EVACUATION USE ONLY.
- THE SOUND OUTPUT FOR THE TEMPORAL 3 TONE IS RATED LOWER SINCE THE TIME THE HORN IS OFF IS AVERAGED INTO THE SOUND OUT PUT RATING. WHILE THE HORN IS PRODUCING A TONE
- IN THE TEMPORAL 3 MODE ITS SOUND PRESSURE IS THE SAME AS THE CONTINUOUS MODE. UNITS HAVE BEEN TESTED TO 0°C, 49°C AND 93% HUMIDITY.
* Operating the horn in this mode at this voltage will result in not meeting the minimum ANSI/UL 464 sound level required for public mode fire protection service. These settings are acceptable only for private mode fire alarm signaling use. Use the high dBA setting for public mode applications (the chime tone is always private mode)

WIRING
Wiring for synchronized strobes and horns. Using this method you may:
- Use only two wires to synchronize the temporal horn and strobe with the ability to mute the horn (place switches 1 and 2 in the ON position on the HS24-177, HS-24, HS-24-WP, HSLP-24-WP, CHS-24A, CHS-24B, CHS-24G, CHS-24R, CHS-24A-WP, CHSLP-24A-WP, CHS-24B-WP, CHSLP-24B-WP, CHS-24G-WP, CHSLP-24G-WP, CHS-24R-WP, CHSLP-24R-WP).
- Mute the horn only when the temporal horn option has been selected.
- Use the Potter Electric AVSM synchronization protocol to provide synchronization and mute the horn, if available.
Wiring for synchronized parallel (unison) horn/strobe operation. Using this method you may:
- Use four wires where two wires are used to power and synchronize the strobe and two additional wires are used to power and synchronize the horn (place switches 1 and 2 in the OFF position on the HS24-177, HS-24, HS-24-WP, HSLP-24-WP, CHS-24A, CHS-24B, CHS-24G, CHS-24R, CHS-24A-WP, CHSLP-24A-WP, CHS-24B-WP, CHSLP-24B-WP, CHS-24G-WP, CHSLP-24G-WP, CHS-24R-WP, CHSLP-24R-WP).
- Choose either continuous horn and allow the FACP to control the horn or choose temporal horn and synchronize the horns with the Potter Electric AVSM synchronization protocol.
- Use the Potter Electric AVSM synchronization protocol to provide synchronization and mute the horn, if available.
NOTICE:
- FOR THIS OPTION, SWITCHES 1 AND 2 ON THE HS24-177, HS-24, HS-24-WP, HSLP-24-WP, CHS-24A, CHS-24B, CHS-24G, CHS-24R, CHS-24A-WP, CHSLP-24A-WP, CHS-24B-WP,
CHSLP-24B-WP, CHS-24G-WP, CHSLP-24G-WP, CHS-24R-WP, CHSLP-24R-WP MUST BE IN THE OFF POSITION TO ISOLATE POWER TO THE AUDIBLE AND VISIBLE PORTION OF THE CIRCUIT. - LL STROBES ARE DESIGNED TO FLASH AS SPECIFIED WITH CONTINUOUS APPLIED VOLTAGE. THIS APPLIANCE IS NOT RECOMMENDED FOR USE ON CODED OR PULSING SIGNALING CIRCUITS. HOWEVER, USE OF THE AVSM CONTROL MODULE IS PERMITTED TO SYNCHRONIZE THE STROBE AND/OR MUTE THE HORN.
- REFERENCE AVSM CONTROL MODULE MANUAL (550-0598, DATED 2-1-13) FOR SYNCHRONIZATION MODULE WIRING DIAGRAMS. AVSM MANUAL CAN BE OBTAINED BY CALLING POTTER ELECTRIC SIGNAL COMPANY AT 1-800-325-3936.
Conventional Method: You may connect both the strobe and the horn directly from a source of rated power without the use of a control module. However, the horns and strobe lights will NOT be synchronized. Place switches 1 and 2 in the ON position on the HS24-177, HS-24, HS-24-WP, HSLP-24-WP, CHS-24A, CHS-24B, CHS-24G, CHS-24R, CHS-24A-WP, CHSLP-24A-WP, CHS-24B-WP, CHSLP-24B-WP, CHS-24G-WP, CHSLP-24G-WP, CHS-24R-WP, CHSLP-24R-WP to power both the audible and visible from a single pair of power wires. If you wish to power the horn and strobe from independent sources of power, place switches 1 and 2 in the OFF position on the HS24-177, HS-24, HS-24-WP, HSLP-24-WP, CHS-24A, CHS-24B, CHS-24G, CHS-24R, CHS-24A-WP, CHSLP-24A-WP, CHS-24B-WP, CHSLP-24B-WP, CHS-24G-WP, CHSLP-24G-WP, CHS-24R-WP, CHSLP-24R-WP and connect power to the appropriate terminals.

CAUTION: When using only a single power source to energize the strobe and horn (switches 1 and 2 in the ON position), the in/out wiring must be under the S+ and Sterminals only. Failure to do so may result in damage to your signal. For the horn only (EH-24) and strobe only (S24-177, S-24, S-24-WP, SLP-24-WP, CS-24WA, CS-24WB, CS-24WG, CS-24WR, CS-24WA-WP, CSLP-24WA-WP, CS-24WB-WP, CSLP-24WB-WP, CS-24WG-WP, CSLP-24WG-WP, CS-24WR-WP, CSLP-24WR-WP), only the top three terminals are to be used.
| SWITCH POSITION | |||
| TONE | 3 | 4 | 5 |
| Mechanical Temporal 3 | ON | ON | ON |
| Mechanical – Continuous | OFF | ON | ON |
| 2400Hz – Temporal 3 | ON | OFF | ON |
| 2400Hz – Continuous | OFF | OFF | ON |
| Chime – Temporal 3 | ON | ON | OFF |
| Chime – Continuous | OFF | ON | OFF |
| Whoop | ON | OFF | OFF |
| Whoop | OFF | OFF | OFF |
NOTICE:
- SWITCH POSITIONS 1 AND 2 IN THE OFF POSITION TO SELECT ISOLATED HORN AND STROBE POWER INPUTS
- SWITCH POSITION 6 ON = HIGH DBA
- SWITCH POSITION 6 OFF = LOW DBA

Mounting Bracket: Allows the installer to pre-wire the system, test for system supervision, remove the signal head until occupancy, switch out Potter Electric signals without changing mounting brackets and has locking edge connector for snap-in-place installation.

Instant Voltage Verification: It is often necessary to confirm the voltage drop along a line of devices. The access holes are provided in the back of the terminal block to allow the voltage to be measured directly without removing the device. Typically this would be done at the end of the line to confirm design criteria. Most measurements will be taken using the S+ and Slocations although access is provided to other locations.
NOTICE: CARE SHOULD BE TAKEN TO NOT SHORT THE TEST PROBES.

- FOR MODELS: HS-24, S-24, CHS-24A, CS-24WA, CHS-24B, CS-24WB, CHS-24G, CS-24WG, CHS-24R, CS-24WR ONLY
- FOR MODELS: HS24-177, S24-177, EH-24, HS-24, S-24, CHS-24A, CS-24WA, CHS-24B, CS-24WB, CHS-24G, CS-24WG, CHS-24R, CS-24WR ONLY
WARNING THIS APPLIANCE WILL NOT OPERATE WITHOUT ELECTRICAL POWER. AS FIRES FREQUENTLY CAUSE POWER INTERRUPTIONS, POTTER ELECTRIC SUGGESTS YOU DISCUSS FURTHER SAFEGUARDS WITH YOUR LOCAL FIRE PROTECTION SPECIALIST.
CHECKOUT AND TROUBLESHOOTING
- Supply power to the system control panel. The auxiliary signaling appliances in the system should not be activated.
- If the signal is activated:
- Check all smoke and fire detectors in the system to make sure they have not been activated.
- Check all wiring connections to make sure the signal detection circuits are not reversed or shorted together. Check wire color codes and traces.
- Verify that the jumpers and switches are properly set on both the control module and signal appliance. If the jumper on the AVSM is removed, the horns will not produce any sound unless
there is an input to the H+ and H- terminals on the control module.
- To test the signal appliances, trip the auxiliary panel or activate the alarm circuit at the main control panel or activate one of the fire detection units in the system. All auxiliary signals should be activated.
- An operational test on this product should be conducted in accordance with National Standards or at a minimum annually and more often if dictated by local and state codes or authorities having jurisdiction.
NOTICE: THESE TESTING PROCEDURES AND TROUBLESHOOTING INSTRUCTIONS ARE GENERALIZED. PLEASE REFER TO THE SYSTEM CONTROL PANEL OPERATING
INSTRUCTIONS FOR PROPER OPERATION OF THE PANEL AND FIRE DETECTION SYSTEM.
SIGNALING APPLIANCE LIMITATION: Your horn and horn/strobe meet or exceed the current audibility requirements of ANSI/UL 464. However, if the appliance is located outside a bedroom it may not wake up a sound sleeper, especially if the room door is closed or only partially open.
TO RETURN AN APPLIANCE
Should you experience problems with your appliance, proceed as follows:
- Turn off electrical power to the auxiliary alarm circuit.
- Remove the bezel, nameplate, then mounting screw and slide signal off from bracket
- Replace unit that was removed to restore wiring supervision and to eliminate system trouble alert.
- Carefully pack the defective unit (the manufacturer cannot be responsible for consequential damage due to shipping or mis-handling). Include a return address and complete details as to the nature of the difficulties being experienced and date of installation.
- Return to: Potter Electric Signaling Company, LLC 1609 Park 370, Hazelwood, MO 63042. Prior to returning, call the Potter Electric field service department at 1-800-325-3936 to obtain a
RMA number.
ADDITIONAL INSTRUCTIONS FOR VISIBLE AND/OR AUDIBLE SIGNALING APPLIANCES: CAN/ULC
PRODUCT INFORMATION
This appliance is intended to provide a visible, audible or audible/visible, depending on the model, notification signal for the purpose of life safety and property protection. This appliance is ideal
for any occupancy that requires notification appliances per the applicable building or fire code or wherever dependable alarms are required. This appliance is listed in compliance with
CAN/ULC S525 and/or CAN/ULC S526. This appliance is intended for use in fire alarm systems and is to be installed in accordance with this manual, the National Building Code of Canada,
CAN/ULC S524 and local codes that provide standards on notification appliances for protective signaling systems. Potter Electric recommends spacing notification appliances in compliance with CAN/ULC S524.
This unit is designed for mounting to most single gang boxes, 4″ square outlet boxes, 2-gang masonry boxes or non-metallic 2-gang switch boxes. Conduit entrance to boxes should be selected to insure sufficient wiring clearance.
CAN/ULC HORN DECIBEL AND CURRENT RATINGS PRODUCT INFORMATION: HORN & HORN/STROBE
| Horn Current Ratings Over Input Voltage Range of 16-33V | 24VDC Nominal Horn Current Ratings | |||
| Horn Mode | Regulated 24VDC Max. Operating Current (mA) HIGH Setting | Regulated 24VFWR Max. Operating Current (mA) HIGH Setting | 24VDC Operating Current (mA) HIGH Setting | 24VFWR Operating Current (mA) HIGH Setting |
| Temp 3 2400Hz | 28 | 48 | 10.7 | 26.8 |
| Temp 3 Mechanical | 25 | 44 | 9.7 | 24.5 |
| Temp 3 Chime | 15 | 30 | 8.6 | 20.6 |
| Continuous 2400Hz | 28 | 48 | 20.4 | 43.7 |
| Continuous Mechanical | 25 | 44 | 17.0 | 39.3 |
| Continuous Chime | 15 | 30 | 9.6 | 23.0 |
| Whoop | 56 | 62 | 45.4 | 60.2 |
| Directional Sound Characteristic: Horn and Horn/Strobe | |
| Horizontal Angle | |
| -3 dBA | 20 |
| -6 dBA | v |
| Vertical Angle | |
| -3 dBA | 70 |
| -6 dBA | v |
| HORN DECIBEL RATINGS IN ULC ANECHOIC ROOM (dBA @ 3 meters) HORN & HORN/STROBE | ||||
| Horn Mode | Regulated 24 VDC Max. SPL Rating | Regulated 24 VFWR Max. SPL Rating | 24 VDC Nominal SPL Rating | 24 VFWR Nominal SPL Rating |
| Temp 3 2400Hz (HIGH) | 89.9 | 91.6 | 92.3 | 94.5 |
| Temp 3 2400Hz (LOW) | 81.9 | 84.9 | 85.6 | 88.3 |
| Temp 3 Mechanical (HIGH) | 92.8 | 94.6 | 95.8 | 97.8 |
| Temp 3 Mechanical (LOW) | 86.0 | 88 | 89.2 | 91.4 |
| Temp 3 Chime (HIGH) | 84.0 | 84.7 | 85.2 | 86.3 |
| Temp 3 Chime (LOW) | 78.1 | 80.4 | 81.0 | 82.9 |
| Continuous 2400Hz (HIGH) | 89.9 | 91.8 | 92.7 | 94.5 |
| Continuous 2400Hz (LOW) | 82.4 | 84.8 | 85.7 | 88.4 |
| Continuous Mechanical (HIGH) | 92.7 | 94.9 | 96.0 | 97.7 |
| Continuous Mechanical (LOW) | 86.0 | 88.2 | 89.6 | 91.4 |
| Continuous Chime (HIGH) | 83.6 | 84.9 | 85.1 | 86.4 |
| Continuous Chime (LOW) | 78.1 | 80.4 | 80.9 | 82.9 |
| Whoop (HIGH) | 92.8 | 83.6 | 94.7 | 95.3 |
| Whoop (LOW) | 81.1 | 83.3 | 84.6 | 86.6 |
NOTICE:
- THE NATIONAL BUILDING CODE AND CAN/ULC S525 REQUIRES THAT ALL HORNS USED FOR BUILDING EVACUATION PRODUCE TEMPORAL CODED SIGNALS.
- THE SOUND OUTPUT FOR THE TEMPORAL 3 TONE IS RATED LOWER SINCE THE TIME THE HORN IS OFF IS AVERAGED INTO THE SOUND OUT PUT RATING. UNITS HAVE
- BEEN TESTED TO 0°C, 49°C AND 93% HUMIDITY.
CAN/ULC HORN DECIBEL AND CURRENT RATINGS PRODUCT INFORMATION: OUTDOOR HORN & HORN/STROBE REFER TO CAN/ULC HORN CURRENT CHART ON PAGE 5 FOR CAN/ULC HORN CURRENT RATINGS FOR OUTDOOR HORN AND HORN/STROBE PRODUCTS
| HORN DECIBEL RATINGS IN ULC ANECHOIC ROOM (dBA @ 3 meters) OUTDOOR HORN AND HORN/STROBE | ||||
| Horn Mode | Regulated 24 VDC Max. SPL Rating | Regulated 24 VFWR Max. SPL Rating | 24 VDC Nominal SPL Rating | 24 VFWR Nominal SPL Rating |
| Temp 3 2400Hz (HIGH) | 89.1 | 91.8 | 92.9 | 94.8 |
| Temp 3 2400Hz (LOW) | 80.9 | 84.9 | 84.0 | 87.9 |
| Temp 3 Mechanical (HIGH) | 91.7 | 94.0 | 94.9 | 96.8 |
| Temp 3 Mechanical (LOW) | 83.3 | 85.8 | 87.0 | 89.3 |
| Temp 3 Chime (HIGH) | 82.8 | 83.8 | 84.5 | 85.2 |
| Temp 3 Chime (LOW) | 77.1 | 78.6 | 80.1 | 81.3 |
| Continuous 2400Hz (HIGH) | 89.3 | 91.9 | 92.7 | 94.6 |
| Continuous 2400Hz (LOW) | 80.7 | 84.3 | 84.5 | 87.7 |
| Continuous Mechanical (HIGH) | 92.3 | 94.0 | 95.4 | 97.1 |
| Continuous Mechanical (LOW) | 83.9 | 86.0 | 87.7 | 89.4 |
| Continuous Chime (HIGH) | 92.7 | 84.6 | 84.4 | 85.9 |
| Continuous Chime (LOW) | 75.4 | 78.7 | 77.9 | 81.4 |
| Whoop (HIGH) | 91.6 | 91.2 | 93 | 92.6 |
| Whoop (LOW) | 78.7 | 80.9 | 82.2 | 84.2 |
| Directional Sound Characteristic: Outdoor Horn & Horn/Strobe | |
| Horizontal Angle | |
| -3 dBA | 10 |
| -6 dBA | 5 |
| Vertical Angle | |
| -3 dBA | 70 |
| -6 dBA | v |
NOTICE:
- THE NATIONAL BUILDING CODE AND CAN/ULC S525 REQUIRES THAT ALL HORNS USED FOR BUILDING EVACUATION PRODUCE TEMPORAL CODED SIGNALS.
- THE SOUND OUTPUT FOR THE TEMPORAL 3 TONE IS RATED LOWER SINCE THE TIME THE HORN IS OFF IS AVERAGED INTO THE SOUND OUT PUT RATING. UNITS HAVE
- BEEN TESTED TO 0°C, 49°C AND 93% HUMIDITY.
LIMITED WARRANTY
For a period of 60 months from the date of manufacture (or as long as required by applicable law), Potter Electrical Signal Company, LLC warrants to you the original purchaser that your appliance will be free from defects in workmanship and materials under normal use and service.
This warranty does not apply and is void if damage or failure is caused by: accident, abuse, misuse, abnormal use, faulty installation, liquid contact, fire, earthquake or other external cause;
operating the appliance outside Potter Electrical Signal Company, LLC’s published guidelines; or service, alteration, maintenance or repairs performed by anyone other than Potter Electrical
Signal Company, LLC. This warranty also does not apply to: consumable parts, such as batteries; cosmetic damage, including but not limited to scratches or dents; defects caused by normal
wear and tear or otherwise due to the normal aging of the appliance, or if any serial number has been removed or defaced from the appliance.
TO THE EXTENT PERMITTED BY LAW, THIS WARRANTY AND THE REMEDIES SET FORTH HEREIN ARE EXCLUSIVE AND IN LIEU OF ALL OTHER WARRANTIES, REMEDIES AND CONDITIONS, WHETHER ORAL, WRITTEN, STATUTORY, EXPRESS OR IMPLIED. POTTER ELECTRICAL SIGNAL COMPANY, LLC DISCLAIMS ALL STATUTORY AND IMPLIED WARRANTIES, INCLUDING WITHOUT LIMITATION, WARRANTIES OF MERCHANTABILITY AND FITNESS FOR A PARTICULAR PURPOSE AND WARRANTIES AGAINST HIDDEN OR LATENT DEFECTS TO THE EXTENT PERMITTED BY LAW. TO THE EXTENT SUCH WARRANTIES CANNOT BE DISCLAIMED, SUCH IMPLIED WARRANTIES SHALL APPLY ONLY FOR THE WARRANTY PERIOD SPECIFIED ABOVE. PLEASE NOTE THAT SOME STATES (COUNTRIES AND PROVINCES) DO NOT ALLOW LIMITATION ON HOW LONG AN IMPLIED WARRANTY (OR CONDITION) LASTS. SO THE ABOVE LIMITATION MAY NOT APPLY TO YOU. EXCEPT AS PROVIDED IN THIS WARRANTY AND TO THE EXTENT PERMITTED BY LAW, POTTER ELECTRICAL SIGNAL COMPANY, LLC WILL NOT BE LIABLE FOR ANY DIRECT, SPECIAL, INCIDENTAL OR CONSEQUENTIAL DAMAGES RESULTING FROM ANY BREACH OF WARRANTY OR CONDITION, OR ARISING IN CONNECTION WITH THE SALE, USE OR REPAIR OF THE APPLIANCE, OR UNDER ANY OTHER LEGAL THEORY, INCLUDING BUT NOT LIMITED TO LOSS OF USE, LOSS OF REVENUE, LOSS OF ACTUAL OR ANTICIPATED PROFITS, LOSS OF THE USE OF MONEY, LOSS OF BUSINESS, LOSS OF OPPORTUNITY, LOSS OF GOODWILL, AND LOSS OF REPUTATION. THE MAXIMUM LIABILITY OF POTTER ELECTRICAL SIGNAL COMPANY, LLC SHALL NOT IN ANY CASE EXCEED THE PURCHASE PRICE PAID BY YOU FOR THE APPLIANCE. PLEASE NOTE THAT SOME STATES (COUNTRIES AND PROVINCES) DO NOT ALLOW THE EXCLUSION OR LIMITATION OF INCIDENTAL OR CONSEQUENTIAL DAMAGES, SO THE ABOVE LIMITATION OR EXCLUSION MAY NOT APPLY TO YOU.
If a defect in workmanship or materials causes your appliance to become inoperable within the warranty period, you must return the appliance to Potter Electrical Signal Company, LLC postage prepaid to: Potter Electrical Signal Company, LLC, 1609 Park 370, Hazelwood MO 63042. You must prove to the satisfaction of Potter Electrical Signal Company, LLC the date of purchase of your appliance. You must also enclose a return address. Warranty service may only be performed by Potter Electrical Signal Company, LLC personnel at Potter Electrical Signal Company, LLC’s facilities in Hazelwood, Missouri.
You must also pack the appliance to minimize the risk of it being damaged in transit. If we receive an appliance in a damaged condition as the result of shipping, we will notify you and you must seek a claim with the shipper. If you submit a valid claim to Potter Electrical Signal Company, LLC during the warranty period, Potter Electrical Signal Company, LLC will, at its option, repair your appliance or furnish you
with a new or rebuilt appliance without charge to you except for postage required to return the appliance to us. Potter Electrical Signal Company, LLC will not reimburse you for repairs or
replacement parts provided by other parties. Your repaired or replacement appliance will be returned to you free of charge and it will be covered under the warranty for the balance of the warranty
period, if any. When a product or part is replaced, any replacement item becomes your property and the replaced item becomes property of Potter Electrical Signal Company, LLC. For additional
warranty and product information go to www.pottersignal.com.
THIS WARRANTY GIVES YOU SPECIFIC LEGAL RIGHTS AND YOU MAY ALSO HAVE OTHER RIGHTS WHICH VARY FROM STATE TO STATE (OR BY COUNTRY OR PROVINCE). BY THIS WARRANTY, POTTER ELECTRICAL SIGNAL COMPANY, LLC DOES NOT LIMIT OR EXCLUDE YOUR RIGHTS EXCEPT AS ALLOWED BY LAW. TO FULLY UNDERSTAND YOUR RIGHTS, YOU SHOULD CONSULT THE LAWS OF YOUR COUNTRY, PROVINCE OR STATE.

















