Emerson Climate Technologies Retail Solutions Inc 4840 Semiconductor Refrigerant Transducer
![]()
The Semiconductor Refrigerant Transducer (SRT) is a device that measures the concentration of refrigerants in the air. The SRT can be mounted on a flat surface and is wired to a control system to provide real-time data on refrigerant levels. The SRT can detect various refrigerants, including HFCs, CFCs, and HCFCs. The sensor has a temperature range of 0-95% and a humidity range of 5-8 years.
Product Installation Instructions
- Mount the SRT to a flat surface using the three mounting holes provided in the back of the housing.
- With the lid removed, wire the SRT output terminals to the control system. The voltage output terminals are located on connector CN2.
- Wire 24 VAC power to connector CN1.
- Replace and secure the lid onto the back of the housing.
- Once power is applied, the sensor will enter a 5-minute warm-up delay. The sensor should stabilize in approximately 3 to 5 minutes.
To set up the SRT with an E2 input
- Log into the E2 and press (Input Summary).
- Highlight the input point the SRT is connected to, and press (Setup).
- When prompted to select the data type, press (Analog).
- In the Analog Input setup screen, enter the following information in the fields listed below:
- Input Type: Analog
- Input Range: 0-5 VDC
- Minimum Value: 0
- Maximum Value: 1000 PPM
- Press to save changes and exit the Analog Input setup screen.
For technical support, call 770-425-2724 or email [email protected]. For the latest technical documentation and updates, visit the Emerson Climate Technologies Retail Solutions website at http://www.emersonclimate.com/
Installation Instructions
![]()
- Mount the SRT to a flat surface using the three mounting holes provided in the back of the housing.
- With the lid removed, wire the SRT output terminals to the control system. The voltage output terminals are located on connector CN2.
- Wire 24 VAC power to connector CN1.
- Replace and secure the lid onto the back of the housing.
- Once power is applied, the sensor will enter a 5-minute warm-up delay. The sensor should stabilize in approximately 3 to 5 minutes.
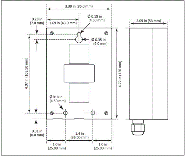
Dimensions
SRT Housing Dimensions
![]()
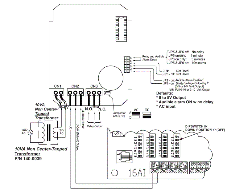
Wiring Terminations
SRT Wiring Terminations
![]()
CAUTION: Polarity must be observed if connecting more than one SRT to a single non-center-tapped transformer. Two SRTs max per 10VA non-center-tapped transformer. SRT current draw = 160mA each.
Supported Refrigerants
| Refrigerant Type | PPM |
| HFCs – R22, R134a, R404A, R407, R407A, R407C, R407F, R410A, R507A, R448, *R449A and HFC, CFC, and HCFC profile blends. *Reading only valid to 500ppm/50% of range. |
0 to 1000 |
| CFCs – R11, R12, and HFC, CFC, and HCFC pro- file blends. | 0 to 1000 |
Technical Specifications
| Sensor Information | Semiconductor (SC) |
| Temperature Range | -4°F (-20°C) to 122°F (50°C) (Stand. housing) |
| Humidity (non-condens- ing) | 0-95% |
| Sensor Life | 5-8 years, typical |
| Time to Alarm (T50) | 20 seconds, typical |
| Time to Alarm (T90) | 50 seconds, typical |
| Recovery Time | 900 seconds, typical |
| Scaling | 0-5 VDC = 0-1000 PPM |
Input Setup
E2 Input Setup
![]()
- Log into the E2 and press
(Input Summary). - Highlight the input point the SRT is connected to, and press F1 (Setup). When prompted to select the data type, press
(Analog). In the Analog Input setup screen, enter the following information in the fields listed below:- Name: A description of the sensor’s function and/or location (for example, ZONE1 LEAK).
- Sensor Type: Refrig. Leak
- Eng Units: PPM
- For the SRT, use the default settings. The Refrigerant Leak sensor type default settings are correct for the SRT.
- Press
to save changes and exit the Analog Input setup screen.
Document Part # 026-4840 Rev 2
- This document may be photocopied for personal use.
- Visit our website at http://www.emersonclimate.com/ for the latest technical documentation and updates.
- Join Emerson Retail Solutions Technical Support on Facebook. http://on.fb.me/WUQRnt
- For Technical Support call 770-425-2724 or email [email protected]
![]()
The contents of this publication are presented for informational purposes only and they are not to be construed as warranties or guarantees, express or implied, regarding the products or services described herein or their use or applicability. Emerson Climate Technologies Retail Solutions, Inc. and/or its affiliates (collectively “Emerson”), reserves the right to modify the designs or specifications of such products at any time without notice. Emerson does not assume responsibility for the selection, use or maintenance of any product. Responsibility for proper selection, use and maintenance of any product remains solely with the purchaser and end-user. 026-4840 Emerson is a trademark of Emerson Electric Co. ©2017 Emerson Climate Technologies Retail Solutions, Inc. All rights reserved.
©2017 Emerson Climate Technologies Retail Solutions, Inc. This document may be photocopied for personal use. Visit our website at http://www.emersonclimate.com/ for the latest technical documentation and updates.



















