PiXAPRO CORE 2400 Pro Power Pack

Conventions used in this Manual
This manual is based on the assumption that both the camera, power pack and camera flash’s power switches are powered on.
The following alert symbols are used in this manual:
The Caution symbol indicates a warning to prevent shooting problem. The Note symbol gives supplemental information.
Forward
Before using this product
Please read this manual carefully to make sure the correct operation and exert the optimum function. And well keep it for future reference.
Thank you for purchasing !
PIXAPRO CORE2400 is a Power Pack with 2400Ws strong power, stable output, constant color temperature, and built-in PIXAPRO 2.4G and 433M wire-less system. Collocate with a CORE2400P Flash Head(optional), the ultra-bright LED Modeling light, and with CORE2400 built-in 2.4G wireless ONE system and 433MHz wireless, it is compatible with PIXAPRO triggers like ST-IV, ST-III and ST-III+ and PRO AC 433MHz.
The CORE2400 offers:
- Stable Color Temperature Mode:
color temperature changes within ±75K over the whole power range(stable color temperature mode). - LED Modeling Lamp:
60W LED modeling lamp and light brightness can be freely adjusted.. Wireless Compatibility:
With built-in PIXAPRO 2.4G wireless system and 433MHz wireless system, it is wirelessly compatible with ST-IV, ST-III, ST-III+ series and PRO AC 433MHz, and is equipped with 2 pieces 3.5mm sync jacks, which can realize a variety of synchronous triggering methods. - Flash Duration:
The flash duration (t0.1) max. can up to 1/17800s. - 2 Kinds of Flash Modes:
Supports manual flash and Multi flash. - Precise Power Control:
Precisely control the power settings in 0.1 stop increment from 1.0 to 10, and 91 stops in total. - 2 Power Sockets:
Double power sockets for using one or two flash heads. - Optical Triggering: 03
S1/S2 Secondary Unit Setting and Secondary Unit Setting with anti-preflash - Delay Flash:
0.01 to 30s, can be served as second-curtain sync. - With Mask Feature:
Greatly saving your post-production time and money. - 3.5 Inch Colors Display:
Intuitive display and precious control.
Warning
- Always keep this product dry. Do not use in rain or in damp conditions.
- Do not disassemble. Should repairs become necessary, this product must be sent to an authorized maintenance center. Keep out of reach of children.
- Do not use the product in the presence of flammable gases, chemicals and other similar materials. In certain circumstance, these materials may be sensitive to the strong light emitting from this product and fire or electromagnetic interference may result.
- Do not leave or store the flash unit if the ambient temperature reads over 50℃. Otherwise the electronic parts may be damaged.
- As this product do not have waterproof function, please take measures of waterproof in rainy or damp environment.
- Turn off the power pack immediately in the event of malfunction.
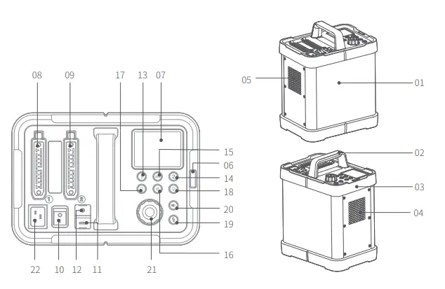
Name of Parts
Power Pack:
- Power Pack Body
- Handle
- Protect Cover
- Fan Inlet
- Fan Outlet
- Optical Light Cover
- Control Panel
- Power Socket 1 for Flash Head’s Power Cord
- Power Socket 2 for Flash Head’s Power Cord
- Power Switch
- Type-C Firmware Upgrade Port
- 3.5mm Sync Cord Jack
- Adjustment Button for No. 1 Light
- Adjustment Button for No. 2 Light
- All Adjustment Button for Both Lights
Menu Button
Modeling Button
Modeling Button
Test Button/ Flash Ready Indicator
Beep Button- Select Dial
- Power Socket
Display
- STD Recycle
- Radio Transmission Wireless Shooting
- Channel (CH)
- FREEZE Stable Color Temperature
- Beeper
- Group (GR)
- Modeling Lamp
- Power Level
- Flash Duration
- MASK
Included Accessories
Optional Accessories
CORE2400 power pack can be used in combination with the following option-al accessories so as to achieve best photography effects: CORE2400 Flash head, ST-IV, ST-III and ST-III+ flash trigger, PRO AC 2.4G Transmitter, softbox, beauty dish, umbrella, snoot, light stand, EC2400 5m Extension Cord, EC2400L10m Extension Cord, etc.

Power Supply
AC Power Supply: insert the output end of power cord into the power socket of power pack to gain power source.
Operation
Power On/Off
Slide power switch to “-” to power on; Slide power switch to “o” to power off.
Note: Unplug the power cord when the power pack is not being used.
Flash Light Adjustment
When connecting the flash head (optional) into the power socket 1 or 2, short press the corresponding adjust- ment button 1 or 2 to set parameters. Short press ALL button to adjust the two lights simultaneously.
Note: When 1200Ws flash head and 2400Ws flash head are plugged into this power pack at same time, the corresponding display screen of the 1200Ws flash head shows “Not Compatible”. In this state, the 1200Ws lamp holder cannot work, and the 2400Ws flash head works normally.
Modeling Lamp
CORE2400 Power pack is equipped with a 60W LED modeling lamp which has two continuous light-ing modes: Percentage and PROP.
There are three modes: OFF, Percentage(1%-100%) and PROP. Short press the Modeling Lamp Button, and the three modes will be displayed on the LCD panel in sequence.
- OFF: the modeling lamp is off.
- Percentage: 1%~100%(to prevent overheat, <45℃ the fan rotates in low speed while >45℃ in high speed).

- PROP: The modeling lamp’s power changes with the flash’s power. The bigger power the flash has, the brighter the modeling lamp is(to prevent overheat, <45℃ the fan rotates in low speed while >45℃ in high speed).

- Modeling light has continuous and intermittent lighting functions. Short press< >to enter the main menu, and turn the select dial to select the modeling light, then short press the select dial once and rotate the select dial to select “CONT” or “INTER”. Press < > menu button again to return to the main interface.

- Long press the modeling lamp and choose the percentage. Then, turn the select dial to adjust brightness from 1% to 100%.

Wireless Flash Mode
With built-in 2.4G and 433MHz wireless, CORE2400 power pack can be set as a receiver end. Enter the menu to choose wireless on, off, 2.4G or 433MHz wireless mode.
Press the
button to enter the main menu. Turn the select dial to choose wireless. Then, short press the select dial once and turn it to choose 2.4G or 433MHz mode. Press the
button to back to the main interface and
will be displayed onto the left upper corner of the screen.
2.4G Wireless Mode
- When choosing 2.4G wireless transmission, purchase ST-IV, ST-III or ST-III+ series flash triggers (optional) is needed. If there are other wireless flash systems nearby, you can change the channel (CH), identification number (ID) and group (GR) to prevent signal interference. The channels (CH), identification numbers (ID) and groups (GR) of the transmitter unit and the receiver unit must be set to the same.1.Channel (CH) setting: press the
button to enter menu. Turn the select dial to choose channel. Then, short press the select dial once and turn it to choose channel from 1 to 32.
- Identification number (ID) setting: short press the
button to enter menu, turn the select dial to choose ID. Then, short press the select dial once and turn it to choose ID from OFF and 01 to 99.
- Group (GR) setting: short press the
button to enter menu,in the menu, turn the select dial to choose the corresponding group of socket 1 or socket 2. Then, short press the select dial once and turn it to choose group from 0 to 9 and A to F.
433MHz Wireless Mode
When choosing 433MHz wireless transmission, purchase PRO AC 433MHz remote control (optional) is needed. Please set the channels and groups of remote control to the same with the power pack’s. To get more using details of remote control, please refer to PRO AC 433MHz instruc-tion manual.
Flash Mode—–M: Manual Flash
The flash output is adjustable from 1.0 power to 10 power in 0.1 step increments. To obtain a correct flash exposure, use a hand-held flash meter to determine the required flash output.
- Press
button to enter the menu. Turn the select dial to choose multi flash. Then, short press the select dial and turn it to choose “OFF”. Press the
button to back to the main interface. - Turn the select dial to set the flash output.

Display Flash Duration
Flash duration refers to the length of time that from flash’ s firing to reach the half peak at maximum. The half peak at maximum is usually expressed as t=0.5. In order to provide the photogra-pher with more concrete data, this product adopts t=0.1. The difference between t=0.5 and t=0.1 is shown in the following picture.
Stable Color Temperature Function
When use this function, the color temperature changes within ±75K over the entire power range.
Press the
button to enter the main menu and turn the select dial to choose color mode. Short press the select dial once and turn it to choose OFF, STD or OPT(STD means regular state, and OPT means optimum state), and Flash Ready Indicator
will blink (the beeper will alarm). Now press the Test Button to discharge, and the flash can be used as normal.
Flash Mode-Multi: Stroboscopic Flash
With stroboscopic flash, a rapid series of flashes is fired. It can be used to capture multiple images of a moving subject in a single photograph. You can set the firing frequency (number of flashes per sec. expressed as Hz), the number of flashes, and the flash output.
- Press
to enter the menu and turn the select dial to choose multi flash. Then, short press the select dial and turn it to choose on. Press
the button to back to the main interface. - Set the flash frequency and flash times.
- Press the select dial to choose flash times. Turn the Select Dial to set the number.
- Press the select dial to choose flash frequency. Turn the Select Dial to set the number.
- After you finish the setting, press the select dial to confirm.
Calculating the Shutter Speed
During stroboscopic flash, the shutter remains open until the firing stops. Use the formula below to calculate the shutter speed and set it with the camera.
Number of Flashes / Flash Frequency = Shutter Speed
For example, if the number of flashes is 10 and the firing frequency is 5 Hz, the shutter speed should be at least 2 seconds.
- Stroboscopic flash is most effective with a highly reflective subject against a dark background.
- Using a tripod and a remote control is recommended(Optional). Stroboscopic flash can be used with“buLb”.
- The number of flashes will be limited as shown by the following table.
Maximum Stroboscopic Flashes:
| Hz Flash Output | 1 | 2 | 3 | 4 | 5 | 6-7 | 8-9 | 10 | 11 | 12-14 | 15-19 | 20-50 | 60-99 |
| 1/4 | 7 | 6 | 5 | 4 | 3 | 3 | 3 | 2 | 2 | 2 | 2 | 2 | 2 |
| 1/8 | 20 | 15 | 12 | 10 | 8 | 6 | 5 | 4 | 4 | 4 | 4 | 4 | 4 |
| 1/16 | 30 | 30 | 30 | 20 | 20 | 20 | 10 | 8 | 8 | 8 | 8 | 8 | 8 |
| 1/32 | 60 | 60 | 60 | 50 | 50 | 40 | 30 | 20 | 20 | 20 | 18 | 16 | 12 |
| 1/64 | 90 | 90 | 90 | 80 | 80 | 70 | 60 | 50 | 40 | 40 | 35 | 30 | 20 |
| 1/128 | 100 | 100 | 100 | 100 | 100 | 90 | 80 | 70 | 70 | 60 | 50 | 40 | 40 |
| 1/256 | 100 | 100 | 100 | 100 | 100 | 90 | 80 | 70 | 70 | 60 | 50 | 40 | 40 |
| 1/512 | 100 | 100 | 100 | 100 | 100 | 90 | 80 | 70 | 70 | 60 | 50 | 40 | 40 |
Optic S1 Secondary Unit Setting
Press the
button to enter menu and turn the select dial to choose receiver. Then, short press the select dial and choose S1 function, so that this flash can function as an optic S1 secondary flash with optic sensor. With this function, the flash will fire synchronously when the main flash fires, the same effect as that by the use of radio triggers. This helps create multiple lighting effects.
Optic S2 Secondary Unit Setting
Press the
button to enter menu and turn the select dial to choose receiver. Then, short press the select dial and choose S2 function, so that this flash can also function as an optic S2 secondary flash with optic sensor. This is useful when cameras have pre-flash function. With this function, the flash will ignore a single “preflash” from the main flash and will only fire in response to the second, actual flash from the main unit.
Setting Custom Functions
- Press the
button to enter menu. Turn the select dial to choose custom functions. - Short press the select dial and turn it to choose the corresponding functions.
- Short press the select dial again or short press the
button to back to the main interface.
| MENU Custom Function Settings | |||
| Custom Functions | Settings | Settings & Descriptions | Restrictions |
| COLOR | OFF | Off | |
| STD | On | Stable color temperature mode, changes within ±75K | |
| OPT | |||
| WIRELESS | OFF | Off | |
| 2.4G | 2.4G Wireless | ||
| 433MHz | 433MHz Wireless | ||
| CHANNEL | 1~32 | Choose any figure from 1 to 32 | |
| ID | OFF | Off | Wireless mode |
| 01-99 | Choose any figure from 01 to 99 | ||
| SOCKET 1 GROUP SOCKET 2 GROUP | 0~9/A,B,C,D,E,F | Choose one from 0~9/A,B,C,D,E,F | Choose group of socket 1 |
| Choose group of socket 2 | |||
| RECEIVER | OFF | Off | |
| S1 | S1 Mode | ||
| S2 | S2 Mode | ||
| MODEL | CONT | Always lighting | |
| INTER | Off after finishing the flash recycle | ||
| BACKLIGHT | -3~0~3 | 7 levels | |
| DELAY | OFF | Off | |
| 0.01~30s | Can be set as second-curtain sync | ||
| UNITES | 2 MASK | ||
| 3 ALT | |||
| 4 ALT | |||
| 1-ALT 2-ALT | OFF | ||
| 1,2 | |||
| STEP | 1.0-10 | Display in the form of decimal | |
| 1/512-1/1 | Display in the form of fraction | ||
| MULTI | OFF | Off Multi Flash | |
| ON | On Multi Flash | ||
| RECYCLE | STD | Within 4 seconds in 110V standard recycling mode, within 2 seconds in 220V standard recycling mode | |
| MAX | Within 2 seconds in 110V fastest recycling mode, within 1 second in 220V fastest recycling mode, and fastest up to 0.7s | ||
| LANGUAGE | ENGLISH | ||
| Chinese(Simplified) | |||
| RESET | NO | ||
| YES | Reset to default | ||
| TIMES | 16976 | Record flash times |
Sync Triggering
The Sync Cord Jack is a Φ3.5mm plug. Insert a trigger plug here and the flash will be fired synchronously with the camera shutter. To control the flash wirelessly, you need to insert the receive end of flash trigger into the Wireless Control Port on the flash and insert the transmit end into the camera hot shoe. Settings made on the hotshoe-mounted transmit and receive ends will be wirelessly communicated to the flash. Then you can press the camera shutter release button to trigger the flash. You can also hold the transmit end at hand to control your off-camera flash.The Sync Cord Jack is a Φ3.5mm plug. Insert a trigger plug here and the flash will be fired synchronously with the camera shutter.
For full instructions on the use of flash trigger, see its user manual.
Protection Function
- Over-Temperature Protection
The inner over-temperature protection function may be activated when firing more than 200 continuous flashes in fast succession at 1/1 full power and
will be displayed. If gets a slower recycle time in firing, please allow a rest time of about 5 minutes, and the flash unit will then return to normal and the
will disappear. - Other Protections
The system provides real-time protection to secure the device and your safety. The following lists prompts for your reference:
| Prompts on LCD Panel | Meaning |
| E1 | A failure occurs on the recycling system so that the flash cannot fire. Please restart the flash unit. If the problem still exists, please send this product to a maintenance center. The voltage on two outlets of the flash tube is too high. Please |
| E3 | send this product to a maintenance center. |
| E6 | Flash fan failure |
| E9 | There are some errors occurred during the upgrading process. Please using the correct firmware upgrades method. |
Technical Data
| Technical Data | |
| Model | CORE2400 |
| Maxi. Power | 2400Ws |
| Flash Duration | Max. ≈1/17800s |
| Power Adjustment | 1.0-10(1/512-1/1)10 levels adjustable, and each level in 0.1 increments |
| Stable Color Temperature | Change within ±75K during the entire range |
| Flash Mode | Manual flash |
| Multi flash | |
| Stroboscopic Flash | Provided (up to 100 times, 100Hz) |
| Delay Flash | 0.01~30 seconds |
| Mask | √ |
| Fan | √ |
| Beeper | √ |
| Modeling Lamp(LED)Power | Single lamp holder 60W |
| Receiver | S1/S2 Secondary Unit Setting |
| Flash Duration Indication | √ |
| Display | 3.5 inch color screen |
| 2.4G Wireless Transmission | |
| Wireless Function | Receiver, Off |
| Controllable Receive Groups | 16 (0 ~ 9, A ~ F) |
| Transmission Range (approx.) | 100m |
| Channels | 32 (1~32) |
| Wireless ID | 99 (01~99) |
| 433MHz Wireless Transmission | |
| Wireless Function | Auxiliary, Off |
| Controllable Receive Groups | 16 (0 ~ 9, A ~ F) |
| Transmission Range (approx.) | Approx.30m |
| Channels | 32 (1~32) |
| Power Supply | |
| Power Supply | AC Power Supply |
| Recycle Time | fastest recycling time ≈ 0.7 |
| Sync Triggering Mode | 3.5mm sync line |
| Dimensions | |
| Dimension | 330*287*202mm |
| Net Weight | 11kg |
Firmware Upgrade
This flash supports firmware upgrade through the Type-C port. Update information will be released on our official website. USB connection line is not included in this product. As the USB port is a Type-C USB socket, please use the Type-C USB line.
- As the firmware upgrade needs the support of the G3 software, please download and install the “PIXAPRO G3 firmware upgrade software” before upgrading. Then, choose the related firware file.
- As the products needs to do firmware upgrade, please refer to instruction manual of the newest electric version as final.
Maintenance
- Shut down the device immediately should abnormal operation be detected.
- Avoid sudden impacts and the product should be dedusted regularly. Maintenance of the device must be performed by our authorized main-tenance department which can provide original accessories.
- This product, except consumables e.g. flash tube, is supported with a one-year warranty.
- Unauthorized service will void the warranty.
- If the product had failures or was wetted, do not use it until it is repaired by professionals.
- Changes made to the specifications or designs may not be reflected in this manual.
FCC Statement
This device complies with part 15 of the FCC Rules. Operation is subject to the following two conditions:
- This device may not cause harmful interference, and
- this device must accept any interference received, including interfer-ence that may cause undesired operation.
Note: This equipment has been tested and found to comply with the limits for a Class B digital device, pursuant to part 15 of the FCC Rules. These limits are designed to provide reasonable protection against harmful interference in a residen-tial installation. This equipment generates uses and can radiate radio frequency energy and, if not installed and used in accordance with the instructions, may cause harmful interference to radio communications. However, there is no guarantee that interference will not occur in a particular installation. If this equipment does cause harmful interference to radio or television reception, which can be determined by turning the equipment off and on, the user is encouraged to try to correct the inter-ference by one or more of the following measures:
- Reorient or relocate the receiving antenna.
- Increase the separation between the equipment and receiver.
- Connect the equipment into an outlet on a circuit different from that to which the receiver is connected.
- Consult the dealer or an experienced radio/TV technician for help.
Warranty
Dear customers, as this warranty card is an important certificate to apply for our maintenance service, please fill in the following form in coordination with the seller and safe-keep it. Thank you!
| Product Information | Model | Product Code Number |
|
Customer Information | Name | Contact Number |
| Address | ||
|
Seller Information | Name | |
| Contact Number | ||
| Address | ||
| Date of Sale | ||
| Note: This form shall be sealed by the seller. | ||
Applicable Products
The document applies to the products listed on the Product Maintenance lnformation (see below for further information). Other products or accessories (e.g. promotional items,giveaways and additional accessories attached,etc.) are not included in this warranty scope.
Warranty Period
The warranty period of products and accessories isimplemented according to the relevant Product Maintenance Information. The warranty period is calculated from the day(purchase date) when the product is bought for the first time,And the purchase date is considered as the date registered onthe warranty card when buying the product.
How to Get the Maintenance Service If maintenance service is needed, you can directly contact the product distributor or authorized service institutions. You can also contact the PIXAPRO after-sale service call and we will offer you service. When applying for maintenance service, you should provide valid warranty card. If you cannot provide valid warranty card, we may offer you maintenance service once confirmed that the product or accessory is involved in the maintenance scope, but that shall not be considered as our obligation.
Inapplicable Cases
The guarantee and service offered by this document are not applicable in the follow-ing cases:
- The product or accessory has expired it s warranty period;
- Breakage or damage caused by inappropriate usage, maintenance or preservation , such as improper packi g , improper usage, improper plugging in/out external equipment, falling off or squeezing by external force, contacting or exposing to the improper temperature , solvent, acid, base , flooding and damp environments, etc;
- Breakage or damage caused by non-authorized institu tion or staff in the process of installation, maintenance, alternation, addit and detachment;
- The original identifying information of product or accessory is modified, alternated, or removed;
- No valid warranty card;
- Breakage or damage caused by using illegally authorized, nonstandard or non-public released softw are;
- Breakage or damage caused by force majeure or accident;
- Breakage or damage that could not be attributed to the product itself. Once met these situations above, you should seek solutions from the related responsible parties and PIXAPRO assumes no responsibility. The damage caused by parts, accessories and software that beyond the warranty period or scope is not included in our maintenance scope. The normal discoloration, abrasion and consumption are not the breakage within the maintenance scope.
Maintenance and Service Support Information
The warranty period and service types of products are implemented according to the following Product Maintenance Information:
| Product Type | Name | Maintenance Period(month) | Warranty Service Type |
| Parts | Circuit Board | 12 | Customer sends the product to designated site |
| Battery | 3 | Customer sends the product to designated site | |
| Electrical parts e.g.battery charger, power cord, sync cable, etc. | 12 | Customer sends the product to designated site | |
| Other Items | Flash tube, modeling lamp, lamp body, lamp cover, lockingdevice, package, etc. | No | Without warranty |
PIXAPRO After-sale Service Call +44(0)121 552 3113
PIXAPRO Ltd.
Unit 5 Sterling Park, Pedmore Road, Brierley Hill, West Midlands DY5 1TB
Tel: +44 (0)121 552 3113
E-mail: [email protected]































