Berkel DOMINA Series Vertical Salumeria Slicer

Product Information
DOMINA Series
The DOMINA series includes three models: SLG 315, SLG 350, and SLG 370. The series also includes two other models: SLL 315, SLL 350, and SLL 370, as well as SLH 315, SLH 350, and SLH 370.
Main Components
- Start button
- Stop button
- Slice thickness regulating knob
- Foot
- Handle for plate pushing (SLG models only)
- Carriage
- Plate locking knob
- Meat table
- Sliding overplate
- Top clamp
- Blade cover (blade cover)
- Sharpener
- Product holder handle (SLH and SLG models only)
- Thickness gauge plate
- Casing
- Lubricating point for guide bars
- Blade
- Blade cover tension rod
- Slice deflector
- Blade guard ring
- Meat table safety guard (SLH models only)
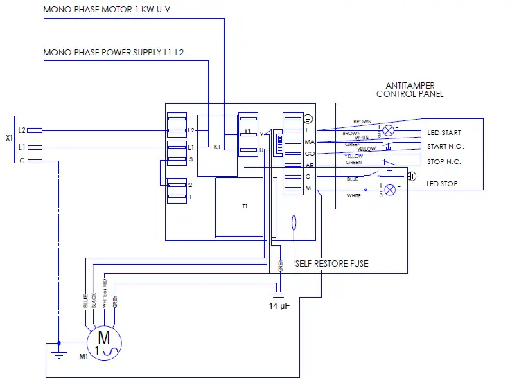
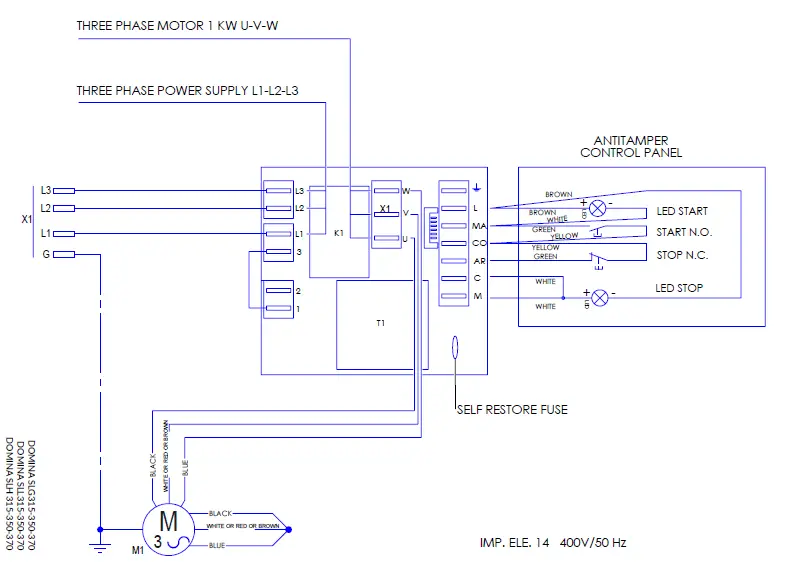
Motor and Power Supply
The DOMINA series comes with either a mono-phase motor (1 KW) with a U-V mono-phase power supply (L1-L2) or a three-phase motor (1 KW) with a U-V-W three-phase power supply (L1-L2-L3).
Antitamper Control Panel
The antitamper control panel includes:
- LED start
- LED stop
- Start N.O.
- Stop N.C.
- Self-restore fuse
User Manual
The user manual code is MAN-DOM-001.
Product Usage Instructions
Before using the DOMINA series, please read the user manual carefully.
To operate the DOMINA series, follow these steps:
- Plug in the power supply.
- Turn on the antitamper control panel by pressing the start button (LED start will light up).
- To adjust slice thickness, turn the slice thickness regulating knob.
- Place the product to be sliced on the meat table and use the product holder handle (SLH and SLG models only) to secure it in place.
- Push the carriage towards the blade and hold it in place with the top clamp.
- Press the start button to begin slicing (LED start will turn off and LED stop will light up).
- To stop slicing, press the stop button (LED stop will turn off and LED start will light up).
- After use, turn off the antitamper control panel by pressing the stop button and unplug the power supply.
- Clean and sanitize all components according to the user manual instructions before storing.
Note: Always wear appropriate protective gear when using the DOMINA series, such as gloves and safety glasses.
DOMINA SERIES
- SLG 315 – 350 – 370
- SLL 315 – 350 – 370
- SLH 315 – 350 -370
CODE: MAN-DOM-001









USER MANUAL: Electric Slicers Domina
SLL 315 – 350 – 370 | SLH 315 – 350 – 370 | SLG 315 – 350 – 370
SLL 315 – 350 – 370
MAIN COMPONENTS

- Start button
- Stop button
- Slice thickness
- regulating knob
- Foot
- Handle for plate pushing
- Carriage
- Plate locking knob
- Meat table
- Sliding over plate
- Top clamp
- Blade cover (blade cover)
- Sharpener
- Thickness
- gauge plate
- Casing
- Lubricating point for guide bars
- Blade
- Blade cover tension rod
- Slice deflector
- Blade guard ring
SLH 315 – 350 – 370
MAIN COMPONENTS
Start button- Stop button Slice thickness
- regulating knob
- Foot
- Carriage
- Plate locking knob
- Meat table
- Sliding over plate
- Top clamp
- Blade cover (blade cover)
- Sharpener
- Product holder handle
- Thickness
- gauge plate
- Casing
- Lubricating point for
- guide bars
- Blade
- Blade cover tension rod
- Slice deflector
- Blade guard ring
- Meat table safety guard
SLG 315 – 350 – 370
MAIN COMPONENTS
- Start button
- Stop button
- Slice thickness
- regulating knob
- Foot
- Handle for plate pushing
- Carriage
- Plate locking knob
- Meat table
- Top clamp
- Blade cover (blade cover)
- Sharpener
- Product holder handle
- Thickness gauge plate
- Casing
- Identification plate, technical data and CE marking
- Lubricating point for guide bars
- Blade
- Blade cover tension rod
- Slice deflector
- Blade guard ring
- Power cord
- Meat table safety guard
DESCRIPTION
Circular blade professional slicer machine suitable for cutting only the food products of the types and within the di-mensional limits indicated in this manual. The main parts of the machine are shown in the general component diagram reported in picture 2. Electrical diagrams are reported in pic-ture
DECLARATION OF CONFORMITY
The machines described in this manual comply with Direc-tives 2006/42/CE, 2006/95/CE, 2004/108/CE, 2003/108/CE, 2011/65/CE, Regulation (EC) 1935/2004 and related harmonized standards as EN 1974:1998 +A1, EN60204-1, EN60335-1, EN60335-2-64.
SAFETY
- Pay attention to the following basic safety precautions:
- Read all the instructions be-fore using the machine;
- This product is not intended to be used by children;
- Operate the machine only if properly trained and in perfect psycho-physical conditions;
- Do not use the machine in any way other than what indicated in this manual;
- Use the machines only in full structural, mechanical and system efficiency;
- Install the machine in conformity to the instructions indicated in the “Installation” section;
- Install the machine in a location out of the reach of personnel unauthorized to operate it and especially out of the reach of minors;
- Stay highly concentrated when using the machine and avoid any distraction during use;
- Do not allow the machine to be used by others who have not read and fully understood the content of this manual;
- Do not wear baggy clothing or clothing with open sleeves;
- Do not allow anyone else, other than the operator, to approach during product cutting operations;
- Do not remove, cover or modify the tags located on the machine body and, in case of damage of these, replace them promptly;
- Do not remove the transparent guards and do not modify or bypass any mechanical and electrical protective devices; – slice only the permitted products, do not attempt cuts on prohibited type products;
- Always keep clean and dry the sliced product resting surface, the work area all around the machine and the operator floor area;
- Do not use the machine as a resting surface and do not place any objects on it other than food used for cutting operations;
- Do not use the slicer when, due to normal wear, the distance between the edge of the blade and the blade guard ring exceeds 6 mm. In this case, contact the manufacturer or to one of the Authorized Service Centers to change the blade; – do not use the machine with temporary or non-insulated cables, power strips or extension cords;
- Periodically check the condition of the power supply cord on the machine body. When necessary, have qualified personnel replacing it;
- Immediately stop the ma-chine in the event of a defect, abnormal operation, suspicion of breakdown, incorrect movement, unusual noises;
- Before cleaning or carrying out maintenance, disconnect the machine from the electrical supply;
- Use protective gloves for cleaning and maintenance operations;
- Place and remove the goods to be sliced on the sliding plate only with the carriage completely pulled back and with the thickness adjustment knob placed in the safety position (on the 0 position);
- For movement of the meat table during cutting operations use only the handle located on the arm or the product presser grip;
- Never put your hands on the food product while slicing. Al-ways keep your hands behind the protection devices and far from the blade;
- Use of cutting accessories which were not provided by the manufacturer with the ma-chine is prohibited.
- The manufacturer declines any responsibility coming from in-appropriate use, modifications and/or repairs carried out by the user or unauthorized personnel, use of replacement parts that are not original or not specific for the machine model.
- The machine shall not be used in open areas and/or areas which are exposed to atmospheric agents and in environments with vapors, fumes or corrosive and/or abrasive powders, with risk of fire or explosion and in any case where the use of antiexplosive components is required.
Operating conditions: - Temperature from
- 5°C to +40°C
- Max. humidity 95%
DO NOT SLICE:
- frozen food products;
- Food products with bones;
- Vegetables;
- Any other product not intended for food use.
RESIDUAL RISKS
The safety ring around the blade is made in conformity to European standards EN 1974:1998 +A1 but, in order to allow the sharpening operations, the protection in the sharpening area may not entirely eliminate the risk of cut-ting.
WARNING
Risk of injury ! from sharp blade! During the blade cleaning and sharpening operations, pay extra attention to keep your hands as far as possible from the unprotected area. Use of protective gloves is recommended.
INSTALLATION OF THE MACHINE
! from sharp blade! During the blade cleaning and sharpening operations, pay extra attention to keep your hands as far as possible from the unprotected area. Use of protective gloves is recommended.
INSTALLATION OF THE MACHINE
The machine must be installed in the immediate vicinity of an EEC standard outlet connected to an electrical supply system which is in conformity with the prevailing regulations for:
- magneto-thermic protection;
- automatic differential switch;
- earthing system.
- Before carrying out electrical hook up verify that the characteristics of the electrical power supply is in accordance with those indicated on the machine information plate.
WARNING
For machines ! with 3-phase motor, check the blade orientation. Push the start button (1) to switch on the machine: looking at the blade from the operator side, the blade has to rotate downwardly (Fig. B).
OPERATION
WARNING
Risk of injury from sharp blade! Check that ! the thickness adjustment knob (3)is in the safety position (on the 0 position) (Fig. A).
- Be sure that the machine is switched off, if not push the stop button (2);
- pull the meat table (8) all the way back (towards the opera-tor) in the loading position;
- lift the product holder (10) into the standby position;
- Place the product to be sliced on the sliding meat table:
- SLL 315-350-370, SLH 315-350-370: move the sliding meat table away from the thickness gauge plate. Set the product to be sliced on the plate near the table edge on the operator side;
- SLG 315-350-370: set the product to be sliced on the plate against the wall of the meat table, near the edge of the table on the operator side; lock using the product press holder, applying pressure; in the gravity version, the product will press against the plate from the force of its own weight;
- adjust the slice thickness with the special knob (3). Activate the blade (18) by pressing the start button (1). Grip the product holder handle (13) and start an alternative cutting motion;
- On gravity models, when the weight or size of the goods do not allow a proper cutting for reasons of gravity, use the product holder handgrip;
- At the end of the cutting operations return the thickness adjustment knob to the safety position and pull the meat table back. Stop the blade motion by pressing the stop button (2); – move the sliding meat table away from the gauge plate and remove the product.
CLEANING
Before using, clean the ma-chine at least once a day – or more often if necessary – and always after a long period of inactivity. shock! Before cleaning, disconnect the plug from the electrical mains socket.
WARNING
Risk of injury ! from sharp blade! Check that the thickness adjustment knob (3) is in the safety position (on the 0 position) (Fig. A).
Products for cleaning use only water and biodegradable mild detergent with PH 7-8, using a soft, spongy cloth and a semi-rigid nylon brush for the sharp areas of the plate and the product holder.
- Do not clean the machine with jets of water or steam or similar methods.
DO NOT DISHWASH - Cleaning the sliding meat tables models SLL 315-350-370, SLH 315-350-370
- SLL 315-350-370: pull the sliding meat table to the end; a metallic click notifies the operator that the meat table is locked. Lift the meat table all the way up (Fig. E-1). Clean the sliding meat table and repeat operations in the reverse order to reposition the sliding meat table.
- SLH 315-350-370: loosen, rotating the product presser clamp on the meat table in the anticlockwise direction. Pull the sliding meat table to the end; a metallic click notifies the operator that the meat table is locked. Move the sliding meat table away from the thickness gauge plate and lift the product presser (Fig. F-1).
- Clean the sliding meat table and lower the product press holder. Lift the sliding meat plate and clean the meat table (Fig. F-2). Release the meat table, rotating the product presser clamp in the clockwise direction.
Removing the meat table (SLG 315 – 350 – 370)
- With the regulating knob for slice thickness (3) in the safety position (Fig. A, Fig. D-1), pull back the plate support (6) all the way until the travel limit toward the operator (Fig. D-2);
- Fully rotate the locking knob in the anticlockwise direction (Fig. D-3) keeping the support at the travel limit, until the safety locking device intervenes on the gauge plate;
- Remove the meat table from the top, sliding it off from the support.
WARNING
Make sure ! that the product press holder is lowered on the table before removing the plate sup-port. ! ulating knob for slice thick-ness in the safety position “0”. - Removing the product press holder (SLG 315 – 350 -370) rotate the grip and remove the product press holder (Fig. G).
- Removing the blade cover (11).
- Rotating in the anticlockwise direction, loosen the blade cover tension rod grip (19);
- press the tension rod grip and raise the blade cover to re-move it.
WARNING - Once the ! blade cover has been re-moved, an interlocking device stops the blade rotation.
Removing the slice deflector
For Gravity versions SLG 315 – 350 – 370: loosen the locking pin and rotate the slice deflector downward to remove it from the pin. Loosen the fixing screw(s) and remove the slice deflector.
Sharpener (12)
Clean the body with a damp cloth. Do not submerge in water.
Cleaning:
The blade: press a damp cloth on the surface of the blade and move it slowly from the center toward the outside on the blade cover side and the oppo-site side. In the same way dry it using a dry cloth. NEVER turn on the machine while cleaning the blade;
- The safety ring: use a soft brush to clean the area be-tween the blade and the safe-ty ring. Be careful NOT to put your hands close to the blade;
- The machine body: use a damp cloth or a sponge. Dry carefully; – the sharpener:
- Clean the body with a damp cloth and the springs with a semi-rigid brush.
- (Fig. I). Keep the wheel clean for correct sharpening. Remove dirt and grease with alcohol and a semi-rigid nylon brush.
dismantled parts individually in lukewarm water and NON-AGGRESSIVE dishwasher detergent, using a bottle brush or cloth. Rinse in hot water and dry. Proceed with assembly operations, following the directions described in reverse order.
REMOVING THE BLADE
WARNING
Use original devices only!
WARNING
Danger of ! being cut! Use only after carefully reading the operating instructions supplied with the device. If a blade removal device has been purchased, it is recommended that you follow the relevant operating instructions provided with your device to remove the blade.
MAINTENANCE
Blade Sharpening
Frequency and duration of sharpening depend on the use of the equipment.
Before sharpening:
- make sure that the machine is off;
- position the thickness adjustment knob in the safety position;
- Set the regulating knob for slice thickness in the safety position;
- Pull the meat table all the way back.
For sharpening, follow the instruction:
- Lift the sharpening device guard cover. Pull the unlocking device grip (Fig. M-1) and rotate it in the direction of the blade (Fig. M-2). The sharpen-ing device will lock in the cor-rect position. Press the start button to start up the machine. Slightly rotate the lever, bring-ing the two wheels in contact with the blade for about 10-15 seconds (Fig. M-3). Sharpening and deburring occur simulta-neously. Press the stop but-ton and pull the device grip to move it back to the initial position. Lower the sharpening device guard cover.
WARNING
The sharpening wheel can easily be removed from the sharpening unit, removing it in the direction of the arrow (Fig. I). Keep the wheel clean for correct sharpening. Remove dirt and grease with alcohol and a semi-rigid nylon brush.
Lubrication
After a regular period of use, it may be necessary to lubricate the carriage guides. We recommend executing this operation every 1 month.
- For lubrication, only use acid free oil (we recommend Vase-line oil). Do not use vegetable oil.
- For lubricating, follow the instruction: 1) move the meat table towards the operator; 2) insert the oiler in the special hole and pour a small amount of oil; 3) remove the oiler and slide the carriage 3-4 times.
SERVICE
No user-serviceable parts are inside. Refer servicing to qualified personnel. All the repair and replacement operations (like blade replacement, re-placement of the motor belt, replacement of the subbasaplate electrical system components, repair of structural parts, repair and/or re-placement of sub-baseplate components, or similar) shall be executed exclusively by personnel authorized by the manufacturer. In the event service is needed, you may return your food slicer to the manufacturer or to one of the Authorized Ser-vice Centers. For information about service centers please contact us at:
[email protected].
WARNING
The blade replacement is mandatory if distance between the edge of the blade and the internal edge of the guard exceeds 6 mm.
WARRANTY AND RESPONSIBILITY
The manufacturer supplies machines with a limited warranty of 24 months from the purchasing date. The warranty is extended only to defects that arise under intended use conditions and proper use. The warranty does not cover defects resulting from faults caused by transport, purchaser’s incompetence or negligence, improper installation or earthing, unauthorised in-terventions, natural wear and tear, voltage variations greater than 10% of the nominal value. Moreover, the warranty does not cover components intrinsically subject to wear, such as blades and grinders, except in the event of evident manufacturing defects.
The manufacturer declines any direct and indirect responsibility coming from:
- Failure to observe the instructions in this manual;
- Use which does not conform to prevailing specific regulations in the country of installation;
- Unauthorised modifications and/or repairs carried out on the machine;
- Use of non original accessories and replacement parts;
- Exceptional events. Transfer of ownership of the machine automatically defaults the manufacturer’s liability for the machine in question with the exception of observance of directive 2006/42/CE (liability for any manufacturing defects of the product).
- The Identification tag on the base-plate indicates manufacturer, machine, technical information and CE marking.
DEMOLITION OF THE SLICER
The machines are comprised of: – aluminum/magnesium alloy structure;
- Inserts and various compo-nents and stainless steel;
- Electrical parts and electrical cables;
- Electric motor;
- Material, etc.
- If dismantling and demolition are entrusted to third parties, use only companies authorized for disposal of the above-mentioned materials.
- The appliance complies with the EU Directive 2012/19/UE. Packaging materials and appliances contain recyclable materials. Your appliance contains valuable materials that can be recovered or can be recyclable.
- Separation of the remaining waste materials into different types facilitates the recycling of valuable raw materials. Leave the appliances at a collection point. You can obtain information on disposal from your local authorities.
Troubleshooting
| PROBLEM | REASON | REMEDY |
| The machine does not start when the on button is pressed | Lack of power or defective control circuit | Check that the plug has been correctly inserted. If the machine still does not start, contact the service center |
| The machine starts when the on button is pressed but the operation indicator light does not turn on | The indicator light may be defective | Do not use the machine with the indicator light off. Contact the service center |
| Excessive resistance to cutting of the product | The blade is dull | Sharpen the blade |
| The blade slows down or stops while cutting the product | The drive belt may be loose or damaged | Contact the service center in order to tension or replace the belt |
| The machine does not stop when the stop button is pressed | The control circuit may be defective | Immediately stop the machine, removing the plug from the mains outlet. Contact the service center |
| Excessive resistance in motion of the sliding components (product holder, carriage) | The lubrication of the sliding guide may not be sufficient | Carry out periodical lubrication as described in this manual |
SLG 315 – 350 -370

| MODEL | SLG315 | SLG350 | SLG370 |
| E | 500 mm | 540 mm | 540 mm |
| F | 420 mm | 490 mm | 490 mm |
| G | 740 mm | 800 mm | 800 mm |
| H | 525 mm | 615 mm | 615 mm |
| L | 750 mm | 800 mm | 890 mm |
| SPECIFICATIONS | |||
| ø Blade | 315 mm | 350 mm | 370 mm |
| Cut thickness | 0 -14 | 0 -14 | 0 -14 |
| Net weight | 32 kg | 44 kg | 49 kg |
| Cutting capacity (rect.) | 255x160h | 300x195h | 300x210h |
| Cutting capacity (circ.) | 205 mm | 250 mm | 265 mm |
| Motor rating | 0,25 | 0,30 kW | 0,30 | 0,35 kW | 0,30 | 0,35 kW |
| Specification electrical | 230/50/1 – 400/50/3 V – Hz | ||
SLH 315 – 350 – 370

| MODEL | SLH315 | SLH350 | SLH370 |
| E | 515 mm | 550 mm | 560 mm |
| F | 450 mm | 460 mm | 530 mm |
| G | 650 mm | 710 mm | 800 mm |
| H | 560 mm | 570 mm | 640 mm |
| I | 670 mm | 670 mm | 750 mm |
| SPECIFICATIONS | |||
| ø Blade | 315 mm | 350 mm | 370 mm |
| Cut thickness | 0 -24 | 0 -24 | 0 -24 |
| Net weight | 38 kg | 45 kg | 56 kg |
| Cutting capacity (rect.) | 270x225h | 320x270h | 370x260h |
| Cutting capacity (circ.) | 225 mm | 270 mm | 260 mm |
| Motor rating | 0,30 | 0,35 kW | 0,30 | 0,35 kW | 0,30 | 0,35 kW |
| Specification electrical | 120/60/1 – 220/60/1 – 230/50/1 – 400/50/3 V – Hz | 120/60/1 – 220/60/1 – 400/50/3 V – Hz | 120/60/1 – 230/50/1 – 400/50/3 V – Hz |
SLL 315 – 350 – 370

| MODEL | SLL315 | SLL350 | SLL370 |
| E | 510 mm | 550 mm | 560 mm |
| F | 450 mm | 450 mm | 530 mm |
| G | 640 mm | 670 mm | 720 mm |
| H | 560 mm | 590 mm | 640 mm |
| I | 650 mm | 710 mm | 800 mm |
| M | 670 mm | 680 mm | 670 mm |
| SPECIFICATIONS | |||
| ø Blade | 315 mm | 350 mm | 370 mm |
| Cut thickness | 0 -14 | 0 -14 | 0 -14 |
| Net weight | 40 kg | 45 kg | 56 kg |
| Cutting capacity (rect.) | 290x225h | 320x270h | 350x280h |
| Cutting capacity (circ.) | 225 mm | 270 mm | 280 mm |
| Motor rating | 0,30 | 0,35 kW | 0,30 | 0,35 kW | 0,30 | 0,35 kW |
| Specification electrical | 120/60/1 V – Hz | 220/60/1 V – Hz | 230/50/1 V – Hz | 400/50/3 V – Hz | ||
Note
As we actually strive to improve our products, specifications are necessarily subject to change without notice.

Start button


















