Knightsbridge CU9903 Curved Edge 13A 1 Gang Switched Socket Instruction Manual

These instructions should be read carefully and retained after installation by the end user for future reference and maintenance.
SAFETY
- This product must be installed in accordance with the latest edition of the IEE Wiring Regulations (BS7671) and current Building Regulations. If in any doubt, consult a qualified electrician
- Please isolate mains prior to installation or maintenance
- Check the total load on the circuit (including when this product is fitted) does not exceed the rating of the circuit cable, fuse or
circuit breaker - Do not overload this accessory or subject it to conditions outside its rating
- Please note the IP (Ingress Protection) rating of this product when deciding the location for installation
INSTALLATION
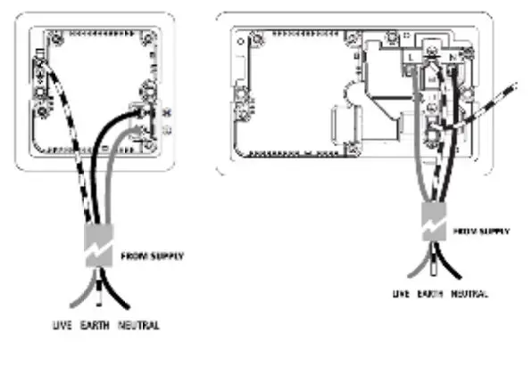
- Connect the accessory as per the diagram in this manual, ensuring the correct polarity is observed:
L – LIVE – Brown
N – NEUTRAL – Blue
EARTH – Green and yellow - All earth connections must be made and maintained. Use green/yellow sleeving on earth conductors that are not insulated
- Check all electrical connections are secure with no loose strands of cable
- Fit the unit into a suitable wall box taking care not to compress, damage or trap any cables, and secure with the screws provided. If using metal mounting boxes with four lugs, remove the top and bottom lugs or bend fully back
FLAT PLATE, SCREWLESS AND RAISED EDGE FIXING
- Always ensure the wall surface is flat and smooth
- This unit is fitted with a gasket – this MUST NOT be removed, this gasket is to stop discolouration of the plate due to natural moisture in some wall finishes
- This product must be fitted only after painting and decorating is complete
- Screwless products only – remove the front plate by placing a medium size flat-head screwdriver in the notch at the side and lever off gently. After wiring and fitting to the wall box as per the instructions in this document, clip the front plate onto the main assembly ensuring the screwdriver notch is at the side
METAL CLAD FIXING
- Remove front faceplate and mount rear box in a suitable location. The back box has multiple 20mm cable entry points to aid installation
- Wire as per the instructions in this document, and fix plate to back box using the screws provided
OUTLETS WITH USB CHARGING FUNCTION
These products are designed for charging portable USB devices only, and contain a short circuit and overload protection feature. If there is no power from the USB socket unplug the connected device. Check to ensure the USB socket and USB device have not come into contact with water, liquid or debris and the cable to the device is not damaged. With no device connected to the USB socket it will automatically reset and be ready for use
WARNING
USB or Bluetooth products, dimmers, shaver sockets and products with LED or neon indicators must be disconnected from the circuit if subjected to any high voltage or insulation resistance testing. Irreparable damage will occur if this instruction is not followed. Please note this kind of damage will void the warranty
WARNING ![]()
This unit should NOT be subject to any insulation resistance testing, failure to follow this instruction could cause damage to the USB circuit and void the warranty.
GENERAL
This product should be recycled in the correct manner when it reaches the end of its life. Check local authorities for where facilities exist.
Clean with a soft dry cloth only, do not use aggressive cleaning products or solvents which may damage the product and invalidate the warranty
WARRANTY Knightsbridge Wiring Accessories have a have a mechanical warranty of 15 years from date of purchase with the exception of dimmers, USB chargers and speaker products, which have a 2 year warranty. Failure to install this product in accordance with the current edition of the IEE Wiring Regulations (BS 7671), improper use, or removal of the batch code will invalidate the warranty. If this product should fail within its warranty period it should be returned to the place of purchase for a free of charge replacement. ML Accessories does not accept responsibility for any installation costs associated with the replacement product. Your statutory rights are not affected. ML Accessories reserve the right to alter product specification without prior notice.
13A SWITCHED SOCKET

13A SOCKET WITH DUAL USB CHARGER

CHARGING INDICATOR
If you have purchased a model with an LED charger status indicator, it will change colour depending on the level of current drawn by the connected device. The Red/Green status indicator gives an approximate charge reading – please refer to device battery level for true reading.
13A SOCKET WITH QUAD USB CHARGER / QUAD USB CHARGER

13A SOCKET WITH USB AND BLUETOOTH SPEAKER / STAND ALONE BLUETOOTH SPEAKER

BLUETOOTH AUDIO SPECIFICATION
- Output Power: Max. 3W RMS
- Sensitivity: L/R 380MV
- SNR: >80dB
- Speaker Frequency Range: 280Hz – 16KHz
BLUETOOTH CONNECTION
- Press the power button directly under the speaker
– Bluetooth indicator will begin to flash - Activate Bluetooth pairing on your mobile device and scan for Bluetooth devices
- Connect to the device named SPEAKER, SPEAKER01, SPEAKER02 etc.
- Once a connection has been established you will hear a “beep” sound and the Bluetooth indicator will flash at a different frequency to confirm
DUAL VOLTAGE SHAVER SOCKET

5A UNSWITCHED ROUND PIN SOCKET

10AX 2-WAY SWITCH

10AX INTERMEDIATE SWITCH

10AX FAN ISOLATOR

DIMMERS

DIMMERS
Please check with LED lamp manufacturer for compatibility
Ensure a mixed load is not selected, i.e. incandescent mixed with LED Consider the minimum and maximum range of the dimmer according to the type of load installed
ADJUSTING THE MINIMUM DIMMING LEVEL
(on products with potentiometer)
- Isolate the power and rotate the dimmer to its minimum position
- With the aid of a small slotted screwdriver, rotate the potentiometer (clockwise to increase, anti-clockwise to decrease the minimum dimming level)
- Switch on and check for correct operation
- To improve dimming curve repeat the previous steps
- A small audible buzz may be emitted when dimming certain products, this is normal
13A FUSED SPUR / SWITCHED FUSED SPUR

20A SWITCHES

45A DP SWITCHES

45A DP SWITCHES WITH 13A SWITCHED SOCKETS

45A DP SWITCHES WITH 13A SWITCHED SOCKETS AND DUAL USB CHARGERS

These products have no cable entry and should only be used for “hard wired” installations.



















