ACI RM2432D Wireless Receiver

GENERAL INFORMATION
ACI’s RM2432D wireless receiver utilizes reliable Spread Spectrum Radio technology. Together with other ACI wireless sensors and controls, the system can be used to transmit remote sensor readings, status/alarm indications, and control signals wirelessly. It is compatible with any control systems or DDC panels that accept 0-10VDC or 0-5VDC inputs. Up to eight(8) separate wireless sensor transmitters can be used with one RM2432D. The maximum radio transmission distance is dependent on the building type. In a typical commercial building with steel I-Beam construction, concrete floors with reinforcing rod, and metal stud walls, it can be expected that transmissions will penetrate horizontally approximately 200-300 feet of floor, walls, furniture and air. Generally, a wireless system will cover at least three floors–one floor above, and one floor below the receiver location. In some buildings with favorable transmission characteristics the system may cover more floors – see FIGURE 2, p.2. Wireless sensor transmitters should be installed within 200 to 300 feet of the RM2432D receiver. RR2552 signal repeaters can be installed as needed to increase transmission distance between sensors and receivers – see FIGURE 1. For best results, no more than three (3) repeaters should be installed per wireless system, and no more than two (2) repeaters in series with the (name device), or “transceiver/receiver”.
PRECAUTIONS
To maintain high performance, do not install sensors, repeaters, or receivers in the following areas:
- Inside metal enclosure / panel
- Inside or immediately next to elevator shaft or elevator banks
- In front of or immediately next to large trees or large bodies of water
- Do not mount above the false ceiling. Mount in-wall 1” below the ceiling.
MOUNTING INSTRUCTIONS
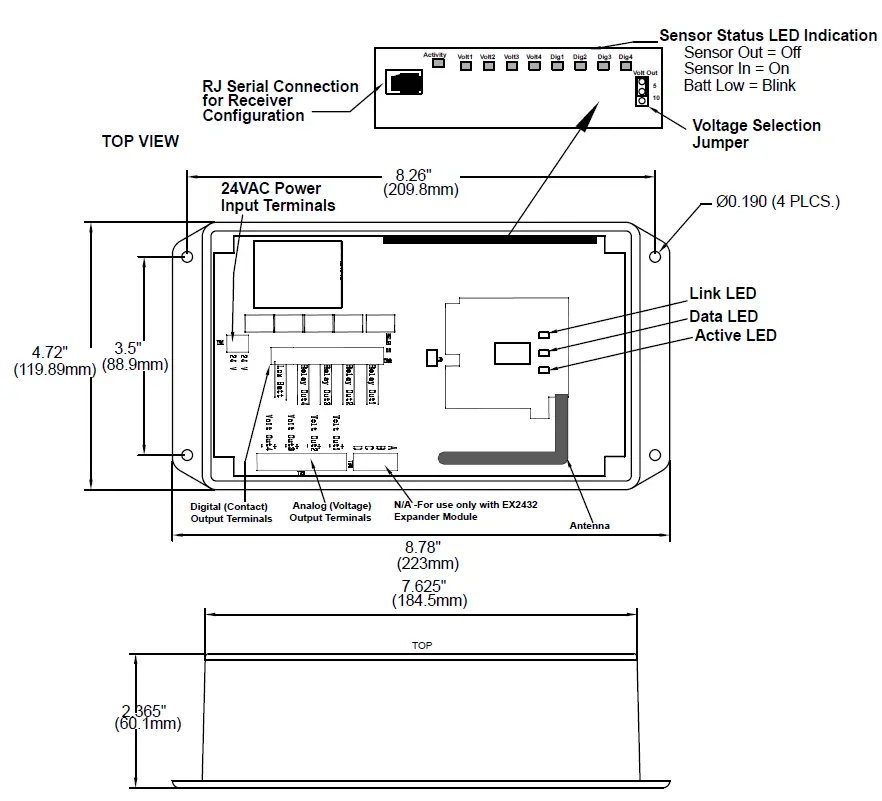
Mount the RM2432D Receiver as close to the controller as possible using four #8 screws (mounting dimensions see Figure 3, p. 3-4). The maximum wiring distance for the analog outputs is 100 ft.
FIGURE 1: WIRELESS BUILDING DIAGRAM

WIRING INSTRUCTIONS AND WIRING PRECAUTIONS
- Do NOT run Analog/Digital Output wires in any conduit with line voltage (24/120/230 VAC).
- Remove power before wiring. NEVER connect or disconnect wiring with power applied.
- The RM2432D is full wave rectified.
- It is recommended that you use an isolated UL-listed Class 2 transformer when power-ing the unit with 24 VAC. Failure to wire the devices with the correct polarity when sharing transformers may result in damage to any device powered by the shared transformer.
Observe polarity when connecting analog outputs to the controller inputs.
WIRING: Connect 24VAC 60Hz to the TB1 terminals using 16-26 twisted pair wire. Check all connections before applying power to the unit. Select 0-10VDC or 0-5VDC output by moving J4 jumper.
Using the RM2432D configuration information, connect the analog and digital outputs to the appropriate control input terminals on the controller using 16-26 AWG wire. The controller input connecting to the RM2432D should have a minimum analog input resistance of 20K Ohms. Each output needs 2 wires. Do not Jumper Commons for relay outputs.
Note: Always connect the Low Battery (or Lost Sensor) relay contact output (see Figure 3 (p.3-4)) to the appropriate alarm input on the controller.
CONFIGURATION OF RECEIVER
The sensors need to be configured to the RM2432D using the configuration program (included), a laptop, and the CK2432D programming cable. A serial to USB adapter might be needed. The Receiver can be configured to accept inputs from up to 8 wireless sensors and sensor configurations. Refer to the user manual for programming, receiver setup, and downloading programs to the receiver. The CK2432D programming cable is required to download to the configuration file to the RM2432D. If more sensors need to be added to the RM2432D, an expander module can be added.

ENCLOSURE DIMENSIONS (STANDARD)
SIDE VIEW
ENCLOSURE DIMENSIONS (NEMA 4X)


PRODUCT SPECIFICATIONS
| PRODUCT SPECIFICATIONS | |
| Supply Voltage: | 24 VAC, 60 Hz (Full wave rectified) |
| Supply Current: | 300 mA |
| Connections / Wire Size: | 16 to 26 AWG shielded twisted pair |
| Terminal Block Torque Rating: | 0.37 ft-lb (0.5 Nm) Nominal |
| Operating Temperature Range: | 32 to 140ºF (0 to 60ºC) |
| Operating Humidity Range: | 30 to 50% RH, Noncondensing |
| Storage Temperature Range: | -4 to 176ºF (-20 to 80ºC), 70% RH |
| Data Protocol: | IEEE 802.15.4-2003/2006 |
| RF Characteristics: | 900 MHz, Operating Frequency 10 channels between 902 – 928 MHz Transmitter Power: 11 dBm | Receiver Sensitivity: -11 dBm |
| Transmission Distance: | 200 – 300 ft horizontally depending on building type and constructions, and typically one floor above and below the transceiver vertically |
| Digital Outputs: | Four (4) SPST Pilot Duty Relays, Dry Contact |
| Contact Rating: | 1.0A, 30 VDC @ 104ºF (40ºC), 0.5A, 125 VAC @ 104ºF (40ºC) Resistive |
| Relay Durability: | Mechanical: 5,000,000 operations minimum @ 36K operations/hour Electrical: 100,000 operations minimum (under rated load @ 1.8K operations/hour) |
| Lost Signal Alarm: | (1) SPST, Dry contact relay, 1.0A, 30 VDC @ 104ºF (40ºC), 0.5A, 125 VAC @ 104ºF (40ºC) Resistive |
| Analog Outputs: | Four (4) 0-5/10V jumper selectable |
| Configuration Software: | Included; Data registers need to be configured prior to use |
| System Requirements: | • Laptop with Windows 98, XP, Vista, Windows 7 or Windows 10, and 10 GB memory • Direct connection from PC to RM2432D: CK2432D serial to RJ11 programming cable • USB to Serial Adapter (Not provided by ACI) • IP Address of PC must have static address of 192.168.0.2 or above |
WARRANTY
The ACI Wireless Series are covered by ACI’s Two (2) Year Limited Warranty, which is located in the front of ACI’S SENSORS & TRANSMITTERS CATALOG or can be found on ACI’s website: www.workaci.com.
W.E.E.E. DIRECTIVE
At the end of their useful life the packaging and product should be disposed of via a suitable recycling centre. Do not dispose of with household waste. Do not burn.
ACI RM2432D Wireless Receiver

















