ELATEC T43O-F7C0 TWN4 MULTITECH 3 M BLE Universal RFID Reader and Writer Modules

INTRODUCTION
ABOUT THIS MANUAL
This integration manual explains how to integrate ELATEC RFID reader/writer module TWN4 MultiTech 3 M BLE into a host device and is mainly intended for integrators and host manufacturers. Before installing the product, the integrators should read and understand the content of this integration manual and other relevant installation documents.
The content of this integration manual is subject to changes without prior notice and printed versions might be obsolete. Integrators and host manufacturers are required to use the latest version of this integration manual.
For the sake of better understanding and readability, this manual might contain exemplary pictures, drawings and other illustrations. Depending on your product configuration, these pictures might differ from the actual design of your product.
The original version of this integration manual has been written in English. Wherever the integration manual is available in another language, it is considered as a translation of the original document for information purposes only. In case of discrepancy, the original version in English will prevail.
ABOUT TWN4 MULTITECH 3 M BLE
TWN4 MultiTech 3 M BLE integrates RFID (125 kHz and 13.56 MHz), NFC and Bluetooth Low Energy capabilities into a compact but powerful reader. Its reduced size combined with optimized read/write performance makes it the perfect reader for all applications where small size and full performance matters, e.g. print solutions, driver identification, POS integration and many more. Furthermore, TWN4 MultiTech 3 M BLE provides access to most common host interfaces such as USB, serial (TTL) or I²C which are readily accessible through an on-board connector.
ELATEC SUPPORT
In case of any technical questions, refer to the ELATEC website (www.elatec.com) or contact ELATEC technical support at [email protected]
REVISION HISTORY
| VERSION | CHANGE DESCRIPTION | EDITION |
| 02 | Chapters “About this Manual”, “Safety Information” and “Compliance Statements” updated | 02/2022 |
| 01 | First edition (replaces Transponder Reader TWN4 MultiTech 3 Quick Start Guide, Rev. 5.0, dated 11/2018) | 09/2021 |
SAFETY INFORMATION
- ELATEC TWN4 MultiTech 3 M BLE is an electronic component and should be installed exclusively by a trained and qualified personnel.
- ELATEC recommends the integrators to follow general ESD protective measures during the installation of TWN4 MultiTech 3 M BLE into a host device, e.g. the use of an antistatic wristband or special gloves.
- The integrator should not touch the antennas (if not shielded), printed circuit boards, connectors or other sensitive components on TWN4 MultiTech 3 M BLE.
- Metallic materials on or in direct vicinity to the product might reduce the reading performance of the product. Refer to the installation instructions for more information.
- Before installing TWN4 MultiTech 3 M BLE into a host device, the integrator should also make sure that he/she has read and understood the ELATEC technical documentation related to TWN4 MultiTech 3 M BLE, as well as the technical documentation related to the host device. In particular, the instructions and safety information given in the user manual of TWN4 MultiTech 3 M BLE should be read carefully and listed in the technical documentation of the host manufacturer as well, as soon as these instructions and safety information are required for a safe and proper use of the host device containing WN4 MultiTech 3 M BLE.
- Any failure to comply with the safety information given in this document and in the user manual, is considered improper use. ELATEC excludes any liability in case of improper use or faulty product installation.
INTEGRATION INSTRUCTIONS
GENERAL
TWN4 MultiTech 3 M BLE may be installed in any host devices, as long as it is operated under the operational conditions stated in the user manual and other technical documents (e.g. data sheet). TWN4 MultiTech 3 M BLE is equipped with two integrated antennas. Thus, no antenna installation is required.
LIST OF APPLICABLE RULES
Refer to the approval certificates, grants and declarations of conformity issued for TWN4 MultiTech 3 M BLE, and to Chapter “Compliance Statements” for a detailed list of the rules applicable to TWN4 MultiTech 3 M BLE.
SPECIFIC OPERATIONAL USE CONDITIONS
There are no specific operational use conditions for TWN4 MultiTech 3 M BLE other than the conditions mentioned in the user manual and data sheet of TWN4 MultiTech 3 M BLE. The host manufacturer or integrator must ensure that these use conditions comply with the use conditions of the host device. In addition, these use conditions must be stated in the user manual of the host device.
LIMITED MODULE PROCEDURES
n/a
TRACE ANTENNA DESIGN
n/a
RF EXPOSURE CONSIDERATIONS
The module antenna(s) must be installed to meet the RF exposure compliance separation distance of 20 cm and any additional testing and authorization process as required.
Refer to Chapter “Compliance Statements” for detailed information about the radio frequency exposure conditions applicable to TWN4 MultiTech 3 M BLE.
These RF exposure conditions must be stated in the end-product manual(s) of the host product manufacturer.
ANTENNAS
TWN4 MultiTech 3 M BLE is equipped with the following antennas:

- HF antenna (13.56 MHz)
Dimensions: 48 x 33 mm / 1.89 x 1.30 inch
Number of turns: 3 - LF antenna (125 kHz)
Dimensions: 49 x 34 mm / 1.93 x 1.34 inch
Number of turns: 123 - BLE (2.4 GHz)
The antenna for the BLE module is integrated in the BLE chip.
For more information, refer to the related product data sheet or other relevant technical documents.
LABEL AND COMPLIANCE INFORMATION
Refer to Chapters “Compliance Statements” and “Integrator and Host Requirements” for detailed label and compliance information.
TEST MODES AND ADDITIONAL TESTING REQUIREMENTS
No specific testing method has been defined by ELATEC for TWN4 MultiTech 3 M BLE.
TWN4 MultiTech 3 M BLE has been tested and found in compliance with the specifications noted on the approval certificates and other relevant approval documents. However, the integrator is still responsible for any additional testing and authorization process required for the end product.
Refer to the KDB Publication 996369 D04 Module Integration Guide of the FCC Office of Engineering and Technology (OET) for detailed information about test modes and additional testing requirements for the host device.
ADDITIONAL TESTING, PART 15 SUBPART B DISCLAIMER
TWN4 MultiTech 3 M BLE is only FCC authorized for the specific rule parts (i.e., FCC transmitter rules) listed on the grant, and the host product manufacturer is responsible for compliance to any other FCC rules that apply to the host not covered by the modular transmitter grant of certification. In addition, the final host product still requires Part 15 Subpart B compliance testing with TWN4 MultiTech 3 M BLE.
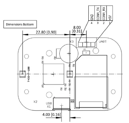
MECHANICAL INSTALLATION
The reader module can be fixed into the host device with 3 screws M3.
ELECTRICAL CONNECTION


PROGRAMMATION/SOFTWARE INTEGRATION
n/a
COMPLIANCE STATEMENTS
EU
TWN4 MultiTech 3 M BLE is in compliance with the EU directives and regulations as listed in the respective declaration of conformity (cf. TWN4 MultiTech 3 M EU Declaration of Conformity).
FCC
This device complies with Part 15 of the FCC Rules. Operation is subject to the following two conditions:
- This device may not cause harmful interference, and
- This device must accept any interference received, including interference that may cause undesired operation.
Caution
The Federal Communications Commission (FCC) warns the users that changes or modifications to the unit not expressly approved by the party responsible for compliance could void the user’s authority to operate the equipment.
FCC §15.105 (b)
This equipment has been tested and found to comply with the limits for a Class B digital device, pursuant to part 15 of the FCC Rules. These limits are designed to provide reasonable protection against harmful interference in a residential installation. This equipment generates, uses and can radiate radio frequency energy and, if not installed and used in accordance with the instructions, may cause harmful interference to radio communications. However, there is no guarantee that interference will not occur in a particular installation. If this equipment does cause harmful interference to radio or television reception, which can be determined by turning the equipment off and on, the user is encouraged to try to correct the interference by one or more of the following measures:
- Reorient or relocate the receiving antenna.
- Increase the separation between the equipment and receiver.
- Connect the equipment into an outlet on a circuit different from that to which the Receiver is connected.
- Consult the dealer or an experienced radio/TV technician for help.
FCC ID: WP5TWN4F4
Contains FCC ID: QOQ11
IC
This device complies with Industry Canada’s license-exempt RSSs. Operation is subject to the following two conditions:
- This device may not cause interference; and
- This device must accept any interference, including interference that may cause undesired operation of the device.
UNITED KINGDOM
TWN4 MultiTech 3 M BLE complies with the requirements of the UK legislations and other regulations as listed in the respective UK declaration of conformity (cf. TWN4 MultiTech 3 M EU Declaration of Conformity). The importer is responsible for applying the following information to the packaging of the product:
- the importer company’s details, including the company’s name and a contact address in the United Kingdom.
- UKCA marking
RF EXPOSURE COMPLIANCE
RF exposure statement (mobile and fixed devices)
This device complies with the RF exposure requirements for mobile and fixed devices. However, the device shall be used in such a manner that the potential for human contact during normal operation is minimized.
INTEGRATOR AND HOST REQUIREMENTS
Authorization requirements
TWN4 MultiTech 3 M BLE has been certified as a module and does not need further approval, provided that the module is used in accordance with the FCC grant conditions and no limitations or usage conditions have been defined by ELATEC. However, the host manufacturer must ensure that the host device still complies with all applicable regulations after TWN4 MultiTech 3 M BLE has been integrated.
In particular, the host integrator installing TWN4 MultiTech 3 M BLE into their product must ensure that the final composite product complies with the FCC requirements by a technical assessment or evaluation to the FCC rules, including the transmitter operation and should refer to guidance in KDB 996369.
Labeling requirements
Requirements for FCC and IC identification numbers:
Using a permanently affixed label, TWN4 MultiTech 3 M BLE must be labeled with its own FCC and IC identification numbers. In case this label is not visible anymore after integration of TWN4 MultiTech 3 M BLE in the host device, it is necessary to bring a label on the host device (on a visible and accessible place) stating the FCC and IC identification numbers of the integrated TWN4 MultiTech 3 M BLE:
Contains FCC IDs: WP5TWN4F4, QOQ11
Contains transmitter modules IC: 7948A-TWN4F4, 5123A-11
In case several modules have been integrated into the host device, the label should state all FCC and IC identification numbers of the integrated modules.
Example:
“Contains FCC IDs: XXX-XXXXXXX, YYY-YYYYYYY, ZZZ-ZZZZZZZ”
“Contains transmitter modules IC: XXXXX-XXXXXX, YYYYY-YYYYYY, ZZZZZ-ZZZZZZ”
Requirements for other countries and regions:
Refer to Chapter “Compliance Statements” for detailed information about the labeling requirements applying to the reader module or to the host device.
Compliance statements
All statements listed in Chapter “Compliance statements” of this integration manual must be also listed in the user manual of the host device.
Special accessories
Where special accessories such as shielded cables and/or special connectors are required to comply with the emission limits, the instruction manual shall include appropriate instructions on the first page of the text describing the installation of the device.
Simultaneous transmission
When the host product supports simultaneous-transmission operations the host manufacturer needs to check if there are additional RF exposure filing requirements due to the simultaneous transmissions. When additional application filing for RF exposure compliance demonstration is not required (e. g. the RF module in combination with all simultaneously operating transmitters complies with the RF exposure simultaneous transmission SAR test exclusion requirements), the host manufacturer may do his own evaluation without any filing, using reasonable engineering judgment and testing for confirming compliance with out-of-band, restricted band, and spurious emission requirements in the simultaneous-transmission operating modes. If additional filing is required please contact the person at ELATEC GmbH responsible for certification of the RF module.
APPENDIX
A – TERMS AND ABBREVIATIONS
| TERM | EXPLANATION |
| host device | Also “host” or “host product”. Device in which an RFID module is intended to be installed for operation. |
| Integrator | Responsible party for the integration of an RFID module into a host device. The integrator might be the module manufacturer, the host manufacturer, the end user or any other third party. |
| KDB | Knowledge Database |
| modular type | Physical configuration in which a modular transmitter operates when installed within a host device. It can be a single-modular, a limited single-modular, a split-modular or a limited split-modular type. |
| n/a | Not applicable |
| RFID (reader/writer) module | Device intended to be used within another device or product. Depending on the equipment configuration and intended use, an RFID module has to meet different requirements to get a modular grant. |
B – RELEVANT DOCUMENTATION ELATEC
documentation
- TWN4 MultiTech 3 technical handbook
- TWN4 MultiTech 3 M BLE data sheet
- TWN4 MultiTech 3 M BLE user manual
- TWN4 MultiTech 3 M functional description
| Document name | Document title/description | Source |
| n/a | Technical documentation related to the host product | Host product manufacturer |
| 784748 D01 General labeling and Notification | General Guidelines for Labeling and Other Information Required to be Provided to Users | Federal Communications Commission Office of Engineering and Technology Laboratory Division |
| 996369 D01 Module Equip Auth Guide | Transmitter Module Equipment Authorization Guide | Federal Communications Commission Office of Engineering and Technology Laboratory Division |
| 996369 D02 Module Q and A | Frequently Asked Questions and Answers about Modules | Federal Communications Commission Office of Engineering and Technology Laboratory Division |
| 996369 D03 OEM Manual | Guidance for Modular Transmitter Instruction Manuals and TCB Certification Application Reviews | Federal Communications Commission Office of Engineering and Technology Laboratory Division |
| 996369 D04 Module Integration Guide | Modular Transmitter Integration Guide— Guidance for Host Product Manufacturers | Federal Communications Commission Office of Engineering and Technology Laboratory Division |
| RSS-Gen | General Requirements for Compliance of Radio Apparatus | Innovation, Science and Economic Development Canada |
| RSS-102 | Radio Frequency (RF) Exposure Compliance of Radiocommunication Apparatus (All Frequency Bands) | Innovation, Science and Economic Development Canada |
For more information about this integration manual or TWN4 MultiTech 3 M BLE, go to www.elatec.com or contact ELATEC.




















