![]()
cooking collection
Instructions for use and warranty details
Wall Mounted Rangehood
Model No.: RHGV90
To register your warranty or make a warranty claim, scan this QR code:

http://www.kleenmaidwarranty.com.au/
Dear Customer,
Thank you and congratulations for choosing Kleenmaid.
Your new appliance has been designed and meticulously tested to ensure that it meets all your culinary requirements, and has been carefully manufactured using top quality materials to give you years of reliable performance.
For best results, carefully read the instructions on how your new appliance is to be installed. Correct installation will avoid delays and unnecessary service call costs.
Once installation is complete, please read this instruction manual carefully and get to know the controls and the features of your new Kleenmaid appliance. These simple instructions will enable you to achieve excellent results from the very first time you use it.
Again, congratulations and thank you for choosing The Best You Can Own.
KLEENMAID
RECOMMENDATIONS AND SUGGESTIONS
NOTE: Before making preparations for or commencing installation, the installer should refer to the current online version of the User Manual, which is available on the Kleenmaid website (see back cover for details).
INSTALLATION
- The manufacturer will not be held liable for any damages resulting from incorrect or improper installation.
- The safety gap between the range hood and the hob below must comply with the recommendations of the hob manufacturer. In case of no instructions, a minimum distance of 600mm (or other minimum distance as may be specified by AS/NZS 5601 and interpreted by a certified installer) should apply.
- Check that the mains voltage corresponds to that indicated on the rating plate fixed to the inside of the hood.
- For Class I appliances, check that the domestic power supply guarantees adequate earthling.
- Connect the range hood to the exhaust flue through a pipe of minimum diameter 120mm. The route of the flue must be as short as possible.
- Do not connect the range hood to exhaust ducts carrying combustion flumes (boilers, fireplaces, etc.).
- If the range hood is used in conjunction with non-electrical appliances (e.g. gas burning appliances),a sufficient degree of aeration must be guaranteed in the room in order to prevent the backflow of exhaust gas. The kitchen must have an opening communicating directly with the open air in order to guarantee the entry of clean air. When the range hood is used in conjunction with appliances supplied with energy other than electric, the negative pressure in the room must not exceed 0,04 mbar to prevent fumes being drawn back into the room by the range hood.
- In the event of damage to the power cable, it must be replaced by the manufacturer or by a qualified technician in order to prevent any risks.

USE
- The range hood has been designed exclusively for domestic use to eliminate kitchen odors.
- Never use the range hood for purposes other than for which it has been designed.
- Never leave high naked flames under the range hood when it is in operation.
- Adjust the flame intensity to direct it onto the bottom of the pan only, making sure that it does not engulf the sides.
- Deep fat fryers must be continuously monitored during use: overheated oil can burst into flames.
- Do not flame under the range hood; risk of fire.
- This appliance is not intended for use by persons (including children) with reduced physical, sensory or mental capabilities, or lack of experience and knowledge, unless they have been given supervision or instruction concerning use of the appliance by a person responsible for their well being.
- Children should be supervised to ensure that they do not play with the appliance.
- Cleaning and user maintenance should not be made by children without supervision.
- CAUTION: Accessible parts may become hot when used with cooking appliances.

MAINTENANCE
- Switch off or unplug the appliance from the mains supply before carrying out any maintenance work.
- Clean and/or replace the Filters after the specified time period (Fire hazard).
- Clean the hood using a damp cloth and a neutral liquid detergent.

The symbol
is packaging indicates that this product may not be treated as household waste. Instead it shall be handed over to the applicable collection point for the recycling of electrical and electronic equipment. By ensuring this product is disposed of correctly, you will help prevent potential negative consequences for the environment and human health, which could otherwise be caused by inappropriate waste handling of this product. For more detailed information about recycling of this product, please contact your local city office, your household waste disposal service or the shop where you purchased the product.
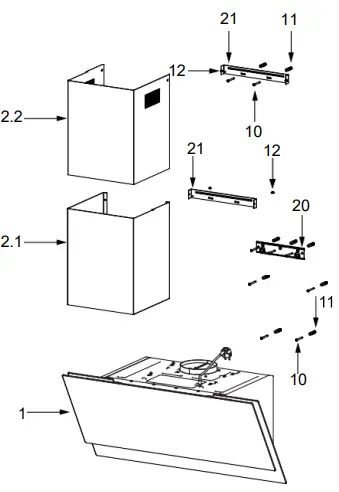
COMPONENTS



| Ref | Qty | Product Components | |
| 1 | 1 | Hood Body, complete with: Controls, Light, Blower, Filter | |
| 2.1 | 1 | Lower Decorative Chimney | |
| 2.2 | 1 | Upper Decorative Chimney | |
| 3 | 2 | Carbon Filter (optional accessory) | |
| Ref | Qty. | Installation Components | |
| 10 | 7 | Screws5 x50 | |
| 11 | 7 | All Plugs | |
| 12 | 6 | Screws4.2 x 9.5 | |
| 20 | 1 | Hood fixing bracket (optional) | |
| 21 | 2 | Chimney fixing bracket (0/1 optional) | |
| Qty | Documentation | ||
| 1 | User Manual | ||
Note: There are appliance-specific accessories (e.g. screws and wall plugs) supplied in the carton which should be retained for installation and not discarded with packaging.
WARNING: IT MUST BE ENSURED THAT THIS APPLIANCE IS CONNECTED ONLY TO A 230VAC +10%/.6% 50Hz MAINS POWER SUPPLY WHICH CONTINUOUSLY COMPLIES WITH THE RELEVANT AUSTRALIAN STANDARD. FAILURE TO DO SO MAY SERIOUSLY DAMAGE THE APPLIANCE AND ANY SUCH DAMAGE IS NOT COVERED BY THE MANUFACTURER’S WARRANTY.
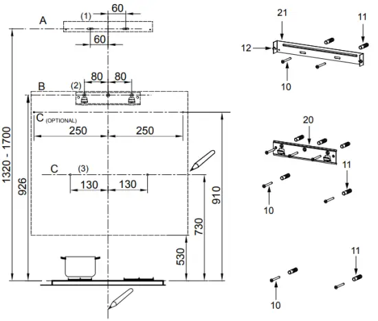
DIMENSIONS


INSTALLATION
WALL DRILLING AND BRACKET FIXING

As a first step, proceed with the following drawings:
- A vertical line up to the ceiling or up to the upper limit, at the center of the area in which the hood is to be fitted.
- A horizontal line A at 1320 – 1700 mm above the cooktop.
- A horizontal line B at a minimum 926 mm above the cooktop.
- A horizontal line C at a minimum 730 (910 optional) mm above the cooktop.
Mark Points:
- Mark a point (1) on the horizontal line A, 60 mm to the right of the vertical reference line.
- Repeat this operation on the other side, checking that the two marks are leveled.
- Mark a point (2) on the horizontal line B, 80 mm to the right of the vertical
- Repeat this operation on the other side and on the vertical reference line, checking that the three marks are leveled.
- Mark a point (3) on the horizontal line C, 0 mm to the right of the vertical reference line.
- Repeat this operation on the other side, checking that the two marks are
Fix the brackets:
- Drill at the marked points (1) (2) (3), using a ɸ10 mm drill bit.
- Insert the Wall Plugs 11 into the holes (1) (2) (3).
- Fix the hood fixing bracket 20 with 3 screws 10 (5 x 50) supplied with the hood.
- Fix a Chimney fixing bracket 21 with 2 screws 10 (5 x 50) supplied with the hood.
Hook the hood body:
- Open the panel.
- Remove the Metal grease filter using the handles provided.
- Hook the hood body to the bracket 20.
- Level the hood body itself.

- From the inside of the hood body, fix the screws 10 to Wall Plugs 11 at the points (3).
- Fit the filter into the hood.
- Close the panel.
CONNECTIONS
DUCTED VERSION AIR EXHAUST SYSTEM
When installing the ducted version, connect the hood to the chimney using rigid pipe ф150 (not supplied).
- Fix the pipe in position using sufficient pipe clamps (not supplied).
- Remove any installed carbon filters.
CHIMNEY ASSEMBLY
The chimney can only be installed with range hood.
Lower Decorative Chimney
- Fix a Chimney fixing bracket 21 onto the Lower Decorative Chimney with 2 screws 12
(4.2 x 9.5) supplied with the hood. 
- Slightly widen the two sides of the flue and hook them onto the hood body, making sure that they are well seated.

Upper Decorative Chimney
- Slightly widen the two sides of the upper chimney and hook them between the wall and the bracket 21 which is fixed on the Lower Decorative Chimney.
- Fix the upper chimney onto the bracket 21 with 2 screws 12 (4.2 x 9.5) supplied with the hood.

USE
CONTROL PANEL

| Button | Function | Remarks |
| Turns the Motor ON. | When | |
| Enables shutdown of the Motor with a 3 minute delay, flashes. | When | |
| Turns the Motor OFF. | When | |
| Turns the Motor on at LOW speed . | Buttons | |
| Turns the Motor on at MEDIUM speed | Buttons | |
| Turns the Motor on at HIGH speed . | Buttons | |
| Turns the Lighting System on and off at maximum intensity. | Button on. | |
| Turns the Motor on at BOOST speed | Buttons |
Remote
WARNING
THIS PRODUCT CONTAINS A BUTTON BATTERY
Hf swallowed. a lithium button battery can cause severe or fatal injuries within 2 hours.
Keep batteries out of reach of children.
If you think batteries may have been swallowed or placed inside any part of the body, seek immediate medical attention.
MAINTENANCE
FILTERS
Your Kleenmaid range hood has one or both the following types of filters:
The visible aluminum grease filters, which are should be present on every range hood.
CLEANING THE GREASE FILTERS
- These filters must be cleaned after every 2 months of operation, or more frequently for particularly heavy usage.
- Operate the latch on the grease filters and remove the filters one by one, pushing them towards the back side of the range hood unit and simultaneously pulling downwards.
- These filters may be cleaned either with a soft-bristled brush in warm soapy water, or in a dishwasher (without other items).
- Any kind of bending of the filters should be avoided when washing them. Before fitting them back into the range hood make sure that they are completely dry. (The color of the filter surface may change over time but this has no effect on filter efficiency).
- When fitting the filters into the range hood make sure that they are mounted in the correct position with the handle facing outwards, and latch securely.
- There is a fire risk if cleaning is not carried out in accordance with the instructions.

Normally these filters will last the life of the range hood, however if they are damaged in any way, replacements may be purchased by emailing [email protected] or calling 02 9310 1207.
The internal Kleenmaid Activated Charcoal (or “Carbon”) Filter, which will be present on a range hood installed in recirculating mode i.e. not vented outdoors.
There are 2 charcoal filters located inside this rangehood which remove cooking odours from the air. They cannot be cleaned and will require replacement. The effective life of the filters depends on the type and amount of cooking you do. Generally the life of these filters is approximately six months. However, always replace the filters when they no longer absorbs odours effectively.
When replacement Kleenmaid Activated Charcoal filters are required they may be purchased by visiting the Kleenmaid website www.kleenmaid.com.au, emailing [email protected] or calling 02 9310 1207.
REPLACING THE ACTIVATED CHARCOAL FILTERS
- Open the cover panels, pulling them downwards.
- Remove the metal grease filters
- Remove the saturated carbon filters.
- Fit the new filters.
- Replace the metal grease filters.
- Close the cover panel.

Warning: It must be ensured that the filters are correctly installed whenever the range hood is operating. Failure to do so may damage the range hood, and such damage will not be covered by the manufacturer’s warranty.
CLEANING THE RANGEHOOD
Clean the range hood regularly using a damp cloth and a neutral liquid detergent.
Warning: Switch off or unplug the appliance from the mains supply before carrying out any maintenance work.
LIGHTING
LIGHT REPLACEMEN
1.5 W LED light.
- Switch off the range hood and isolate the range hood by pulling out the mains plug or switching off the fuse.
- Remove the grease filter.
- Remove the light by levering its fitting from the hood body. (This may require pressure or force to be applied).
Round/ Diameter: 70mm Max Power Voltage Picture Lamp Cap ILCOS D code 1.5W DC 12 V 
— DSR−1.5−S−70 
- Disconnect the cable connector from the light.
- Replace the light with a new one of the same type, making sure that you correctly reconnect the cable connector.
- Reinstall the light into the hood body.

DISPOSAL OF OLD ELECTRICAL APPLIANCES
The European directive 2012/19/EU on Waste Electrical and Electronic Equipment (WEEE), requires that old household electrical appliances must not be disposed of in the normal unsorted municipal waste system. Old appliances must be collected separately in order to optimize the recovery and recycling of the materials they contain, and reduce the impact on human health and the environment.
The crossed out “wheeled bin” symbol on the product reminds you of your obligation, that when you dispose of the appliance, it must be separately collected.
Consumers should contact their local authority or retailer for information concerning the correct disposal of their old appliance.
TROUBLESHOOTING
| Fault | Cause | Solution |
| Light on, but motor does not work | The capacitor is damaged. | Replace capacitor. |
| The motor is damaged. | Replace motor. | |
| The internal wiring of motor is cut off/ disconnected. An unpleasant smell may be produced. | Replace motor. | |
| Both light and motor do not work | Apart from the above mentioned, check the following: | |
| Light damaged. | Replace lights. | |
| Power cord loose. | Connect the wires as per the electric diagram. | |
| Oil leakage | Outlet and the air ventilation entrance are not tightly sealed. | Take down the outlet and apply sealant. |
| Leakage from the connection of U-shaped section and cover. | Take U-shaped section down and seal with soap or paint. | |
| Vibration | The blade, if damaged, can cause vibrating. | Replace the blade. |
| The motor is not tightly fastened. | Fasten the motor firmly. | |
| The rangehood is not tightly fixed. | Fix the rangehood firmly. | |
| Insufficient suction | The distance between the cooker hood and the cooktop is too large. | Readjust the distance. |
| Too much ventilation from open doors or windows. | Choose a new place to install the appliance or close some doors/windows. | |
| The appliance inclines | The fixing screws are not tight enough. | Tighten the fixing screw while making it horizontal. |
| The hanging screws are not tight enough | Tighten the hanging screw while making it horizontal. | |
If the appliance fails to operate correctly during the warranty period please visit our website to request a warranty service (see back cover of this manual for details). When booking a service please provide your Model No.: RHGV90 and the individual Serial Number of your appliance which is found on the rating plate, visible inside the range hood when the grease filter is removed. See instructions for removing the grease filter on page 9 of this manual. Ensure power to the appliance is turned off before commencing.
KLEENMAID WARRANTY
TERMS AND CONDITIONS
- Compass Capital Services Pty Ltd ABN 96 138 214 525 trading as Kleenmaid will provide parts and labour to you the customer as set out herein.
- Kleenmaid’s Products come with guarantees that cannot be excluded under the Australian Consumer Law. You are entitled to a replacement or refund for a major failure and for compensation for any other reasonably foreseeable loss or damage. You are also entitled to have the goods repaired or replaced if the goods fail to be of acceptable quality and the failure does not amount to a major failure.
- The benefits given to you under this Kleenmaid Warranty are in addition to other rights and remedies to which you may be entitled under the Australian Consumer Law in relation to the Product to which this Kleenmaid Warranty relates. Subject to the conditions below, the Product is warranted by Kleenmaid and/or its agents to be free from defects in materials and workmanship for the Warranty Period for normal Domestic Use.
- Product Identification:
- Kleenmaid reserves the right to reject claims for any services or work where you cannot produce for verification the serial number and a proof of purchase for the Product (including but not limited to the original invoice).
- this Kleenmaid Warranty will be voided if the serial number for the Product cannot be verified. This is not intended to exclude, restrict or modify any right or remedy to which you may otherwise be entitled under the consumer guarantee provisions of the Australian Consumer Law.
- in the event that a request for repair is made against this Kleenmaid Warranty where the serial number for the Product cannot be verified or you cannot produce for verification a proof of purchase for the Product (including but not limited to the original invoice), the repairer will not carry out any repairs on the Product and you will be charged a service call-out fee.
- What is covered by this Kleenmaid Warranty:
- the Product is covered for faulty workmanship or parts that have failed under normal Domestic Use.
- Kleenmaid and/or its agents will determine by objective testing if there are any defects in the Product and/or faulty workmanship.
- this Kleenmaid Warranty is only applicable if repairs on Products are carried out within Mainland Australia.
- this Kleenmaid Warranty: –
- covers a Product purchased as new, manufactured for use in Mainland Australia;
- commences from the date of delivery of the Product;
- provides for the labour and replacement parts necessary to maintain the Product in good operating condition as specified in this Kleenmaid Warranty, however, if repair is needed because of Product failure during normal Domestic Use, Kleenmaid has the option to repair or replace the defective Product or part of the Product with a product or part of like kind and quality. A replacement part may be new or reconditioned of like kind and quality and may cost less than the original Product purchased and no charges or refunds will be made based on the replacement product or part cost difference; and
- is only applicable when the Product is used and operated in accordance with the Manufacturer’s instructions.
- What is not Covered by this Kleenmaid Warranty (excluded):-
- any damage or failure to or of the Product or part of the Product:
- due to the Product being inadequately serviced to manufacturer’s recommendations;
- resulting from environmental conditions including and not limited to dirt, dust, rodents, insects, rust, corrosion, salt built-up, of or in any part of the Product;
- resulting from excessive use but fair wear and tear is excepted;
- resulting from poor installation including and not limited to positioning and externally fitted equipment such as plumbing and drainage, cabling, antennae or due to incompatibility of connected equipment;
- caused by overheating as a result of sitting or positioning of the Product, where there is no provision for adequate ventilation or adequate protection from excessive dust;
- if the Product has been dismantled, repaired or serviced by any person other than someone authorised by Kleenmaid or its agents or representatives;
- caused by power surges or spikes, including and not limited to, mains power and telecommunications connections, or to other unspecified sources, incorrect power current, voltage fluctuation, amperage fluctuation, rustor corrosion;
- if the Product is dropped, collision of the Product with another object, use for which the Product is not designed, damage to the Product caused by your own negligence, accidental or deliberate misuse of the Product by you, theft, abuse, vandalism, flood, fire, earthquake, electrical storms or any other act of God or any war related events; or
- due to the introduction of abnormal heat loads to the Product;
- costs of attendance and testing where no fault or defect covered by the terms of this Kleenmaid Warranty is identified in the Product;
- initial setup and installation of the Product;
- Normal maintenance costs and costs incurred through the installation of items listed as requiring periodic replacement;
- Products with removed or altered serial numbers;
- broken or cracked glass other than transport damage to the initial point of delivery;
- consumables such as but not limited to bulbs/globes, seals, filters, batteries and remote controls;
- removal and reinstallation of an internal component not performed by an authorised Kleenmaid agent or representative or authorised service center;
- cosmetic or structural items; or
- any failures due to interference from or with other products and/or sources.
- any damage or failure to or of the Product or part of the Product:
- This Kleenmaid Warranty ceases if:
- the Product ceases to carry the original manufacturer’s serial number or is sold at an auction;
- the Product is rented; or
- there is failure to pay monies owing on invoices as a result of non-warranty work being carried out at the request of the end user as per point 16 below.
- Neither Kleenmaid nor its representatives provide loan equipment under the terms of this Kleenmaid Warranty.
- Any unauthorized access to the internal hardware of the Product will void this Kleenmaid Warranty.
- Repair Notice: Products presented for repair may be replaced by refurbished Products of the same type rather than being repaired. Refurbished parts may be used to repair the Products.
- Replacement items are “like for like” and is not “new for old” and does not indicate in any way that a faulty Product will be replaced with a new part or unit. “Like for like” may either be a quality checked, refurbished or reconditioned unit of the same or later batch of model/size/specifications
- The cost of making a claim under this Kleenmaid Warranty is not covered by Kleenmaid, including any costs of transportation or travel expenses between your home and your nearest authorised service agent.
- Kleenmaid accepts no liability for items that are lost, damaged, or stolen as a result of freight, transport or storage. If you are required to transport the Product to an authorised service centre, you must ensure that it is securely packed and insured.
- On Public Holidays or other periods when regular business and wholesale operations are temporarily ceased, repairer availability and warranty response times may extend beyond the standard response times due to the unavailability of repairers and parts.
- For any repair performed on a Product under this Kleenmaid Warranty where no fault can be found, or the item is deemed by Kleenmaid or an authorised agent, to be not faulty under this Kleenmaid Warranty, or the repair or fault is not covered under this Kleenmaid Warranty, a ‘No Fault Found’ fee is payable by you. Kleenmaid will advise you of this cost and seek your agreement to pay such costs before commencing such repairs.
- Any repairs or services required that are outside the terms and conditions of this Kleenmaid Warranty can be carried out at your request at your cost (including where the Product has not been installed or set up correctly). Kleenmaid will always advise you of this cost and seek your agreement to pay such costs before commencing such repairs. A credit card may be required prior to the commencement of such services.
- Extra charges will be payable by the customer should the Product not be readily accessible without special equipment, such as but not limited to cranes and lifts or should the Product be installed in a position that service access is blocked and/or repair work is not possible without uninstalling the Product to gain access.
- You, the customer, may be entitled to purchase an extended warranty in respect of the Product. Any extended warranty will not be issued by Kleenmaid but by a third party. Any extended warranty services will be provided directly by the third party as principal and not as agent for Kleenmaid, under their extended warranty terms and conditions and not under this Kleenmaid Warranty.
- To make a claim under this Kleenmaid Warranty, please have your proof of purchase and the serial number of the Product ready and call (02) 9310 1207 during business hours.
- This Kleenmaid Warranty is given by:
Name: Compass Capital Services Pty Ltd ABN 96 138 214 525 trading as Kleenmaid
Business address: Level 2, Suite 3, 204 Botany Rd, Alexandria NSW Australia 2015
Telephone: (02) 9310 1207 - Definitions:
- Australian Consumer Law means the Competition and Consumer Act 2010 (Cth).
- Domestic Use means use of the Product for personal, domestic or household purposes.
- Kleenmaid means Compass Capital Services Pty Ltd ABN 96 138 214 525 trading as Kleenmaid.
- Mainland Australia means the following States and Territories of Australia: New South Wales, Victoria, South Australia, Western Australia, Queensland, Tasmania, Northern Territory, Australian Capital Territory.
- Product means the appliance sold by Kleenmaid to you as evidenced by the original purchase invoice.
- Warranty Period means the period of 60 months for domestic use, 12 months for non-domestic use or such alternative period as may be specified.
UPDATE NOTICE: This Kleenmaid Warranty is current as at 1 January 2019 but is subject to variation from time to time. For the latest version of the Kleenmaid Warranty, please see our website http://www.kleenmaid-appliances.com.au/support/your-kleenmaid-warranty or phone us on (02) 9310 1207.
Other products available in the Kleenmaid range of appliances
- Washing machines
- Clothes dryers
- Dishwashers
- Ovens
- Cooktops
- Steam ovens
- Microwave ovens Built in espresso coffee machines
- Rangehoods
- Freestanding ovens
- Refrigerators & Freezers
- Beverage Serving Cabinets
- Water Dispensers Vacuum
- Cleaners
To register your warranty or make a warranty claim, scan this QR code:

http://www.kleenmaidwarranty.com.au/
Compass Capital Services Pty Limited trading as Kleenmaid ABN 96138214525
Level 2, 204 Botany Road Alexandria NSW 2015
Register your Kleenmaid
Appliances Warranty www.kleenmaidwarranty.com.au
Request a Warranty Service www.kleenmaidwarranty.com.au
E: [email protected]
Please download the current User Manual for this appliance at www.kleenmaid.com.au
![]()
RHGV90 V7



























