
www.goldwood.com
AAT50
SPEAKER SYTEM
FCC ID:2AD33-B6002
PLEASE NOTE: This unit is set on 2.1 mode
upon startup, please press the 2.1/5.1 button on the
remote control for 5.1 surround sound .
USER’S MANUAL
Package Contents:
1- Subwoofer Speaker
4- Satelltie Speakers
1- Center Channel Speaker
1- Remote Control
1- User’s Manual
1- 3.5mm to RCA Cable
1- RCA to RCA cable
Specifications:
Power: 1000 Watts Total System Power
Frequency Response: 20-20Khz
Power Supply: ~120V 60HZ
Subwoofer Dimensions (HxWxD): 14.45” x 9.09” x 13.58”
Satellite Speaker Dimensions (HxWxD): 41.34” x 4.09” x 2.28”
CEN Speaker Dimensions (HxWxD): 4.25” x 16.14” x 2.28”
Features:
- High quality 5.1 bluetooth multimedia speaker system
- Full Audio Spectrum Performance ideal for TV, Laptop, Gaming,Smart Phone or Tablet
- Specially designed woofer for bass and resolution
Front Panel:
| 1. ST-BY/ PLAY PAUSE 2. NEXT 3. – VOL + 4. SOURCE 5. PREVIOUS | ![]() |
ST-BY/Play/Pause: Press to turn on system, press and hold to standby. Play/ Pause in USB/ SD/ BT mode.
NEXT: Press once in USB/ SD/BT mode to play next song.
VOLUME +/-: Volume Down and Up
SOURCE: Press to change the input mode PREVIOUS: Press once in USB/SD/BT mode to play previous song.
Remote Control Function:

- ST-BY: Turn on/ Standby the Speaker
- SOURCE: Select your input mode – AUX/DVD/USB/SD/BT
- BLUETOOTH: When you enter BT mode the digital display will flash while searching for your bluetooth device. find the “BT Speaker” and pair your device to the speaker. When connected, digital display will stop flashing. Volume, Previous, Next, Play and Pause will function on the front panel in BT mode. Force disconnect by pressing play/pause.
- AUX: press to to go to AUX mode
- VOLUME +: Increase the volume
- PREVIOUS: Press to play the previous song
- VOLUME – : Decrease the volume
- NUMBERS 0-9: Use numbers to choose your desired track
- MUTE: Suspend all sound
- 2.1/5.1: Press once to utilize 2 front speakers, press twice to utilize all 5 satellite speakers
- USB/SD: Press to go to USB or SD card input mode
- DVD: Press to go to DVD input mode
- PLAY/PAUSE: Play or pause the track
- NEXT: press to go to the next song
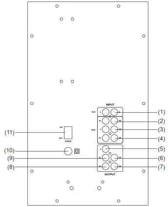
Rear Panel:

| 1. AUX INPUT 2. FL/FR INPUT 3. C/SW INPUT 4. SL/SR INPUT 5. C OUTPUT 6. FR OUTPUT | 7. SR OUTPUT 8. SL OUTPUT 9. FL OUTPUT 10. AC POWER SUPPLY CORD 11. POWER ON/OFF |
System Connections:

- Insert all satellite speaker cables into their respective outputs on the rear panel of the subwoofer speaker. FR- front right, FL Front left, SR- surround right, SL- surround left, and CEN – center speaker.
- Please use RCA Inputs to connect to your DVD player and gaming console.
- Please use included 3.5mm- RCA cable and insert into the AUX input to connect your phone, tablet or computer.
- After making all connections, plug subwoofer speaker power cable into the wall outlet of ~120V 60Hz.
Assembly of Tower Speakers
Satellite tower speakers come unassembled to avoid damage while shipping.
Please read the following instructions carefully to assemble the tower speakers.
Package Includes:
- (4) tower speakers
- (1) center speaker
- (4) black tower speakers
- (4) tower bases
- (4) small washers
- (4) black bolts
You will need:
1 head screwdriver
*Note: if you are missing any pieces, please contact the dealer where you purchased the product
- Connect the base to the silver pole by placing the washer on the bottom of the base aligned with the hole in the center. Push the bolt through the washer and the hole on the bottom of the base. Place speaker on the top of the base. Hold speaker and start screwing the bolt into the ridged hole of the speaker. Finish and tighten with a head screwdriver.
- Use speaker wire to connect 2 tower speakers (FL and FR) and 1 center channel (CEN) to their respective inputs on the back of the subwoofer. Make sure the wire is inputed correctly on the back of the speaker (red [positive] is used for the positive speaker wire, indicated by markings on the wire and black [negative] is
used for the negative speaker wire) . - Use speaker wire to connect 2 tower speakers(S L and SR)to their respective inputs on the back of the subwoofer making sure wire is inputed correctly on the back of the speaker(see step 4).
- Once all speakers are connected, position the FL and FR speakers in front of the listener facing inward and CEN speaker atop or in front of the subwoofer.
Position SL and SR speakers behind the listener facing inward. Power ON system See page 8 for troubleshooting help. To use FL, FR and CEN speakers only use 2.1mode.To use all 5 speakers use 5.1 surround mode.
Troubleshooting
System is not powering on?
- Switch power button on and verify if the LED indicator is illuminated
- Confirm that the AC plug is plugged in and that there is power to that outlet.
Speaker(s) do (es) not produce sound?
- Verify the system is getting power and check above steps
- Make sure the volume is turned up to an audible listening level and your device is not on mute.
- Verify that all cables are plugged into the correct jacks
- Try connecting your system to another device. If the system works correctly with the other device, then your first device is most likely the cause of the problem.
Sound is distorted or not clear?
- Low quality compressed music files will increase the distortion and noise that are easily noticed with amplified speakers. Recheck the sound quality with a non
compressed music file. - Check the device level and decrease the volume if necessary. You should never have your audio source volume above 90% volume level to minimize distortion.
FCC Caution
This device complies with part 15 of the FCC Rules. Operation is subject to the following two conditions: (1) this device may not cause harmful interference, and (2) this device must accept any interference received, including interference that may cause undesired operation.
Any changes or modifications not expressly approved by the party responsible for compliance could void the user’s authority to operate the equipment.
NOTE: This equipment has been tested and found to comply with the limits for a Class B digital device, pursuant to Part 15 of the FCC Rules. These limits are designed to provide reasonable protection against harmful interference in a residential installation. This equipment generates, uses and can radiate radio frequency energy and, if not installed and used in accordance with the instructions, may cause harmful interference to radio communications. However, there is no guarantee that interference will not occur in a particular installation. If this equipment does cause harmful interference to radio or television reception, which can be determined by turning the equipment off and on, the user is encouraged to try to correct the interference by one or more of the following measures:
- Reorient or relocate the receiving antenna.
- Increase the separation between the equipment and receiver.
- Connect the equipment into an outlet on a circuit different from that to which the receiver is connected.
- Consult the dealer or an experienced radio/TV technician for help.
To maintain compliance with FCC’s RF Exposure guidelines, This equipment should be installed and operated with minimum distance between 20cm the radiator your body: Use only the supplied antenna.




















