hoymiles HMS-2000-4T Microinverter

HMS-2000/1800-4T Quick Installation Guide
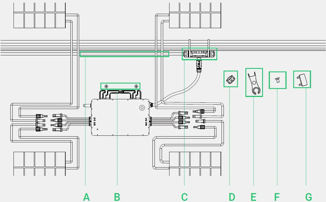
Accessories
| Item | Description |
| A | AC Trunk Cable, 12/10 AWG Cable |
| B | M8*25 screws |
| C | AC Trunk Connector |
| D | AC Trunk Port Cap |
| E | AC Trunk Port Disconnect Tool |
| F | AC Trunk End Cap |
| G | AC Trunk Connector Unlock Tool |

*Note: All accessories above are not included by the package, will need to be purchased separately. Please contact our sales representative for the price (M8 screws will need to be prepared by installer-self).
Installation Steps
The order of Step 1 and Step 2 can be reversed according to your planned needs.
Step 1. Plan and install the Microinverter
- Mark the position of each microinverter on the rail, according to the PV module layout.
- Fix the screw on the rail.
- Hang the microinverter on the screws, and tighten the screws. The silver cover side of the microinverter should be facing to the panel.

Note:
- Install the microinverter and all DC connections under the PV module to avoiding direct sunlight, rain exposure, snow layup, UV etc.
- Allow a minimum of 2 cm of space around the microinverter enclosure to ensure ventilation and heat dissipation.
- Mounting torque of the 8 mm screws: 9 N·m, do not over torque.
Step 2. Plan and build the AC Bus Cable
AC Trunk Cable is used to connect the microinverter to distribution box.
- Select the appropriate AC Trunk Cable according to the spacing between microinverters. The connector spacing of the AC Trunk Cable should be close to spacing between microinverters to ensure that they can matched. (Hoymiles provides AC Trunk Cable with different AC Trunk Connector spacing)
- Determine the number of microinverters in each AC branch, then plan the AC Trunk Cable with the corresponding number of AC Trunk Connectors.
- Take the required length from the whole box AC Trunk Cable and make each AC Trunk Cable.
- Disassemble the AC Trunk Connector and remove the cable
- Uses the AC Trunk Connector Unlock Tool to unlock the connector upper cover;
- Loose the three screws with the screwdriver. Untighten the cap, and remove the cable;

- Install the AC Trunk End Cap at one side of AC Trunk Cable (The end of AC Trunk Cable)
- Insert the AC Trunk End cap and screw the cap back to port, then tighten the cap.
- Plug the upper cover back to the Trunk connector.

- Install AC end cable on the other side of AC Trunk Cable (connected to the distribution box)
- Unlock the port upper cover, loose the screws with the screwdriver and remove the extra cable.(If there is no cable at this side, skip the cable removal)

- Prepare a suitable length of AC cable to connect to the distribution box, with stripping requirements.

- Insert cable into the cap. Match the L, N and PE into the corresponding slot.
- Tighten the screws, and then tighten the cap back to the port.

- Plug the upper cover back to the Trunk connector
Note:- Tighten torque of the cap: 4.0±0.5N·m, do not over torque.
- Torque of locking screw:0.4±0.1N·m.
- Take care not to damage the sealing ring in the AC Trunk Connector during disassembly and assembly.
- Unlock the port upper cover, loose the screws with the screwdriver and remove the extra cable.(If there is no cable at this side, skip the cable removal)
- Use the above method to make all the AC Trunk Cables you need, then layout the cable on the rail in the suitable position so that the microinverters can be connected to the Trunk connectors.
- Attach the AC Trunk Cable with the mounting rail and fix the cable by tie wraps.

Step 3. Complete the AC Connection
- Push the AC Sub Connector from microinverter to the AC Trunk Connector until you hear “click”.

- Connect the AC end cable to the distribution box, and wire it to the local grid network.
- If there is any vacant AC Trunk Port, please plug the AC Trunk Port Cap on the vacant port to ensure for the water and dust prove.

Note:
- Ensure that the AC Trunk Connectors are secured away from any water-channeling surface.
- Under the circumstance that need to remove the inverter AC cable from AC Trunk Connector, please use the AC Trunk Port Disconnect Tool and insert the tool into the side of AC Sub Connector to remove.

Step 4. Create an Installation Map
- Peel the removable serial number label from
each microinverter. - Affix the serial number label to the respective location on the installation map (Please refer to the appendix for the installation map).

Step 5. Connect PV Modules
- Mount the PV modules above the microinverter.
- Connect the PV modules’ DC cables to the DC input side of the microinverter.

Note: Please use DC extension cables when modules are installed in single row.
Step 6. Energize the System
- Turn on the AC breaker for the branch circuit.
- Turn on the main AC breaker for the house. Your system will start to generate power after about two-minute wait time.
Step 7. Monitoring System Set Up
Refer to the DTU User Manual or DTU Quick Install Guide, and Quick Installation Guide for S-miles Cloud to install the DTU and set up monitoring system.
Product information is subject to change without notice. (Please download reference manuals at www.hoymiles.com).
© 2020 Hoymiles Power Electronics Inc. All rights reserved.


























