Warmup 3iE Energy-Monitoring Thermostat

INTRODUCTION
The 3iE thermostat is designed to aid in the comfort of your home by providing timed regulation of your Warmup floor heating system. The thermostat is designed to receive temperature input signals from the following sensors:
- Air sensor located inside the thermostat
- Floor sensor installed in the floor to be heated (see Warmup heating product instructions for details)
- Optional 2nd sensor (either installed in floor or outside house)
The thermostat is not a safety device and should only be used with Warmup heating products. In order to avoid damaging your flooring the correct floor type should be selected during the thermostat programming process.
WARNING – Important safety note
This product uses mains voltage electricity and work should only be carried out by a qualified electrician. You should always isolate the power supply before attempting to install or repair the 3iE thermostat. Thethermostat should not be put into operation unless you are certain that the entire heating installation complies with current general safety requirements for electrical installations. Electrical installation to be in accordance with latest local electrical wiring code and appropriate Statutory Regulations.
Technical Specifications
Dimensions in inches

IMPORTANT NOTICES
FCC Notice
This device complies with Part 15 of the FCC Rules. Operation is subject to the following two conditions:
- this device may not cause harmful interference, and
- this device must accept any interference received, including interference that may cause undesired operation.
Warning: Changes or modifications to this unit not expressly approved by the party responsible for compliance could void the user’s authority to operate the equipment.
NOTE: This equipment has been tested and found to comply with the limits for a Class B digital device, pursuant to Part 15 of the FCC Rules. These limits are designed to provide reasonable protection against harmful interference in a residential installation. This equipment generates, uses, and can radiate radio frequency energy and, if not installed and used in accordance with the instructions, may cause harmful interference to radio communications. However, there is no guarantee that interference will not occur in a particular installation. If this equipment does cause harmful interference to radio or television reception, which can be determined by turning the equipment off and on, the user is encouraged to try to correct the interference by one or more of the following measures:
- Reorient or relocate the receiving antenna.
- Increase the separation between the equipment and receiver.
- Connect the equipment into an outlet on a circuit different from that to which the receiver is connected.
- Consult the dealer or an experienced radio TV technician for help.
WET AREAS
Install the thermostat a minimum of 5ft away from showers, tubs and other sources of splashing water.
INSTALLATION
To install your thermostat on the wall, you’ll need a 4″x4″x2-1/8″ square back box with a single gang mud ring (also called plaster ring).
Opening the thermostat
- Separate the front housing of thermostat as shown on the picture
- Unscrew both closing screws (at the bottom) until they don’t turn any further.
- Release front housing by gripping lower half of outer frame and pulling outwards then upwards. Place front housing somewhere safe.
Placing the back box
- Open the back box and create openings by pushing one or two holes.
- place the rear part into the wall where you’ve chosen to place the thermostat.
- With 2 screws, secure the back of the 3iE to the face of the electrical box (see picture on opposite page).
Connecting wires
- Attach the sensor wires into the thermostat following the instructions on page 8.
- Check to ensure that you have all the following wires connected to the back panel of the thermostat:
- Power lead (Line 1 and Line 2 )
- Heater wire (Line 1 and Line 2)
- Floor sensor
- External/ 2nd floor Sensor (if necessary)
- Complete wiring as explained on the following pages.
- Pull wires into the electrical box.
IMPORTANT
Ensure that multi-strand wires are fully inserted into twist-on wire connectors (wire nuts) and secured tightly. Any loose strands should be trimmed as they could cause a short circuit.
Mounting the thermostat
- Close the electrical back box by screwing the front part (already attached to the back module of the thermostat) onto the rear part installed into the wall.
- Ensure that the thermostat is straight before tightening completely.
- Replace the thermostat’s front housing;
- align and sit front housing on to hinges,
- and push lower half of front housing until you hear a ‘click’.
- ensure front housing is securely fixed and insert the retaining screws.
- Tighten both retaining screws.
Note: Do not obstruct the thermostat’s vents.
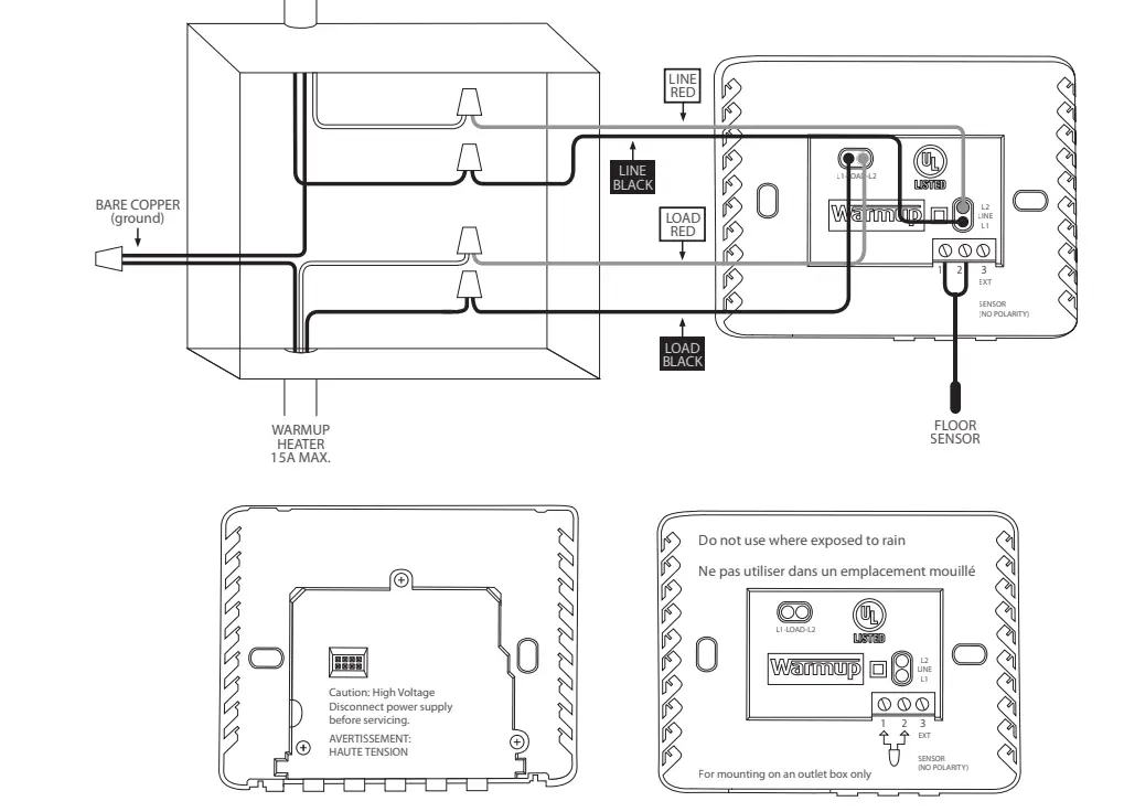
ELECTRICAL WIRING
Connect the power base wires to the power supply and load using twist-on wire connectors for copper wires (see diagram below), as supplied in the packaging box.
- Connect the power line to the thermostat line cables marked L1 and L2.
- Connect the heating cable to the thermostat load cables marked Load 1 and Load 2. (max 15 amps)
- Connect to 1st wire of floor sensor to terminal 1 (color not important)
- Connect to 2nd wire of the floor sensor to terminal 2 (color not important)
NOTE: All cables and connections must be carried out by a qualified electrician and must conform to the local electrical code.

POWERING UP & ERROR MESSAGES
Specific wiring
Second sensor installation (2nd-floor probe or exterior probe)
- Connect to 1st wire of external sensor (2nd-floor sensor) to terminal 2
- Connect to 2nd wire of the external sensor (2nd-floor sensor) to terminal 3
Master/Relay installation (connecting 2 stats together)
- Connect from terminal 3 on the “master” to terminal 3 on the “relay” thermostat.
- Connect from terminal 2 on the “master” to terminal 2 on the “relay” thermostat.
NOTE: The “relay “ thermostat will no longer use its own floor sensor for thermal regulation. It will turn/off in tandem with the master thermostat.
Powering up
You can now power up the thermostat and begin the programming process. An easy-to-follow menu will guide you through the programming. If you want to turn on / off the thermostat and heating system, hold down the recessed button on the bottom of the stat for 3 seconds. It is important to test the GFCI for correct installation and function. Testing can only be carried out while the thermostat is calling for heat (see operating instructions for details). When you have ensured that both the floor sensor, heating elements, and the GFCI are working correctly you can complete the installation of floor covering and remove the protective cover on the front of the thermostat.
Errors messages
| Errors messages | |
| heater error | This will occur if the heating system is not correctly connected to the thermostat |
| overload | This will occur if more than 15 Amps have been connected to the thermostat |
| er1 | This will occur if no floor sensor is detected |
| er2 | This will occur if the floor sensor has a short circuit. |
| ground fault message | This will occur if a ground fault is detected |
WARRANTY
Warmup Inc warrants this product, to be free from defects in the workmanship or materials, under normal use and service, for a period of three (3) years from the date of purchase by the consumer. If at any time during the warranty period, the product is determined to be defective, Warmup shall repair or replace it, at Warmup’s option. If the product is defective, please either,
- return it, with a bill of sale or other dated proof of purchase, to the place from which you purchased it, or
- contact Warmup. Warmup will determine whether the product should be returned, or replaced.
This warranty does not cover removal or reinstallation costs, and shall not apply if it is shown by Warmup that the defect or malfunction was caused by damage that occurred while the product was in the possession of a consumer. Warmup’s sole responsibility shall be to repair or replace the product within the terms stated above. WARMUP SHALL NOT BE LIABLE FOR ANY LOSS OR DAMAGE OF ANY KIND, INCLUDING ANY INCIDENTAL OR CONSEQUENTIAL DAMAGES RESULTING, DIRECTLY OR INDIRECTLY, FROM ANY BREACH OF ANY WARRANTY, EXPRESS OR IMPLIED, OR ANY OTHER FAILURE OF THIS PRODUCT. THIS WARRANTY IS THE ONLY EXPRESS WARRANTY WARMUP MADE ON THIS PRODUCT. THE DURATION OF ANY IMPLIED WARRANTIES, INCLUDING THE WARRANTIES OF MERCHANTABILITY AND FITNESS FOR A PARTICULAR PURPOSE, IS HEREBY LIMITED TO THE THREE-YEAR DURATION OF THIS WARRANTY. This warranty does not affect your statutory rights. PLEASE REGISTER YOUR WARMUP PRODUCT AT: www.warmup.com (USA) or www.warmup.ca (CANADA)
OPERATING YOUR THERMOSTAT
You can view or download the programming manual from our website at:
For more information about the 3iE, please also check
Warmup Inc
52 Federal Road Unit 1F Danbury, CT 06810
USA T: 888-927-6333 F: 888-927-4721
[email protected]
www.warmup.com
4 Robert Speck Parkway, Suite 1500, Mississauga, ON L4Z 1S1 Canada
T: 888-5-WARMUP (92-7687)
F: +1-905-366-7324
Email: [email protected]
www.warmup.ca





















