KAYOBA 008053 Bilge Pump

SAFETY INSTRUCTIONS
- Read the instructions carefully before use. Save them for future reference.
- The pump is intended for pumping stationary freshwater or saltwater. The user must accept responsibility for any consequential damage if the pump is used for liquid other than water.
- The pump is spark protected.
SYMBOLS
- Read the instructions.
- Approved in accordance with the relevant directives.
- Recycle discarded products as electrical waste.
TECHNICAL DATA
- Connection 19 mm
- Flow 43 L/min
- Size 110 x 77 x 70 mm
- Voltage 12 V
- Output 30W
DESCRIPTION
- Wire connection
- Motor bracket
- Oil seal
- Impeller
- Filter
- Pump cover
- Self-tapping screw
- Motor
- Casket
- Motor casing
FIG. 1
- Pump
- To outlet over the water line
- Screw
- Filter base with snap fastener
- Adapter
- Switch
FIG. 2
INSTALLATION
INSTALLING THE PUMP
Decide where to put the pump. If only one pump is used, put it where the water is deepest when the boat is still. The pump should be installed so that the hose can be fully emptied. The hose should be routed horizontally or up, without coiling or bends where water can collect.
- Loosen the filter from the pump by pressing in the tabs on the side of the pump.
- Position the filter so that the outlet hose can be connected at a suitable angle.
- If the filter is to be installed on wood, fasten it with stainless screws.
- If the filter is to be installed on fibreglass, first fit a piece of wood and then fasten the filter on the wood.
- Fit the pump on the filter by pressing it on the two fasteners until it clicks. The pump can be positioned in the required direction on the fasteners.
IMPORTANT:
Never run the pump without the filter.
NOTE:
The pump will not be damaged if connected to a hose with a smaller diameter. This will, however, reduce the flow.
CONNECT HOSE
- Connect a hose with ID 3/4″, 17/8″, 11/2″ or 2″ to the outlet and lock with a stainless steel clip. We recommend using a hose that will not bend sharply or kink.
- If the pump is connected to an existing hose with another diameter it is possible to use an adapter if it is difficult to change the hose.
FIG. 3 NOTE: 
- The hose should be routed horizontally or up, without coiling or bends where water can collect, so that the hose can be fully emptied.
- For most installations, a hose with ID 19 mm should be drawn through the hull to achieve maximum pump flow. Pump will not be damaged if connected to a hose with a smaller diameter. This will, however, reduce the flow.
Installation through hull
- For most installations, a hose with ID 3/4″, 11/8″, 11/2″ or 2″ should be drawn through the hull to achieve nominal pump flow. The hole through the hull should be placed at least 30 cm over the water line to prevent water from coming in when the pump is switched off.
- For installation on the stern, the hole should be placed so that it never comes below the water line.
CABLE ROUTING
- Place all cable connections as high as possible above the water level. Protect with marine sealant.
- Fasten the cables with insulated clips or plastic cable ties.
- Use a fuse for the positive lead from the battery
- A panel switch with a built-in fuse holder can be used.
- Only use a fuse of the correct size.
- Connect the brown lead on the pump to the positive terminal on the battery. The pump must be connected with the correct polarity, otherwise, it will run backward.
- Check that the impeller rotates in the direction of the arrow on the bottom of the pump by looking in the inlet opening. Never poke your fingers or other objects in the inlet opening.
NOTE:
- Use leads with a cross-sectional area of at least 1.3 mm•.
- If the pump is placed more than 6 m from the battery, leads with a cross-sectional area of at least 2.1 mm• should be used.
- Leads with a smaller cross-sectional area can overheat and result in a voltage drop and reduced pumping capacity.
Fuse
- The positive lead from the battery should be fitted with a fuse.
- A panel switch with a built-in fuse holder can be used. Only use a fuse of the correct size.
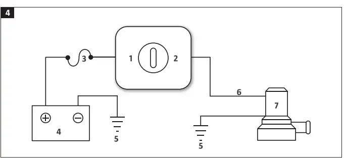
Wiring diagram
Connection for manual operation
Manual operation is simple, but the pump can only be started and stopped. This means that the pump is often run for longer than necessary.
- On
- Off
- Fuse
- Battery
- Earth
- Brown wire
- Pump
FIG. 4 
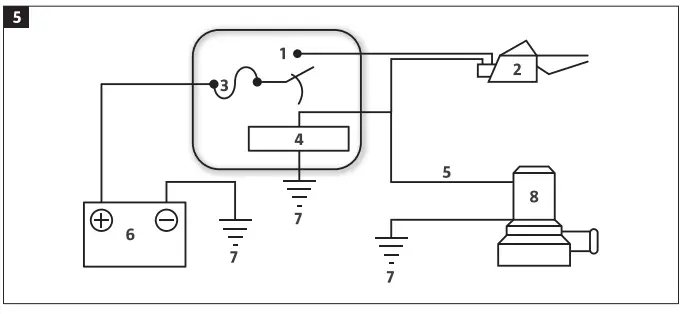
Connection for automatic operation
Automatic operation keeps the boat bilge pumped even when no one is there. The pump and battery will last longer because the pump is only working when necessary. An automatic system can also be fitted with a panel switch for manual operation, with automatic return to off mode, which means that the pump can never be unintentionally left running.
- Alternating switch
- Automatic switch
- Fuse
- Red light
- Brown wire
- Battery
- Earth
- Pump
FIG. 5 
CHECK
The pump must be connected with the correct polarity otherwise it will run backwards, which will considerably reduce the flow of water. For the correct polarity the brown lead on the pump must be connected to the positive terminal on the battery. Look through the inlet opening and check that the impeller rotates in the direction shown by the arrow on the base plate. Never poke your fingers or other objects in the inlet opening.
MAINTENANCE
STORAGE
- The pump is not affected by temperatures below 0°C, but cannot be used if it is frozen or surrounded by ice.
- Never attempt to start the pump if it is frozen or surrounded by ice.
TROUBLESHOOTING























