KAYOBA 650461 Bilge Pump Instruction Manual
SAFETY INSTRUCTIONS
Read the operating instructions carefully before use!
Save them for future reference.
- The pump is designed to remove standing fresh or salt water. If the pump is used for a fluid other than water, the.user is responsible for any consequential damage.
- The pump is spark protected.
WARNING!
The pump cannot run dry for more than 10 seconds!
TECHNICAL DATA
Connection: 29 mm
Flow: 100 l/min
Dimensions: B130xH150xD110 mm
Power cord length: 1 m
Voltage: 12 V
Output power: 120 W
DESCRIPTION
- Cable
- Cable connection
- Pump housing
- Seal
- Motor
- Cover
- Oil seal
- Impeller
- Lock ring
- Pump cover
- Self-tapping screw
- Strainer base

- Pump
- To the outlet above the waterline
- Screw
- Strainer with snap fastener
- Adapter
- Switch

INSTALLATION
Install the pump
NOTE
- The bilge pump must be installed at the lowest part of the hull.
- The strainer base must be installed correctly before the pump is installed and started.
- Loosen the strainer base from the pump by pressing in the snap fasteners on the side of the pump.
- Position the strainer base so that the outlet hose can be connected at a suitable angle.
- Screw the strainer base in place according to the description below:
- Installation on wood: fasten with stainless steel screws.
- Installation on glass fibre: first install a piece of wood and then secure the strainer base to the wood with stainless steel screws.
- Install the pump on the strainer base using the two snap fasteners.
Connect the hose
NOTE:
- The hose should be routed horizontally or upwards, without loops or bends where water can stagnate, so that the hose can be emptied completely.
- For most installations, a hose with an 29 mm ID should be routed through the hull to give maximum pump flow. The pump will not be damaged if connected to a hose with a smaller diameter.However, the flow will be less
- Connect a hose with a 29 mm ID to the outlet connector and secure with a stainless steel clip.
- Place the hole for hose routing through the hull at least 30 cm above the waterline, to prevent water from entering when the pump is turned off.

Cable routing
NOTE:
- Use cables with a cross sectional area of at least 1.3 mm².
- If the pump is placed more than 6 m from the battery, the cables must have a cross sectional area of at least 2.1 mm².
- Conductors with a too small cross section can overheat and cause a voltage drop and reduced pump capacity
- Place all cable connections as high as possible from the water level. Protect using a marine-approved sealant.
- Secure the cables with insulated clips or plastic cable ties.
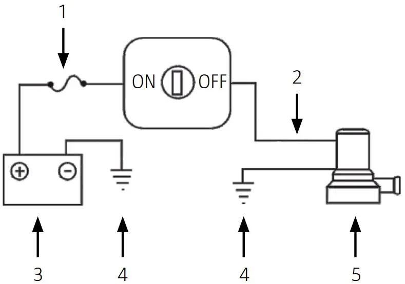
- Fit the positive cable from the battery with a fuse.
- The panel switch with integrated fuse holder can be used.
- Only use a fuse of the correct size.
- Connect the pump’s brown connector to the positive battery terminal. The pump must be connected with the correct polarity, otherwise it will run backwards.
- Check that the impeller rotates in the direction indicated by the arrow on the pump base by looking into the inlet opening. Never insert your fingers or other objects in the inlet opening.

- Fuse
- Brown cable
- Battery
- Earth
- Pump
MAINTENANCE
TROUBLESHOOTING
| Problem | Possible cause | Action |
| Small flow | Clogged valve | Clean the outside of the strainer and clear the area around the impeller, if necessary. |
| Blocked outlet pipe. | Backwash the pipe to clear it. | |
| Low battery voltage. | Check the battery voltage and charge the battery, if necessary. | |
| Creased outlet hose. | If the hose must be rerouted with sharp bends, use a hose that will not crease. | |
| The pump gives no water | Cable connections | Check that all the connections do not show signs of corrosion. Carefully pull each conductor to ensure it is correctly fitted. Make sure that no cables hang down into the water. |
| Tripped fuse | Check that the fuse is the right size. Check through the inlet opening that the impeller is not blocked. | |
| Cable overheated Melting insulation | Combination of blocked impeller and wrong fuse size | Check that the impeller is not blocked and rotates freely. Use a fuse of the correct size. Replace damaged cables and/ or switch. |
| The fuse trips repeatedly | Incorrect fuse size or blocked impeller. | Use a fuse of the correct size. Check that the impeller is not blocked by fishing line or the like. |
STORAGE
- The pump is not affected by temperatures below 0 °C, but it cannot be used if ice-bound or surrounded by ice.
- Never try to start the pump if it is ice-ice-bound or surrounded by ice.























