iLOQ N500 Net Bridge Online Planning System

Important – read this first
This document
This document provides planning instructions, installation examples and connection diagrams for the iLOQ 5 Series Online System. It is intended to be used to help planning iLOQ 5 Series Online System layout and to calculate the maximum amount of bus devices. These examples are mainly for the installation of a system with a single iLOQ N500 Net Bridge. Systems with several net bridges are possible and the same principles apply for each net bridge in the system. This document does not cover the iLOQ HOME solution that can also be used to remotely control iLOQ 5 Series Online doors.
General information and safety
The iLOQ N500 Net Bridge acts as a link between the iLOQ server and the door modules and other bus devices. The iLOQ N500 Net Bridge should be installed in a secure interior space, such as a technical room, that is equipped with an Ethernet connection and an AC outlet. The net bridge acts as the host for the iLOQ N502 Online Door Modules, iLOQ NFC Readers and iLOQ N507 Online I/O Modules which do not work independently. The door module is a bus device installed in the vicinity of a door. The door module controls the devices installed in the door, such as lock cylinders, readers, electronic locks, electric strike plates, magnetic locks, etc.
For help and more information about the iLOQ 5 Series Online System, please visit support.iloq.com. If needed, please contact your iLOQ representative for case-specific calculations and other cabling options.
Safety signs
| Sign | Description |
![]() | General notice sign. Indicates particularly important information. |
Main components of the iLOQ 5 Series Online System
| Product | Description |
![]() | N500 Net Bridge The iLOQ N500 Net Bridge acts as a central unit of the iLOQ Online system. The iLOQ N500 Net Bridge is connected to a network and, via bus wiring, to door modules. With one net bridge, it is possible to handle a theoretical maximum of 32 bus devices (cylinders, door modules and readers combined). Maximum power consumption per device 3 W. |
![]()
| N501 4G Standalone Door Module The iLOQ 4G Door Module is a standalone device and it is connected to the server via an LTE connection. The location of the door module should be in close proximity to the door. The maximum cable length from the door module to an iLOQ Cylinder or an iLOQ NFC Reader is 10 m. The door module contains two relays with individual functions that can be edited in the iLOQ Manager. At the connected door / magnet contact, the door status is obtained as open / closed. Maximum power consumption per device 3 W. |
![]()
| N502 Online Door Module The iLOQ N502 Online Door Module is connected to the iLOQ N500 Net Bridge via RS485 bus wiring. The location of the door module should be in close proximity to the door. The maximum cable length from the door module to an iLOQ Cylinder or an iLOQ NFC Reader is 10 m. The door module contains two relays with individual functions that can be edited in the iLOQ Manager. At the connected door / magnet contact, the door status is obtained as open / closed. Maximum power consumption per device 1 W. |
![]()
| N507 Online I/O Module The iLOQ N507 Online I/O Module contains 10 relays, 10 inputs and an iLOQ NFC Reader connection. The Online I/O Module can act as an individual relay card when it is programmed, or as an extension relay card to N507 when un- programmed. Maximum power consumption per device 3 W. |
| Product | Description |
|
| N504i/N505i/N506i NFC Reader The iLOQ NFC Reader can be connected either directly to the iLOQ N500 Net Bridge, iLOQ N502 Online Door Module or iLOQ N507 Online I/O Module. When connected to the iLOQ N502 Online Door Module or N507 Online I/O Module via a reader bus, it can, for example, open an electric lock, automated doors or elevator control panels. It is also possible to send tasks to it for updating the keys. When connected directly to the iLOQ N500 Net Bridge via the main bus, it works exclusively as a hotspot. Thus, it is possible to send update tasks to the hotspot, for example: key access rights and time restriction updates. Maximum power consumption per device: iLOQ N504i Door Reader: 1.5 W iLOQ N505i Wall Reader: 1.5 W iLOQ N506i Mini Reader: 2 W |
![]() | C5S.xx.xx Oval Cylinder* *Only available in Scandinavia. The iLOQ Cylinder is a self-powered digital lock cylinder without batteries. The required energy is generated when the key is inserted into the lock cylinder. The key and the lock cylinder communicate with each other through contact and the communication has a strong electronic encryption. The lock can be connected to a door module for remote control of access rights, time limitations and blocklists. |
![]() | Accessories • iLOQ power unit A10.132 • iLOQ NFC Reader mounting plates for surface wiring |
Device dimensions


Terminology
| Term | Description |
|
iLOQ Manager | All administration of the system is done via the iLOQ Manager software.
The iLOQ Manager controls users, programming keys, access rights, locks and keys. The system also generates an event log that stores all administrative events. The database is securely stored and backups are performed by following ISO/IEC 27001:2013 standard procedures. It is possible to download floor plans and place lock cylinders on the floor plans. This gives a very good overview for designing the locking system, but it is also very useful in daily programming tasks. |
|
Main bus | The RS-485 bus wiring is the main bus that enables the transfer of data and power to the connected bus devices. Bus communication is encrypted with AES-256 encryption in the device-to-device network. |
|
Branch | The iLOQ N500 Net Bridge has a main bus connector for six branches. This means that the main bus can be divided into six branches to provide more flexibility for wiring options. |
| Bus device | Each device connected to the bus is considered a bus device. |
| Reader bus | The reader bus is dedicated for communication between an iLOQ N502 Online Door Module and an iLOQ NFC Reader. |
| Internal bus (chain) | The internal chain bus of the N507 Online I/O Module is used to connect additional N507 slave cards into each other, but also to connect iLOQ NFC Reader into the main N507. |
| L1 & L2 bus | Dedicated bus/connector for iLOQ C5S.xx.xx lock cylinders. |
| Potential free relay output | K1 and K2 relays in the iLOQ N502 Online Door Module. |
| Lock device | Device connected to the K1 or K2 relay. |
| RFID | iLOQ NFC Readers can read RFID tags that can be programmed into iLOQ Manager as external tags (Keys). |
| NFC | Near Field Communication – Technology that iLOQ NFC Readers use to communicate with iLOQ Keys. |
iLOQ 5 Series Online System concept

Planning principles and bus specifications
The iLOQ N500 Net Bridge works as a central unit and it has one main bus. The bus can be divided into a maximum of six branches (see Table 1.). The branching must always start from the net bridge, where the bus devices can be connected to a series or into several branches. The maximum number of connected iLOQ bus devices depends on the chosen power supply, branch cable length and overall power consumption generated by the iLOQ bus devices and cable losses.
Calculating bus power:
- See Table 2. to check the iLOQ bus device power consumption of each device.
- Add up the power consumption of all the devices in a single branch to get the cumulative power consumption value.
- Use the calculation tool to check the overall power consumption of a single branch, including cable losses.
It is recommended to use double wiring to power the bus. This decreases cable losses, and, in turn, increases the number of iLOQ bus devices you can connect to the system.
If needed, please contact your iLOQ representative for case-specific calculations and other cabling options.
The chosen power supply determines the available bus power (see table 3.). Make sure that the available bus power is not exceeded.
Place the iLOQ N500 Net Bridge as close to the iLOQ bus devices as possible to minimize cable power losses. However, place the net bridge in a secure location such as a technical room.
Use the bus power only for powering iLOQ bus devices.
iLOQ bus cabling is not allowed to be used to transfer the bus traffic of another system or any external devices (e.g. electrical locks). If power is needed for an external device, you can branch the power from the supply connector of the DC power unit. Do not use the iLOQ N500 Net Bridge or N502 Online Door Module connectors. Make sure that the rated capacity of the power supply is sufficient to handle the additional load from the external devices.
| Table 1. Bus layout (for a single iLOQ N500 Net Bridge) | |
| Maximum number of branches | 6 |
| Maximum number of bus devices* | Depends on power consumption |
| Maximum single branch length | 300 m |
| Maximum door cable length | 10 m |
* Verify with the calculation tool.
| Table 2. iLOQ bus device power consumption | Value |
| iLOQ N500 Net Bridge | 3 W |
| iLOQ N502 Online Door Module | 1 W |
| iLOQ N507 Online I/O Module | 3 W |
| iLOQ N504i NFC/PIN Door Reader | 1.5 W |
| iLOQ N505i NFC/PIN Wall Reader | 1.5 W |
| iLOQ N506i NFC Mini Reader | 2 W |
| Table 3. Max. available bus power (depending on power supply) | Value |
| PoE | 10 W |
| PoE+ | 20 W |
| DC | 30 W |
| Table 4. Cabling requirements | |
| Cable type* | MHS / JAMAK / KJAAM |
| Min. for single wiring* | 2 x 2 wires |
| Min. for double wiring** | 3 x 2 wires |
- The iLOQ Bus requires a minimum of 4 wires for the iLOQ devices. Please note that external devices may require more wires.
- Do not duplicate the data pair.
Bus power supply options and max. available bus power:

Installation options
iLOQ N502 Online Door Module
N500 Net Bridge with N502 Online Door Module

iLOQ N507 Online I/O Module
N500 Net bridge with N507 Online I/O Module

System configuration examples
The following examples have been tested and proven for different wiring and device configurations. Always use the calculation tool to make sure that the designed configuration meets the bus requirements.
One branch configuration
This example shows one branch configuration (1×100 m). The branch has 6 bus devices: 6 readers and 6 door modules.
- Each pair of devices (NFC reader and door module) has a total power consumption of 2.5 W.
- The total combined power consumption is approx. 15 W when all bus devices are counted together.

Three-branch configuration
This example shows three-branch configuration (3×100 m). Each branch has six bus devices: three readers and three door modules.
- Each pair of devices (NFC reader and door module) has a total power consumption of 2.5 W.
- The total combined power consumption is approx. 22.5 W when all bus devices are counted together.

Hotspot installation
An iLOQ NFC Reader connected directly to the main bus acts as a hotspot for updating keys.
- Note that the iLOQ NFC Reader cannot be the only device in the main bus. There has to be at least one programmed iLOQ N502 Online Door Module or iLOQ N507 Online I/O Module.
- Note that an iLOQ NFC reader connected to the main bus is always the last device of that branch (reader is terminated).

Door environment installation examples
Example A
An iLOQ N502 Online Door Module without an NFC reader, cylinders connected.

Example B
An iLOQ N502 Online Door Module with an NFC reader and an electric lock.

Example C
An iLOQ N502 Online Door Module with an NFC reader and a cylinder connected.

Example D
An iLOQ N501 4G Standalone Door Module with an NFC reader, oval cylinder and an electric lock.

Wiring
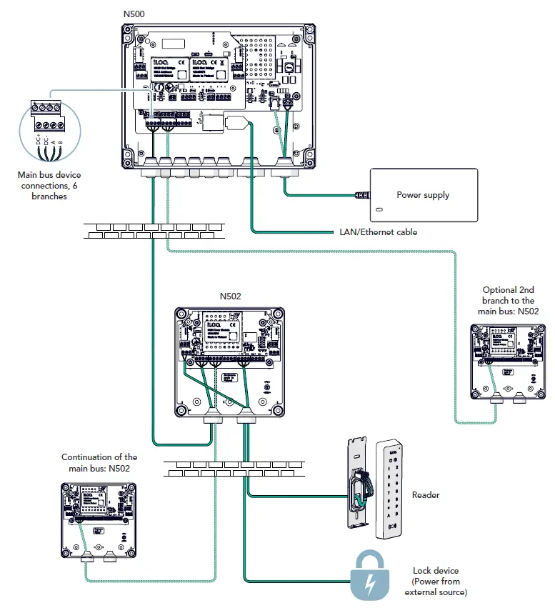
Example of wiring iLOQ N500-N502
Example of wiring iLOQ N500-N507

iLOQ N501 4G Standalone Door Module standard wiring

iLOQ
www.support.iloq.com Elektroniikkatie 10 90590 Oulu
Finland



























