Pharmaceutical Refrigerator
Operation Manual
Model: 2453704

- Read the Operation Manual carefully before using your appliance.
- Keep the Operation Manual in a safe place.
- The appearance, color, and layout of the door may vary.

Your trust from the beginning to end
The unit is equipped with computer control, digital display of the temperature of 0.1℃ accuracy and a temperature range of 2℃ to 8℃.
- Multi-fault alarm (high and low-temperature alarm, low battery alarm, power failure alarm, sensor error alarm, and door ajar alarm)
- Two-alarm methods(Audible buzzer alarm and flashing indicator alarm)
- All independent components are safely grounded

- The refrigeration system is optimized with high-quality hermetically sealed compressors and other components for high-efficiency performance.

- User-friendly design, computer control, smart and carefree, adjustment not required.
- High-performance thermal insulation.
- Electric heated glass door with multiple anti-condensation technologies.
- Automatic removal of condensate water.
Safety Precautions
Please make sure you have carefully read and observed the contents with the following signs in the manual, for a better understanding of this manual and better use of this product, so as to prevent personal injuries and refrigerator damage.
Ignoring this warning may result in serious injury
Ignoring this warning may result in serious injury, and/or damage to the refrigerator and property
Actions or operations which are prohibited
Actions or operations which must be followed

When there is a leak of flammable gas, shut off the feed valve of the gas. Open windows for ventilation and exhaust. Do not plug in your refrigerator or unplug your refrigerator as sparks in these processes can cause an explosion or fire.
We recommend the unit be installed by a professional to avoid any electrical hazard.
Place the refrigerator on solid and flat ground to avoid tipping the unit over to cause personal injury.
Only connect the refrigerator unit with a dedicated power outlet specified by the nameplate of the unit. This is to avoid fire or electric shock.
If the supply voltage is lower than 103 V or higher than 127 V, an automatic voltage regulator of at least 4,000 W should be installed with the refrigerator.
If the power cord needs to be lengthened, the cross-section area of the extension line’s conductor should be at least 2 mm² and the length of the extension cord should be limited to 3 m. This is to prevent electric fire or shock.
The power cord of the unit is equipped with a 16 A three-prong power plug. Do not remove the ground pin of the power plug under any circumstances. Make sure the plug is securely plugged into the power outlet to prevent fire.
The power socket must be equipped with a ground wire to prevent electric shock. If the socket fails to be grounded, the ground wire must be installed before the refrigerator is plugged in.
The refrigerator shall not conduct outdoor service. Electrical leakage or shock may be caused if wet by rainwater.
Do not place the refrigerator in humid places or places where the unit may get splashed on by water. This is to avoid electric shock due to the deterioration of insulation.
In case of a fire, do not pour water onto the refrigerator unit as a means to prevent electric shock or short circuit.
Do not place containers of water or heavy objects on the refrigerator. Falling objects may cause personal injury and overflown water may damage the insulation to cause electric shock and fire.
Do not ground the refrigerator through gas pipes, water supply pipes, telephone lines or lighting conductors. These types of connections can cause electric shock.
Do not touch electric parts such as power plugs or switches with wet hands to prevent electric shock.
When pulling the plug out of the power socket, hold the power plug instead of the power cable.
Pulling the cable can cause damage and personal injury.
Unplug the refrigerator unit if it malfunctions to avoid fire or personal injury.
Dismantling, repairing, and retrofitting a unit should only be performed by a professional to avoid personal injury.
Disconnect the refrigerator when repairs or maintenance are performed on the refrigerator to prevent electric shock or personal injuries.
Do not inhale airborne particles inside and near the refrigerator during routine maintenance. This is to avoid health hazards.
To avoid any potential danger to human health or the environment, the refrigerator should be used in safe regions to store toxic, harmful or radioactive particles.
If the refrigerator is to be decommissioned, unplug the power cord to avoid electric shock, current leakage, or fire caused by aged power lines.
If the refrigerator is left unused in an area where supervision is unavailable for a long time, make sure children are not near the unit and the door cannot be completely closed and locked.
The end-of-life disposal of a unit should only be performed by a professional. Remove the door to avoid accidents such as suffocation.
Do not store flammable, explosive, or volatile articles inside the refrigerator, and do not use flammable sprays nearby. This is to avoid an explosion or a fire.
Do not store corrosive articles such as acid or alkali in the refrigerator. These chemicals can damage internal components or electrical parts.
Do not place packaging plastic bags within the reach of children to prevent suffocation accidents.
Do not climb to the top of the refrigerator or place plastic bags on top of the refrigerator.
This is to prevent tip-over of the refrigerator, which can cause personal injury.
Do not use any metal objects such as iron nails or wires into holes, gaps, or vents for internal air circulation. This is to prevent personal injury due to contact of articles behind the holes.

Always check the settings in the controller after restarting a unit from a power outage or shutting off. Change of settings may cause damage to the products stored.
If the power is shut off, let the unit sit for 5 minutes before it is powered up again to avoid damaging the compressor or the system.
Wear gloves when performing maintenance to prevent personal injury as a result of sharp edges or corners.
Hold the knob when closing the door to prevent finger pinching.
The angle of inclination shall not be greater than 45°when handling the refrigerator.
Be aware of the danger of tripping when working with the refrigerator to avoid managing the unit or personal injury.
Do not use the doorknob to prevent refrigerator damage or personal injury.
Do not damage the refrigeration line.
Do not use electrical appliances inside the food storage compartments of the appliance, unless they are of the type recommended by the manufacturer.
Position the refrigerator to make sure the power plug is accessible.
The appliance must be placed on a solid and flat surface, or excessive vibration and noise may be produced when the appliance is in operation.
The appliance can be used by children aged 8 years and above and persons with reduced physical, sensory or mental capabilities or lack of experience and knowledge if they have been given supervision or instruction concerning the use of the appliance in a safe way and understand the hazards involved. Children shall not play with the appliance. Cleaning and user maintenance shall not be made by children without supervision.
If the power supply cord is damaged, it should be replaced by a qualified technician to avoid a hazardous condition.
Keep ventilation openings, in the appliance enclosure or in the built-in structure, clear of obstruction.
If your cabinet is to be discarded, you must remove the door and leave the shelves in place. This will reduce the possibility of danger to children. And the flammable foaming needs to be disposed of by professional persons.
CP/IP foaming materials are flammable, need professional processing.
Application guidelines
- The battery in the refrigerator may be low after the refrigerator has been in storage for a long time.
Turn on the battery charge switch when the unit is powered up to allow the battery to be recharged.
The battery will be in full capacity after about a week’s charging. - Before loading the refrigerators, make sure the unit is at the set temperature. Do not load in more than 1/3 of the storage volume to avoid thermally overloading the unit.
- The display on the panel shows the sensor temperature located in the refrigerator. It is not necessary the same as the temperature in the center of the refrigerator. The cabinet temperature will gradually reach an equilibrium state.
- Only clean the unit with light soapy water. Never use brushes, acids, gasoline, soap powders, polishing powders, or hot water to clean refrigerators as these materials may damage the interior painting and surface, parts, and components. Never wide plastic parts with volatile solvents such as gasoline.
- If the unit is to be stored for a long period of time, turn off the power switch and the battery charging switch.
- To reduce the possibility of temperature fluctuation in the refrigerator, please attempt to cut down the time to open the door to remove and load products.
- If the door is opened, the temperature of the refrigerator will warm up somewhat. That is normal.
- The temperature will recover to a stable condition in a short time.
- The refrigerator is designed to operate at a condition of 16 ℃ to 32 ℃ and humidity less than 85%RH. A small amount of condensation can occur on the surface of the unit if the actual condition is outside of this range. The storage temperature of the unit, however, is not impacted. To reduce the condensation, please improve the ventilation and drop the ambient temperature if possible.
- Only professional people should perform maintenance work.
- For HYC-610, when humidity is too high, the condensation phenomenon may happen at the cabinet mouth. Open the cover of the switchboard right side of the machine, turn on the heater switch, this can solve the problem. Otherwise, turn off the heater switch to save energy.
Meaning of crossed-out wheeled dustbin:
Do not dispose of electrical appliances as unsorted municipal waste, use separate collection facilities. Contact your local government for information regarding the collection systems available. If electrical appliances are disposed of in landfills or dumps, hazardous substances can leak into the groundwater and get into the food chain, damaging your health and well-being. When replacing old appliances with new ones, the retailer is legally obligated to take back your old appliance for disposals at least free of charge.
Product Installation
Installation environment
- Ambient temperature: 16 ℃ to 32 ℃, the range of 18 ℃ to 25 ℃ is optimal. An Air conditioning system is required as necessary.
- Ambient humidity: below 85%RH.
- Avoid excessive dust.
- Avoid mechanical vibration.
- The refrigerator shall operate at an altitude lower than 2000m.
- Input voltage: no greater than ±10% of rated voltage.

- The performance of the refrigerator is degraded if the operational conditions are beyond the specifications mentioned above.
- The unit should be installed indoors. Electric leakage or shock is possible if the unit gets wet from rainwater.
Installation site
- The installation site shall meet the following requirements for normal operation and best performance of refrigerator:
- Do not install the refrigerator in a narrow and confined space as heat may be trapped to increase ambient temperature. Additionally, the unit should not be installed in a space where the entry doorway is low to prevent an easy maneuver of the unit for maintenance and operation.
- The floor for the installation site should be solid and flat. It should also be well ventilated and free from direct sunshine.
- The power outlet for the refrigerator must be a dedicated power outlet. The power plug must be plugged into the outlet securely.
- Do not twist or jam the power cord.
- If the power cord needs to be extended, the cross-section area of the conductor in the extended line should be no less than 2 squared millimeters and no longer than 3 meters.
- Inspect the operating voltage range before operation. If the voltage supply is unstable, install a voltage stabilizer of 4000 W or greater to ensure the supply voltage is within 10% of the rated voltage supply.
- The refrigerator must be grounded reliably.
- Check the integrity of the socket ground before power-up. If it is not grounded appropriately, repair the wiring before installing the unit.
- Do not ground the refrigerator through gas lines, water lines, telephone lines, or lighting rods as these devices may cause electric shock and danger.

- The power plug and outlet should be located in a place where they can be accessed easily and immediately in case of an emergency. Air vents must be free of obstruction.
- The power plug can be accessed after installation to ensure the power line can be pulled out in a timely manner in emergency cases. The air vent shall be free from barriers.
Preparation before usage
1. Remove all packaging materials.
- For safety reasons, the equipment of HYC-940 is situated on a wooden pallet and secured by metal brackets. Please remove the screws and place the metal brackets under the unit. (Pic.1).

- Forklift or chartered buses are recommended for moving the refrigerator before unpacking. For the forklift, the refrigerator shall be accessed from the bottom of the wood bracket of the refrigerator box side.
For chartered buses, the refrigerator shall be accessed from the bottom of the wood bracket, and it can be clipped up from both sides of the box only. - The unit should not be tilted at an angle of more than 45 degrees.
2. Inspect standard accessories shipped with the unit
Inspect the accessories against the packing list. Should there be any discrepancy, contact the after-sale department.
3. Installation
Leave a minimum space of 10 cm around the refrigerator for ventilation and heat dissipation. (Pic.2).
4. Adjust the leveling leg
Rotate the leveling legs with a wrench clockwise to extend them out and secure them onto the ground. This is to make sure the refrigerator does not move during operation. (Pic.3).

5. Standing
Do not immediately power up the refrigerator after it is installed. Let the unit stand still for 24 hours and then power it up to ensure the unit works properly.
6. Installation of Shelves and Label strip
Take out the shelf, label strip, and rack fastener from the refrigerator. Fix the shelf fasteners on the liner plate at the appropriate distance and height. After mounting the shelf and label strip, place them on the shelf fastener and ensure the shelf is placed firmly. See Pic. 1
Initial Power-on
Follow the flow chart below to start the refrigerator.
While the refrigerator is empty, connect the power line to the appropriate dedicated socket and make sure the power supply in the socket matches the required voltage and frequency.
After the power is switched on, turn on the battery charging switch. The audible alarm is usually triggered. Press the buzzer to stop the alarm. The audible alarm continues to operate until the temperature of the sensor reaches 5℃±3℃.
The refrigerator has been preset to operate at 2~8℃ in the factory and it is not required to set temperature
It usually takes several hours for the refrigerator temperature to reach a stable condition. When the temperature becomes stable, inspect the actual temperature to make sure it matches the setpoint.
Turn on the light switch and ensure the light inside the freezer operates properly.![]()
When the refrigerator passes all the functional inspections, load in products in batches.

- This unit should be managed by a dedicated professional person. Operating conditions should be checked and recorded using appropriate methods. When the refrigerator
temperature is out of specification, take proper actions to protect the stored samples.
No products should be stored in the unit unless the unit operates without issues. - The refrigerator is a pharmaceutical refrigerator designed to operate within 2℃ to 8 ℃.
Make sure to store only products that fit this temperature range. - Due to the refrigeration effect, the displayed temperature may be somewhat different from the actual temperature and humidity. This is a normal process.
- Do not place any article in the space between the liner bottom and underbed the shelf of the refrigerator to avoid blocking of air duct which may affect the homogeneity of the temperature inside.

- Warm products should only be loaded into the units in batches to reduce the load to the cooling system. Overloading the system can cause the refrigerator temperature
to rise and the compressor to work under undesirable stress, which can shorten the life of the system. - Do not damage the refrigeration lines.
- Do not use an electrical apparatus in the refrigerator without proper approval.
Operation after Power Outage
The control parameters are stored in the control system in the refrigerator even there is a power outage. When the power recovers after the outage, the refrigerator continues to operate in accordance with the set parameters before the power outage.

- If the unit is shut off, allow a 5 minutes hiatus before powering it up again.
- If the unit is to be shut down for a long time, be sure to turn off the power
switch, and the battery switch. Unplug the unit from the power outlet. This is to a hazardous condition due to aging power lines. - If the refrigerator is decommissioned and left unattended, make sure children cannot get close to the refrigerator and the door cannot be closed completely.
Component Names Control Panel
Component Names

Control Panel

Application method
Temperature display
This refrigerator has been set capable of reaching appropriate temperature (2~8℃) automatically before delivery.
Display Temperature
Light on
ΟLight off
| Operation | Key Operation | Display | Display Mode | |
| 1 | Plugin, switch on the power | The average temperature of monitoring bottle | Average temperature | |
| 2 | Press Display Temperature key | ![]() | The temperature of upper monitoring bottle | Temperature of upper monitoring bottle |
| 3 | Press Display Temperature key | ![]() | The temperature of the lower monitoring bottle | Temperature of lower monitoring bottle |
| 4 | Press Display Temperature key | ![]() | The average temperature of the monitoring bottle | Average temperature |
| 5 | Repeat operation from 2 |
The displayed temperatures indicate upper and lower temperatures of the refrigerator perceived by the sensor in the glycerin bottle. It is not always of 5℃. The temperature sensor indicates the average temperature inside the refrigerator.
TEMP. SET
2453704
If you want to reset the temperature, for example, 5℃ is set originally and you want to change the temperature to 5.5℃, please operate according to the following steps:
TEMP. SET
| Key Operation | Display | |
| 1 | The temperature in the refrigerator is displayed. | |
| 2 | Press both “Sensor” and “Cal Cancel” for 5s at the same time. | The original temperature set to value 5°C appears and flickers.(Please follow the following steps in 5s since the value flickers. Otherwise, the display panel will return to the temperature in the refrigerator) |
| 3 | Click “Cal Cancel” (0.1°C higher/time) or “Sensor” (0.1°C lower /time) | The original temperature set to value 5°C changes accordingly until the temperature displayed on the display panel is 5.5°C. |
| 4 | After the demanded temperature of 5.5°C is set, stop the operation. | The temperature value 5.5°C stops flickering after being displayed and flickering for 5s and then is saved in the system. After a successful setting, the display panel will display the temperature in the refrigerator again. |
Defrost Cycle
The refrigerator has two automatic defrost cycles.
- Cycle defrost To maintain a constant temperature inside the refrigerator, the refrigeration system cycles on and off according to the temperature demand. When the refrigeration compressor cycles off, a small electric heater is energized to thaw the frost off the evaporator surface. The function does not have an obvious impact on the chamber temperature.
- Forced defrost cycle
When the environmental humidity is too high or the products loaded into the refrigerator emit much moisture, cycle defrost will not be sufficient to remove all frost and ice accumulated on the evaporator surface. The equipment will start the forced defrost cycle. Once the frost is thawed, the refrigerator will resume normal operation.
Temperature Recorder (optional)
A Chamber temperature recorder with the 6-inch standard panel is optional for HYC-610 to record chamber temperature change.
Installation and operation
To operate and use the recorder correctly, please follow the steps below:
- Open the recorder door to see the recorder;
- Switch on the 9V DC battery on top right corner of the recorder, the battery is standby power;
- Check the recording paper. If it is necessary to replace the paper, please follow the operation steps in P20;
- Takedown the plastic cap of the recording pen and close the recorder door.
The recorder will not work until the chamber temperature reaches the record range of the recorder.

- Power supply
When the storage box operates, the recorder normally uses an AC supply. If the AC power supply fails, the LED indicator light on the recorder will blink and give the alarm to indicate an abnormal power supply. The recorder continues to record chamber temperature through a standby battery supply. Each standby battery supply can sustain power for nearly 30h (Note: The battery shall be replaced timely when the battery is low to avoid corrosion of the battery button caused by delayed replacement. To save the battery, please disconnect the battery button when the storage box is not used. During normal use, please install a standby battery to ensure normal recording in case of power failure). The LED indicator light of the recorder blinks continuously until the main power supply (AC) is switched on and its standby power battery is replaced. When the standby battery is low, the LED indicator light of the recorder blinks to indicate that the battery shall be replaced. - Maintenance and replacement of the recorder’s standby battery
When the recorder’s LED light blinks green, check the recorder’s performance as follows.
1) Remove the standby battery. If the LED light is off and the recorder stops working, the main power supply of the recorder fails. Check the main power supply for connection and any other issues. When the main power is available and the recorder starts working properly, Install the standby power supply. If the LED light stops blinking, it means the standby battery is in good condition. If the LED light continues to blink, it indicates the standby battery is low in power and it should be replaced. The green LED light will stay on and the does not blink anymore.
2) Remove standby power. If the LED light continues blinking and the recorder works properly, it means the main power supply is in good condition and the standby battery is low and should be replaced. - Replace recorder paper
Please follow the steps below for the replacement of the recording paper:
1. Find the pressing button (3#) at the top left corner in the front of the recorder panel;
2. Press and hold the button (3#) for about 1 second till the recording pen begins to move toward the left of the paper;
3. After the recording pen completely moves outside the recording paper, loosen the central bolt and remove the old recording paper. When replacing a new recording paper, carefully align the timeline on the paper to the time slot on the panel (there is a small indentation at the left of the panel);
4. Retighten the central bolt, press and hold the button 3# for about 1 second to make the recording pen reset and start to record the temperature;
5. Examine whether the recording pen is easy to use on the paper; if it is not easy to use, adjust the crossbeam of the recording pen to make the nib contact with the recording paper. (Note: Do not damage the nib and crossbeam. If it is difficult to be adjusted, use a screwdriver to dismount the crossbeam. After bending the crossbeam with a little strength, install back the crossbeam and repeat the above operations);
6. Ensure the accuracy of the recorder. Calibrate the preciseness of the recording pen after each replacement of paper. Methods are set as follows: Press and hold the button (3#) till the recording pen leaves the recording paper; then repress and hold the button (3#) till the pen gets back to the recording paper. At the moment, the pen will pause at the outermost temperature scale of the recording paper (such a scale may not be marked with temperature value, but it is the outermost scale). If the pen does not pause at the above location, you may utilize the arrow key of 1# or 2# to adjust the location of the pen within 5 seconds to make the nib align to the outermost scale.
Repeat step 6 if you do not complete the adjustment of the location of the pen within 5 seconds.
Calibration of Recorder
The temperature recorder has been accurately adjusted before leaving the factory even if the power supply is interrupted. If there is a need to be adjusted, perform the following procedures.
- Let the unit run for at least 2 additional hours after it reaches stable condition,
- Place a standard thermocouple in the temperature solution bottle filled with 100 ml 10% glycerol solution. Place the sensor of the temperature recorder into the sensor bottle as well.
- Place the sensor bottle in the refrigerator for at least 4 hours. Compare the thermocouple reading and the recorder reading. If there is a discrepancy, press the adjustment button on the left (1#) or on the right (2#) of the panel to adjust the temperature value of the recorder so that the recorder reading matches the reading of the thermocouple.
Note: The recorder pen will start moving 5 seconds after the button is left out.
USB Function
USB interface function (optional for HYC-610/940).The key names in brackets are only for HYC-610/940.
The control panel has a USB port, which allows the extraction of temperature data and other test data via the U-disk. It can automatically collect and store the test data within the recent 10 years. The latest data will automatically replace the earliest data when the data storage is full. Plug in a U-disk, the unit will automatically identify it and start to export the data into the U-disk. While data are being transferred, press “Minus” (“Cal”), the display panel flashes “USB”, which indicates the data are now exporting and not finished yet. After 5 seconds, the display will return to temperature mode. If the display shows “ALL”, indicating the data export process is completed. The U-disk can be removed and it can be plugged into a computer to read the data. The exported data are in the following formats:
| No. | Time | Setting Temp. | Inner Temp. |
| 00000 | 20130425 11:40 | 4 | 4.6 |
| 00001 | 20130425 11:46 | 4 | 4 |
| 00002 | 20130425 11:52 | 4 | 3.9 |
The time setting of the record data (the present time setting of the system):
Press and hold the “Minus” (“Cal”) key for 10 seconds, “1P” is shown on the display. Press the “Set” (“Cal”) key and the selection of year is in flashing mode. Press “Minus” or “Plus” (“Sensor” or “Cal cancel”) key to enter the current year, for example, 16, which means 2016. Press “Set” (“Cal”) to save and confirm. Next “2P” is displayed, repeat the same process to enter the month. Next repeat the same process to enter the date for “3P” mode. Repeat the same procedure to enter hour and minute under “4P” and “5P”. After all, entries are completed, press and hold the “Set”(“Cal” ) key for 5 seconds or there is no operation in 10 seconds, the new data will be saved, the control exits back to temperature mode.
Note:
Among the setting procedures of the aforementioned 1P-5P, parameters can be adjusted selectively through the “Minus” or “Plus”( “Sensor” or “Cal cancel” ) key. For example, if the year(1P) is displayed in the display area, and the year (1P) and month (2P) do not need to be adjusted, reset the date (3P) directly, you can Press “Plus” (“Cal cancel”) key to choose the date (3P), then press “Set“(“Cal”) key, at this time, the display area flashes to date, then press “Minus” or “Plus”(“Sensor” or “Cal cancel” ) key to adjust the present date, then press “Set” ( “Cal”) key to save and confirm. When parameter setting is completed, press and hold the “Set” (“Cal”) key for 5s or no operation within 10s to save data and exit automatically.
Before using, please confirm the time of record data of the U-disk interface. If the time is not corresponding, please adjust according to the aforementioned methods.
Alarm
2453704
| Alarm or Safety | Phenomenon | Alarm Indication | Buzzing Alarm |
| High temperature | If the upper-temperature sensor or lower temperature sensor perceives the temperature of the refrigerator ≥8℃ | Alarm light flashes | Impulsive sound alarm |
| Low temperature | If the upper-temperature sensor or lower temperature sensor perceives the temperature of the refrigerator < 2℃ | Alarm light flashes | Impulsive sound alarm |
| Outage | An outage of the refrigerator | Temperature Display area displays the inside temperature for the 60s and stop displaying for 60s, then repeat | Impulsive sound alarm within 48h outage |
| Door ajar | Outer door ajar or open | Alarm light flashes after 10 min delay | Give impulsive sound alarm after 10 min delay |
| Sensor abnormities | Open circuit or short circuit of the upper-temperature sensor | Alarm light flashes, temperature display area displays El | Impulsive sound alarm |
| Open circuit or short circuit of the lower temperature sensor | Alarm light flashes, temperature display area displays E2 | Impulsive sound alarm | |
| Open circuit or short circuit of the control sensor | Alarm light flashes, temperature display area displays E3 | Impulsive sound alarm | |
| Open circuit or short circuit of the defrosting sensor | Alarm light flashes, temperature display area displays E4 | Impulsive sound alarm |

- If an alarm condition is not corrected within 20 minutes( 30 minutes for HYC-1378), the buzzer and remote control contact will restart.
- IF there is a power outage, a fully charged emergency battery can keep the alarm function in working condition for 48 hours.
- Once the unit starts up and restarts after a long time in storage, charge the battery to keep the alarm functioning for 48 hours.. Even if the battery discharges, remote alarm contact shall keep in working condition.
- Press the “Alarm Test ” key. For each press, the buzzer goes off thrice with frequency as 1Hz continuously. Meanwhile, the alarm indicator light flashes thrice and the remote alarm relay is disconnected after pull-in thrice, which means the alarm system functions normally.
Automatic Alarm Recovery
This series of refrigerators have an automatic alarm recovery feature.
- When the system is in alarm mode, you can press the “Silence” on the display panel to cancel the alarm. (The remote alarm will not be stopped.)
- If the alarm condition still exists, the buzzer will return to the alarm mode again automatically 20 minutes later.
Remote Alarm Terminals

- Remote alarm terminals are installed on the refrigerator and the alarm signal behind the compartment is output by the terminals. The bearing capacity of the terminals is DC 30V, 2A.
- Terminal output:
Remote alarm terminals include NO, NC and COM.
The user can choose “NO” or “NC” if needed.
Cleaning and Maintenance
Component Cleaning
- To avoid electric shock or personnel injuries, make sure to power off the refrigerator before any repair work or maintenance is performed.
- Make sure no drug or aerosol around the refrigerator is inhaled during maintenance, otherwise your health will be threatened.
Refrigerator cleaning
- The refrigerator should be cleaned once a month to keep the appearance new and reduce the chance of gem formation.
- Use a damp cloth to clean off the dust on the refrigerator. If necessary, use light detergent water to wipe off the unit if necessary. Then use a dry cloth to wipe it again.
- Do not dump water directly onto the interior of the unit to avoid damage to electrical systems.
- The compressor and other mechanical parts are hermetically sealed. They don’t need lubrication.
Lamp replacement
The refrigerator is equipped with a LED lamp. The lamp has low energy consumption and long service life. Any doubt, please contact the after-sales service personnel for a change it.
Clean the back evaporating box

Evaporating box is installed on the back of the refrigerator.
- Remove 2 screws on the bottom, loosen the upper 2 screws (no need to remove them), lift the evaporating box, and take it out.
- Clean the evaporating box.
- Reinstall the evaporating box, screw 4 screws firmly.
- Clean the box every month. If the refrigerator is used in a high temperature and high humidity environment, do the cleaning at least 3 times per month.

Hot pipeline, Beware of scald.
Purchasing chart paper for temperature chart recorder)
The chart recorder papers are imported chart papers designed for the recorder. The papers that are supplied with the unit usually last about half of a year. When you are running short of the chart paper, please contact Haier to purchase more. The lead time to deliver the charts is 15 days after receiving the payment. Please call Haier for details.
Purchasing backup battery for temperature recorder
You can purchase a high-quality battery from a store for the same size and voltage(9V). You may also call Haier to purchase a high-quality replacement battery. The lead time to deliver the battery is 15 days after receiving the payment. Please call Haier for details.
Battery maintenance
When the refrigerator works continuously, please test the battery charge level every 15 days (please refer to “Alarm Test” on Page 23 for the test method). In case of a low battery charge level, make sure that the battery switch is on and the battery is charged. When the battery has been charged for consecutive 7 days, please retest the battery charge level. In normal conditions, the battery charge should be full. If a low battery charge level remains, it is recommended to replace the rechargeable battery. The battery of the power failure alarm is a consumable item with 3-year service life. If it has been used for more than 3 years, a power failure alarm may not act when alarm conditions occur. It is recommended to replace the battery earlier. Please contact a Haier after-sales service technician for battery replacement.
Rechargeable battery recycling
The refrigerator has a built-in rechargeable battery. The battery is recyclable; when its service life expires, please ask a local relevant battery recycling organization to check or discard it properly.
a.Battery location
The built-in battery of the refrigerator-freezer is used for a power failure alarm and is located in the electrical compartment. et.

- There are high-voltage electrical components in the electrical compartment.
- To avoid electric shock, the cover of the electrical cabinet must be opened by a qualified technician.
b.Battery removal
- Unplug the unit from the power outlet.
- Remove the screws on the cover with a screwdriver.
- Unplug the battery’s connecting plugs.
- Remove the battery’s holding clip and remove the battery.
- Recycle or dispose of the used battery as required.
Prohibition
When replacing the battery, make sure that brown wire is connected to the battery’s positive pole and blue wire to the battery’s negative pole. Do not disconnect; otherwise, the charging circuit of the computer board would be burned out easily and thus the battery cannot be charged.
FAQ
If you have any questions about the operation of the refrigerator, please refer to the table frequently asked questions as follows. Call Haier technical support if you still have questions. Do not attempt to maintain or dismantle the unit by yourself.
| Fault | Troubleshooting |
| The refrigerator does not work | Inspect the power supply to make sure it meets the requirement. |
| Inspect the connection between the power plug and the socket. | |
| Check the power cord for any obvious damage. | |
| Whether the voltage is too low | |
| The refrigeration effect is weak and the temperature exceeds the upper limit. | The unit is loaded with too many warm samples and products. |
| There is a lack of space between stored samples. | |
| There might be direct sunlight or other heat radiation energy on the refrigerator. | |
| The door is opened too frequently. | |
| The ambient temperature is too high. | |
| The air duct is blocked. | |
| The unit seems to emit too much noise. | Check the installation of the unit to make sure the unit does sit on a solid floor without vibration. |
| Part of the refrigerator leans against a wall. | |
| As a reference. the published sound data is obtained at specific laboratory conditions. It is normal that the actual sound level in the field differs due to subtle installation and operation conditions. | |
| Alarm light flashes and alarm buzzer sounds | Warm products have been placed into the unit recently and the refrigerator has not stabilized yet at 2 t to 8 t. The alarm condition will be automatically corrected once the temperature reaches the S01 value. |
| The door is not closed properly. | |
| The unit lost power recently and it is in the process of cooling down. | |
| The ambient temperature might exceed the designed range. |
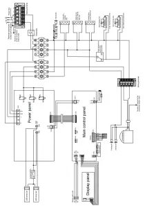
Refrigeration Schematic & Circuit Diagram
Schematic diagram
Circuit diagram

Specification&Packing List
Specification
| Name | Pharmaceutical Refrigerator |
| Model | 2453704 |
| Exterior Dimensions (W*DxH) (inch) | 44.5×29.7×78 |
| Interior Dimensions (WxDxH) (inch) | 40.8.23.2.56.1 |
| Effective Volume (Cu. Ft) | 31. |
| Door | Glassdoor with electric heat |
| Insulation | CFC-Free foamed-in-place urethane |
| Compressor | High Quality Hermetically sealed compressor |
| Shelves | 12 Polyester coated wire shelves |
| Load | S20kg per shelf |
| Refrigerating Method | Force-air cooling circulation |
| Exterior! Interior | Cold-roled steel with power coated/Cold-rolled steel with powder-coated |
| Condenser/Evaporator | Fin tube type / Fin lute type |
| Temperature Control | Microprocessor controlled |
| Interior light | LED 9W |
| Net Weight | 227kg |
| Temperature Range of sensor in glycerin bottle | 2t -13t |
| Voltage | 115V-180Hz |
| Rated PowedCurrent | 850W/1 1A |
| Refrigerant | R134a 320g |
| Noise Lew3I(Lp) | 45dB(A) |
| Foaming Agent | liF0-1233zde |
| Climate Type | 4 |
| Anti-shock Safety Classification | I |
| Power connection type | Y |
| Alarm system | High 8 low-temperature alarm. sensor error alarm. power failure alarm. low battery power alarm. door ajar alarm |
| Battery duration for alarm system | 48 h (when the battery is My charged) |
| Rechargeable Battery | DC 12V rechargeable battery |
Note: Climate Type 4 means the temperature is +30℃, the relative humidity is 55%.Technical information may vary from the appliance that you have just purchased due to technical improvements.
Global Warming Potential
| Model | Rated voltage (VAC) | Rated frequency (Hz ) | CO2 equivalent (Tonnes) |
| 2453704 | 115 | 60 | 0.00024 |
This product contains fluorinated greenhouse gases covered by the Kyoto Protocol. Do not vent into the atmosphere.
GWP=global warming potential
| Refrigerant type | GWP |
| R290 | 3 |
Packing List
| Model | 2453704 |
| Operation Manual | 1 |
| Plastic bag | 1 |
| Key | 4 |
| Shelves | 12 |
| Label strip | 12 |
| Drain hole cap | / |
| Fixed card | 48 |
| Handle Kits | / |
Certificate of Quality
Checker:




















