INSTALLATION AND USE OF MANUAL
REV 001a
QNC CHC Chain Counter
QNC CHC
INFORMATION ABOUT THE PRODUCT
The instrument QNC CHC allows the windlass to be activated to get the anchor aweigh or lower the anchor providing the measure of the chain lowered.
1.1 – Main characteristics
- Glass front.
- IPS 3.5” high-brightness color graphic display.
- Capacitive function keys.
- Very small profile.
- Multi-language user interface.
- Automatic locked keys function.
- Automatic lowering function.
- Up alarm function.
- Windlass management with auto-free fall.
- Anchor recovery function in case of sensor failure.
- Depth of chain lowered shown in meters, feet or fathoms.
- Indication of remaining chain on board
- CAN bus communication interface for data transfer.
- 12/24 Vdc power supply.
- Capable of operating in a wide range of ambient temperatures.
- Protection rating IP67.
Quick ® SPA reserves the right to modify the technical characteristics of the equipment and the contents of this manual without prior notice
The Quick® chain counter has been designed and constructed solely for the tasks and purposes given in this User’s manual.
Quick ® company shall not be held responsible for any direct or indirect property damage caused by inappropriate use of the chain counter, incorrect installation, or possible errors present in this manual.
THE TAMPERING WITH THE CHAIN COUNTER BY UNAUTHORIZED PERSONNEL MAKES THE WARRANTY VOID.
1.3 – Precautions for safety and use
Before installing the instrument, it is recommended to refer to the notes below:
- Since the front panel of the instrument is made of glass, do not apply excessive force on its surface and avoid impacts on it. If the glass is cracked or damaged, do not touch the front panel to avoid injury.
- Do not touch the instrument’s surface with sharp objects to avoid damaging it.
- If the capacitive keys are pressed with the fingertip, the instrument may not respond correctly.
- After the instrument is used, it is advisable to lock the keys to avoid unwanted activations.
- The use of gloves may cause an incorrect operation of the capacitive keys.
- If there are drops of water on the front panel or if the capacitive keys are touched with wet hands, the instrument may not respond correctly.
- With the instrument powered, during cleaning, or if the front panel is wet, unintentional activations of the capacitive keys may occur.
1.4 – Contents of the packaging

INSTALLATION
2.1 – General Information
Quick® windlasses All Quick ® windlasses come with a laps sensor suitable for use with chain counter QNC CHC.
Other windlasses
In order for the chain counter to measure the length of the chain lowered, it has to count the number of revolutions completed by the gear that drives the chain (gypsy).
A lap sensor kit is supplied with the chain counter. This kit includes a cylindrical magnet, a magnetic field sensor, and two plastic adaptors to be used to fix the sensor. The magnet is to be fixed to the gypsy while the magnetic sensor is to be fixed to the windlass base. The standard installation procedure is described below. Unfortunately, we cannot describe a procedure applicable to all types of windlasses.
Adapt this procedure to satisfy your own individual requirements.
Examples of laps sensor installation

2.2 – Installing the magnet
Take the gypsy off the windlass (consult the windlass user’s manual). Find the spot most suitable for the magnet housing based on the following criteria:
- The magnet should not be installed in an area that the chain passes through (outer areas).
- The housing should be preferably made in the area where the gypsy is thickest (in order not to weaken the structure).
- Regarding horizontal axis windlasses, make sure they are located near the edge of the gypsy.
- Regarding vertical axis windlasses, make sure the sensor can be installed on the base at the circumference “traced” by the magnet.
- The magnet can protrude from the gypsy; make sure it does not interfere with the base or sensor.
- The magnet should be as close to the sensor as possible.
Once the hole has been drilled, glue the magnet inside it. Make sure the glue covers the part of the magnet still visible.
Use glue designed for metals, resistant to brackish environments, and capable of withstanding temperatures ranging from -30 to +80 °C. Generally speaking, some epoxy-based bi-component glues meet these requirements.
Several magnets can be installed on the same gypsy to increase the precision with which the chain counter reads (not provided). Place any additional magnets around the same circumference equally spaced apart.
2.3 – Installing the sensor
Locate the most suitable position to secure the sensor to the base according to the following criteria:
- The sensor should not be installed in an area that the chain passes through.
- If holes are made in the base, make sure they do not interfere with normal operation, do not weaken the structure, or cause lubricant to flow out (windlasses with oil-bathed gears).
- Regarding vertical axis windlasses, make sure the sensor is installed on the base at the circumference “traced” by the magnet.
- The magnet should be as close to the sensor as possible.
Use the plastic adaptors provided to secure the sensor. Use a sheath to protect the sensor cables.
Once installed, make sure the laps sensor works properly. Place the gypsy so that the magnet is aligned with the sensor and check the electrical continuity between the two sensor cables.
When the magnet is moved away from the sensor electrical continuity should no longer be present.
2.4 – Instrument installation
The standard installation procedure is described below.
Unfortunately, we cannot describe a procedure applicable to all types of windlasses.
Adapt this procedure to satisfy your own individual requirements.
Find the spot most suitable for the chain counter based on the following criteria:
- The instrument should be in a position where the operator can easily use and/or see it.
- It is important that the surface to which the control is fixed is smooth and flat.
- Tightening the 4 nuts on a curved surface may mechanically damage the base of the instrument and compromise gasket tightness.
- Excessive tightening of the 4 nuts may damage the instrument.
- There must be sufficient space behind the selected position to house the rear of the instrument and the connectors of the power cable and CAN bus data interface (optional).
- Pay careful attention when drilling holes in the panels or parts of the boat. These operations must not weaken the boat framework or cause cracks.
2.4 – Instrument installation
The chain counter meets EMC standards (electromagnetic compatibility). In any case, correct installation is fundamental in order not to affect its performance or interfere with the operation of instruments found near it.
For this reason, the chain counter must be at least:
- 25 cm from the compass.
- 50 cm from any radio receivers.
- 1 m from any radio transmitters (except for SSB).
- 2 m from any SSB radio transmitters.
- 2 m from the radar beam path.
After selecting the instrument position, follow the steps given below:
- Fix the drilling template sheet onto the surface using adhesive tape.
- (Fig. 1) drill 4 holes for the bushes using a Ø 11.5 mm bit.
- (Fig. 2) prepare the central opening with a suitable tool following the indications on the template.
- Remove the template and any cutting burrs present at the holes.
WARNING: an inaccurate cut can compromise the tightness of the gasket between the instrument and panel. 
• (Fig. 3) Remove the protective paper from the adhesive gasket.

2.4 – Instrument installation
• (Fig. 4) Insert the gasket with the adhesive side facing up and apply it to the instrument. Screw the 4 stud bolts to the fixing bushes.
• (Fig. 5) Fit the instrument in its seat. Insert 4 shaped washers, 4 grower washers, and 4 nuts to the stud bolts from beneath the panel.
If the deck thickness is lower than or equal to 10 mm, the shaped washers must be fitted with flaps facing up. With thickness greater than 10 mm, the shaped washers must be fitted with flaps facing down.

At the end of the installation, remove the transparent protective film from the instrument surface.
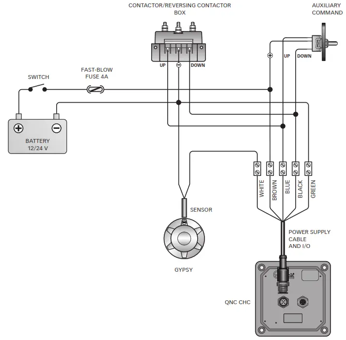
2.5 – Electric connections
The chain counter meets EMC standards (electromagnetic compatibility). In any case, correct installation is fundamental in order not to affect its performance or interfere with the operation of instruments found near it.
For this reason, the cables must be at least:
- 1 m from cables that transmit radio signals (except for SSB radio transmitters).
- 2 m from cables that transmit SSB radio transmitter signals.
Follow the rules below when preparing the electrical system of the instrument:
- Power the chain counter only after making and checking that all the electric connections are correct.
- Install a switch to turn on and off the equipment; make sure the switch is in a position that can be easily reached so that, in the event of an emergency, the equipment can be quickly turned off.
- Install a 4A fast-blow fuse on the chain counter power supply line.
- The cross-section of the contactors control and chain counter power supply cables should be adequately sized according to the length of the cables.
- Do not run the chain counter on power delivered from the motors’ batteries group.
- The maximum length of CAN extensions must not exceed 100 meters.
- The boat’s electrical system provides for the possibility of controlling the windlass with auxiliary controls.
- Insert the male connector M12 of the power supply cable into the female connector M12 of the instrument (fig. 6).
- Screw the ring nut until it is fully tightened (fig. 7).

| PIN | MALE CONNECTOR M12 | CABLE COLOUR |
| 1 | DOWN | BLACK |
| 2 | + BATT | BROWN |
| 3 | – BATT | GREEN |
| 4 | UP | BLUE |
| 5 | SENSOR | WHITE |
2.6 – Example of connection of a single instrument

2.7 – Connection of several instruments to the same CAN network
The instrument is equipped with a CAN bus data interface that allows several instruments to be connected with each other for information exchange (CAN network).
A MASTER/SLAVE network structure is used, i.e. there is only one main chain counter (MASTER) and all the other chain counters are secondary (SLAVE).
The network must have only one MASTER instrument.
The task of the MASTER chain counter is to align the length of the chain lowered and the operating parameters of all the SLAVE chain counters.
The MASTER, therefore, is used as a reference for all the other SLAVE chain counters.
If a parameter in a menu for a SLAVE instrument is changed, the change is actually made to the MASTER instrument that will automatically update all the SLAVE instruments (except for personal settings that contain particular functions and parameters for every single chain counter not shared in network with the other chain counters).
If the MASTER chain counter should malfunction, one of the SLAVE chain counters can be set up as the MASTER.
Before using the chain counters on the CAN network, make sure the MASTER and SLAVE settings of all the chain counters are correct and that the network works in a trouble-free manner.
2.8 – Example of connection of two instruments

2.9 – CHC CAN bus network components
| 3-WAY M-M-M JUNCTION | |
![]() | |
| CODE | DESCRIPTION |
| FCPCHTCNMMM0A00 | PCS/CHC3 TCN MMM T CAN M-M-M CONNECTOR |
| 3-WAY M-M-F JUNCTION | |
![]() | |
| FCPCHTCNFMM0A00 | PCS/CHC3 TCN FMM T CAN F-M-M CONNECTOR |
| 2-WAY M-M JUNCTION | |
![]() | |
| FCPCHMMJMM00A00 | PCS/CHC3 MMJ M-M CAN JUNCTION |
| CAN NETWORK TERMINATOR | |
![]() | |
| FCPCHTRM0000A00 | PCS/CHC2K TRM CAN TERMINATOR |
| BACKBONE / DROP CABLE | |
![]() | |
| CODE | DESCRIPTION |
| FCPCHEX00500A00 | PCS/CHC3 EX005 CAN EXTENSION 0.5M |
| FCPCHEX01000A00 | PCS/CHC3 EX010 CAN EXTENSION 1M |
| FCPCHEX03000A00 | PCS/CHC3 EX030 CAN EXTEND 3M |
| FCPCHEX05000A00 | PCS/CHC3 EX050 CAN EXTENSION 5M |
| FCPCHEX10000A00 | PCS/CHC3 EX100 CAN EXTENSION 10M |
| FCPCHEX15000A00 | PCS/CHC3 EX150 CAN EXTENSION 15M |
| FCPCHEX20000A00 | PCS/CHC3 EX200 CAN EXTENSION 20M |
INSTRUMENT OPERATION
3.1 – QNC CHC OVERVIEW
The instrument is managed by a user interface that allows you to:
- control windlass movements;
- display length of the chain lowered;
- manage operating parameters;
- report any warnings or alarms.
3.2 – Description of the user interface
The user interface consists of a display, three keys, and a buzzer.

3.3 – First start-up
After activating the power supply, the instrument loads the firmware (the display shows LOADING…). In the end, the
key is displayed.

Press and hold
the key for one second to turn on the instrument.

After the QUICK logo is displayed, you are prompted to select the system language:
• ENGLISH
• ITALIANO
After the selection, you will access the main screen
3.4 – Main screen
Once the initialization procedure has been completed, the main window is displayed: 
This screen is divided into the following areas:
| Icon area and status line | This area shows messages on instrument status, chain speed, and any problem reports. |
| Counting area | This area shows the measure of the chain lowered and its unit of measurement: “m” for meters, “ft” for feet and “FM” for fathoms. The following icons are shown by activating the relevant functions: auto |
| Info area | Depending on the user selection, this area shows information about the function of the keys and the remaining chain on board (if set). |
| Sensor status | The dot in the center of the circle indicates the passage of the magnet over the sensor. |
3.5 – Key unlock/ lock
To unlock/lock the instrument quickly press
the key twice.
If the instrument is not used, it automatically locks after the time set in the menu AUTOMATIC KEY LOCK (factory setting 1 minute). 
3.6 – Electric Windlass operation
![]() | ![]() |
| Getting the anchor aweigh To get the anchor aweigh, press and hold the | Lowering the anchor To lower the anchor, press and hold the |
It is also possible to get the anchor aweigh and lower it with an auxiliary electric control. The chain counter will measure the length of the chain lowered in any case.
3.7 – Access the icon menu![]()
Press and hold
the key until the progress bar is completed.
Promptly release
the key during double flashing to access the menu.
3.8 – Menu

The menu contains 8 icons.
Use
and
keys to move between the icons.
The selected icon is displayed with a green frame.
Press
the key to enter a specific submenu or function.
3.9 – Icon menu description
HOME | Quit the menu and return to the main screen. |
RESET COUNTER | Reset the measure of the chain lowered. |
AUTOMATIC KEY LOCK | Setting the automatic key locking time. |
AUTO DOWN SETTING | This function allows lowering the anchor automatically to the set depth. |
DAY/NIGHT | Selection of day/night mode. |
USER SETTINGS | Access to user-customized settings submenu. |
ADVANCED SETTINGS | Access to instrument advanced settings submenu. |
PRODUCT INFO | Summary data screen and instrument settings. |
INSTRUMENT CONFIGURATION
4.1 – Configuration according to the instrument
In order to work properly, the instrument requires to enter the correct data about GYPSY LAP and NUMBER OF MAGNETS. Make sure that data about your windlass have been correctly entered (point 4.6 “Gypsy circumference measurement” on page 37).
To enter data, the measure of the lowered chain must be equal to zero (0.0).
4.2 – Selection of unit of measurement
Menu
Select USER SETTINGS press![]()

User settings Select UNIT press![]()

Unit
Select METERS (or feet or fathoms) and press![]()
Select “BACK” and press return
to the menu.
4.3 – Calibration
Menu
Select ADVANCED SETTINGS Press

Advanced settings
Select MANUAL CALIBRATION Press![]()
Manual calibration
GYPSY LAP
Enter gypsy lap value (in cm or inches) according to the unit of measurement previously selected (meters or feet/fathoms).
Selectable values 10 to 600 cm (factory setting 10 cm).
Selectable values 3.93 to 236.22 inches (factory setting 3.93 inches).
Enter the value by pressing
to increase or
decrease.
Press
to select the next box.
MAGNETS NUMBER
Selectable values 1 to 16 (factory setting 1)
Enter the value by pressing
to increase or
decrease.
Press to select the next box.
Confirmation of the last box takes back to the ADVANCED SETTINGS menu.
Select “BACK” and press
return to the menu.
4.4 – Exit from the icon menu
![]()
Menu
Select HOME ICON
Press
to return to the main screen.
4.5 – Sleep mode
THE SLEEP MODE function sets the instrument to a low consumption status. The detection of lowered chain measurement remains active in the background.
Press and hold the
key until the display is off (approx. 5 seconds).
4.6 – Gypsy circumference measurement
To determine the chain length obtained with each gypsy lap, proceed as follows:

- Mark a reference on the chain and the gypsy on the main axis.

- Make one complete lap of the gypsy, returning its reference to the initial position.
- Measure the chain length between the main axis and the position reached by the reference after a complete gypsy lap.
The accuracy of the value set as GYPSY LAP affects the precision of lowered chain measurement.
MAINTENANCE
Before carrying out maintenance or cleaning operations, cut off the power supply to the instrument.
To ensure optimal operation of the instrument, check the cables and electrical connections once a year.
Clean the QNC QNC front with a soft cloth dampened with water.
Do not use chemicals or harsh products to clean the chain counter.
TECHNICAL DATA
| OUTPUT CHARACTERISTICS | |
| Current capacity UP/DOWN contacts | 4A max |
| INPUT CHARACTERISTICS | |
| Supply voltage | 12/24 Vdc |
| Maximum current absorption (1) | 160 mA |
| ENVIRONMENTAL CHARACTERISTICS | |
| Operating temperature | from -20 to +70 °C |
| Protection rating | IP67 |
| GENERAL CHARACTERISTICS | |
| Communication interface | CAN BUS with differential transceiver |
| External connections | Male M12, code A, 5 poles for CAN bus Female M12, code A, 5 poles for POWER & I/O |
| Weight | 270 g (320 g with protective cover) |
| EMC class | EN 60945 |
(1) Typical value with backlight on at maximum level.
DIMENSIONS mm (inches)

QNN CHC chain counter
R001a

QUICK® S.p.A. – Via Piangipane, 120/A – 48124 Piangipane (RA) – ITALY
Tel. +39.0544.415061 – Fax +39.0544.415047 – [email protected]
www.quickitaly.com







HOME
RESET COUNTER
AUTOMATIC KEY LOCK
AUTO DOWN SETTING
DAY/NIGHT
USER SETTINGS
ADVANCED SETTINGS
PRODUCT INFO



















