
Welcome to the family. Let’s get started.

Two people Recommend for assembly
CS40G1DW
Digital Charcoal Smoker
Manual applies to the following model number(s)
MB20060321
Your model number
Mfg. Date – Serial Number
These numbers are located on the rating label of the smoker.
IMPORTANT IMPORTANT IMPORTANT
Please record this information immediately and keep in a safe place for future use.
Manual Code
Master it. Masterbuilt.
WARNING ![]()
- This manual contains important information necessary for the proper assembly and safe use of the appliance.
- Read and follow all warnings and instructions before assembling and using the appliance.
- Keep this manual for future reference.
Failure to follow these instructions could result in fire, explosion or burn hazard which could cause property damage, personal injury, or death. ![]()
CARBON MONOXIDE HAZARD ![]()
- Burning wood chips, wood chunks, wood pellets, charcoal and propane gives off carbon monoxide, which has no odor and can cause death.
- DO NOT burn wood chips, wood chunks, wood pellets, charcoal or propane inside homes, vehicles, tents, garages or any enclosed areas.
- USE ONLY OUTDOORS where it is well ventilated.
WARNINGS AND IMPORTANT SAFEGUARDS ![]()
READ ALL INSTRUCTIONS
- Before each use, remove and clean the grease tray. Remove the grease tray of all grease and drippings before lighting the smoker.
- Always use smoker in accordance with all applicable local, state, and federal fire codes.
- Before each use check all nuts, screws, and bolts to make sure they are tight and secure.
- Never operate smoker under combustible overhead construction such as roof coverings, carports, awnings, or overhangs.
- Smoker is for OUTDOOR HOUSEHOLD USE ONLY.
- Never use inside enclosed areas such as patios, garages, buildings, or tents.
- Never use inside or on recreational vehicles or boats.
- Maintain a minimum distance of 10ft (3m) from overhead construction, walls, rails or other structures.
- Keep a minimum 10ft (3m) clearance of all combustible materials such as wood, dry plants, grass, brush, paper, or canvas.
- Never use smoker for anything other than its intended use. This smoker is NOT for commercial use.
- Accessory attachments not supplied by Masterbuilt Manufacturing, LLC are NOT recommended and may cause injury.
- Use of alcohol, prescription, or non-prescription drugs may impair user’s ability to properly assemble or safely operate smoker.
- Keep a fire extinguisher accessible at all times while operating smoker.
- When cooking with oil or grease, have a type BC or ABC fire extinguisher readily available.
- In the event of an oil or grease fire do not attempt to extinguish with water. Immediately call the fire department. A type BC or ABC fire extinguisher may, in some circumstances, contain the fire.
- Use smoker on a level, non-combustible, stable surface such as dirt, concrete, brick, or rock. An asphalt surface (blacktop) may not be acceptable for this purpose.
- Smoker MUST be on the ground. Do not place smoker on tables or counters. DO NOT move smoker across uneven surfaces.
- Do not use smoker on wooden or flammable surfaces.
- Keep smoker clear and free from combustible materials such as gasoline and other flammable vapors and liquids.
- Do not leave smoker unattended.
- Keep children and pets away from smoker at all times. Do NOT allow children to use smoker. Close supervision is necessary when children or pets are in the area where smoker is being used.
- Do NOT allow anyone to conduct activities around the smoker during or following its use until it has cooled.
- Never use glass, plastic, or ceramic cookware in smokers. Never place empty cookware in smoke while in use.
- Never move smoker when in use. Allow the smoker to cool completely (below 115°F (45°C)) before moving or storing.
- Do not store smoker with hot ashes or charcoal inside smoker/hopper. Store only when fire is completely out and all surfaces are cold.
- Never use a smoker as a heater (READ CARBON MONOXIDE HAZARD).
- The smoker is HOT while in use and will remain HOT for a period of time afterward and during cooling process. Use CAUTION. Wear protective gloves/mitts.
- Be careful when removing food from smoker. All surfaces are HOT and may cause burns. Use protective gloves/mitts or long, sturdy, cooking tools for protection from hot surfaces or splatter from cooking liquids.
- DO NOT bump or impact the smoker to prevent personal harm, damage to smoker, or spillage/ splashing of hot cooking liquid.
- Do not touch HOT surfaces
- The smoker is hot during use. To avoid burns, keep face and body away from door(s) and vents. Steam and hot air are expelled during use.
- The smoker has an open flame. Keep hands, hair, and face away from flame. Do NOT lean over smoker when lighting. Loose hair and clothing may catch fire.
- DO NOT obstruct flow of combustion and ventilation.
- Do not cover cooking racks with metal foil. This will trap heat and may cause damage to the smoker.
- Never leave HOT coals or ashes unattended.
- Do not remove ashes while ashes and charcoal are HOT.
- Keep hands, hair, and face away from the burning charcoal. Be careful of loose hair and clothing during operation as they could catch fire.
- Use protective gloves when handling this smoker or working with fire. Use protective gloves or long, sturdy fireplace tools when adding wood or charcoal.
- Never use charcoal lighting fluid, gasoline, alcohol or other highly volatile fluids to ignite charcoal. These fluids can explode causing injury or death. Always follow specific lighting instructions for this smoker.
- Never overfill charcoal basket. This can cause serious injury as well as damage to the smoker.
- Dispose of cold ashes by placing them in aluminum foil, soaking with water, and discarding in a non-combustible container.
- When using electrical appliances, basic safety precautions should always be followed including the following: 1) Do not plug in the appliance until fully assembled and ready for use. 2) Use only approved grounded electrical outlet. 3) Do not use during an electrical storm. 4) Do not expose appliance to rain or water at any time.
- To protect against electrical shock do not immerse cord, plug or control panel in water or other liquid.
- Do not operate any appliance with a damaged cord or plug, or after appliance malfunctions or has been damaged in any manner.
- Extension cords may be used if care is exercised in their use.If an extension cord is used: 1) The marked electrical rating of the extension cord should be at least as great as the electrical rating of the appliance; and 2) the cord should be arranged so that it will not drape over the counter top or tabletop where it can be pulled by children or tripped over unintentionally.
- The extension cord must be a grounding-type 3-wire cord.
- Outdoor extension cords must be used with outdoor use products and are marked with suffix “W” and with the statement “Suitable for Use with Outdoor Appliances.”
- CAUTION – To reduce the risk of electric shock, keep extension cord connection dry and off the ground.
- Do not let cord hang on or touch hot surfaces.
- Do not place cord on or near a gas or electric burner or in a heated oven.
- To disconnect, turn controller “OFF” then remove plug from outlet.
- Unplug from outlet when not in use and before cleaning. Allow appliance to cool completely before adding/removing internal components.
- Do not clean this product with a water sprayer or the like.
- Smoker should only be rolled on smooth surface.
- Smoker should never be rolled up/down stairs or uneven surface.
- Potential damage to smoker or harm to user may result from failure to follow warnings.
- Never open burn chamber during use.
- Never operate the smoker with the temperature probe removed. This can cause the smoker to overheat and cause serious personal injury and/or damage to the smoker.
- Do not cook before the fuel has a coating of ash.
- Do not use indoors.
- WARNING! Do not use spirit or petrol for lighting or relighting! Use only firelighters complying to EN 1860-3!
- WARNING! This barbecue will become very hot, do not move during operation.
- WARNING! Keep children and pets away.
- Do not use the barbecue in a confined and/or habitable space e.g. houses, tents, caravans, motor homes, boats. Danger of carbon monoxide poisoning fatality.
- Never remove charcoal basket from smoker while coals are hot.
- WARNING! Do not use spirit or petrol for lighting or re-lighting! Use only firelighters complying to EN 1860-3!
This device complies with Industry Canada licence-exempt RSS standard(s). Operation is subject to the following two conditions:
(1) This device may not cause interference, and
(2) This device must accept any interference, including interference that may cause undesired operation of the device.
This equipment complies with IC radiation exposure limits set forth for an uncontrolled environment. This equipment should be installed and operated with minimum distance 20cm between the radiator & your body.
SMOKER DOES NOT COME WITH CHARCOAL OR WOOD CHIPS.
Structural Proximity and Safe Usage Recommendations
REMINDER: Maintain a minimum distance of 10 feet from rear and sides to walls, rails or other combustible construction. This clearance provides adequate space for proper combustion, air circulation and venting. Should not be used on combustible materials like decks or other combustible materials. 
![]()
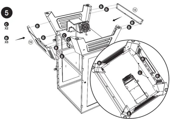
Parts Diagram
Parts List
| NO. | Q T Y. | DESCRIPTION | NO. | Q T Y. | DESCRIPTION |
| 1 | 1 | Top Door | 13 | 1 | Heat Deflector Tent |
| 2 | 1 | Bottom Door | 14 | 1 | Grease Tray |
| 3 | 4 | Handle | 15 | 1 | Charcoal Basket (15A) and Partition (15B) |
| 4 | 1 | Antenna | 16 | 1 | Ash Tray |
| 5 | 1 | Controller | 17 | 1 | Right Legs |
| 6 | 4 | Rack | 18 | 1 | Left Legs |
| 7 | 1 | Water Bowl | 19 | 1 | Front Leg Brace |
| 8 | 1 | Water Bowl Rack | 20 | 10 | Rack Support |
| 9 | 1 | Fan Tube | 21 | 2 | Locking Casters |
| 10 | 1 | Lower Fan Tube Assembly | 22 | 2 | Non Locking Casters |
| 11 | 1 | Body | 23 | 1 | Meat Probe |
| 12 | 1 | Rear Leg Brace | 1 | Power Cord (not pictured) |
- BEFORE ASSEMBLY READ ALL INSTRUCTIONS CAREFULLY.
- Assemble on a clean flat surface.
- Recommend assembling on cardboard to avoid oil residue on floors or scratches.
- Gloves recommended for assembly.
- Tools needed: Phillips head screwdriver, adjustable wrench, 19mm socket wrench.
- Approximate assembly time: 45 minutes.
- Recommend two people assemble to increase ease and reduce assembly time.
- Actual product may differ from picture shown.
- It is possible that some assembly steps have been completed in the factory.
- Remove all printed labels from the smoker before use.
STOP DO NOT RETURN TO RETAILER for assembly assistance, missing or damaged parts. Please contact MASTERBUILT Customer Service at www.masterbuilt.com/pages/support. Please have the model number and serial number available. These numbers are located on the silver rating label on the smoker.
Hardware
| KEY | Q T Y. | DESCRIPTION |
| A | 24 | M4X14 |
| B | 10 | M5X14 |
| C | 14 | M6X14 |
| D | 2 | ST3X12 |
| E | 8 | M4 NUT |
![]() | ![]() | ![]() | ![]() |
![]() | ![]() | ![]() | ![]() |
![]() | ![]() | ![]() | ![]() |
![]() | ![]() | ![]() | ![]() |
Operating Instructions
ASSEMBLY IS DONE. LET’S HAVE SOME FUN! PRE-SEASONING
Pre-seasoning will rid your smoker of chemicals and oils left over by the manufacturing process, allowing them to burn off. PRE-SEASON SMOKER PRIOR TO FIRST USE.
- Insert the charcoal partition into the charcoal basket
- Fill the charcoal basket ¼ – ½ full with charcoal (approximately 4-6pounds of charcoal).
- Start the smoker following the START-UP instructions, and set the temperature to 275°F for 120 minutes.
- After 120 minutes, set the temperature to 400°F, allow the smoker to burn out the remaining charcoal.
- Allow the smoker to cool COMPLETELY.
- Once cool, remove all the ash from the ash tray in the smoker. Wipe down your charcoal partition, charcoal basket, and ash tray with vegetable shortening. This will help keep these componentsseasoned.
- Once oiled, repeat steps 1 – 5.
Frequent seasoning prevents rusting. If rusting occurs, clean with a steel brush, apply vegetable shortening and heat as indicated above.
SHUTDOWN
- Remove food from smoker.
- Close both smoker doors.
- Set the unit to 400°F.
- Leave the unit running, and allow the charcoal to burn out completely.
- Once the charcoal has burned out, allow the unit to cool before cleaning and storing.
ADDING SMOKE/FLAVOR
To add wood smoke flavor, mix wood chunks into your charcoal basket with the charcoal before your cook begins. Or if cooking at temperatures with the charcoal partition, load wood chunks into the center of the partition. As the charcoal burns through the basket, your wood chunks will smoke for a great added flavor. Do not add more than 1.5 lbs. of wood chunks to the smoker at any time.
CONTROL PANEL
Power ON/Off Controller:
- Press button to power controller ON.
- Press and hold button to power controller OFF.
Set Temperature:
- Press button.
- Turn knob to desired temperature.
- Press the button again to set temperature (Temperature will automatically set after 3 seconds.)
Set Time:
• Countdown Timer
- Press button.
- Turn knob to desired hours.
- Press button to set hours.
- Turn knob to desired minutes.
- Press button to set minutes. The timer will start.
- Press button to pause and resume timer.
- Press and hold button to reset timer.

Set Temperature From ºF to ºC :
- With power off, hold set temp button
- Press power button
- Unit powers up with “F” or “C” flashing on display
- Use knob to select temp unit
- Press set temp to confirm
• Count Up Timer
- Press and hold button.
- Timer will begin counting up from 00:00.
Timer will count by Minutes:Seconds and then Hours:Minutes. - Press button to pause and resume timer.
- Press and hold button to reset timer.
Set Meat Probe Temperatures:
- Press button and turn knob to select meat probe (MP1, MP2, MP3, MP4).
- Press temperature button.
- Turn knob to desired temperature.
- Press temperature button again to set the temperature.
(If meat probe reaches 300°F, an alarm will sound and the meat probe must be removed from heat and given time to cool. Meat probe will be damaged if left at this temperature.)
* NOTE: Meat probe icon will flash while in setting mode. - Once set temperature is reached, alarm will sound. Press any button to clear.
Viewing Information on Display:
• Turning the knob will advance the display through smoker temperature, timer and meat probes; MP1, MP2, MP3 and MP4.
BLUETOOTH + WiFi
Pairing Smoker with Smart Device(s):
- Download the Masterbuilt app from the Apple App Store or Google Play Store onto your smart device(s). For more information go to masterbuilt.com/pages/app-device-requirements.
- Once the download is complete, open the Masterbuilt app and follow the instructions for pairing your Bluetooth + WIFI grill and smart device(s).
BLUETOOTH
Pairing Grill with Smart Device(s):
- Download the Masterbuilt app from the Apple App Store or Google Play Store onto your smart device(s). For more information go to masterbuilt.com/pages/app-device-requirements.
- Once the download is complete, open the Masterbuilt app and follow the instruction for pairing your Bluetooth grill and smart device(s).
This device complies with Part 15 of the FCC Rules. Operation is subject to the following two conditions:
1. This device may not cause harmful interference, and
2. This device must accept any interference received, including interference that may cause undesired operation.
FCC Warning
Warning: Changes or modifications to this smoker not expressly approved by the party responsible for compliance could void the user’s authority to operate the equipment.
FCC Statement
This equipment has been tested and found to comply with the limits for a Class B digital device, pursuant to Part 15 of the FCC Rules. These limits are designed to provide reasonable protection against harmful interference in a residential installation. This equipment generates, uses and can radiate radio frequency energy and if not installed and used in accordance with the instructions, may cause harmful interference to radio communications. However, there is no guarantee that interference will not occur in a particular installation. If this equipment does cause harmful interference to radio or television reception, which can be determined by turning the equipment off and on, the user is encouraged to try to correct the interference by one or more of the following measures:
- Reorient or relocate the receiving antenna.
- Increase the separation between the equipment and receiver.
- Connect the equipment into an outlet on a circuit different from that to which the receiver is connected.
- Consult the dealer or an experienced radio/TV technician for help.
Note: If you lose connection, smoker will continue as programmed. Smoker can be operated from the control panel if pairing or connection fails.
Quick Start Guide
THE GREASE DRIP TRAY AND SMOKER MUST BE CLEANED BEFORE EVERY COOK TO PREVENT GREASE FIRES.
HOW TO LIGHT (225°F)
- If cooking at 225°F, insert the charcoal partition into the charcoal basket and place the heat deflector tent as shown.

- Load wood chunks into the center of the charcoal partition for added smoke flavor
- Load 12lbs of charcoal into the charcoal basket
- Load 2 fire starters in the fire starter holder in the front right corner of the charcoal basket
- Load the ash tray, charcoal basket, and partition into smoker
- Close the top door of the smoker
- Light the fire starters and carefully push the ash tray into bottom chamber of the smoker
- Leave the bottom door open for 3 minutes while the fire starters catch fire
- After 3 minutes, shut the bottom door
- Set your temperature to 225°F
- Allow the smoker to preheat to the set temperature
HOW TO LIGHT (230°F – 270°F)
- If cooking between 230°F and 270°F, insert the charcoal partition into the charcoal basket and place the heat deflector tent as shown.

- Load wood chunks into the center of the charcoal partition for added smoke flavor
- Load 12lbs of charcoal into the charcoal basket
- Load 2 fire starters in the fire starter holder in the front right corner of the charcoal basket
- Load the ash tray, charcoal basket, and partition into smoker
- Close the top door of the smoker
- Light the fire starters and carefully push the ash tray into bottom chamber of the smoker
- Leave the bottom door open for 3 minutes while the fire starters catch fire
- After 3 minutes, shut the bottom door
- Set your temperature from 230°F – 270°F
THINGS TO KNOW:
- The smoker has a temperature range from 225°F to 400°F
- The smoker cannot get cooler during a cook. If you set the temperature to 300°F and allow it to preheat, you cannot lower the temperature to 225°F during the cook.
- If you have the charcoal partition inserted into the charcoal basket, the unit will not reach a temperature above 275°F.
- For faster preheat time, allow the unit to preheat without the heat deflector tent installed. Once the smoker reaches the set temperature, insert the heat deflector tent in the proper location.
CLEANING AND STORAGE
ALWAYS MAKE SURE SMOKER IS COOL TO THE TOUCH BEFORE CLEANING AND STORING.
- Once the unit is completely cooled, remove the ash tray from the smoker. Remove all the ash and charcoal from the ash tray
- Wipe out the inside of the smoker
- Vacuum out any ash buildup in the burn chamber
- Wipe down and clean your cooking racks and water bowl (both dishwasher safe)
- Remove your power cord – do not store this in the weather
- Cover your smoker
- Store in cool dry place
Troubleshooting
| SYMPTOM | CAUSE | POSSIBLE SOLUTION |
| Controller opt Oh. | Power not ON. | Press the power button on the controller. (do not press and hold button) |
| Not plugged in. | Plug controller into power supply and power supply into wall outlet. | |
| Circuit breaker tripped. | Check wall outlet circuit breaker and reset if tripped. May need to move to a different outlet. | |
| Controller malfunction. | Contact Masterbuilt Customer Service. | |
| Fan not ON. | Temperature in cabinet has reached the set temperature. | Once the set temperature is reached the fan will turn off. Once the temperature falls below the set temperature the fan will restart. The fan will continue adjusting itself automatically to maintain the set temperature. |
| Bottom door is open. | For safety. the smoker is equipped with shut off switches to prevent the fan from stoking the fire when the doors are open. Closing the doors will engage the switches. allowing the fan to continue normal operation. | |
| Top door is open | Check that connection is fully seated. | |
| Fan disconnected from controller. | ||
| Fan disconnected from wiring harness. | ||
| Bottom door switch disconnected. | ||
| Top door switch disconnected. | ||
| Err 3 | See below. | |
| Controller temperature inaccurate. | Temperature probe not fully plugged in. | Check that connection is fully seated. |
| Temperature probe is dirty. | Carefully clean temperature probe. | |
| Slow heating. | Charcoal partition inserted. | Remove the charcoal partition when cooking at temperatures 275T and above. |
| Lump charcoal | use charcoal briquettes instead of lump charcoal for a more efficient burn. Sometimes.lump charcoal has a hard time righting due to the density of the charcoal. | |
| Heat deflector tent hoped and rotated. | Ensure heat deflector tent is in the upright position when cooking at temperatures 230T – 400T. | |
| Low charcoal. | Ensure that the charcoal basket has enough charcoal to bring the smoker to temperature when starting the smoker. | |
| Smoker door open. | Close the smoker doors. | |
| Err I | Temperature probe not fully plugged in. | 1.Check that connection is fully seated. 2.unplug controller from power supply. wait 10 seconds and reconnect. |
| Err 2 | Meat probe malfunction.Controller still works.fan still works. product operation is not impacted. | Contact Masterbuilt Customer Service. |
| Err 3 | Smoker overheated. | I. Turn off smoker. 2. Check for cause of overheat. •Grease fire. •Fan malfunction. 3. Restart smoker. |
| Err 4 | Charcoal failed to ignite. | 1.Ensure firestarter was placed in the charcoal basket on the side closest to the fan. 2.Ensure both smoker doors are fully closed. 3.Ensure charcoal is not empty. &Ensure old ash from previous use has not blocked up the charcoal basket. Be sure to clean the charcoal basket and ash tray before starting the smoker. 5. Restart the smoker. |
| Err 5 | Meat Probe Temp above 300°F. | 1.using protective gloves.remove meat probe from smoker. 2.unplug from controller. 3.Allow meat probe to cool. |
| Poor MEI connection | Weak signal. | I. Angle the antenna on back of controller to point at the ground |
Rest assured, we’re here to help.
















BLUETOOTH



















