WISENET PNM-7082RVD Network Camera User Guide

Hanwha Techwin cares for the environment at all product manufacturing stages, and is taking measures to provide customers with more environmentally friendly products. The Eco mark represents Hanwha Techwin’s devotion to creating environmentally friendly products, and indicates that the product satisfies the EU RoHS Directive.

Correct Disposal of This Product (Waste Electrical & Electronic Equipment) (Applicable in the European Union and other European countries with separate collection systems) This marking on the product, accessories or literature indicates that the product and its electronic accessories (e.g. charger, headset, USB cable) should not be disposed of with other household waste at the end of their working life. To prevent possible harm to the environment or human health from uncontrolled waste disposal, please separate these items from other types of waste and recycle them responsibly to promote the sustainable reuse of material resources. Household users should contact either the retailer where they purchased this product, or their local government office, for details of where and how they can take these items for environmentally safe recycling. Business users should contact their supplier and check the terms and conditions of the purchase contract. This product and its electronic accessories should not be mixed with other commercial wastes for disposal.

Correct disposal of batteries in this product
(Applicable in the European Union and other European countries with separate battery return systems.) This marking on the battery, manual or packaging indicates that the batteries in this product should not be disposed of with other household waste at the end of their working life. Where marked, the chemical symbols Hg, Cd or Pb indicate that the battery contains mercury, cadmium or lead above the reference levels in EC Directive 2006/66. If batteries are not properly disposed of, these substances can cause harm to human health or the environment. To protect natural resources and to promote material reuse, please separate batteries from other types of waste and recycle them through your local, free battery return system.
SAFETY INFORMATION

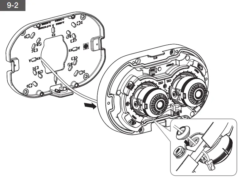
COMPONENT
As for each sales country, accessories are not the same.





INSTALLATION




















PASSWORD SETTING
When you access the product for the first time, you must register the login password.
For a new password with 8 to 9 digits, you must use at least 3 of the following: uppercase/lowercase letters, numbers and special characters. For a password with 10 to 15 digits, you must use at least 2 types of those mentioned. – Special characters that are allowed. : ~`!@#$%^&*()_-+={}[]|\;:‘“<>.,?/ ` Space is not allowed for password. ` For higher security, you are not recommended to repeat the same characters or consecutive keyboard inputs for your passwords. ` If you lost your password, you can press the [RESET] button to initialize the product. So, don’t lose your password by using a memo pad or memorizing it
LOGIN
Whenever you access the camera, the login window appears. Enter the User ID and password to access the camera
- Enter “admin” in the input box.
- Enter the password in the input field.
- Click [Sign in].
Camera setting
- Connect OTG adapter (5-pin) and Wi-Fi dongle to the micro USB termina
Smartphone setting
- Install the Wisenet Installation application.
- Select the camera SSID after turning on the WiFi.
- Run the Wisenet Installation application.
- When you log in to the camera, the video will be connected. The video will be played without being logged in during the initial connection.
- You can adjust angle of view while watching the video through smartphone.
Important
Please check ‘Manuals’ from our website, before connecting to the Supply,
https://www.hanwha-security.com/en/data-center/download-data/
Warranty
Please check “Product warranty information” from our website.
https://www.hanwha-security.com/support/warranty/
We recommend to use the officially compatible VMS version or latest Hanwha NVR version when integrating with VMS or Hanwha NVR.




















