HYDREL SAF7 Architectural Flood

Product Information
The Specification Architectural Flood Models SAF7 and SAF14 are LED accent luminaires suitable for ground, wall, and pole mounting. They are listed to applicable U.S. & Canadian safety standards by the Canadian Standards Association (CSA) and are suitable for wet location installations. These devices comply with Part 15 of the FCC Rules.
Product Description
The SAF7LED and SAF14LED models are designed to emit a minimum light output that is acceptable to the user. The refractor/lens of the luminaire should be washed in a solution of warm water and any mild, non-abrasive household detergent, rinsed with clean water and wiped dry. The product is subject to modification without notice.
Product Usage Instructions
Before installing the SAF7LED and SAF14LED models, please read and follow all safety instructions provided in the installation guide. Failure to follow any of these instructions could void product warranties.
The luminaires can be mounted on the ground, wall, or pole. Please refer to the product specific installation instructions for additional warnings or any applicable FCC or other regulatory statements.
If you encounter any issues during installation, operation, or maintenance, please refer to Acuity Brands Lighting, Inc. for further information. Also, Hydrel reserves the right to modify specifications without notice.
After installation, please save these instructions and deliver them to the owner.
Installation Guide
READ AND FOLLOW ALL SAFETY INSTRUCTIONS!
SAVE THESE INSTRUCTIONS AND DELIVER TO OWNER AFTER INSTALLATION
- To reduce the risk of death, personal injury or property damage from fire, electric shock, falling parts, cuts/abrasions, and other hazards please read all warnings and instructions included wit h and on the fixture box and all fixture labels.
- Before installing, servicing, or performing routine maintenance upon this equipment, follow these general precautions.
- Installation and service of luminaires should be performed by a qualified licensed electrician.
- Maintenance of the luminaires should be performed by person(s) familiar with the luminaires’ construction and operation and any hazards involved. Regular fixture maintenance programs a re recommended.
- It will occasionally be necessary to clean the outside of the refractor/lens. Frequency of cleaning will depend on ambient dirt level and minimum light output which is acceptable to user. Refractor/lens should be washed in a solution of warm water and any mild, non-abrasive household detergent, rinsed with clean water and wiped dry.
- DO NOT INSTALL DAMAGED PRODUCT! This luminaire has been properly packed so that no parts should have been damaged during transit. Inspect to confirm. Any part damaged or broke n during or after assembly should be replaced.
- Recycle: For information on how to recycle LED electronic pro ducts, please visit www.epa.gov.
- These instructions do not purport to cover all details or variations in equipment nor to provide every possible contingency to meet in connection with installation, operation, or maintenance. Should further information be desired or should particular problems arise which are not covered sufficiently for the purchaser’s or owner’s purposes, this matter should be referred to Acuity Brands Lighting, Inc.
WARNING RISK OF ELECTRIC
- Disconnect or turn off power before installation or servicing.
- Verify that supply voltage is correct by comparing it with the luminaire label information.
- Make all electrical and grounded connections in accordance with the National Electrical Code (NEC) and any applicable local code requirements.
- All wiring connections should be capped with UL approved recognized wire connectors.
WARNING RISK OF BURN
- Disconnect or turn off power before installation or servicing.
- Verify that supply voltage is correct by comparing it with the luminaire label information.
- Make all electrical and grounded connections in accordance with the National Electrical Code (NEC) and any applicable local code requirements.
- All wiring connections should be capped with UL approved recognized wire connectors.
CAUTION
- Wear gloves and safety glasses at all times when removing luminaire from carton, installing, servicing or performing maintenance.
- Avoid direct eye exposure to the light source while it is on.
CAUTION
- Keep combustible and other materials that can burn, away from lamp/lens.
- Do not operate in close proximity to persons, combustible materials or substances affected by heat or drying.
CAUTION: RISK OF PRODUCT
- Never connect components under load.
- Do not mount or support these fixtures in a manner that can cut the outer jacket or damage wire insulation.
- Unless individual product specifications deem otherwise: Never connect an LED product directly to a dimmer packs, occupancy sensors, timing devices, or other related control devices. LED fixtures must be powered directly off a switched circuit.
- Unless individual product specifications deem otherwise: Do not restrict fixture ventilation. Allow for some volume of airspace around fixture. Avoid covering LED fixtures with insulation, foam, or other material that will prevent convection or conduction cooling.
- Unless individual product specifications deem otherwise: Do not exceed fixtures maximum ambient temperature.
- Only use fixture in its intended location.
- LED products are Polarity Sensitive. Ensure proper Polarity before installation.
- Electrostatic Discharge (ESD): ESD can damage LED fixtures. Personal grounding equipment must be worn during all installation or servicing of the unit.
- Do not touch individual electrical components as this can cause ESD, shorten lamp life, or alter performance.
- Some components inside the fixture may not be serviceable. In the unlikely event your unit may require
- service, stop using the unit immediately and contact an ABL representative for assistance.
- Always read the fixtures complete installation instructions prior to installation for any additional fixture specific warnings.
Please see product specific installation instructions for additional warnings or any applicable FCC or other regulatory statements.
Failure to follow any of these instructions could void product warranties. For a complete listing of product Terms and Conditions, please visit www.acuitybrands.com.
Indoor/Outdoor
Indoor Lighting
Outdoor Lighting
Controls
Lithonia Lighting
Gotham
American Electric Lighting
Dark to Light
Carandini
Mark Architectural Lighting
Antique Street Lamps
Lighting Control & Design
Holophane
Peerless
Hydrel
ROAM
RELOC
Renaissance Lighting
Tersen
Sensor Switch
Winona Lighting
Synergy
Acuity Brands Lighting, Inc. assumes no responsibility for claims arising out of improper or careless installation or handling of its products.
ABL LED General Warnings, Form No. 503.203
© 2019 Acuity Brands Lighting, Inc. All rights reserved. 07/31/19
INTRODUCTION
Specification Architectural Flood Model SAF 7LED and SAF 14LE
Model SAF 7LED – Knuckle Mount

Model SAF 7LED – Yoke Mount

Model SAF 14LED – Knuckle Mount

Model SAF 14LED – Yoke Mount
Product Description
LED Accent Luminaires listed to applicable U.S. & Canadian safety standards by the Canadian Standards Association (CSA). These luminaires are suitable for ground, wall & pole mounting, as well as for wet location installations. These devices comply with Part 15 of the FCC Rules. Operation is subject to the following two conditions: (1) Device may not cause harmful interference, and (2) Device must accept any interference received, including interference that may cause undesired operation.
Technical Information Sources
If additional questions arise relative to these luminaires that this document or your supplier cannot answer, please refer them to:
Architectural Technical Support – Hydrel (888) 834-5684, Press #5 for Hydrel
INSTALLATION
These Luminaires (Fixtures) may be mounted directly onto a UL approved junction box, or optional ground mounts, wall mounts, or pole mounts.
Warning: Turn Off supply power prior to making any electrical connections.
Ground Mounting
- Install mounting accessory of choice in desired location using appropriate fasteners (by others). Ground mounting options shown below (sold separately).


- Attach the Luminaire to mounting accessory:
Knuckle Version: Open mounting accessory’s splice compartment & position the luminaire on the mounting accessory. Ensure the Gasket is placed between the luminaire and the mounting accessory. Secure the luminaire to the mounting accessory using the Backup Nut (Torque to 30 in-lb).
Yoke Version:- Open mounting accessory’s splice compartment & secure Cord Seal Fastener Body, and provided O-Ring, to the mounting accessory using the Lock Nut & Lock Washer (Torque to 30 in-lb).

- Insert Cord Set Nut, Nylon Washer & Grommet onto the Luminaire Flexible cord.
- Secure Luminaire Yoke to the mounting accessory using the Retaining Lock Nut (Torque to 30 in-lb).
- Route luminaire flexible cord into the mounting accessory, make electrical connections, and secure Luminaire Flexible Cord using the Cord Set Nut (Torque to 25 in-lb).


- Open mounting accessory’s splice compartment & secure Cord Seal Fastener Body, and provided O-Ring, to the mounting accessory using the Lock Nut & Lock Washer (Torque to 30 in-lb).
- Aim Luminaire:
Knuckle Version:- Loosen Knuckle Fastener.
- Locate lock disengagement slot.
- Insert large flat blade screwdriver into slot and pull screwdriver handle away from luminaire’s body releasing the Knuckle Lock.
- Adjust luminaire and re-tighten the Knuckle Fastener (Torque to 25 in-lb).


Yoke Version:- Loosen Yoke Lock center fastener on each yoke lock.
- Locate lock disengagement slots.
- Insert large flat blade screwdriver into slots and pull screwdriver handle away from luminaire’s body releasing the Yoke Lock.
- Adjust luminaire and re-tighten center Yoke Lock fasteners (Torque to 25 in-lb).


Wall Mounting – AWSC Option
- Attach Mounting Plate to mounting surface using appropriate fastener(s). (Fasteners by others)
- Attach Splice Cover to Mounting Plate using provided fasteners.
- Secure Luminaire to Fixture Mount: Ensure gasket is placed between the Luminaire’s bottom section and the Fixture Mount. Secure the Luminaire to the Fixture Mount using provided Backup Nut (Torque to 30 in-lb).

- Route Luminaire wires to Junction Box and make all wiring connections.
- Attach Luminaire & Fixture Mount to the Mounting Plate using provided fasteners (Torque to 25 in-lb).

- Aim luminaire:
- Loosen Knuckle Fastener.
- Locate lock disengagement slot.
- Insert large flat blade screwdriver into slot and pull screwdriver handle away from luminaire’s body releasing the Knuckle Lock.
- Adjust luminaire and re-tighten the Knuckle Fastener (Torque to 25 in-lb).

Wall Mounting – CWMA Options
- Secure CWMA to mounting surface using appropriate fasteners. (Fasteners by others)
- Open Splice Cover and make necessary electrical connections.
- Secure Luminaire to the CWMA mounting accessory: Ensure the gasket is placed between Luminaire’s lower section & CWMA end, or top, section. Secure the Luminaire to the CWMA end or top section using provided Backup Nut (Torque to 30 in-lb).
- Route Luminaire wires into the CWMA mounting accessory and make all wiring connections.
- Aim luminaire:
- Loosen Knuckle Fastener.
- Locate lock disengagement slot.
- Insert large flat blade screwdriver into slot and pull screwdriver handle away from luminaire’s body releasing the Knuckle Lock.
- Adjust luminaire and re-tighten the Knuckle Fastener (Torque to 25 in-lb).


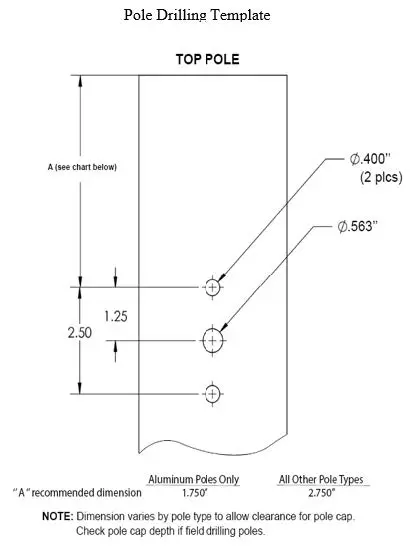
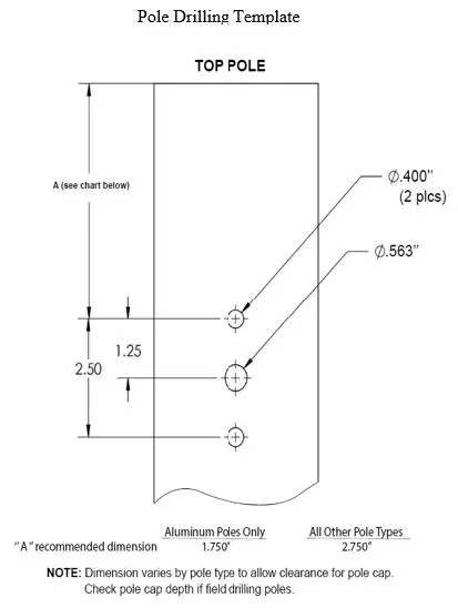
Pole Mounting – ADPMS / ADPMR
- Pole Type:
- For Square Poles: (Recommended minimum pole mounting side width 3.7 inches) Secure the Mounting Bracket & Arm Upper Section to the Square Pole using provided fasteners, lock washers and Back Plate (Torque Bolts to 30 in-lb).


- For Round Poles: (Compatible with 4 inch outer diameter Round & Tapered Poles) Secure the Arm Upper Section to the Round Pole using provided fasteners, lock washers and Back Plate (Torque Bolts to 30 in-lb).


- For Square Poles: (Recommended minimum pole mounting side width 3.7 inches) Secure the Mounting Bracket & Arm Upper Section to the Square Pole using provided fasteners, lock washers and Back Plate (Torque Bolts to 30 in-lb).
- Secure luminaire to the Arm Upper Section using provided Backup Nut (Torque to 30 in-lbs) and make electrical connections.
- Attach the Arm Lower Section to the Arm Upper Section using provided fasteners.

- Aim luminaire:
- Loosen Knuckle Fastener.
- Locate lock disengagement slot.
- insert large flat blade screwdriver into slot and pull screwdriver handle away from luminaire’s body releasing the Knuckle Lock.
- Adjust luminaire and re-tighten the Knuckle Fastener (Torque to 25 in-lb).

Pole Mounting – APAR / APAS Top Version
- Pole Type:
- For Square Poles: (Recommended minimum p ole mounting side width 3.7 inches) Secure the Mounting Bracket & Arm Upper Section to the Square Pole using provided fasteners, lock washers and Back Plate (Torque Bolts to 30 in-l b).


- For Round Poles: (Compatible with 4 inch outer diameter Round & Tapered Poles) Secure the Arm Upper Section to the Round Pole using provided fasteners, lock washers and Back Plate (Torque Bolts to 30 in-lb).


- For Square Poles: (Recommended minimum p ole mounting side width 3.7 inches) Secure the Mounting Bracket & Arm Upper Section to the Square Pole using provided fasteners, lock washers and Back Plate (Torque Bolts to 30 in-l b).
- Secure luminaire to the Arm Upper Section using provided Backup Nut (Torque to 30 in-lb) and make electrical connections.
- Attach the Arm Lower Section to the Arm Upper Section using provided fasteners.

- Aim luminaire:
- Loosen Knuckle Fastener.
- Locate lock disengagement slot.
- Insert large flat blade screwdriver into slot and pull screwdriver handle away from luminaire’s body releasing the Knuckle Lock.
- Adjust luminaire and re-tighten the Knuckle Fastener (Torque to 25 in-lb).

Pole Mounting – AMPC
- Secure Luminaire to preferred AMPC Side using provided Backup Nut (Torque to 30 in-lb).
- If applicable, secure luminaire’s optional safety wire to the AMPC.
- Feed fixture wiring through electrical hole on pole.

- Position the Luminaire & AMPC at desired pole height.
- Secure AMPC sides to each other using provided fasteners (2 fasteners for AMPC4, 4 fasteners for AMPC6). Torque to 45 in-lb.
- Make needed electrical connections in pole.
- Aim Luminaire to desired angle.

External Accessories
- Position the Top Clamp, Bottom Clamp, and Gap Pad, around the Luminaire Housing as shown. Place the Clamp Fasteners in place and tighten each fastener to 30 in-lb.

- Position the external accessory of choice (Wireguard, or Full Glare Shield, or Cutoff Glare Shield) in the outer clamp section. Align threaded holes with those in the clamp section, place the Accessory Fasteners in place and tighten each fastener to 30 in-lb.


Electrical Connections
Warning: Turn Off supply power prior to making any electrical connections.
For fixtures equipped with DMX control, a Acuity DPI Box and Acuity approved dimming device must be used (See Hydrel INS DPI Installation Instructions for details). To wire, locate the yellow (DMX Common), orange (DMX-), and red (DMX+) control leads at the end of supply cable. Make connections as required utilizing an Acuity Brands approved DMX control device. See Figures 2.5.1-A, 2.5.1-B and 2.5.1-C.

Dimming Option

DMX Option

Warning: MAINTAINING CORRECT POLARITY OF THE DMX CONTROL LEADS TO THE FIXTURE IS CRITICAL. IMPROPER POLARITY CONNECTIONS COULD RESULT IN UNEXPECTED CONTROL RESULTS OR DAMAGE TO FIXTURE DMX CO NTROL CIRCUIT.



Daisy-Chaining Option
When daisy chaining, cable length between fixture (or Luminaire) and Junction Box should be limited to 3ft. If longer lengths are needed, consult factory. Not recommended to use more than qty 4 DMX/RDM repeater boxes (DPI4WHYD) in one linear run or one DMX/RDM repeater boxes (DPI4WHYD) with 4 runs of 32 fixtures. Total DMX run length limited to 32 fixtures or 1000ft (contact factory for longer run lengths) Reference the below chart for max fixture count per run.
| Fixture Model | Watts | 120V | 208V | 240V | 277V |
| SAF7 RGB/RGBW | 45W | 32 | 32 | 32 | 32 |
| SAF14 RGB/RGBW | 100W | 19 | 32 | 32 | 32 |
| SAF28 RGB/RGBW | 200W | 9 | 16 | 19 | 22 |
Note: Data references 14AWG wire with 16A max. DMX terminators are required at the end of each fixture run on the DMX network cable (supplied by others or included with DPI4WHYD).
Recommended Combined Power & Data Cable: UL/CSA Listed, Type SOOW, 16 AWG, 6 conductors.
Recommended DMX Network Cables:
- Needs twisted pair for Data + / Data – (can be shielded) plus a data common
- Must be appropriate for RS485 networks:
- ~120 ohm characteristic impedance
- Low capacitance
- Others (Belden 9842, 9729, 9829; etc.)
NEVER USE:
- Microphone cable, generic wire
- Mix of different cables without a repeater.
Reference NEC Article 725 code. Barrier required inside junction box to separate Class 2 wires from class 1 wires.

MAINTENANCE
Cleaning of Luminaire – Use a soft, clean cloth with mild detergent and water to clean and remove debris from the exterior portions of the luminaire’s housing and lens.
Caution – Do not use abrasive or organic cleaners such as acetone or ammonia on luminaire’s housing or lens. Thei r use may damage painted surfaces or affect optical performance.

Electrical Component Replacement
- Replacement of any electrical component requiring access to the interior of the luminaire housing will require power being shut off before entering the luminaire. All work should be performed by personnel qualified to work on solid state luminaires.
- Disconnect power to the luminaire prior to accessing the driver compartment and performing any maintenance.
- Remove Back Cover by removing applicable fasteners.

Surge Protector Replacement:
Locate the surge protector device. Disconnect the surge device from circuit and remove it from the luminaire. Replace wit h Hydrel approved replacement surge protector using existing mounting option and connect device to the circuit. Torque Surge Protector fasteners to 25 in-lb.
NOTE: The surge protector device must be reconnected in the same wiring configuration as the removed device to ensure proper and safe operation.
LED Driver Replacement: Locate the LED Driver, disconnect it from the input power and output load, and remove it from the luminaire. Install new LED Driver and secure in place in place using existing mounting option (Torque LED Driver fasteners to 25 in-lb). Connect new LED Driver to existing input and load conductors.
Secure the Back Cover to the luminaire using provided fasteners (Torque fasteners to 25 in-lb).

NOTE: HYDREL RESERVES THE RIGHT TO MODIFY SPECIFICATION WITHOUT NOTICE.
Any dimension on this sheet is to be assumed as a reference dimension:
“Used for information purposes only. It does not govern manufacturing or inspection requirements.” (ANSI Y14.5-1973)
SAF7 & SAF14 | 07/22/22 | REV 12
©2019 Hydrel Rev. | One Lithonia Way, Conyers, GA 30012 Phone: 1800.705.SERV (7378) | www.hydrel.com



Yoke Version:












































