DIGILENT Anvyl FPGA Board

Product Information
The AnvylTM FPGA Board is a high-performance logic board optimized for use with the Spartan-6 LX45 FPGA. It offers various features including 6,822 slices, 2.1Mbits of fast block RAM, clock tiles with DCMs and PLLs, DSP slices, and clock speeds of 500MHz+. The board also comes with a comprehensive collection of board support IP and reference designs, as well as a large collection of add-on boards available on the Digilent website.
Features of the AnvylTM FPGA Board include FPGA configuration options, power supply requirements, and compatibility with Adept System for easy programming.
FPGA Configuration:
The Anvyl board has an on-board mode jumper (JP2) that allows you to select between JTAG/USB and ROM programming modes. If JP2 is not loaded, the FPGA will automatically configure itself from the ROM. If JP2 is loaded, the FPGA will remain idle after power-on until configured from the JTAG or Serial programming port (USB memory stick).
Both Digilent and Xilinx provide software for programming the FPGA and the SPI ROM. Programming files are stored within the FPGA in SRAM-based memory cells. This data defines the FPGA’s logic functions and circuit connections and remains valid until erased by removing power, asserting the PROG_B input, or overwritten by a new configuration file.
The FPGA can also be programmed from a FAT formatted memory stick attached to the USB-HID HOST port (J14) if the stick contains a single .bit configuration file in the root directory, JP2 is loaded, and board power is cycled. The FPGA will automatically reject any .bit files that are not built for the proper FPGA.
Power Supplies:
The Anvyl board requires an external 5V, 4A or greater power source with a center positive, 2.1mm internal diameter coax plug. A suitable power supply is provided as part of the Anvyl kit. Voltage regulator circuits from Analog Devices create the required 3.3V, 1.8V, and 1.2V supplies from the main 5V supply. A power-good LED (LD19) indicates that all supplies are operating normally.
The different power rails on the board provide power to various components such as USB-HID connectors, TFT touchscreen controller, HDMI, expansion connector, SRAM, Ethernet PHY I/O, USB-HID controllers, FPGA I/O, oscillators, SPI Flash, Audio codec, TFT display, OLED display, GPIO, and Pmods.
Adept System:
Adept is a software system that provides a simplified configuration interface for programming the Anvyl board. To program the Anvyl board using Adept, you need to set up the board and initialize the software.
Product Usage Instructions
- Ensure the Anvyl board is powered off.
- If you want to configure the FPGA from the ROM, ensure that the on-board mode jumper (JP2) is not loaded. If you want to configure the FPGA from JTAG or USB, load JP2.
- If you want to program the FPGA from a memory stick, make sure it is FAT formatted and contains a single .bit configuration filein the root directory.
- Connect the external power supply with a center positive, 2.1mminternal diameter coax plug to provide the required 5V, 4A or greater power source.
- Once the power supply is connected, the power-good LED (LD19) should indicate that all supplies are operating normally.
- If using Adept System for programming, set up the Anvyl board and initialize the software according to the Adept documentation.
- Follow the specific programming instructions provided by Digilent or Xilinx to program the FPGA using JTAG, USB, or ROM methods.
- Refer to the additional documentation and resources available on the Digilent website for further information on utilizing the board’s features and compatibility with add-on boards.
Overview
The Anvyl FPGA development platform is a complete, ready-to-use digital circuit development platform based on a speed grade -3 Xilinx Spartan-6 LX45 FPGA. The large FPGA, along with the 100-mbps Ethernet, HDMI Video, 128MB DDR2 memory, 4.3″ LED backlit LCD touchscreen, 128×32 pixel OLED display, 630 tie-point breadboard, multiple USB HID controllers, and I2S audio codec, makes the Anvyl an ideal platform for an FPGA learning station capable of supporting embedded processor designs based on Xilinx’s MicroBlaze. The Anvyl is compatible with all Xilinx CAD tools, including ChipScope, EDK, and the free ISE WebPACK™, so designs can be completed at no extra cost. The board dimensions are 27.5cm x 21cm.
The Spartan-6 LX45 is optimized for high performance logic and offers:
- 6,822 slices, each containing four input LUTs and eight flip-flops
- 2.1Mbits of fast block RAM
- four clock tiles (eight DCMs & four PLLs)
- 58 DSP slices
- 500MHz+ clock speeds
A comprehensive collection of board support IP and reference designs, and a large collection of add-on boards are available on the Digilent website. See the Anvyl page at www.digilentinc.com for more information.

Features include:
- Spartan6-LX45 FPGA:XC6SLX45-CSG484-3
- 128MB DDR2 SDRAM
- 2MB SRAM
- 16MB QSPI FLASH for configuration and data storage
- 10/100 Ethernet PHY
- HDMI Video Output
- 12-bit VGA port
- 4.3″ wide-format vivid color LED backlit LCD screen
- 128×32 pixel 0.9” WiseChip/Univision UG-23832HSWEG04 OLED graphic display panel
- three two-digit Seven Segment LED displays
- I2S Audio codec with line-in, line-out, mic, and headphone
- 100MHz Crystal Oscillator
- on-board USB2 ports for programming and USB-HID devices (for mouse/keyboard)
- Digilent USB-JTAG circuitry with USB-UART functionality
- keypad with 16 labeled keys (0-F)
- GPIO: 14 LEDs (10 red, 2 yellow, 2 green), 8 slide switches, 8 DIP switches in 2 groups and 4 push buttons
- breadboard with 10 Digital I/O’s
- 32 I/O’s routed to 40-pin expansion connector (I/O’s are shared with Pmod ports)
- seven 12-pin Pmod ports with 56 I/O’s total
- ships with a 20W power supply and USB cable
FPGA Configuration
After being turned on, the FPGA on the Anvyl board must be configured (or programmed) before it can perform any functions. The FPGA can be configured in three ways: a PC can use the Digilent USB-JTAG circuitry (port J12, labeled “PROG”) to program the FPGA any time power is on, a configuration file stored in the onboard SPI Flash ROM can be automatically transferred to the FPGA at power-on, or a programming file can be transferred from a USB memory stick to the USB HID port labeled “Host” (J14).
An on-board mode jumper (JP2) selects between JTAG/USB and ROM programming modes. If JP2 is not loaded, the FPGA will automatically configure itself from the ROM. If JP2 is loaded, the FPGA will remain idle after power-on until configured from the JTAG or Serial programming port (USB memory stick).
Both Digilent and Xilinx freely distribute software that can be used to program the FPGA and the SPI ROM. Programming files are stored within the FPGA in SRAM-based memory cells. This data defines the FPGA’s logic functions and circuit connections, and it remains valid until it is erased by removing power, asserting the PROG_B input, or until it is overwritten by a new configuration file.
FPGA configuration files transferred via the JTAG port and from a USB stick use the .bit file type, and SPI programming files use the .mcs file type. Xilinx’s ISE WebPack and EDK software can create .bit files from VHDL, Verilog, or schematic-based source files (EDK is used for MicroBlaze™ embedded processor based designs). Once a .bit file has been created, the Anvyl’s FPGA can be programmed with it over the USB-JTAG circuitry (port J12) using either Digilent’s Adept software or Xilinx’s iMPACT software. To generate a .mcs file from a .bit file, use the PROM File Generator tool within Xilinx’s iMPACT software. The .mcs file can then be programmed to the SPI Flash using iMPACT.
The FPGA can also be programmed from a FAT formatted memory stick attached to the USB-HID HOST port (J14) if the stick contains a single .bit configuration file in the root directory, JP2 is loaded, and board power is cycled. The FPGA will automatically reject any .bit files that are not built for the proper FPGA.
Power Supplies
The Anvyl board requires an external 5V, 4A or greater power source with a center positive, 2.1mm internal diameter coax plug (a suitable supply is provided as part of the Anvyl kit). Voltage regulator circuits from Analog Devices create the required 3.3V, 1.8V and 1.2V supplies from the main 5V supply. A power-good LED (LD19), driven by the wired OR of all the power-good outputs on the supplies, indicates that all supplies are operating normally. The following devices are present on each rail:
- 5V : USB-HID connectors, TFT touchscreen controller, HDMI, and expansion connector
- 3.3V : SRAM, Ethernet PHY I/O, USB-HID controllers, FPGA I/O, oscillators, SPI Flash, Audio codec, TFT display, OLED display, GPIO, Pmods, and expansion connector
- 1.8V : DDR2, USB-JTAG/USB-UART controller, FPGA I/O, and GPIO
- 1.2V : FPGA core and Ethernet PHY core
Adept System
Adept has a simplified configuration interface. To program the Anvyl board using Adept, first set up the board and initialize the software:
- plug in and attach the power supply
- plug in the USB cable to the PC and to the USB PROG port on the board
- start the Adept software
- turn ON Anvyl’s power switch
- wait for the FPGA to be recognized
Use the browse function to associate the desired .bit file with the FPGA, and click on the Program button. The configuration file will be sent to the FPGA, and a dialog box will indicate whether programming was successful. The configuration “done” LED will light up after the FPGA has been successfully configured. Before starting the programming sequence, Adept ensures that any selected configuration files contain the correct FPGA ID code – this prevents incorrect .bit files from being sent to the FPGA. In addition to the navigation bar and browse and program buttons, the configuration interface provides an Initialize Chain button, console window, and status bar. The Initialize Chain button is useful if USB communications with the board have been interrupted. The console window displays current status, and the status bar shows real-time progress when downloading a configuration file.
DDR2 Memory
A single 1Gbit DDR2 memory chip is driven from the memory controller block in the Spartan-6 FGPA. The DDR2 device, a MT47H64M16HR-25E or equivalent, provides a 16-bit bus and 64M locations. The Anvyl board has been tested for DDR2 operation at up to an 800MHz data rate. The DDR2 interface follows the pin-out and routing guidelines specified in the Xilinx Memory Interface Generator (MIG) User Guide. The interface supports SSTL18 signaling, and all address, data, clocks, and control signals are delay-matched and impedance-controlled. Two well-matched DDR2 clock signal pairs are provided so the DDR can be driven with low-skew clocks from the FPGA.
Flash Memory
The Anvyl board uses a 128Mbit Numonyx N25Q128 Serial flash memory device (organized as 16Mbit by 8) for non-volatile storage of FPGA configuration files. The SPI Flash can be programmed with a .mcs file using the iMPACT software. An FPGA configuration file requires less than 12Mbits, leaving 116Mbits available for user data. Data can be transferred to and from a PC to/from the flash device by user applications, or by facilities built into the iMPACT PROM file generation software. User designs programmed into the FPGA can also transfer data to and from the flash.
A board test/demonstration program is loaded into the SPI Flash during manufacturing.

Ethernet PHY
The Anvyl board includes an SMSC 10/100 mbps PHY (LAN8720A-CP-TR) paired with a Halo HFJ11-2450E RJ-45 connector. The PHY is connected to the FPGA using a RMII configuration. It is configured to boot into “All Capable, with Auto Negotiation Enabled” mode on power-on. The data sheet for the SMSC PHY is available from the SMSC website.
HDMI Output
The Anvyl board contains one unbuffered HDMI output port. The unbuffered port uses an HDMI type A connector. Since the HDMI and DVI systems use the same TMDS signaling standard, a simple adaptor (available at most electronics stores) can be used to drive a DVI connector from the HDMI output port. The HDMI connector does not include VGA signals, so analog displays cannot be driven.
The 19-pin HDMI connectors include four differential data channels, five GND connections, a one-wire Consumer Electronics Control (CEC) bus, a two-wire Display Data Channel (DDC) bus that is essentially an I2C bus, a Hot Plug Detect (HPD) signal, a 5V signal capable of delivering up to 50mA, and one reserved (RES) pin. Of these, the differential data channels, I2C bus, and CEC are connected to the FPGA.
VGA
The Anvyl provides a 12bit VGA interface which allows up to 4096 colors displayed on a standard VGA Monitor. The five standard VGA signals Red, Green, Blue, Horizontal Sync (HS), and Vertical Sync (VS) are routed directly from the FPGA to the VGA connector. There are four signals routed from the FPGA for each of the standard VGA color signals resulting in a video system that can produce 4,096 colors. Each of these signals has a series resistor that when combined in the circuit, form a divider with the 75-ohm termination resistance of the VGA display. These simple circuits ensure that the video signals cannot exceed the VGA-specified maximum voltage, and result in color signals that are either fully on (.7V), fully off (0V) or somewhere in between.
Figure 2. VGA interface.

Figure 3. HD DB-15 connector, PCB hole pattern, pin assignments, and color-signal mapping.
CRT-based VGA displays use amplitude-modulated moving electron beams (or cathode rays) to display information on a phosphor-coated screen. LCD displays use an array of switches that can impose a voltage across a small amount of liquid crystal, thereby changing light permittivity through the crystal on a pixel-by-pixel basis. Although the following description is limited to CRT displays, LCD displays have evolved to use the same signal timings as CRT displays (so the “signals” discussion below pertains to both CRTs and LCDs). Color CRT displays use three electron beams (one for red, one for blue, and one for green) to energize the phosphor that coats the inner side of the display end of a cathode ray tube (see Fig. 1). Electron beams emanate from “electron guns”, which are finely-pointed heated cathodes placed in close proximity to a positively charged annular plate called a “grid”. The electrostatic force imposed by the grid pulls rays of energized electrons from the cathodes, and those rays are fed by the current that flows into the cathodes. These particle rays are initially accelerated towards the grid, but they soon fall under the influence of the much larger electrostatic force that results from the entire phosphor-coated display surface of the CRT being charged to 20kV (or more). The rays are focused to a fine beam as they pass through the center of the grids, and then they accelerate to impact on the phosphor-coated display surface. The phosphor surface glows brightly at the impact point, and it continues to glow for several hundred microseconds after the beam is removed. The larger the current fed into the cathode, the brighter the phosphor will glow.

Between the grid and the display surface, the electron beam passes through the neck of the CRT where two coils of wire produce orthogonal electromagnetic fields. Because cathode rays are composed of charged particles
(electrons), they can be deflected by these magnetic fields. Current waveforms are passed through the coils to produce magnetic fields that interact with the cathode rays and cause them to transverse the display surface in a “raster” pattern, horizontally from left to right and vertically from top to bottom. As the cathode ray moves over the surface of the display, the current sent to the electron guns can be increased or decreased to change the brightness of the display at the cathode ray impact point.
VGA System Timing
VGA signal timings are specified, published, copyrighted and sold by the VESA organization (www.vesa.org). The following VGA system timing information is provided as an example of how a VGA monitor might be driven with a resolution of 640×480. For more precise information, or for information on other VGA frequencies, refer to documentation available at the VESA website.
Information is only displayed when the beam is moving “forward” (left to right and top to bottom), and not during the time the beam is reset back to the left or top edge of the display. Much of the potential display time is therefore lost in “blanking” periods when the beam is reset and stabilized to begin a new horizontal or vertical display pass. The size of the beams, the frequency at which the beam can be traced across the display, and the frequency at which the electron beam can be modulated determine the display resolution. Modern VGA displays can accommodate different resolutions, and a VGA controller circuit dictates the resolution by producing timing signals to control the raster patterns. The controller must produce synchronizing pulses at 3.3V (or 5V) to set the frequency at which current flows through the deflection coils, and it must ensure that video data is applied to the electron guns at the correct time. Raster video displays define a number of “rows” that corresponds to the number of horizontal passes the cathode makes over the display area, and a number of “columns” that corresponds to an area on each row that is assigned to one “picture element” or pixel. Typical displays use from 240 to 1200 rows and from 320 to 1600 columns. The overall size of a display and the number of rows and columns determines the size of each pixel.
Video data typically comes from a video refresh memory, with one or more bytes assigned to each pixel location (the Anvyl uses four bits per pixel). The controller must index into video memory as the beams move across the display, and retrieve and apply video data to the display at precisely the time the electron beam is moving across a given pixel.

A VGA controller circuit must generate the HS and VS timings signals and coordinate the delivery of video data based on the pixel clock. The pixel clock defines the time available to display one pixel of information. The VS signal defines the “refresh” frequency of the display, or the frequency at which all information on the display is redrawn. The minimum refresh frequency is a function of the display’s phosphor and electron beam intensity, with practical refresh frequencies falling in the 50Hz to 120Hz range. The number of lines to be displayed at a given refresh frequency defines the horizontal “retrace” frequency. For a 640-pixel by 480-row display using a 25MHz pixel clock and 60 +/-1Hz refresh, the signal timings shown in the table below can be derived. Timings for sync pulse width and front and back porch intervals (porch intervals are the pre- and post-sync pulse times during which information cannot be displayed) are based on observations taken from actual VGA displays.
A VGA controller circuit decodes the output of a horizontal-sync counter driven by the pixel clock to generate HS signal timings. This counter can be used to locate any pixel location on a given row.
Likewise, the output of a vertical-sync counter that increments with each HS pulse can be used to generate VS signal timings, and this counter can be used to locate any given row. These two continually running counters can be used to form an address into video RAM. No time relationship between the onset of the HS pulse and the onset of the VS pulse is specified, so the designer can arrange the counters to easily form video RAM addresses, or to minimize decoding logic for sync pulse generation.

Audio (I2S)
The Anvyl board includes an Analog Devices audio codec SSM2603CPZ (IC5) with four 1/8″ audio jacks for line-out (J7), headphone-out (J6), line-in (J9), and microphone-in (J8).
Audio data sampling at up to 24 bits and 96KHz is supported, and the audio in (record) and audio out (playback) sampling rates can be set independently. The microphone jack is mono, and all other jacks are stereo. The headphone jack is driven by the audio codec’s internal amplifier. The datasheet for the SSM2603CPZ audio codec is available from the Analog Devices website.
Touchscreen TFT Display
A 4.3″ wide-format vivid color LED backlit LCD screen is used on the Anvyl. The screen has a 480×272 native resolution display with a color depth of 24 bits per pixel. A four-wire resistive touchscreen with antiglare coating covers the entire active display area. The LCD screen and the touchscreen can be used independently. Touch readings are noisier when the LCD is on, but you can filter the noise and still obtain a fast sample rate. If you require maximum precision and sample rates, you should turn the LCD off during touchscreen sampling.
To display an image, the LCD needs to be continuously driven with properly-timed data. This data consists of the lines and blanking periods that form video frames. Each frame consists of 272 active lines and several vertical blanking lines. Each line consists of 480 active pixel periods and several horizontal blanking periods.
For additional information on using the TFT Display, refer to the Vmod-TFT reference manual. The Anvyl and the Vmod-TFT use the same display hardware and require the same control signals. Reference designs that use the Anvyl touchscreen TFT display can be found on the Anvyl product page.
OLED
An Inteltronic/Wisechip UG-2832HSWEG04 OLED Display is used on the Anvyl. This provides a 128×32 pixel, passive-matrix, monochrome display. The display size is 30mm x 11.5mm x 1.45mm. An SPI interface is used to configure the display, as well as to send the bitmap data to the device. The Anvyl OLED displays the last image drawn on the screen until it is powered down or a new image is drawn to the display. Refreshing and updating is handled internally.
The Anvyl contains the same OLED circuit as the PmodOLED, with the exception that CS# is pulled low, enabling the display by default. For additional information on driving the Anvyl OLED, refer to the PmodOLED reference manual. Reference designs that use the Anvyl OLED display can be found on the Anvyl product page.
USB-UART Bridge (Serial Port)
The Anvyl includes an FTDI FT2232HQ USB-UART bridge to allow PC applications to communicate with the board using standard Windows COM port commands. Free USB-COM port drivers, available from www.ftdichip.com under the “Virtual Com Port” or VCP heading, convert USB packets to UART/serial port data. Serial port data is exchanged with the FPGA using a two-wire serial port (TXD/RXD) and software flow control (XON/XOFF). After the drivers are installed, I/O commands from the PC directed to the COM port will produce serial data traffic on the T19 and T20 FPGA pins.

The FT2232HQ, attached to port J12, is also used as the controller for the Digilent USB-JTAG circuitry, but these two functions behave entirely independent of one another. Programmers interested in using the UART functionality of the FT2232 within their design do not need to worry about the JTAG circuitry interfering with their data, and vice-versa.
USB HID Hosts
Two Microchip PIC24FJ128GB106 microcontrollers provide the Anvyl with USB HID host capability. Firmware in the microcontrollers can drive a mouse or a keyboard attached to the type A USB connectors at J13 and
J14 labeled
“HID” and “HOST”. Hubs are not supported, so only a single mouse or a single keyboard can be used at each port.

Figure 9. USB HID interface.
The “HOST” PIC24 drives four signals into the FPGA – two are dedicated as a keyboard/mouse port following the PS/2 protocol, and two are connected to the FPGA’s two-wire serial programming port, so the FPGA can be programmed from a file stored on a USB memory stick. To program the FPGA, attach a FAT formatted memory stick containing a single .bit programming file in the root directory, load JP2, and cycle board power. This will cause the PIC processor to program the FPGA, and any incorrect bit files will automatically be rejected. Note the PIC24 reads the FPGA’s mode, init, and done pins, and can drive the PROG pin as a part of the programming sequence.
HID Controller
To access a USB host controller, EDK designs can use the standard PS/2 core (non-EDK designs can use a simple state machine). 
Mice and keyboards that use the PS/2 protocol1 use a two-wire serial bus (clock and data) to communicate with a host device. Both use 11-bit words that include a start, stop, and odd parity bit, but the data packets are organized differently, and the keyboard interface allows bi-directional data transfers (so the host device can illuminate state LEDs on the keyboard). Bus timings are shown in the figure. The clock and data signals are only driven when data transfers occur, and otherwise they are held in the idle state at logic ‘1’. The timings define signal requirements for mouse-to-host communications and bi-directional keyboard communications. A PS/2 interface circuit can be implemented in the FPGA to create a keyboard or mouse interface.
Keyboard
The keyboard uses open-collector drivers so the keyboard, or an attached host device, can drive the two-wire bus (if the host device will not send data to the keyboard, then the host can use input-only ports).
PS/2-style keyboards use scan codes to communicate key press data. Each key is assigned a code that is sent whenever the key is pressed. If the key is held down, the scan code will be sent repeatedly about once every 100ms. When a key is released, an F0 (binary “11110000”) key-up code is sent, followed by the scan code of the released key. If a key can be shifted to produce a new character (like a capital letter), then a shift character is sent in addition to the scan code, and the host must determine which ASCII character to use. Some keys, called extended keys, send an E0 (binary “11100000”) ahead of the scan code (and they may send more than one scan code). When an extended key is released, an E0 F0 key-up code is sent, followed by the scan code. Scan codes for most keys are shown in the figure. A host device can also send data to the keyboard. Below is a short list of some common commands a host might send.
- ED: Set Num Lock, Caps Lock, and Scroll Lock LEDs. Keyboard returns FA after receiving ED, then host sends a byte to set LED status: bit 0 sets Scroll Lock, bit 1 sets Num Lock, and bit 2 sets Caps lock. Bits 3 to 7 are ignored.
- EE: Echo (test). Keyboard returns EE after receiving EE.
- F3: Set scan code repeat rate. Keyboard returns F3 on receiving FA, then host sends second byte to set the repeat rate.
- FE: Resend. FE directs keyboard to re-send most recent scan code.
- FF: Reset. Resets the keyboard.
The keyboard can send data to the host only when both the data and clock lines are high (or idle). Since the host is the bus master, the keyboard must check to see whether the host is sending data before driving the bus. To facilitate this, the clock line is used as a “clear to send” signal. If the host pulls the clock line low, the keyboard must not send any data until the clock is released. The keyboard sends data to the host in 11-bit words that contain a ‘0’ start bit, followed by 8-bits of scan code (LSB first), followed by an odd parity bit and terminated with a ‘1’ stop bit. The keyboard generates 11 clock transitions (at 20 to 30KHz) when the data is sent, and data is valid on the falling edge of the clock.
Not all keyboard manufacturers strictly adhere to the PS/2 specifications; some keyboards may not produce the proper signaling voltages or use the standard communication protocols. Compatibility with the USB host may vary between different keyboards. 1
Scan codes for most PS/2 keys are shown in the figure below.

Mouse
The mouse outputs a clock and data signal when it is moved, otherwise, these signals remain at logic ‘1’. Each time the mouse is moved, three 11-bit words are sent from the mouse to the host device. Each of the 11-bit words contains a ‘0’ start bit, followed by 8 bits of data (LSB first), followed by an odd parity bit, and terminated with a ‘1’ stop bit. Thus, each data transmission contains 33 bits, where bits 0, 11, and 22 are ‘0’ start bits, and bits 11, 21, and 33 are ‘1’ stop bits. The three 8-bit data fields contain movement data as shown in the figure above. Data is valid at the falling edge of the clock, and the clock period is 20 to 30KHz.
The mouse assumes a relative coordinate system wherein moving the mouse to the right generates a positive number in the X field, and moving to the left generates a negative number. Likewise, moving the mouse up generates a positive number in the Y field, and moving down represents a negative number (the XS and YS bits in the status byte are the sign bits – a ‘1’ indicates a negative number). The magnitude of the X and Y numbers represent the rate of mouse movement – the larger the number, the faster the mouse is moving (the XV and YV bits in the status byte are movement overflow indicators – a ‘1’ means overflow has occurred). If the mouse moves continuously, the 33-bit transmissions are repeated every 50ms or so. The L and R fields in the status byte indicate Left and Right button presses (a ‘1’ indicates the button is being pressed).

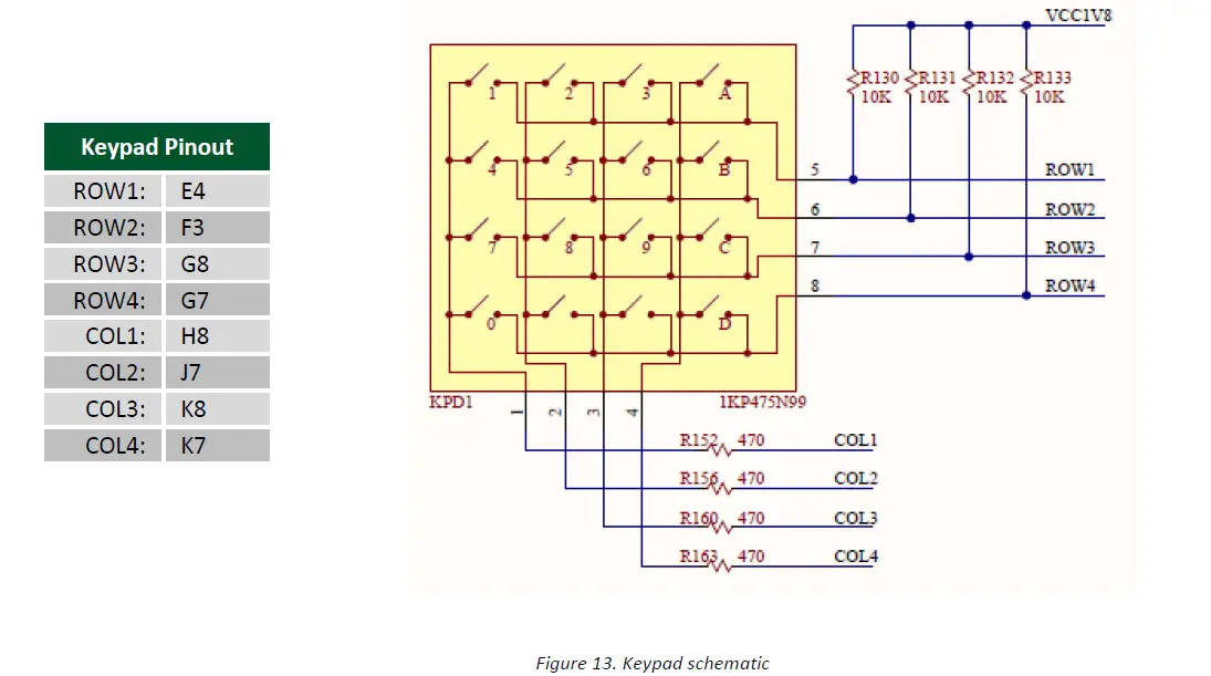
Keypad
The Anvyl keypad has 16 labeled keys (0-F). It is set up as a matrix in which each row of buttons from left to right are tied to a row pin, and each column from top to bottom is tied to a column pin. This gives the user four row pins and four column pins to address a button push. When a button is pressed, the pins corresponding to that button’s row and column are connected.
To read a button’s state, the column pin in which the button resides must be driven low while the other three column pins are driven high. This enables all of the buttons in that column. When a button in that column is pushed, the corresponding row pin will read logic low.
The state of all 16 buttons can be determined in a four-step process by enabling each of the four columns one at a time. This can be accomplished by rotating an “1110” pattern through the column pins. During each step, the logic levels of the row pins correspond to the state of the buttons in that column.
To allow simultaneous button presses in the same row, instead configure the column pins as bi-directional with internal pull-up resistors and keep the columns not currently being read at high impedance.

Oscillators/Clocks
The Anvyl board includes a single 100MHz Crystal oscillator connected to pin D11 (D11 is a GCLK input in bank 0). The input clock can drive any or all of the four clock management tiles in the Spartan-6. Each tile includes two Digital Clock Managers (DCMs) and one Phase-Locked Loop (PLLs).DCMs provide the four phases of the input frequency (0º, 90º, 180º, and 270º), a divided clock that can be the input clock divided by any integer from 2 to 16 or 1.5, 2.5, 3.5… 7.5, and two antiphase clock outputs that can be multiplied by any integer from 2 to 32 and simultaneously divided by any integer from 1 to 32.
PLLs use Voltage Controlled Oscillators (VCOs) that can be programmed to generate frequencies in the 400MHz to 1080MHz range by setting three sets of programmable dividers during FPGA configuration. VCO outputs have eight equally-spaced outputs (0º, 45º, 90º, 135º, 180º, 225º, 270º, and 315º) that can be divided by any integer between 1 and 128.
Basic I/O
The Anvyl board includes fourteen LEDs (ten red, two yellow, and two green), eight slide switches, eight DIP switches in two groups, four push buttons, three two-digit seven-segment displays, and a 630 tie-point breadboard with ten digital I/O’s. The push buttons, slide switches and DIP switches are connected to the FPGA via series resistors to prevent damage from inadvertent short circuits (a short circuit could occur if an FPGA pin assigned to a pushbutton or slide switch was inadvertently defined as an output). The pushbuttons are “momentary” switches that normally generate a low output when they are at rest, and a high output only when they are pressed. Slide switches and DIP switches generate constant high or low inputs depending on their position. The ten digital breadboard I/O’s (BB1 – BB10) are connected directly to the FPGA so that they can easily be incorporated into custom circuits.
| Push Buttons | Slide Switches | DIP Switches | LEDs | Breadboard | ||||
| BTN0: E6 | SW0: V5 | DIP8-1: G6 | LD0: W3 | LD9: R7 | BB1: AB20 | BB9: R19 | ||
| BTN1: D5 | SW1: U4 | DIP8-2: G4 | LD1: Y4 | LD10: U6 | BB2: P17 | BB10: V19 | ||
| BTN2: A3 | SW2: V3 | DIP8-3: F5 | LD2: Y1 | LD11: T8 | BB3: P18 | |||
| BTN3: AB9 | SW3: P4 | DIP8-4: E5 | LD3: Y3 | LD12: T7 | BB4: Y19 | |||
| SW4: R4 | DIP9-1: F8 | LD4: AB4 | LD13: W4 | BB5: Y20 | ||||
| SW5: P6 | DIP9-2: F7 | LD5: W1 | LD14: U8 | BB6: R15 | ||||
| SW6: P5 | DIP9-3: C4 | LD6: AB3 | BB7: R16 | |||||
| SW7: P8 | DIP9-4: D3 | LD7: AA4 | BB8: R17 | |||||
Table 1. Basic I/O pinout.
Seven-Segment Display
The Anvyl board contains three 2-digit common cathode seven-segment LED displays. Each of the two digits is composed of seven segments arranged in a “figure eight” pattern, with an LED embedded in each segment. Segment LEDs can be individually illuminated, so any one of 128 patterns can be displayed on a digit by illuminating certain LED segments and leaving the others dark. Of these 128 possible patterns, the ten corresponding to the decimal digits are the most useful.
The common cathode signals are available as six “digit enable” input signals to the three 2-digit displays. The anodes of similar segments on all six digits are connected into seven circuit nodes labeled AA through AG (so, for example, the six “D” anodes from the six digits are grouped together into a single circuit node called “AD”). These seven anode signals are available as inputs to the 2-digit displays. This signal connection scheme creates a multiplexed display, where the anode signals are common to all digits but they can only illuminate the segments of the digit whose corresponding cathode signal is asserted.
A scanning display controller circuit can be used to show a two-digit number on each display. This circuit drives the cathode signals and corresponding anode patterns of each digit in a repeating, continuous succession, at an update rate that is faster than the human eye response. Each digit is illuminated just one-sixth of the time, but because the eye cannot perceive the darkening of a digit before it is illuminated again, the digit appears continuously illuminated. If the update (or “refresh”) rate is slowed to a given point (around 45 hertz), then most people will begin to see the display flicker.
In order for each of the six digits to appear bright and continuously illuminated, each digit should be driven once every 1 to 16ms (for a refresh frequency of 1KHz to 60Hz). For example, in a 60Hz refresh scheme, the entire display would be refreshed once every 16ms, and each digit would be illuminated for 1/6 of the refresh cycle, or 2.67ms. The controller must assure that the correct anode pattern is present when the corresponding cathode signal is driven. To illustrate the process, if Cat1 is asserted while AB and AC are asserted, then a “1” will be displayed in digit position 1. Then, if Cat2 is asserted while AA, AB and AC are asserted, then a “7” will be displayed in digit position 2. If Cat1 and AB, AC are driven for 8ms, and then Cat2 and AA, AB, AC are driven for 8ms in an endless succession, the display will show “17”. An example timing diagram for a two-digit controller is shown below.


Expansion Counters
The Anvyl board has a 2×20 pin connector and seven 12-pin Pmod ports. Pmod ports are 2×6 right-angle, 100-mil female connectors that work with standard 2×6 pin headers available from a variety of catalog distributors. Each 12-pin Pmod port provides two 3.3V VCC signals (pins 6 and 12), two Ground signals (pins 5 and 11), and eight logic signals. VCC and Ground pins can deliver up to 1A of current. Pmod data signals are not matched pairs, and they are routed using best-available tracks without impedance control or delay matching. Digilent produces a large collection of Pmod accessory boards that can attach to the Pmod ports. We have a set of recommended Pmods for the Anvyl called the “Anvyl Pmod Pack”.

The 40-pin expansion connector has 32 I/O signals that are shared with Pmods JD, JE, JF and JG. It also provides GND, VCC3V3, and VCC5V0 connections.
| Pmod JA | Pmod JB | Pmod JC | Pmod JD | Pmod JE | Pmod JF | Pmod JG |
| JA1: AA18 | JB1: Y16 | JC1: Y10 | JD1: AB13 | JE1: U10 | JF1: V7 | JG1: V20 |
| JA2: AA16 | JB2: AB14 | JC2: AB12 | JD2: Y12 | JE2: V9 | JF2: W6 | JG2: T18 |
| JA3: Y15 | JB3: Y14 | JC3: AB11 | JD3: T11 | JE3: Y8 | JF3: Y7 | JG3: D17 |
| JA4: V15 | JB4: U14 | JC4: AB10 | JD4: W10 | JE4: AA8 | JF4: AA6 | JG4: B18 |
| JA7: AB18 | JB7: AA14 | JC7: AA12 | JD7: W12 | JE7: U9 | JF7: W8 | JG7: T17 |
| JA8: AB16 | JB8: W14 | JC8: Y11 | JD8: R11 | JE8: W9 | JF8: Y6 | JG8: A17 |
| JA9: AB15 | JB9: T14 | JC9: AA10 | JD9: V11 | JE9: Y9 | JF9: AB7 | JG9: C16 |
| JA10: W15 | JB10: W11 | JC10: Y13 | JD10: T10 | JE10: AB8 | JF10: AB6 | JG10: A18 |
Table 2. Pmod pinout.
Copyright Digilent, Inc. All rights reserved.
Other product and company names mentioned may be trademarks of their respective owners.



















