TRAILER VALET TV5X Mover in the Trailer Jacks

OPERATING MANUAL
WARNING
Carefully read and understand all the instructions before connecting your new 5X.
Failure to follow these guidelines may result in serious injury to persons and property for which Trailer Valet will not be held liable. Do not allow persons to operate or assemble this unit until they have read this manual and have developed a thorough understanding of how the unit works.
IMPORTANT SAFETY INFORMATION
Failure to heed these markings may result in personal injury and/or property damage:
- DO NOT use the 5X on slopes and inclines beyond stated limits.
- DO NOT submerge the 5X in water (salt or fresh) or leave it in water for prolonged periods, since this can damage the gears and erode lubricants.
- DO NOT use your drill on the 5X’s high gear. (Attachment sold separately)
- Carefully read all instructions. The operator of the 5X must exercise common sense, caution, and full judgment when assessing situations not covered or cautioned in this manual.
- The 5X is designed for specific applications only. Trailer Valet will not be responsible for issues arising from modifications made onto the device. Do not modify the device or use the device for any application other than its intended purpose. Do not exceed the designated weight limits.
- Stay alert! Do not operate if you are tired. Do not operate the device while under the influence of drugs or alcohol. Read prescription warning labels to determine if the use of prescription drugs may impair your ability to operate the device.
- As with all devices with moving parts, do not wear excessively loose clothing as it may become caught, resulting in injury. Tie back and secure long hair.
- Have a second person guide your trailer’s movements while using the 5X to avoid property damage when necessary, especially in narrow or poorly visible areas.
- Operator and bystanders should never place any part of the body under or in the path of any portion of this product or the load being supported or moved.
- This product must be installed and used in strict accordance with these instructions.
- Always remember to set the brakes before leaving or if you are having trouble maintaining control of the trailer.
- Always read and understand your drill/driver operator’s manual and instructions.
- Before each use of the 5X, check for damaged parts. Carefully inspect the device for any part that appears to be damaged to determine if the device will operate properly. Check for alignment and secure mounting of all moving parts. If the device is neither aligned, secured, or both: DO NOT use the device.
- When servicing, use only factory replacement parts.
- The 5X is not intended to be used as a transport device for the implement it is attached to.
- Have wheel blocks in place before/after use and ready in case of emergency.
- Never exceed the maximum rated capacity. Refer to the operating manual or decals on the product to obtain rated capacity. If uncertain, contact Customer Support at (844) 846- 9344 or email: [email protected].
- The 5X is designed for vertical loading. Excessive side forces may cause failure and must be avoided.
- The use of gloves is recommended while attaching the device to the trailer.
- The 5X is designed for use on solid surfaces. DO NOT use the product on excessively soft surfaces or muddy terrain as the device will not be able to gain traction. If there is no traction despite being on a solid surface, consider shifting more of the weight of your trailer forward.
SPECIFICATIONS
The Trailer Valet 5X is made of high strength steel and given a powder coat finish made to resist corrosion from the elements and marine use. When cared for properly, it will provide years of service. The 5X mounts to the side of trailer tongue. Once mounted to your trailer, the 5X makes maneuvering your trailer much easier than your old jack. Hitching and unhitching, leveling, and moving is now done with precision. The 5X
is designed for trailers up to 5,000 lbs. The 5X is for use only on paved surfaces or compacted gravel and soils that are free of debris.
- Wheel size: 9.25 inches
- Jack range: 14 to 22 inches
- Tongue max weight: 500 lbs.
- Trailer max weight: 5,000 lbs.
- Weight: 50 lbs.
- Maximum dimensions: 29” H x 13” L x 7.5”
- Patented under US Patent number 6,619,671 and 6,739,601.
thank you for your purchase!
Congratulations on your purchase of the Trailer Valet 5X. For your future reference please complete the owner’s record below:
Be sure to save your receipt and owner’s manual with warranty information in a safe place.
WHAT’S IN THE BOX
Upon removing items from packaging, it is very important to thoroughly inspect all parts of the system before using the device. Any part that is missing or damaged must be immediately replaced.
Contact Trailer Valet Customer Service at 1-844-846-9344 or [email protected]
A. The Trailer Valet 5X
- Axle Yoke Compartment
- Jack/Jack Tube
- Jack Crank
- Brake Cap
- Steering/Brake Handle
- Side Plates
- Gear Covers
- Low Gear Driveshaft
- High Gear Driveshaft
- Axle/ Screw Assembly
- Rims
- Tire
- Brake Handle Clip
B. Mount Bracket Kit - Bracket
- Bracket Clamps
- Bracket Bolts (x4)
C. Accessory Pack - Crank Handle
- Rotation/Security Pin
- Stow/Clevis Pin & Cotter Pin
- Security Bolt
D. Cleaning Cloth
ASSEMBLY
STEP 1: SET UP
- When installing the Trailer Valet 5X, the unit must be installed while the weight of the trailer is supported by an existing jack.
- Having wheel chocks in place during connection will insure a safe install.
- Raise the trailer tongue to where the coupler is about 16 inches off the ground to give adequate space to attach the dolly.
- During installation, the Steering Handle must be secured to the safety clip to ensure the brake is engaged at all times.
STEP 2: POSITIONING
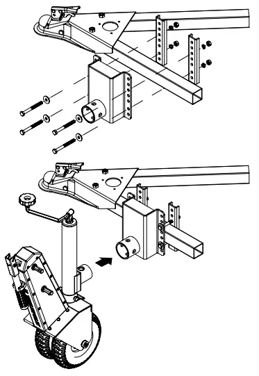
- The mounting bracket has 7 holes to fit a variety of trailer frames. Be sure that you have at least 8 inches of free space for the mounting bracket to be fitted onto your trailer frame.
- Choose a location on the tongue frame where the 5X can freely rotate from its vertical position to its horizontal stow position. The 5X is only to be installed on trailer tongues that are rectangular in profile. Cylindrical frames are not compatible with the 5X as it will rotate, allowing the trailer to drop.
STEP 3: CONNECTION
- Place the Mounting Bracket and clamps onto the area of the frame you have designated and secure with the four bolts. Do not tighten the bolts at this time.
- Included with the Mount Bracket is a cushion strip. Cut the strip into desired lengths and using the one-sided adhesive, place the strips between the bracket and your trailer frame. This will both protect your frame from scratches and allow you to tighten the bracket on further.
It is now recommended that you ensure that there is adequate height to install the unit. The trailer should be high enough that, when the frame is level, there is enough space for the unit to be at least one inch off the ground once attached to the bracket. If there is not enough space, adjust the placement of the bracket on your trailer frame.
NOTE: While it is recommended that the bracket is installed with the attachment point in the low position for stability reasons, the bracket can be flipped prior to install if the space is required.
After the bracket is positioned, evenly and firmly tighten the four bolts to secure the Mount Bracket. Place the connection point of the unit’s Jack tube into the Mount bracket and fasten with the included stow/Clevis pin. Lastly, set the cotter pin through the Stow/Clevis pin.
OPERATING INSTRUCTIONS
Knowing the proper techniques to operate your 5X can help keep you and others around you safe. In this guide, you are shown the basic fundamentals for effective operations. However, it is up to you to analyze the situation and make the decisions necessary for the proper use of your 5X. Apply your knowledge of your 5X and the basic fundamentals you have practiced to adjust your techniques to each unique situation.
Step 4: TESTING THE ASSEMBLY
Remove the rotation pin from the bottom of the jack and, if the trailer is attached to a towing vehicle, turn the crank to raise the trailer up off the hitch. Move the hitch from under your coupler.
NOTE: Always ensure the operator and bystanders are aware of load stability. Remember to also disconnect any towing safety chains, the brake-turn signal wire harness, and any other connections.
Raise your pre-existing trailer jack and lower the 5X unit until your trailer frame is preferably level with the ground. Your pre-existing trailer jack should be raised until it sits at about three inches above the ground and the trailer’s weight is supported entirely by the Trailer Valet. Keep your trailer jack close to the ground to buffer any unexpected failures.
Videos are available on the Trailer Valet website if you need a visual guide to install or use your Trailer Valet.
WARNING:
Using the Trailer Valet with the jack extended will cause excessive wear on the jack and possible result in injury and/or property damage. Always lower the Trailer tongue to its lowest position on the unit or until your trailer frame is level with the ground.
STEP 5: ATTACHING DRIVER
Option 1: Manual Operation
Attach the Drive Handle to the low or high gear Driveshaft.
The low gear drive shaft (located nearer to the top of the unit) allows greater control of the unit and may assist in moving into/through very tight spots.
The high gear drive shaft (located lower on the unit) allows for greater movement to cover distance. Choose your gear according to your needs.
NOTE: It is recommended to start it the low gear to get a feel for safety and control.
Option 2: Drill Adapter (sold separately) The Drill Adapter can be used with any standard 18 to 24 volt, 1⁄2 inch chuck, commercial drill. Corded drills and impact drills are not recommended.
Slot the Drill Adapter in your Drill chuck and secure tightly to avoid the adapter slipping. Align and insert the Drill Adapter to the low gear Driveshaft. Use of an electric drill is not recommended on the high gear.
NOTE: If you are using a cordless drill, be sure your battery pack is fully charged before use. Follow your drill/driver manufacturer’s recommendation.
NOTE: When attempting to move up any incline, it is recommended that the trailer be moved without the use of the drill adapter. Using the adapter when leading your trailer down an incline may result in damage to your drill.
Visit our website to see a video on how to use your drill attachment to move your 5X.
STEP 6: OPERATING THE DEVICE
NOTE: If your trailer has built-in brakes, they must be disengaged prior to operation of the 5X. Consult your trailer manufacturer’s manual/ instructions on temporary brake release. If this is not available to you, please contact Trailer Valet Customer Support through phone or email for assistance.
When ready to operate the device, be sure to have one hand firmly gripped on the brake/steering handle and the other hand firmly holding the drill/driver.
Lift the Steering Handle until the brake is disengaged and begin cranking. The Steering Handle must be held up firmly at all times when moving the trailer. Hold the drill firmly when engaging. If using an electric drill, it will have high initial torque if the drill trigger is pulled rather than squeezed. Begin to move the trailer as slowly as capable and carefully increase the power up to an appropriate speed when using the Drill Attachment.
NOTE: It is important that you steer the device only when you are cranking and the trailer is moving. Attempting to turn the Steering/Brake Handle at a dead stop will place excessive stress on a single tire which may result in damage.
NOTE: When attempting to make sharp turns (E.G. 90° rotation) from a stationary position, crank the 5X back and forth while turning until the unit is in the desired position. Then, proceed to make the turn.
WARNING
DO NOT use the 5X on slopes and inclines exceeding a strict maximum of 10 degrees on a paved/ concrete surface. This rating is subject to factors including, but not limited to, alternate surfaces, weight distribution, change
in weight capacity, and use on multi-axle trailers. If you have any questions concerning the use of your 5X on a slope or incline, please contact us at (844) 846-9344 or email us at: [email protected]
NOTE: Use of a power drill is inadvisable for movement upon any incline.
When parking your trailer, slow to a gradual stop before engaging the brake. Braking with momentum may result in damage. Be sure to always engage the brake when not operating the 5X. When parked, secure with wheel chocks.
STEP 7: STORING THE DEVICE
- Remove the drill/drive handle.
- Lower your trailer’s existing jack until the Trailer Valet is above the ground.
- Insert the rotation pin into the jack assembly.
- Choose between the following two options:
Option 1: Remove the 5X
Remove the stow pin and detach the unit from the mounting bracket. Restore the clevis/stow and rotation pins. Store the 5X in a safe place.
Option 2: Keep the 5X Attached to the Trailer Tongue
Crank the jack handle until the unit jack is fully withdrawn. Then, remove the cotter and clevis/stow pin and rotate the unit 90 degrees with the “Trailer Valet” logo facing up.
Restore the clevis/stow and rotation pins while the unit remains attached to the mounting bracket. This will allow the 5X to remain attached to the trailer while being towed.
The Trailer Valet 5X comes with a security bolt (part 21) that is an option to secure the device while trailering. If you travel with the 5X and choose to use it, the bolt slots through the back of the mounting bracket and threads into the tube of the 5X jack.
WARNING
Failure to lock in the pins and bolt prior to trailering with the unit in the stow position may result in the unit becoming dislodged during movement.
MAINTENANCE
| CHECK | BEFORE FIRST USE | BEFORE EACH USE | EVERY 90 DAYS |
| Take the time to read and understand these operating instructions in order to understand your 5X and its operations. | |||
| Read and understand your drill/driver operator’s manual and instructions. | |||
| Inspect the 5X for damage. Replace any damaged parts immediately. If a part must be replaced, contact Trailer Valet Customer Service 844-846-9344. | |||
| If you plan to keep the device attached to the trailer after each use, you must restore the rotation and stow pins to ensure the unit does not swing against the trailer tongue. | |||
| Keep the device free from contaminants. Remove any dirt and debris from moving parts. | |||
| Apply multipurpose grease to the chain by removing the front cover of the device. | |||
| Apply multipurpose grease to the gear bushings. | |
Additional Tips:
- The Trailer Valet 5X is made of high strength steel and given a powder coat finish made to resist corrosion. However, if the device is used in a marine environment or where road salt is encountered, rinse off the interior and exterior with fresh water and allow to dry. DO NOT SUBMERGE THE 5X as this can damage the gears and erode lubricants.
- After each use, wipe exterior surfaces with a clean cloth.
LIMITED MANUFACTURER’S WARRANTY
SuperTech S Corp warrants for one year from the purchase date that the product will be in working condition and will be free from manufacturing defects, provided that installation and use of the product is in accordance with product instructions. This warranty is only made to the original consumer purchaser and is non-transferable.
ALL OTHER WARRANTIES IMPLIED OR EXPRESSED ARE HEREBY DISCLAIMED.
THIS WARRANTY DOES NOT COVER:
- Normal wear and tear or normal aging of the product;
- Consumable parts designed to diminish over time, unless failure occurred due to a manufacturing defect;
- Cosmetic damage, including but not limited to scratches and dents;
- Damage through accident, abuse, neglect, misuse, natural events, or other external causes;
- Damage through misapplication, overloading, or improper installation;
- Damage due to improper maintenance and repair; and/or
- Product alterations.
LIMITATION OF LIABILITY:
EXCEPT AS PROVIDED IN THIS WARRANTY AND TO THE MAXIMUM EXTENT PERMITTED BY LAW, SUPERTECH IS NOT RESPONSIBLE FOR ANY DIRECT, INCIDENTAL, CONSEQUENTIAL DAMAGES, OR INJURIES RESULTING FROM ANY BREACH OF WARRANTY OR CONDITION; INCLUDING, BUT NOT LIMITED TO, LOSS OF USE, LOSS OF REVENUE, LOSS OF ACTUAL OR ANTICIPATED PROFITS, LOSS OF BUSINESS, LOSS OF OPPORTUNITY, LOSS OF GOOD WILL, LOSS OF REPUTATION, OR ANY DIRECT, INDIRECT, OR CONSEQUENTIAL LOSS OR DAMAGE WHATSOEVER CAUSED, INCLUDING THE REPLACEMENT OF EQUIPMENT AND PROPERTY.
CUSTOMER RESPONSIBILITIES:
Customers may be required to provide proof of purchase date, respond to questions designed to assist with diagnosing potential issues, and follow Trailer Valet’s directions to make a claim on your warranty.
TO MAKE A WARRANTY CLAIM:
Contact us either through:
PHONE: (844) 846-9344
EMAIL: [email protected]
WEBSITE: www.trailervalet.com
TRAILER VALET SHALL HAVE THE EXCLUSIVE RIGHT TO DETERMINE IF A UNIT IS COVERED UNDER ITS LIMITED MANUFACTURER’S WARRANTY.
SEVERABILITY:
The invalidity, illegality, or unenforceability of any provision of this warranty shall not render the other provisions invalid, illegal, or unenforceable.
GOVERNING LAW AND JURISDICTION
This warranty shall be governed by the laws of the State of California. The courts of California shall have the exclusive right to adjudicate any disputes arising under or in connection to this warranty.
Copyright 2022 by Supertech S. Corporation. All rights reserved. No portion of this manual or any artwork contained herein may be reproduced in any shape or form without the express written consent of Supertech S. Corporation.
For further information or if you have any questions, please contact:
SUPERTECH S. CORP.
Customer Service: (844) 846-9344
Email: [email protected]
WWW.TRAILERVALET.COM




















